[ВХОД]
15.05.26(01:58)

www.skif.biz

Альтернативная энергия. Оставь надежду, всяк сюда входящий...

🏠 Главная | 📚 Содержание | 💬 Форум | 📁 Файлы | 📩 Контакт
 
Резонансные генераторы
Магнитные генераторы
Механические центробежные (вихревые) генераторы
Электростатические генераторы
Водородные генераторы
Ветро- и гидро- и солнечные генераторы
Прочие идеи (разные)
О форуме
Транспорт
Оружие
Научные идеи, теории, предположения...
Экономия топлива
Коммерческие вопросы
Струйные технологии
Торсионные генераторы
Новые технологии
Барахолка
Патентный отдел
Конструкторское бюро
Нейтронная физика
Торнадо и смерчи
Гравитация и антигравитация
Сделай сам. Советы.
Медицина и здравоохранение

📱 | 🖨️

Форум - Электростатические генераторы - Электростатика - Парадокс - Стр:1
[ 1 | 2 | 3 | 4 | 5 | 6 | 7 | 8 | 9 | 10 | 11 | ... | 17 ] [>
Модератор: missioner
missioner | Post:808627 - Date: 06.11.22(14:17)
Вот рисунок. Надо поставить вместо вопросительных знаков цифири. Желательно без опытов,чисто теоретически и высказать умозаключение здесь. А потом уже проверять опытом. Що ха херня,рисунок ужимаю-ужимаю один хер ему два экрана нужно.

Суть итога опыта, мы из источника постоянно расходуем энергию,ток, а на конденсаторах её больше не становится

Ведь следующим шагом можно другой кондёр так же перевернуть и вновь в паре дать ток. А если как то можно обратить ход опытов? Нет ли какого то ухищрения которое заставит потечь энергию наоборот, из пары конденсаторов один из которых, который заряжается просто в каждом такте переворачиваем переворачиваем и далее заряжаем источник питания?.... Не пробовал это дело проделывать через индуктивность правда..


Размер: 33.67 KB

_________________
Здесь хранится СЕ суперавтотрансгенератор https://www.skif.biz/index.php?name=Forums&file=viewtopic&p=875842#875842 https://disk.yandex.ru/d/T_H9tIHpXVb8dw Дополненная версия с видео: https://disk.yandex.ru/d/RUQMOtXIHzRo7Q


missioner | Post:808634 - Date: 06.11.22(14:45)
Короче, вместо вопросительных знаков на четвёртом рисунке, слева становится ноль вольт а справа 100. А должно быть вроде больше... К ста вольтам заряда должно добавиться сто вольт от источника питания. Ан нет, только сто в итоге.

_________________
Здесь хранится СЕ суперавтотрансгенератор https://www.skif.biz/index.php?name=Forums&file=viewtopic&p=875842#875842 https://disk.yandex.ru/d/T_H9tIHpXVb8dw Дополненная версия с видео: https://disk.yandex.ru/d/RUQMOtXIHzRo7Q


missioner | Post:808641 - Date: 06.11.22(15:12)
Перезаряжал через первичку трансформатора в качестве индуктивности. Ко вторичке можно подключать конденсатор через диод и он при перезарядке первых двух конденсаторов с помощью источника питания тоже перезаряжается... Но первые два то настолько же вроде должны перезарядиться как и без этой вторички. Причём и энергий на них должно стать нисколько не меньше... И плюс к ним добавляется энергия конденсатора во вторичке. Не сверхъединичной? Или я не прав? Попозже придётся проверить

_________________
Здесь хранится СЕ суперавтотрансгенератор https://www.skif.biz/index.php?name=Forums&file=viewtopic&p=875842#875842 https://disk.yandex.ru/d/T_H9tIHpXVb8dw Дополненная версия с видео: https://disk.yandex.ru/d/RUQMOtXIHzRo7Q


олег-джан | Post:808642 - Date: 06.11.22(15:16)
Лишь бы не пил (с) 😀

_________________
Обьективная реальность-бред,вызванный недостатком алкоголя в крови...


missioner | Post:808646 - Date: 06.11.22(15:30)
Ersh Пост: 808645 От 06.Nov.2022 (15:26)
Т.е. на пустом кондее должны сложиться напряжение источника с напряжением на первом кондее,а этого нет.... Такое происходит только если ещё имеется индуктивность. Другую теперь схемку рисую

_________________
Здесь хранится СЕ суперавтотрансгенератор https://www.skif.biz/index.php?name=Forums&file=viewtopic&p=875842#875842 https://disk.yandex.ru/d/T_H9tIHpXVb8dw Дополненная версия с видео: https://disk.yandex.ru/d/RUQMOtXIHzRo7Q


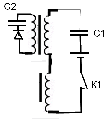
missioner | Post:808653 - Date: 06.11.22(15:45)
А вот и складывается при наличий индуктивности.
Но задача не в этом. Вот две индуктивности, с нулевым омическим сопро, у одной имеется вторичка с конденсатором С2. Заряжаем через индуктивности С1. Вопрос такой,Одинаковое ли количество энергий источника израсходуется при зарядке С1 с подключенным конденсатором С2 когда он тоже зарядится и с неподключенным? Нет ли где то здесь гешефта?


Размер: 24.65 KB

_________________
Здесь хранится СЕ суперавтотрансгенератор https://www.skif.biz/index.php?name=Forums&file=viewtopic&p=875842#875842 https://disk.yandex.ru/d/T_H9tIHpXVb8dw Дополненная версия с видео: https://disk.yandex.ru/d/RUQMOtXIHzRo7Q


missioner | Post:808657 - Date: 06.11.22(15:55)
Ersh Пост: 808654 От 06.Nov.2022 (15:52)
Сер, в вашей задачке не было индуктивности.поэтому не нужно подменять условия... Теперь вопрос кто из нас более адекватен?. Сначала одно, потом пытаетесь втюхать другое?
Дурак ты. Тема создана чтобы подвести к задаче из моего предыдущего сообщения.... Пойду ка я пока баню приготовлю

_________________
Здесь хранится СЕ суперавтотрансгенератор https://www.skif.biz/index.php?name=Forums&file=viewtopic&p=875842#875842 https://disk.yandex.ru/d/T_H9tIHpXVb8dw Дополненная версия с видео: https://disk.yandex.ru/d/RUQMOtXIHzRo7Q


missioner | Post:808660 - Date: 06.11.22(15:58)
ABC Пост: 808658 От 06.Nov.2022 (15:56)
написал ответ к рисунку а потом удалилд. смотрю, -они уже преобразователи наоборот рисуют, справа налево. источник справа. просто песец . люди что с вами не так ?
Ответ не по существу... Люди с мозгами и с права налево могут читать. Жаль только что название темы нельзя исправить, нет такой функций у сайта.... Удалил ответы шибко умных.
Теперь немного теорий. В конденсатор при одном и том же напряжений источника влазит всегда одно и то же количество зарядов а они могут взяться только из источника. Они и при наличий второго конденсатора и при его отсутствий пройдут через обе индуктивности. Т.е. источник в любом случае потратит строго определённое количество зарядов на зарядку С1. А стало быть, то же количество энергий(?). Но в одном из вариантов дополнительно зарядится второй конденсатор. Не на халяву ли? Нету ли здесь преобразования реактивной мощности (энергий) в активную?

_________________
Здесь хранится СЕ суперавтотрансгенератор https://www.skif.biz/index.php?name=Forums&file=viewtopic&p=875842#875842 https://disk.yandex.ru/d/T_H9tIHpXVb8dw Дополненная версия с видео: https://disk.yandex.ru/d/RUQMOtXIHzRo7Q


Forex | Post:808681 - Date: 06.11.22(17:04)
Давно известная фишка. Условно сущестуют 3 уровня знания. 1. Это когда вроде знаешь, но не можешь обьяснить. 2. Знаешь и можешь обьяснить. 3. Это когда НЕ возникает парадоксов... 🤢

sbal | Post:808692 - Date: 06.11.22(17:51)
Здесь о ПРАДОКСЕ.
Вообще, будь моя воля, запретил бы к кондёрам прикасаться, пока не закончит ЦПШ.

_________________
в пути...


missioner | Post:808703 - Date: 06.11.22(18:25)
sbal Пост: 808692 От 06.Nov.2022 (17:51)
Здесь о ПРАДОКСЕ.
Вообще, будь моя воля, запретил бы к кондёрам прикасаться, пока не закончит ЦПШ.
Это админ виноват, отключил возможность правки названия темы....

_________________
Здесь хранится СЕ суперавтотрансгенератор https://www.skif.biz/index.php?name=Forums&file=viewtopic&p=875842#875842 https://disk.yandex.ru/d/T_H9tIHpXVb8dw Дополненная версия с видео: https://disk.yandex.ru/d/RUQMOtXIHzRo7Q


козлайский | Post:808704 - Date: 06.11.22(18:27)
Мы же уже мастурбировали со всем этим года полтора назад.
Напряжение на конденсаторе увеличить можно,если емкость его
будет меньше,энергию нет.


Размер: 118.63 KB

_________________
nature has given us ears which is always open,and a mouth which it is better to keep shut.


missioner | Post:808706 - Date: 06.11.22(18:35)
Мы тогда из кондёра в кондёр переливали, а сейчас один кондёр заряжаем от источника энергий... Ещё не было второй индуктивноси.А без него схема будет работать как на рисунке из первого поста, без прибавки напряжения. Стоило мне туда его добавить как тут же начался рост.

_________________
Здесь хранится СЕ суперавтотрансгенератор https://www.skif.biz/index.php?name=Forums&file=viewtopic&p=875842#875842 https://disk.yandex.ru/d/T_H9tIHpXVb8dw Дополненная версия с видео: https://disk.yandex.ru/d/RUQMOtXIHzRo7Q


Forex | Post:808755 - Date: 06.11.22(21:41)
Переливай, перезаряжай... Всё равно энергии будет столько же за минусом потерь и точка!

mebius | Post:808770 - Date: 06.11.22(22:07)
Не мешай!
Человеку хочется преобразователь напряжения сваять.
Пусть развлекается...

_________________
Всегда нужно быть готовым к тому, что убеждения, которых придерживался в течении долгого времени, могут оказаться ошибочными\\\". П.А.М. Дирак


missioner | Post:808772 - Date: 06.11.22(22:10)
Форекс, если заряды заряжающие конденсатор проходят через сопротивление в цепи они расходуют больше энергий источника питания? Но ведь и в конденсатор при том же напряжений влезет ровно столько же сколько влезло бы и без наличия сопротивления? А источник питания израсходует энергию только на перемешение этих зарядов которых а обоих случаях ровно одинаковое количество... Т.е. вроде одинаковое количество энергий в обоих случаях

_________________
Здесь хранится СЕ суперавтотрансгенератор https://www.skif.biz/index.php?name=Forums&file=viewtopic&p=875842#875842 https://disk.yandex.ru/d/T_H9tIHpXVb8dw Дополненная версия с видео: https://disk.yandex.ru/d/RUQMOtXIHzRo7Q


missioner | Post:809250 - Date: 09.11.22(14:36)
Интересно каким образом при таком способе наращивания наряжения в паре из двух конденсаторов,тот который переворачивается после соединения теряет весь заряд а всё напряжение и заряд переходит в другой непереворачиваемый и итоговое напряжение на нём возрастает на половину напряжения ИП, если правильно помню,или всё же на полное напряжение ИП, вечером повторю. Нет ли где здсь возможности стырить СЕ? Без индуктивности, как уже писал, после каждого цикла имеем только напряжение источника питания.😏


Размер: 222.11 KB

_________________
Здесь хранится СЕ суперавтотрансгенератор https://www.skif.biz/index.php?name=Forums&file=viewtopic&p=875842#875842 https://disk.yandex.ru/d/T_H9tIHpXVb8dw Дополненная версия с видео: https://disk.yandex.ru/d/RUQMOtXIHzRo7Q


missioner | Post:809261 - Date: 09.11.22(15:41)
Положим что в каждом цикле из ИП на зарядку пары конденсаторов уходит энергия равная зарядке последовательной пары конденсаторов на напряжение источника питания к примеру до ста вольт а если после достижения большого напряжения, допустим 800 вольт после каждого цикла начнём сливать с одного из конденсаторов на котором в данный момент окажется весь заряд энергию при котором на нём произойдёт падение напряжения на сто вольт то это уже намого больше энергий чем расходуем на зарядку от нуля до ста вольт. Уже будет СЕ... Если бы при этом из источника бралось столько же зарядов сколько и при изменений напряжения от нуля до ста вольт. Но так как весь заряд заряженного до 700 вольт конденсатора при сливе на пустой конденсатор пройдёт через источник питания то увы... Это всё равно что они взяты из него.Вместе с энергией которую мы намерены взять при падений с 800 до 700 вольт напряжения на конденсаторе... Вот если бы часть перезаряжающихся электронов пошла помимо ИП....😘😘🙄

_________________
Здесь хранится СЕ суперавтотрансгенератор https://www.skif.biz/index.php?name=Forums&file=viewtopic&p=875842#875842 https://disk.yandex.ru/d/T_H9tIHpXVb8dw Дополненная версия с видео: https://disk.yandex.ru/d/RUQMOtXIHzRo7Q


missioner | Post:809367 - Date: 10.11.22(09:26)
Вариант попытки объединения схемы с переворачиваемыми конденсаторами особливо последних слов предыдущего сообщения с темой автотрансгенератора. Для чего и зачем те кто читал последние слова предыдущего сообщения этой темы поймут.


Размер: 70.06 KB

_________________
Здесь хранится СЕ суперавтотрансгенератор https://www.skif.biz/index.php?name=Forums&file=viewtopic&p=875842#875842 https://disk.yandex.ru/d/T_H9tIHpXVb8dw Дополненная версия с видео: https://disk.yandex.ru/d/RUQMOtXIHzRo7Q


missioner | Post:809547 - Date: 11.11.22(06:07)
Схема предыдущего поста неправильная, не будет "подсоса" дополнительных зарядов которые нужны для дополнительной подзарядки пустого конденсатора. Правильная должна(должна) стать такая, где наверху вместо двух конденсаторов перемычка, один, пустой, конденсатор будет стоять между ключом и первичной обмоткой. Суперавтотрансформатор должен быть повышающий, примерно 1,7- 1,8. тогда разностное напряжение будет примерно 0,8-0,9 напряжения ИП. В качеcтве источниика питания другой такой же, заряженный конденсатор. При замыканий ключа ток разряда первого конденсатора прибавляется к току заряда второго конденсатора и при этом весь проходит через второй конденсатор заставляя накапливаться в нём энергию выше энергий изначально заряженного,.Потому как в этот конденсатор придёт в два почти раза больше зарядов чем выйдет из источника. При том же почти напряжений. Если течь не захочет то можно дополнительно толкнуть индуктивностью которую поставить слева от конденсатора-источника.Или немножко ещё похитрее

_________________
Здесь хранится СЕ суперавтотрансгенератор https://www.skif.biz/index.php?name=Forums&file=viewtopic&p=875842#875842 https://disk.yandex.ru/d/T_H9tIHpXVb8dw Дополненная версия с видео: https://disk.yandex.ru/d/RUQMOtXIHzRo7Q


олег-джан | Post:809548 - Date: 11.11.22(06:17)
разряд с 1100 вольт до 1000 даёт гораздо больше энергий чем со ста до нуля..

Ну, а почему так-не удосужился узнать?
Не знаю..книжку открыть..или яндекс...

_________________
Обьективная реальность-бред,вызванный недостатком алкоголя в крови...


missioner | Post:809549 - Date: 11.11.22(06:28)
олег-джан Пост: 809548 От 11.Nov.2022 (06:17)
разряд с 1100 вольт до 1000 даёт гораздо больше энергий чем со ста до нуля..

Ну, а почему так-не удосужился узнать?
Не знаю..книжку открыть..или яндекс...
А ты посмотри формулу энергий конденсатора...

_________________
Здесь хранится СЕ суперавтотрансгенератор https://www.skif.biz/index.php?name=Forums&file=viewtopic&p=875842#875842 https://disk.yandex.ru/d/T_H9tIHpXVb8dw Дополненная версия с видео: https://disk.yandex.ru/d/RUQMOtXIHzRo7Q


олег-джан | Post:809550 - Date: 11.11.22(06:31)
А ты посмотри формулу энергий конденсатора...

Я про неё и говорю...
У тебя в первом случае уже в кондере в 120 раз больше "закачано"...

_________________
Обьективная реальность-бред,вызванный недостатком алкоголя в крови...


missioner | Post:809552 - Date: 11.11.22(06:47)
Сравни 100^2-0^2 и 1100^2-1000^2 Эти значения пропорциональны изменениям энергий при соответствующих падениях напряжения на сто вольт.

_________________
Здесь хранится СЕ суперавтотрансгенератор https://www.skif.biz/index.php?name=Forums&file=viewtopic&p=875842#875842 https://disk.yandex.ru/d/T_H9tIHpXVb8dw Дополненная версия с видео: https://disk.yandex.ru/d/RUQMOtXIHzRo7Q


олег-джан | Post:809553 - Date: 11.11.22(06:54)
Где ты пропорцианальность увидел?
Допустим, емкость 1 Фарада для простоты...
В первом случае 50.000 Дж
Во-втором 600000-500000=100.000 Дж...

_________________
Обьективная реальность-бред,вызванный недостатком алкоголя в крови...


[ 1 | 2 | 3 | 4 | 5 | 6 | 7 | 8 | 9 | 10 | 11 | ... | 17 ] [>
У Вас нет прав отвечать в этой теме.
Форум - Электростатические генераторы - Электростатика - Парадокс - Стр 1
🏠 Главная | 📚 Содержание | 💬 Форум | 📁 Файлы | 📩 Контакт