[ВХОД]

01.04.26(17:50)

www.skif.biz

Альтернативная энергия. Оставь надежду, всяк сюда входящий...

🏠 Главная | 📚 Содержание | 💬 Форум | 📁 Файлы | 📩 Контакт

📱 | 🖨️

Форум - Резонансные генераторы - Резонансный трансформатор Теслы - Запись показательной демонстрации 2 - Стр:1
[ 1 | 2 | 3 | 4 | 5 | 6 | 7 | 8 | 9 | 10 | 11 | ... | 13 ] [>
Модератор: lazj
lazj | Post:165873 - Date: 09.03.09(17:23)
Ввиду того, что на основной ветке, посвященной этой теме появляются всякие "пи-пи-пи"... Предлагаю обсуждение по делу перенести сюда. Косить буду все безбожно, что не имеет отношения к практике. При необходимости попросим Админа сделать ветку закрытой и ограничим доступ.

_________________
"Наука - это то, чего быть не может. То что может быть - это уже технический прогресс" (П.Л. Капица) "Делай, что должно и будь, что будет.."


jonifer | Post:165874 - Date: 09.03.09(17:32)
На Зигеля 22 марта в зал АЗЛК с 10 утра - там будет эта тема.

lazj | Post:165889 - Date: 09.03.09(17:52)
Carn, не переживай, тебе доступ будет... а пока все открыто, пока сильно не достанут.

Счас я подборку из постов старой ветки сделаю... чтобы не метались...

_________________
"Наука - это то, чего быть не может. То что может быть - это уже технический прогресс" (П.Л. Капица) "Делай, что должно и будь, что будет.."


lazj | Post:165895 - Date: 09.03.09(18:54)
вот подборка из последних страниц ветки, искоючив всяку фигню.
ae8829.pdf
Размер: 715.56 KB

_________________
"Наука - это то, чего быть не может. То что может быть - это уже технический прогресс" (П.Л. Капица) "Делай, что должно и будь, что будет.."


lazj | Post:165900 - Date: 09.03.09(19:22)
На сей момент, как я понимаю пришли к выводу, что резонансы о которых говорил Капанадзе - вторичный момент и к самому моменту появления избыточной энергии отношения не имеет, только как средство повышения эффективности. Сам процесс связан напрямую с разрядом, быстрым изменением ...
Дмитрий высказывал предположение о неких положительных частицах. Дмитрий, что это за частицы? Ионы?

_________________
"Наука - это то, чего быть не может. То что может быть - это уже технический прогресс" (П.Л. Капица) "Делай, что должно и будь, что будет.."


sai99 | Post:165925 - Date: 09.03.09(21:43)
Вчера проверял схему Дмитрия на "электромобильность "(по скольку вопрос с заземлением еще не решил) , Похоже с электромобилем проблема , емкость с1 разряжается через большую железяку очень медленно , в результате чего цепь прерывается и дуга пропадает , Видимо все же заземление играет важную роль .
проверял правда на 50 гц -МОТ С1 менял от 0.5 до 2мф
Дмитрий как то упаминал что на 50 гц работало -на кГц не хочет ,
Думаю нужно катушку на 50 Гц в резонанс ввести для чистоты эксперимента


lazj | Post:165927 - Date: 09.03.09(21:47)
Я считаю, что с сетью эксперимент нечист. Это и лияние самой сети и ее связь с землей...
Ты же сам приводил материалы Грея. Обрати внимание как там. Поднялся по потенциалу, слил через нагрузку в АКБ, по пути совершена работа и заряжен АКБ. И опять - вверх по потенциалу...

_________________
"Наука - это то, чего быть не может. То что может быть - это уже технический прогресс" (П.Л. Капица) "Делай, что должно и будь, что будет.."


sai99 | Post:165936 - Date: 09.03.09(22:30)
Согласен, с сети нужно уходить, Просто у меня Мотов куча, и мой любимый транс от неоновой рекламы 10.000 ,но где такую мощу раскачать УПСом, Прийдется Твс доставать из загашника (он мне при эксперментах с Греем выжег напрочь два компа , причем выключенных ) 😎
Видимо потому у Тариеля мощный преобразователь , что Мот там стоит , Чувствую я что не умеет он паять , Собрать преобразователь на трансе от БП компа и пару деталей , засунуть его в зеленую коробку, и не видно ничего ,Видимо моща ему нужна для раскачки Уверен там все кустарно на скрутках 😎 (шучу)
С другой стороны транзисторы на радиаторе(скорее всего ключь ) говорят о наличие генератора .😕
С завтрешнего дня перехожу на батарейки 😊

sai99 | Post:165957 - Date: 10.03.09(00:05)
Ты б описал как тебе видится эта работа, а то как то не понятно , заряжаем кондер , отключаем и все что ли?

turist1 | Post:165960 - Date: 10.03.09(00:25)
sai99 Пост: 165957 От 10.Mar.2009 (00:05)
Ты б описал как тебе видится эта работа, а то как то не понятно , заряжаем кондер , отключаем и все что ли?

наверно надо еще включатель-сначала заряжаем верхний,потом подключаем нижний-он заряжается от верхнего ,разрядник сработает через первичку трансформатора,высокий потенциал вторички компенсирует потенциал полключенных к диодам пластин боковых конденсаторов-значит верхний конденсатор снова зарядится до первоначального уровня.
Затем процесс наверно повторится..

sai99 | Post:165963 - Date: 10.03.09(00:59)
Видимо так и будет , при условии что на диодах и дуге не будет падения напряжения или дуга будет иметь отрицательное сопротивление , в любом случае нагрузку откуда снимаем?? а без нагрузки какой смысл все это раскачивать?

turist1 | Post:165967 - Date: 10.03.09(01:39)
Алена-посмотрел то что по Хмелевскому здесь поиск выдал- ничего не понял..

lazj | Post:165970 - Date: 10.03.09(02:04)
Там пока непонятного много...

Вот лучше почитай. "Рибята из интернета витащили..."
518d06.rar
Размер: 837.56 KB

_________________
"Наука - это то, чего быть не может. То что может быть - это уже технический прогресс" (П.Л. Капица) "Делай, что должно и будь, что будет.."


lazj | Post:165971 - Date: 10.03.09(02:05)
И вторая часть архива.
d5f9d0.rar
Размер: 654.08 KB

_________________
"Наука - это то, чего быть не может. То что может быть - это уже технический прогресс" (П.Л. Капица) "Делай, что должно и будь, что будет.."


devdred | Post:165975 - Date: 10.03.09(05:07)
lazj Пост: 165900 От 09.Mar.2009 (19:22)
На сей момент, как я понимаю пришли к выводу, что резонансы о которых говорил Капанадзе - вторичный момент и к самому моменту появления избыточной энергии отношения не имеет, только как средство повышения эффективности. Сам процесс связан напрямую с разрядом, быстрым изменением ...
Я пока думаю что процес может иметь два разных направления хитрый резонанс и электростатическое - на подобии тестатики как раз подобную схему с реакцией на подключение земли я и выложил на предыдущей ветке. Повторяется легко так что кто рукастый пробуйте...

Вчера проверил слова Тариэля о бифилярной намотке - получается штука очень низкочастотная как раз думаю можно подобрать резонанс в районе 50 герц и при этом без всякого железа 😶, удивился я прежде всего емкости сделаного мной устройства. Но вот на подтягивание чегото из земли такой индуктивностью я не заметил в общем требует более скурпулезного анализа...

_________________
Все что человек может постичь он может достичь.


devdred | Post:165989 - Date: 10.03.09(08:37)
vgm Пост: 165986 От 10.Mar.2009 (07:56)
Как вариант. Сочтете флуд - удалите!
Было тут в статьях подобное... Видать после перезда от статей ничего не осталось... В общем суть примерно такая: если подсоедненить к выходу лампочку без искровика то она будет слабо светиться, расход большой, если с искровиком то светитья значительно ярче потребление тока схемой падает примерно в два раза...

vgm Пост: 165988 От 10.Mar.2009 (08:18)
devdred. А такую бифилярку не пробовали, без внешней емкости? Так сказать "Обрывной бифиляр" - тут вам и статика межвитковая и магнитная составляющая - два в одном и резонанс... После прочтения - уничтожить!
Честно по схеме не могу понять как это намотано 😏, если обычным то пробовал в той самой схеме
image
повторюсь эфекты те же тоесть при повышеном напряжении наличие земли увеличивает яркость лампочки, при пониженом наоборот уменьшает...

К стати соединение для этой конкретной схемы лучше работает если подклчится как у тебя к началу и к концу
image

_________________
Все что человек может постичь он может достичь.


devdred | Post:165992 - Date: 10.03.09(08:52)
Да именно так и пробовал...

_________________
Все что человек может постичь он может достичь.


Vexx | Post:165993 - Date: 10.03.09(08:55)
А если к бифиляру на свободные концы добавить конденсатор переменной емкости?

devdred | Post:166001 - Date: 10.03.09(10:04)
TAHK а как ты видишь схему зарядки паралельных и разрядки последовательных кондеров. Уж извини но ни как схему сооброзить не могу 😏...

_________________
Все что человек может постичь он может достичь.


devdred | Post:166011 - Date: 10.03.09(10:56)
Кондеры и без всякой вилки сами потихоньку заряжаются, а к земле не пробовал слижком просто будет если правдой окажется 😶...

_________________
Все что человек может постичь он может достичь.


lazj | Post:166022 - Date: 10.03.09(11:59)
VGM, не обижайся, но с полуслова и полунамека понимать... ну управляемый разрядник... и что? Совершенно известная вещь, наверное неплохая, пока на столе его не было, сложно что-либо сказать. Частота у него мягко говоря не очень... Что еще сказать?

_________________
"Наука - это то, чего быть не может. То что может быть - это уже технический прогресс" (П.Л. Капица) "Делай, что должно и будь, что будет.."


devdred | Post:166025 - Date: 10.03.09(12:06)
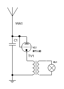
Достаточно доступный для экспериментов некоторое время назад МТХ-90 правда газоразрядник не вакуумный...

Вещь нужная на малых токах вообще не заменимая...

К примеру вот работает у меня в гараже 😶.

Народ думаю имеет смысл собрать все воросы и ответы по данной схеме конкретно сюда, а ветку подчистить.

DevilR Пост: 166040 От 10.Mar.2009 (12:55)
МТХ-90 найти до сих пор не проблема.
А конденсатор какой?
Кондер 0,1 мкф на 600 вольт просто нашёл что было с минимальным током утечки. Пробовал ставить больше частота срабатывания МТХ понижается вот думаю может чтото еще с диодами попробовать типа детектора и вторую емкость - но пока соблюдаю главный закон - работает не тронь 😶...

zvezda Пост: 166069 От 10.Mar.2009 (15:01)
devdred Пост: 166025 От 10.Mar.2009 (12:06) И к примеру лампочка на сколько ма горит или это предположение?😛
Схема примерная по настоящему там у меня еще диодный мост кондер и светодиодный фанарь в качестве нагрузки... В общем такой вечный фанарик 😏 току конечно мизер - зато халява 😶.. Хотел приспособить для заряда аккумулятора но... В общем легче заряжать аккум дома из розетки...

dedivan Пост: 166262 От 11.Mar.2009 (06:08)
devdred Пост: 166025 От 10.Mar.2009 (12:06)

К примеру вот работает у меня в гараже 😶.


У МТХ-90 на электродах радиоактивное напыление, так что она
работает как командирские часы.
И все эти антенны- лишнее.

Деда ранее я просто использовал для этой цели разрядник - но периоды срабатывания мне непонравились - в итоге радиоактивная МТХ 😏 а работает тут прежде всего кондер и проблема как слить с него халяву... Я свой способ предложил...

zvezda Пост: 166302 От 11.Mar.2009 (10:10)
devdred Пост: 166257 От 11.Mar.2009 (04:32)
для чистоты эксперемента-случайно над гаражом лэп никой мимо не идет?😕
Ради чистоты идет, но в ста метрах, и подстанция имеется высоковольтная... Вот бы поболе бы текло я бы вообще был бы доволен 😎 . А так жалкий мизер... Есть подозрение что было бы больше если бы не такие источники помех....
Утилизатор энергии Николы Тесла
Утилизатор энергии Николы Тесла
Размер: 1.34 KB

_________________
Все что человек может постичь он может достичь.


lazj | Post:166068 - Date: 10.03.09(14:53)
Да нет VGM, отрицательный результат это тоже результат... Может ты пытаешься решить в лоб, а может нужен обходной путь? Пока не спрашивай какой - не знаю пока. Но вот есть у меня подозрение, что у Грея не разряжались его емкости полностью. Просто ему это не надо было. При ста двадцати герцах и емкости его конденсаторов это получалось что-то около 1000 Дж в секунду. Никакой разрядник такого издевательства не выдержал бы. Тут что-то есть такое, чего мы не видим...

_________________
"Наука - это то, чего быть не может. То что может быть - это уже технический прогресс" (П.Л. Капица) "Делай, что должно и будь, что будет.."


zvezda | Post:166069 - Date: 10.03.09(15:01)
devdred Пост: 166025 От 10.Mar.2009 (12:06) И к примеру лампочка на сколько ма горит или это предположение?😛

lazj | Post:166074 - Date: 10.03.09(15:20)
но в разряднике гораздо выше скорость изменения процесса, тиристор лишь приближается к такой скорости и то еще очень далек. А Никола говорил о скорости изменения процесса после своих опытов с получением лучей рентгена. Когда он возбуждал трубку гармоническими колебаниями, даже очень большой эдс, он смог получить лишь незначительное излучение. А когда он стал возбуждать ее разрядами конденсатора, то очень быстро добился эффекта, и при дальнейшей форсировке получал очень интенсивные потоки. При том, что затраты на их получение были даже меньше. Вот тут и нужно покопать.

_________________
"Наука - это то, чего быть не может. То что может быть - это уже технический прогресс" (П.Л. Капица) "Делай, что должно и будь, что будет.."


[ 1 | 2 | 3 | 4 | 5 | 6 | 7 | 8 | 9 | 10 | 11 | ... | 13 ] [>
У Вас нет прав отвечать в этой теме.
Форум - Резонансные генераторы - Резонансный трансформатор Теслы - Запись показательной демонстрации 2 - Стр 1
🏠 Главная | 📚 Содержание | 💬 Форум | 📁 Файлы | 📩 Контакт