[ВХОД]
12.04.26(02:43)

www.skif.biz

Альтернативная энергия. Оставь надежду, всяк сюда входящий...

🏠 Главная | 📚 Содержание | 💬 Форум | 📁 Файлы | 📩 Контакт
 
Резонансные генераторы
Магнитные генераторы
Механические центробежные (вихревые) генераторы
Электростатические генераторы
Водородные генераторы
Ветро- и гидро- и солнечные генераторы
Прочие идеи (разные)
О форуме
Транспорт
Оружие
Научные идеи, теории, предположения...
Экономия топлива
Коммерческие вопросы
Струйные технологии
Торсионные генераторы
Новые технологии
Барахолка
Патентный отдел
Конструкторское бюро
Нейтронная физика
Торнадо и смерчи
Гравитация и антигравитация
Сделай сам. Советы.
Медицина и здравоохранение

📱 | 🖨️

Форум - Резонансные генераторы - Проекты Фролова - источник света - Стр:2
<] [ 1 | 2 | 3 | 4 | 5 ] [>
Модератор: AlexFrolov
Первый пост темы: AlexFrolov Post: #155176 От:10.01.2009 (21:42)
Предлагается обсудить здесь технические решения для получения света в видимом диапазоне наиболее экономичным путем. У меня пока получился только примитивный высоковольтный транс на ферритовом кольце, ток в первичку дает мультивибратор, питание 12 Вольт. Потребляет 2А, то есть 24 Ватт. Хватает на 20 Ваттную лампу дневного света. Идеи есть?
Eduard | Post:156722 - Date: 18.01.09(22:33)
А ты запитай от инвертора такую же лампу на 40 Вт, и фотку сравнительную выложи.

_________________
И мню аз яко то имать быть, что сам себе всяк может учить.


loiki | Post:156726 - Date: 18.01.09(22:42)
Блин, если-б я запитал от сети такую-же точно лампу на 20 ватт - ее-бы вообще невидно было-бы!

_________________
Шел Шива по шоссе - разрушая сущее. А навстречу Cаша шла - круглое сосущая.


ilnur | Post:156750 - Date: 19.01.09(01:24)
Все равно я думаю для кроны не так уж и плохо: Post: 156278

loiki | Post:156785 - Date: 19.01.09(07:33)
Я не спорю. Просто у меня задача другая - не портативный светильник (его тоже можно на основе этой схемы сделать), а экономичное освещение для дачи, гаража или лесной охотничьей/рыбачьей избушки, там где чубайса нет и не было. На гараж 2-4 таких лампы хватит с гаком. На домик - 1-2. Итого, считаем потребление. 2 а/ч для гаража, 1 а/ч для дачи. Вобщем полностью заряженного автоаккумулятора хватит на сутки-двое непрерывной работы. (Т.е. на 24 и 48 часов соответственно). Если пользоваться освещением по 3 часа в день - одного аккумулятора хватит на одну-две недели.
Приделать к нему ветрячок, для подзарядки, из самого дешевого шуруповерта, стоимостью баксов 30 (там движок на постоянных магнитах) - и проблема с освещением практически решена.

При этом не надо мудохаться с вонючими пожароопасными керосиновыми лампами, дышать копотью, тратить деньги на горючку и т.п. Да и света здесь ГОРАЗДО больше чем от керосинки или свечки.

_________________
Шел Шива по шоссе - разрушая сущее. А навстречу Cаша шла - круглое сосущая.


Sтаs | Post:156787 - Date: 19.01.09(08:14)
Судя по описанию loiki у него эффективность свечения лампы выше, чем самых хороших светодиодов раза в два, т.е. примерно 200-250 Лм/Вт, если я правильно понял. Еще бы неплохо проверить ресурс при таком включени, может светиться все это дело будет максимум пару суток, а потом лампа потускнеет.

loiki | Post:156798 - Date: 19.01.09(09:48)
Навряд-ли. Люминофор выгорает как-раз при токе в 2-3 ампера, как у основателя этой ветки. Тогда иллюминация вообще бешеная идет.
В моем случае – кратковременный «поджиг» с предварительным прогревом спиралей, и далее – спокойное, ровное горение с нормальным потреблением тока. В принципе, яркость можно и уменьшить, регулировка предусмотрена. Ток потребления при этом падает до 0.1-0.3 ампера, только и всего…
Кстати, на выходе вместо строчника у меня стоит ТМС-21 стоимостью 6 рублей. [ссылка]
Габаритные размеры – 2х2 см. Итого, стоимость всей схемы порядка 10-15 руб. Габариты – 4х2 см.

ТМС-21
ТМС-21
Размер: 8.59 KB

_________________
Шел Шива по шоссе - разрушая сущее. А навстречу Cаша шла - круглое сосущая.


Dusic | Post:156820 - Date: 19.01.09(11:18)
хуже после светодиодов только ДНаТы, но там спектр корявинький. Но кпд достойное - до 110 lm на ватт.

Eduard | Post:157057 - Date: 20.01.09(01:23)
loiki Пост: 156726 От 18.Jan.2009 (19:42)
Блин, если-б я запитал от сети такую-же точно лампу на 20 ватт - ее-бы вообще невидно было-бы!

Да не надо мне эмоций, надо сравнительную фотку! Трудно, что ли? И тебе полезнее будет.

_________________
И мню аз яко то имать быть, что сам себе всяк может учить.


pendik | Post:157061 - Date: 20.01.09(01:41)
loiki Пост: 156785 От 19.Jan.2009 (04:33)
Я не спорю. Просто у меня задача другая - не портативный светильник (его тоже можно на основе этой схемы сделать), а экономичное освещение для дачи, гаража или лесной охотничьей/рыбачьей избушки, там где чубайса нет и не было. На гараж 2-4 таких лампы хватит с гаком. На домик - 1-2. Итого, считаем потребление. 2 а/ч для гаража, 1 а/ч для дачи. Вобщем полностью заряженного автоаккумулятора хватит на сутки-двое непрерывной работы. (Т.е. на 24 и 48 часов соответственно). Если пользоваться освещением по 3 часа в день - одного аккумулятора хватит на одну-две недели.
Приделать к нему ветрячок, для подзарядки, из самого дешевого шуруповерта, стоимостью баксов 30 (там движок на постоянных магнитах) - и проблема с освещением практически решена.

При этом не надо мудохаться с вонючими пожароопасными керосиновыми лампами, дышать копотью, тратить деньги на горючку и т.п. Да и света здесь ГОРАЗДО больше чем от керосинки или свечки.


Я подозреваю, что ты современной керосинки в руках не держал...они несколько сильнее 200 ватной лампочки светят.

Sтаs | Post:157070 - Date: 20.01.09(06:09)
Я подозреваю, что ты современной керосинки в руках не держал...они несколько сильнее 200 ватной лампочки светят.

Я подозревая, что вы в современной лампочки в руках не держали 😀

MSN | Post:157093 - Date: 20.01.09(10:00)
ilnur Пост: 156278 От 16.Jan.2009 (14:56)
Второй конец заземлен.
Напрямую светиться не будет.



А кстати, схему или принцип выложить можете?
Для некоммерческого пользования, можно в личку, а то после 2-х недельного замерзания в недавно прошедшей газовой войне, на грани отключения электроэнергии, знаете-ли очень актуально, задумываешься об автономке для дома, по мощности хотябы освещение +TV

_________________
Говорите говорите, я всегда зеваю когда мне интересно. 99,9% всех СЕ устройств, - от неправильных измерений


loiki | Post:157094 - Date: 20.01.09(10:05)
pendik | Post: 157061 - Date: Tue Jan 20, 2009 1:41
Я подозреваю, что ты современной керосинки в руках не держал...они несколько сильнее 200 ватной лампочки светят.

На фотке видно супер-современную керосинку, заливающую ослепляющими лучами света все вокруг!😎 Шучу. Я ее даже не разжигал. Неохота копоть чистить.

Eduard Пост: Да не надо мне эмоций, надо сравнительную фотку! Трудно, что ли? И тебе полезнее будет.
Пожалуйста. Еще вопросы есть?
сравнение-2
сравнение-2
Размер: 15.32 KB

_________________
Шел Шива по шоссе - разрушая сущее. А навстречу Cаша шла - круглое сосущая.


MSN | Post:157099 - Date: 20.01.09(10:29)
to ALL
по поводу принципов, Я так думаю что реальной экономии наверное можно ожидать из-за принципиально разного возбуждения газа. В промышленных ЛДС питание происходит током, тоесть через лампу про текает ток. А экономная схема видимо это возбуждение потенциальным ВЧ полем после токового розжига. Создание ВЧ потенциального поля может быть достаточно экономичным при правильной схемотехнике.
ПРоверившие, так ли ?

_________________
Говорите говорите, я всегда зеваю когда мне интересно. 99,9% всех СЕ устройств, - от неправильных измерений


loiki | Post:157102 - Date: 20.01.09(10:40)
MSN | Post: 157099 - Date: Tue Jan 20, 2009 10:29
to ALL по поводу принципов, Я так думаю что реальной экономии наверное можно ожидать из-за принципиально разного возбуждения газа. В промышленных ЛДС питание происходит током, тоесть через лампу про текает ток. А экономная схема видимо это возбуждение потенциальным ВЧ полем после токового розжига. Создание ВЧ потенциального поля может быть достаточно экономичным при правильной схемотехнике.
ПРоверившие, так ли ?

Абсолютно! Именно поэтому на перегоревшие нити накала - по барабану!
Хотя, не спорю, НОВЫЕ, не Б/Ушные ЛДС от сети могут светить ярче. (Но при этом и потреблять, несомненно, больше!)
Просто еще раз повторю, моя задача была сделать источник света работающий там, где нет розеток и эффективнее чем "дедовские" методы с лучиной, керосинкой и проч.
Вот, для примера фотка со свечкой.
сравнение-3
сравнение-3
Размер: 16.43 KB

_________________
Шел Шива по шоссе - разрушая сущее. А навстречу Cаша шла - круглое сосущая.


yarunt | Post:157105 - Date: 20.01.09(10:57)
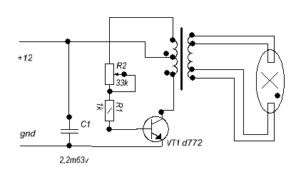
Здравствуйте я тут как клубный читатель ,заглядываю,но зная эту тему решил поделится своим опытом. Делая лампы 12в на флайбеке я заметил факт что лампа сама ярко горит но света практически не дает,это связанно с тем что спиральки покрытые эмиссией не прогреваются и не отдают электроны или дают но малое их количество.
Проделаем небольшой эксперемент,возьмем стандартную лампу дс с дросельной схемой
и к выключателю подключим резистор 10к 5вт.Включаем лампу она зажигается и выключаем ,она практически горит ярко 2-3секунды.Получается что ток через лампу пускать большой не надо ,надо всего лиш поддерживать небольшое напряжение на накалах,для высвобождения электронов.Из этих решений получилась такая схема используящая 3 ватта на лампу 11ватт

Еще из экономии ,может кто заметил,что теплая лампа ЛДС светит на много ярче,проверить можно нагрев женским феном часть лампы.Из этого выходит что светильник должен быть минимальными потерями тепла для максимальной светоотдачи.


Размер: 4.32 KB

Sтаs | Post:157113 - Date: 20.01.09(11:33)
Еще из экономии ,может кто заметил,что теплая лампа ЛДС светит на много ярче,проверить можно нагрев женским феном часть лампы.

Разница восприятия "холодной" и "теплой" части спектра связана с физиологией человека, а не с кпд люминесцентной лампы.

loiki | Post:157115 - Date: 20.01.09(11:34)
У вас полярность питания не попутана? Транзистор точно p-n-p? Эмиттером на землю?

_________________
Шел Шива по шоссе - разрушая сущее. А навстречу Cаша шла - круглое сосущая.


yarunt | Post:157118 - Date: 20.01.09(11:36)
Я не имел ввиду №33(теплый) свет и №54 (дневной).

yarunt | Post:157121 - Date: 20.01.09(11:40)
Точно, с эмитером промашка n-p-n,хотя схема от переполюсовки не сгорит.Исправил

loiki | Post:157122 - Date: 20.01.09(11:42)
Ага, спасибо. Я такое собирал – не понравилось тем, что транзюк сильно греется даже на малых токах потребления. Технологически переход с режима «поджига» на режим спокойного горения у меня тоже несколько другой, но вполне возможно, что ваш более оптимален.
И, кстати, насчет теплой лампы вы тоже правы. Насчет яркости - не знаю, визуально трудно оценить. А вот зажигается прогретая она лучше!

_________________
Шел Шива по шоссе - разрушая сущее. А навстречу Cаша шла - круглое сосущая.


yarunt | Post:157128 - Date: 20.01.09(11:53)
Греться может из за зазора в трансформаторе,в моих случаях приходилось его подбирать и транзисторы надо ставить с наибольшим Ку,но не составной.

Sтаs | Post:157129 - Date: 20.01.09(12:02)
yarunt, а вы не пробовали на выходе вашей схемы, перед самой лампой поставить вилку авраменко? по идее должно работать и ток должен упасть.

yarunt | Post:157130 - Date: 20.01.09(12:07)
Не пробовал,может у кого она есть пусть попробует.

Sтаs | Post:157133 - Date: 20.01.09(12:12)
подключить ее к одному проводу выходной катушки, выход вилки на лампу, возможно второй провод катушки придется заземлить.

zvezda | Post:157135 - Date: 20.01.09(12:20)
yarunt Пост: 157105 От 20.Jan.2009 (07:57) Если не секрет конечно,укажите намоточные данные к вашему трансу в схеме приведеной,и какой сердечник

<] [ 1 | 2 | 3 | 4 | 5 ] [>
🔒 Тема закрыта. Добавление новых сообщений невозможно.
Форум - Резонансные генераторы - Проекты Фролова - источник света - Стр 2
🏠 Главная | 📚 Содержание | 💬 Форум | 📁 Файлы | 📩 Контакт