[ВХОД]
28.05.26(03:21)

www.skif.biz

Альтернативная энергия. Оставь надежду, всяк сюда входящий...

🏠 Главная | 📚 Содержание | 💬 Форум | 📁 Файлы | 📩 Контакт
 
Резонансные генераторы
Магнитные генераторы
Механические центробежные (вихревые) генераторы
Электростатические генераторы
Водородные генераторы
Ветро- и гидро- и солнечные генераторы
Прочие идеи (разные)
О форуме
Транспорт
Оружие
Научные идеи, теории, предположения...
Экономия топлива
Коммерческие вопросы
Струйные технологии
Торсионные генераторы
Новые технологии
Барахолка
Патентный отдел
Конструкторское бюро
Нейтронная физика
Торнадо и смерчи
Гравитация и антигравитация
Сделай сам. Советы.
Медицина и здравоохранение

📱 | 🖨️

Форум - Резонансные генераторы - Резонансный трансформатор Теслы - Tesla Switch как емкостной преобразователь - Стр:7
<] [ 1 | 2 | 3 | 4 | 5 | 6 | 7 | 8 | 9 | 10 | 11 | 12 | 13 | 14 | 15 | 16 | 17 | ... | 45 ] [>
Модератор: Чимбик
Первый пост темы: Чимбик Post: #81442 От:27.09.2007 (05:46)
Вовочка! Поначалу вы не хотели применять схему Tesla Switch к данному типу двигателя... Имейте ввиду, то что я написал о ней (схеме) мало кто знает, в инете она интерпретируется совсем не так как "качалка" Сергея Макунина (или Макухина?). Но в том то и смех, что иначе не работает😊.
Сама схема изложена в деталях (см. ниже) почти верно. Только вот управление биполярными транзисторами осуществляется через заряд емкости коллектора базы каждым из сопряженных аккумуляторов, а затем рассасыванием заряда через коллектор-эммитер. Два нижних управляющих транзистора в составе микросхемы и вынесены для наглядности. Микруха управления SG1524 заменяется SG3524 (разница в температурных режимах использования). Ищите схему комплиментарных транзисторов с исползованием внешней ЭДС(рис 4). Сама микросхема запитывается внешним источником (не показан).
Вообще если кто нарисовал бы схему без уродской расцетастости в лучших традициях замшелых электроников было бы совсем не плохо. Чем мне нравиться эта схема так это отсутствием лишних индуктивных элементов - как то трансформатор.
P.S. И все же ищу возможность испытать схему параметрона с применением белого шума😕
Fema | Post:89649 - Date: 24.11.07(14:41)
То mike при использовании электронных ключей, стоит тщательно проверить, а нет ли "сквозных токов", то есть когда один ключ еще не закрылся, а другой уже открылся. Ведь в этот момент на короткое время аккумулятор оказывается накоротко замкнут через диоды.

mike | Post:89654 - Date: 24.11.07(15:45)
Да нету-- я этим специально озаботился- собрал генератор на tl494 c регулировкой деад-тайма, на осциллограмме паралельно нагруке(лампочке) у меня он прекрасно виден.Ничего даже не греецца,схема в точности собрана, электролиты менял, всё также.

mike | Post:89655 - Date: 24.11.07(16:16)
в общем виде
7717f6.rar
Размер: 246.87 KB

mike | Post:89656 - Date: 24.11.07(16:28)
оптодрова и генератор+горящая лампочка+сигнал с осцилла без нагрузки +сигнал с нагрузкой
e5482e.rar
Размер: 341.31 KB

ert_zeb | Post:89660 - Date: 24.11.07(16:58)
Вот уже и Чимбика запинали. Вопросы дурацкие задают. Типа: что есть электричество?
А вот Тесла долго думал над этим вопросом. Потому как есть две формы электричества: первая - это где носители электроны, а вторая - эфир (ну или называйте его как Вам угодно, у Теслы был эфир и воздух). В своём выступлении он вообще заявил о том, что "по крайней мере маловероятно существование двух видов электричества". Но мы-то теперь знаем, что ЭМ-волны могут распространяться без электронов. И даже он сам это потом понял (по речам в суде видно). И даже пояснения давал, как делать подобные схемы и двигатели. Учил не использовать железные сердечники, запасать энергию в контуре и не излучать радиоволны из провода (волновода), т.к. она тогда "потеряется" и т.п.
А вообще лучший друг двигателя, работающего на волнах - магнит. Его и Адамс, и Бедини, и Грей применяли. Причём северным полюсом к катушке. Да и Сёрла тоже туда понесло, но закончилось не двигателями, а летающими дисками...
Вобщем зачем всё это по сто раз повторять? Тем более тем, кто давно сидит на данном форуме - ведь сами уже давно всё знаете. Теория давно ясна, пора к практике переходить. Вот Чимбик внёс практическое предложение. Зачем его за это убивать? Если не нравится его вариант, предложите лучше свой.
Чтобы не быть голословным внесу два варианта: один (это уже повтор) - блокинг-генератор (на ВЧ разумеется, а если совместить с двигателем, то просто ВЧ-генератор), другой - прерыватель и два контура на его выходе (понижающий для двигателя, повышающий для возврата энергии в аккум.). Второй вариант можно чуть иначе реализовать, создав некоторое смещение напряжения (тогда нужна ещё коммутация с диодами, трубками и кондёрами смещения большой ёмкости), но лучше двигаться от простого к сложному. Чего я всем и желаю. Ну а ежели хто не верит в святого нашего Николу Теслу, то ему в другую конфессию. А лучше сделать самому и проверить чудеса своими руками.&#128520;

loiki | Post:89663 - Date: 24.11.07(17:20)
Никто Чимбика не запинывал, это во первых. А во вторых имеюцца конкретные наводящие вопросы:
1. на сколько об/мин выставлять двигатель?
2. какого диаметра должны быть диски с пластинами-замыкателями?
3. пластины-замыкатели у ротора имеют угол 50 или 60 градусов?
4. какой материал контактов "выключателей", графит?
5. Светится ли лампочка на 220 вольт от этой установки?
Хорошо-бы увидеть фотографии (типа как у майка), или еще лучше - видео РАБОТАЮЩЕЙ установки, желательно без всяких "левых" проводов. Если оно будет с лампой на 220 и без трансформаторов - свято уверую в то, что такое возможно! И более подробное описание авторской разработки, нежели то, что имеется в патенте.

Пы.Сы. Лично от меня - в упор не пойму, откуда аккумуляторы, разряжающиеся поочередно через нагрузку будут брать энергию для подзаряда. Кстати, хорошо бы еще прочитать вторую часть"марлезонского балета" если Волипок еще не утратил к этой теме интерес.

_________________
Шел Шива по шоссе - разрушая сущее. А навстречу Cаша шла - круглое сосущая.


rezoner | Post:89664 - Date: 24.11.07(17:20)
Объясните, а вместо аккумуляторов нельзя применить просто конденсаторы?

FEME | Post:89665 - Date: 24.11.07(17:29)
ert_zeb Пост: 89660 От 24.Nov.2007 (16:58)
у Теслы был эфир и воздух). ..... (по речам в суде видно). И даже пояснения давал, как делать подобные схемы и двигатели. Учил не использовать железные сердечники, запасать энергию в контуре и не излучать радиоволны из провода (волновода), т.к. она тогда "потеряется" и т.п....


В общем, а мы все делаем (и нас с настойчивым упорством этом учат), с точностью до наоборот!
Случайность ли это? (задумчиво так)

_________________
\\\"Если ты не умеешь владеть собой, тобой завладеют другие\\\" (Кроното—Сумус)


Andr | Post:89671 - Date: 24.11.07(18:07)
ert_zeb Ну а ежели хто не верит в святого нашего Николу Теслу, то ему в другую конфессию.


С каго это Вы тут объявляете открытие какой-то конфессии?
Это прерогатива сугубо Админа.
Это у себя дома можете поставить на комп лампочку, светящуюся белым светом, ходить кругом с песнопениями и вызывать ВЧ-духов из обмоток э. двигателей.

И поясните, на какой теории базируются Ваши 2 предложения? дабы народ зря блокинги не лепил и моторы не портил.

НеОн | Post:89675 - Date: 24.11.07(18:33)
Ув. Андрей Post: 89640, чего же Вы сразу ругаетесь. Я всего лишь доношу до сведения окружающих результаты давнего опыта, где сообщаю, что то, что возникает вокруг проводника с током распространяется в трансформаторах и пр. устройствах между обмотками со скоростью приблизительно 300км/сек, а не 300000, отсюда всякие "иголки" при перекоммутации обмоток. Повторяю, я говорю о магнитном поле, а не о ЭМВ или скорости звука в различных средах, в том числе РК-75 (шутка).

Andr | Post:89696 - Date: 24.11.07(21:16)
НеОн, ругаюсь я крайне редко, и аватара у меня в этом случае другая (может кто и помнит, было такое раз на скифе).
Но Ваши наезды на физиков, мягко говоря, мало обоснованы.
Нельзя говорить о скорости распространения одного магнитного поля, только ЭМВ. Да, магнитное поле может существоать неопределенно долго, например, вокруг проводника с постоянным током. Но порождаетя оно в момент возникновения тока в проводнике, как ЭМВ.
А про "иголки" можем поговорить отдельно, елси Вы опишете в чем там дело, что делали, что наблюдали.

MSN | Post:89722 - Date: 25.11.07(02:17)
mike Пост: 89647 От 24.Nov.2007 (13:39)
А почему у меня лампочка не горит белым светом 🙄?, а горит как обычно.😀


А вот если хватит терпения провести тесты на время работы лампы от Тесла Свичь, и просто от 4-х спараллеленных аккумов, вы будуте еще более удивлены результатом.

_________________
Говорите говорите, я всегда зеваю когда мне интересно. 99,9% всех СЕ устройств, - от неправильных измерений


Fema | Post:89726 - Date: 25.11.07(04:12)
To mike - я бы посоветовал увеличить время "деад-тайм", что бы оно было не меньше длительности импульса, так как это рекомендовал BRANDT. Аккумуляторы - это не конденсаторы, им нужно все-таки некоторое время для химического восстановления после каждого импульса заряда-разряда.

Вот тут есть некоторый патент на счет импульсного заряда аккумуляторов (анг), там наверное можно время импульсов наковырять более правильное.
c47d63.pdf
Размер: 243.74 KB

dedivan | Post:89727 - Date: 25.11.07(04:53)
Fema Пост: 89726 От 25.Nov.2007 (04:12)
Аккумуляторы - это не конденсаторы,

Да уж.
Для любителей ВД из аккумуляторов-
1. Свинцовый кислотный аккумулятор в конце цикла заряда начинает
выделять тепло, причем тепла в три раза больше чем мощность тока зарядки. Чем не вечняк?
Одно но- недолго музыка играет, в конце концов дохнет аккумулятор.
2. Часть тока заряда тратится на сульфатацию пластин.
Как раз импульсными токами можно частично восстановить эту энергию,
Это как раз ламерские американские изобретения и патенты на получение
энергии из разряженного аккумулятора.
Хотя в крайнем аварийном случае полезная штука.
Но тоже пользы аккумулятору не приносит.
Делал как то давно такую подзарядку аккумулятора без сети- от самого себя,
процесс преобразования сульфатации пластин в заряд
результат - через месяц от пластин остались тоненькие сосулечки.😕

Параметры импульсов, если кого интересует, определяются опытным путем,
для каждого аккумулятора свои.
Подключается осциллограф, даются импульсы заряда порядка 10 С,
и видно что во время импульса через некоторое время напряжение на клеммах начинает
нарастать резко- это и есть максимальное время импульса.

_________________
я плохого не посоветую


ert_zeb | Post:89730 - Date: 25.11.07(09:45)
Обороты движка лучше для достижения резонанса. Резонансная частота контура (если склероз не изменяет): w=1/sqrt(L^2/C^2).
Диаметр пластин не важен, но чем меньше, тем лучше (на трении сэкономите).
Угол определяется числом пластин. Чем больше (пластин) - тем лучше, но нужно учитывать предельные обороты движка.
Материал щёток не важен. Но для увеличения мощности можно повысить реактивную нагрузку, т.е. просто обеспечить умеренное искрение.
А "засветить" можно любую лампу, всё от мощности зависит. Но я такую установку не делал, так что не знаю будет ли от неё такая лампа светить.

Ну а лампу с белым светом я не сделал. Частота коммутации слишком низкая. Так что вместо равномерного света - отдельные молнии. И бьют они неслабо.
А теории по моим предложениям особо не нужно. Блокинг-генератор нужен просто для накопления энергии, его "срыв" должен поступать на основной рабочий контур. Собственно БГ в данном случае - это замена высоковольтного преобразователя и коммутатора. При использовании принудительной коммутации и повышающего контура хватит и простого генератора.
Единственное, что нужно учесть - однополярность. Да и то это нужно лишь при использовании магнита. При применении КЗ-катушки можно и переменку (наверное) применить.
Собсвенно никаких секретных духов и сверхединицы в контурах нет. Даже товарищи вроде Бедини чёрным по белому говорят, что в самом радианте нет сверхединицы. Так что если она и есть, то причина - в самом однополярном двигателе. А рекуперация в любом случае полезна. Даже поезда делают с учётом возврата непотраченной энергии.
Ну а мы просто привыкли использовать обычное электричество и упорно не хотим применять ВЧ. А ведь это - плохо. До сих пор даже лампочки применяют в основном обычные. Хотя преобразователь для них нужен - со спичечный коробок. Для движка преобразователь нужен помощнее, но если это никому не надо, то и их не будет. К тому же где-то чёрным по белому сказано, что тр-тор Теслы способен создавать гораздо более сильные напряжения или магнитные поля, чем обычные. И это с высоким КПД.

ZU | Post:89742 - Date: 25.11.07(12:05)
mike Пост: 89654 От 24.Nov.2007 (15:45)

МАЙК, а можно ли схемку поглянуть генератора...запарился я с этим 494 - капризничает

Fema | Post:89756 - Date: 25.11.07(14:29)
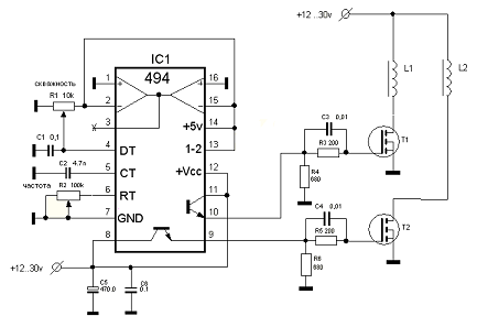
To ZU - схема включения 494 или 594 с минимум деталей


Размер: 20.70 KB
335f66.pdf
Размер: 127.43 KB

mike | Post:89826 - Date: 25.11.07(22:32)
Я схемы брал с сайта flyback( [ссылка] ),конечно там может и многовато деталей,зато работает устойчиво,а частоту и скважность могу регулировать в любых пределах( до мегагерца) путём установки многооборотного резистора на мегаом..

mike | Post:89828 - Date: 25.11.07(22:41)
Я уже 6 коммутаторов сделал, для проверки схемы J.Dekkera, всё равно при закорачивании напряжение падает на аккумуляторах, а при нагрузке( моторчег) всё равно садятся, только медленней. Вообщем незнаю. Может Чимбик что-нибудь подскажет, а пока протестирую как советует MSN.

Чимбик | Post:89850 - Date: 26.11.07(04:38)
to mike. Совет дня. Проделай то, что сделал ZU - добейся сначала при исп. 3-х акк. и 1 ключа прекращения свечения лампочки (выше 500Гц). Далее ищи что не так в твоей схеме, чего-то многовато деталей, хотя по 494 я не специалист.Зачем (фото) 8 ключей + столько-же оптодрайвов, а еще какие-то кондеры. И внимание - вариантов всего 2 - мой/Dekkera и Бедини/Брандта, разница - в случае отключения нагрузки, у Бедини треугольники все равно колбасятся (в этом случае напряжение на зажимах акков повышается).

to andr. Вообще-то стоит повнимательней рассмотреть классический опыт Тесла закорачивание лампочек накаливания тяжелой медной шиной, концы которой подключаются к разряднику и цепи содержащей последовательно емкость и индукционную катушку. А то обсуждение сваливается в словесные баталии. Кстати, специально для ВАС, я могу представить опыт и гораздо проще для повтора, который обьяснить законами совре. шизики вы не сможете, речь идет о патенте Морея на "разрядный" конденсатор и две линии радиантного электричества, аналогия с патентом Яблочкова (ионизирующий кондесатор). Только не спешите, посмотрите патент, даже если о Яблочкове вы уже знаете современную интерпретацию.

to dedivan. Все вроде правильно пишете, да вот незадача - промышленно выпускаемое зарядное устройство "Кедр" кажется новосибирское, и заряжает и десульфирует, размером с полкоробки из под обуви. Акки восстанавливаются, ну если не совсем уж убитые, другими зарядниками не берется.

to ert_zeb. Твой второй вариант легко реализуем (схема еще проще) на двух акках, с превывателем и возвратом самоиндукции. Схема есть. Что касается лампочек, то энергосберегающие мне перестали импонировать когда я их разобрал - 22 детали(ну не хрень); ЛДС постоянным током - мешает катафорез; ДРЛ/ДРИ всем хороши, питаю постоянным током, но опять дроссель просто гигатский, в одной конструкции заменил нагревательным элементом; и вот логическое завершение лампочка накаливания Тесла - шарик из стеклографита в вакуумной колбе с люмин. покрытием, питается мизерным током ВЧ, практически вечна (тело накала обьемное), требует 1 проводной линии, ТАК ПОЧЕМУ ТАКИЕ ЛАМПЫ НЕ ПРОДАЮТСЯ В МАГАЗИНАХ? ОТВЕТ ДАВАЛ НЕСКОЛЬКО ДНЯМИ РАНЕЕ, ТЕПЕРЬ УЖЕ СТЕРТ.

_________________
Есть один способ сделать что-либо, это "взять и сделать". Другого до сих пор не придумали.


ert_zeb | Post:89875 - Date: 26.11.07(12:55)
Да простой плазменный светильник (типа того, что я фотал) вырабатывает неслабый ультрафиолет (запах озона подсказывает). Так что можно делать и лампы такого типа. Вечность такой лампы гарантирована - пробивать там нечему (подвод напряжения через металлизацию снаружи колбы). Нужен только второй слой металлизации для корпуса. Зелёная неонка снизу именно так и подключена - выводы только снаружи, один трансу, другой к корпусу выключателя приляпан.
Но по лампам не я критику начал, тут вобщем-то движок обсуждается.

mike | Post:89883 - Date: 26.11.07(13:45)
Чимбик, спасибо за ответ, с ключами всё в порядке, просто сначала тестировал твою схему(использовал как на рисунке 4 ключа(полевики) на фото должно быть видно), а сейчас стал проверять по оригинальной схеме деккера(6 полевиков), на навороченные схемы оптодрайверов не обращай внимания, это флайбэковцы разрабатывали для высокой надёжности, мне без разницы что питается схема управления от сети(ведь это не окончательное устройство, а проверка эффекта), зато никаких проблем--полевики могу включать как угодно не парясь с общей землёй.
При проверке твоей схемы частота практически не влияет на характер свечения лампочки(горит как обычно), а замыкание накоротко ведет только к падению напряжения на акках, причём больше садится напряжение на вержних параллельно включённых... Но последую твоим рекомендациям и всё перепроверю, ведь и по моим ожиданиям всё должно быть не так, как показал мой опыт( хотя осициллом смотрел, вроде как всё пучком) 🙄

DED | Post:89895 - Date: 26.11.07(15:47)
Чимбик, прежде чем что-то советовать, покажите сначала фото вашего "работающего" девайса. Видите как все нормальные люди делают - учитесь у mike?

loiki | Post:89923 - Date: 26.11.07(20:19)
И ответьте пожалуйста на мои вопросы в посту 89663

_________________
Шел Шива по шоссе - разрушая сущее. А навстречу Cаша шла - круглое сосущая.


mike | Post:89936 - Date: 26.11.07(22:14)
Провёл эксперемент в посте 89456, результат: лампочка горит практически одинаково при прерывании во всём диапазоне частот генератора.Фотографии выкладывать??

<] [ 1 | 2 | 3 | 4 | 5 | 6 | 7 | 8 | 9 | 10 | 11 | 12 | 13 | 14 | 15 | 16 | 17 | ... | 45 ] [>
У Вас нет прав отвечать в этой теме.
Форум - Резонансные генераторы - Резонансный трансформатор Теслы - Tesla Switch как емкостной преобразователь - Стр 7
🏠 Главная | 📚 Содержание | 💬 Форум | 📁 Файлы | 📩 Контакт