[ВХОД]
30.05.26(19:18)

www.skif.biz

Альтернативная энергия. Оставь надежду, всяк сюда входящий...

🏠 Главная | 📚 Содержание | 💬 Форум | 📁 Файлы | 📩 Контакт
 
Резонансные генераторы
Магнитные генераторы
Механические центробежные (вихревые) генераторы
Электростатические генераторы
Водородные генераторы
Ветро- и гидро- и солнечные генераторы
Прочие идеи (разные)
О форуме
Транспорт
Оружие
Научные идеи, теории, предположения...
Экономия топлива
Коммерческие вопросы
Струйные технологии
Торсионные генераторы
Новые технологии
Барахолка
Патентный отдел
Конструкторское бюро
Нейтронная физика
Торнадо и смерчи
Гравитация и антигравитация
Сделай сам. Советы.
Медицина и здравоохранение

📱 | 🖨️

Форум - Прочие идеи (разные) - Схемотехника - Источник высокого напряжения - Стр:19
<] [ 1 | ... 9 | 10 | 11 | 12 | 13 | 14 | 15 | 16 | 17 | 18 | 19 | 20 | 21 | 22 | 23 | 24 | 25 | 26 | 27 | 28 | 29 | ... | 47 ] [>
Модератор: MSN
Первый пост темы: MSN Post: #677942 От:09.06.2020 (10:25)
Накопилось немало идей в том числе по тесластроению и другим интересным искрениям и для воплощения их в жизнь, стало ясно, в хозяйстве просто необходим источник высокого напряжения. Универсального и готового, по вменяемым ценам я не нашел, поэтому решил создавать самому. Чтобы в процессе создания такого источника не пропадали ценные идеи, мысли и схемотехнические решения написанные во флудилке, решил завести такую, вне всякого сомнения полезную многим тему. Тем более поиск на просторах интернета, дал не очень-то большой выбор воплощенных конструкций, а готовые изделия стоили бессовестно дорого. Ну оно и понятно, такие источники - не ширпотреб и делаются как правило на заказ, штучно, поэтому и стоят дорого.
Создания источника нужно начинать с написания ТЗ. Мысль такая: каждый решивший изготовить такой источник ВН, для себя ТЗ будет задавать самостоятельно, сообразно своим требованиям и бюджету и сможет использовать идеи и готовые части схем публикующихся схем.

Итак, мои основные требования таковы(еще будут шлифоваться в процессе):
1. Источник ВВ должен быть напряжением (25-50)кВ;
2. Ток отдаваемый источником (10-50)мА;
3. Источник должен иметь регулировку напряжения и ограничение по току.
4. Измерительные приборы на борту (киловольтметр и миллиамперметр);

Статья которая подвигла меня на изготовление такого лабораторного источника находится здесь.

Куча ссылок, которые я накопал в интернете интересуясь темой, возможно кому-то они пригодятся и устройства подойдут без переделки:

Самый простой высоковольтный генератор на базе старого телевизора
Простое устройство получения высокого напряжения
Генератор высокого напряжения из строчника на транзисторе
Стабильный источник высокого напряжения для питания ФЭУ
Схема высоковольтного преобразователя (вход 12В, вых - 700В)
Высоковольтный блок питания
Блок питания для люстры "Чижевского"
Варианты блока питания “Люстры Чижевского”
Мощные высоковольтные ИП статья в 4-х частях; Ланцов_Владимиров
Высоковольтные генераторы напряжения с емкостными накопителями энергии
Высоковольтный ИП микрофокусной Рентгеновской установки

Было бы хорошо, "накрутить" Скиф так, чтобы первая тема оставалась модерируемой постоянно. Очень удобно добавлять полезные ссылки именно в первую тему.
sbal | Post:679711 - Date: 22.06.20(14:30)
Источники-выпрямители соединяют входами?

_________________
в пути...


dedivan | Post:679712 - Date: 22.06.20(14:31)
Издалека Пост: 679709 От 22.Jun.2020 (14:27)

Слабо?

Так я же не просто так приставал к нему- где у него земляная точка.
Если среднюю точку источников заземлить- не слабо.
Но другие вопросы сразу возникнут.

_________________
я плохого не посоветую


Издалека | Post:679713 - Date: 22.06.20(14:39)
демагогия.
по условию заземлён один конец нагрузки

dedivan | Post:679714 - Date: 22.06.20(14:42)
Издалека Пост: 679713 От 22.Jun.2020 (14:39)
демагогия.


А я то тут при чем? Это не моя схема.
Я про его схему и спрашивал.

_________________
я плохого не посоветую


Издалека | Post:679715 - Date: 22.06.20(14:42)
sbal Пост: 679711 От 22.Jun.2020 (14:30)
Источники-выпрямители соединяют входами?
Хоть как.
Условие - получить на нагрузке высокое напряжение, плавно и линейно меняющееся от - в + просто вращая потенциометр.

МSN | Post:679739 - Date: 22.06.20(16:02)

Бу-Га-Га !!!!!



Он то плакал, то смеялся, то щетинился как ёж. Он над нами издевался, ну сумасшедший, что возьмешь.🤢🤢🤢

Сначала подумал - Дед тупит. Присмотрелся, - нет же , он над вами издевается.
Издалека, - это вас касается в первую очередь. Я вот не пойму, задачку решили, работает. Остальным на нее глубоко насрать. А дед сюда поприкалываться заходит, а вы ему что-то пытаетесь доказать.
Кому, ДедаВане ? Нереально. Он же всегда прав, причем доказательная база обычная : ла-ла-ла .... папа, а земля где? В караганде бля!!! 🤢🤢🤢🤢
Три, или четыре раза сказал уже, что куда хошь свою землю, туда и цепляй, течение токов НЕ ИЗМЕНИТСЯ. Не, он опять про землю.

Сначала хотел стереть этот день, потом прочитал ВНИМАТЕЛЬНО сегодняшнее напИсаное, и сполз под стол. Спасибо Деду за хорошее настроение, и клоунов не надо, его читая 🤢🤢🤢

Не-е-е... теперь не сотру ни за что, оставлю.
Так сказать высеченное в граните, - поколениям в назидание!

_________________
Говорите говорите, я всегда зеваю когда мне интересно. 99,9% всех СЕ устройств, - от неправильных измерений


Greyver | Post:679751 - Date: 22.06.20(18:31)
МSN Пост: 679739 От 22.Jun.2020 (16:02)
он над вами издевается.
Издалека, - это вас касается в первую очередь. Я вот не пойму, задачку решили, работает.
Допустим, Издалека понимает в чём фишка схемы
Издалека Пост: 679696 От 22.Jun.2020 (13:47)
Берём два идеальных источника напряжения с 0 внутреннего спротивления.
а у тебя какое внутреннее сопротивление "источников напряжения"?
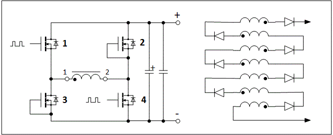
Работать-то оно по твоей схеме может и будет, но только с такими косяками и нелинейностями... &#128536; я по твоей схеме делать бы не стал, разве что от безисходности. 😎

Пс. Когда-то делал обратноходовик, с +\- на выходе, но на небольшие напряжения
image

Как при этом коммутировать транзисторы, догадаться не сложно.

_________________
Человек отличается от обезьяны умением не замечать очевидных вещей.


zimnyaya | Post:679755 - Date: 22.06.20(19:02)
Greyver Пост: 679751 От 22.Jun.2020 (18:31)
МSN Пост: 679739 От 22.Jun.2020 (16:02)
он над вами издевается.
Издалека, - это вас касается в первую очередь. Я вот не пойму, задачку решили, работает.
Допустим, Издалека понимает в чём фишка схемы
Издалека Пост: 679696 От 22.Jun.2020 (13:47)
Берём два идеальных источника напряжения с 0 внутреннего спротивления.
а у тебя какое внутреннее сопротивление "источников напряжения"?
Работать-то оно по твоей схеме может и будет, но только с такими косяками и нелинейностями... &#128536; я по твоей схеме делать бы не стал, разве что от безисходности. 😎

Пс. Когда-то делал обратноходовик, с +\- на выходе, но на небольшие напряжения
image

Как при этом коммутировать транзисторы, догадаться не сложно.

Отличная схема, осталось узнать марку транзисторов на 30 киловольт

_________________
Желудь-теоретик знает, как вырасти в дуб (c) Кнышев


Издалека | Post:679765 - Date: 22.06.20(20:41)
Greyver Пост: 679751 От 22.Jun.2020 (18:31)
Когда-то делал обратноходовик, с +\- на выходе, но на небольшие напряжения
Как при этом коммутировать транзисторы, догадаться не сложно.
Как говорил Моня с Одэссы -
Дети!
Не путайте Гегеля с Бебелем, Калий с Кальцием, а Х-- с пальцем!

Я, лет очень много назад, собрал детекторный приёмник!
Как при этом запаять диод, догадаться несложно !

Вот тут таких "теоретиков" - 99%
И все пытаются что-то вякнуть, надуть щёки и растопырить пальцы!
Хоть кто-то из таких делал что-то на киловольты со стабилизацией?
Или так - бред диванный?
И где у тебя, милок, постоянка на выходе?

К сведению писаки - Идеальный источник напряжения - это устройство с внутренним сопротивлением равным нулю - он поддерживает стабильное выходное напряжение вне зависимости от тока нагрузки!

"я по твоей схеме делать бы не стал"
Тебе такой шанс никогда не дадут, судя по уровню знаний.

ПыСы! У мня дома такая хрень стоит по приведённой схемке - называется Pure Sine Wave Inverter
Мой на 6кВт (18 пиковая 20 сек).
Для справки - данный мост работает в обе стороны - Zn - это сеть в доме.
В нормальном режиме туда полходит 220 из города. При этом на вторичке транса есть 220, а система управления, коммутируя полевики, подзаряжает акк - это Е на схеме.
Если пропадает сеть, то реле отключает город, а мост начинает работать как усилок в классе D - на выходе транса синус 220 / 50Гц. Моща идёт из Е.
Вся коммутация - релюшка с одним НО контактом между вторичкой транса и городом
Вся хрень тяжёлая - 44кг + акк. там 2 мощнючих железных транса!

ПыПыСы! "Как при этом коммутировать транзисторы" - при разных режимах коммутации данная схема може тработать во множестве режимов - тупой мост с меандром, мост с ШИМ, усилитель класса D, Pure Sinus Wave inverter, ZVS, косое несинронное переключение и многое другое . . .


ФЕМЕ | Post:679767 - Date: 22.06.20(21:03)
Издалека Пост: 679765 От 22.Jun.2020 (20:41)
Zn - это сеть в доме.
В нормальном режиме туда полходит 220 из города. При этом система управления, коммутируя полевики, подзаряжает акк - это Е на схеме.

Про какую схему речь?

_________________
«Сколь горестно не знать свой ум!»


Издалека | Post:679768 - Date: 22.06.20(21:07)
ФЕМЕ Пост: 679767 От 22.Jun.2020 (21:03)
Про какую схему речь?
Да про эту с синими краями - мост который от писаки
"Мостовой инвертер"
Китаёзы её штампуют вперёд с песней!
Прелесть в том, что она терпит дикие перегрузки - старая и дубовая
Новые безтрансформаторные инвертеры терпят только 10-20% перегузки и потом горят.
На практике 2кВт инверторы вылетают от пускового тока холодильника.
А эта официально 300% на 20 сек.
Правда вес - 44 кг
По прикидке - 40 - это трансы

МSN | Post:679782 - Date: 22.06.20(23:51)
в оригинале:
" не нужно путать Гоголя с Гегелем, Гегеля с Бебелем, Бебеля с Бабелем, Бабеля с кабелем, кабеля с кобелем, и кобеля с сукой"

_________________
Говорите говорите, я всегда зеваю когда мне интересно. 99,9% всех СЕ устройств, - от неправильных измерений


dedivan | Post:679854 - Date: 23.06.20(18:19)
Плохо, когда электрик не отличает постоянное напряжение от переменного.

_________________
я плохого не посоветую


Greyver | Post:679856 - Date: 23.06.20(18:34)
Издалека Пост: 679765 От 22.Jun.2020 (20:41)
Greyver Пост: 679751 От 22.Jun.2020 (18:31)
Когда-то делал обратноходовик, с +\- на выходе, но на небольшие напряжения
Как при этом коммутировать транзисторы, догадаться не сложно.


Вот тут таких "теоретиков" - 99%
И все пытаются что-то вякнуть, надуть щёки и растопырить пальцы!
Тоисть ты не догадался? 😬

Хоть кто-то из таких делал что-то на киловольты со стабилизацией?
На фейхуа мне делать, ежели на работе хватало? И их есть у меня, на установках. Навскидку - 12кВ со стабилизацией, для электронного пучка в установке напыления.
Ну чо, твоя очередь что-то вякнуть, надуть щёки и растопырить пальцы! (ц) 😎

_________________
Человек отличается от обезьяны умением не замечать очевидных вещей.


mebius | Post:679859 - Date: 23.06.20(19:17)
МSN Пост: 678907 От 16.Jun.2020 (20:03)
Да... сейчас задумываюсь о высоковольтной нагрузке. для тестирования ИП под полной нагрузкой, тоже вопрос...
рещить правда можно...

Можно попробовать ферритовый или графитовый стержень. Но на счет стабильности контакта с ними при ВН не могу ничего сказать.

_________________
Всегда нужно быть готовым к тому, что убеждения, которых придерживался в течении долгого времени, могут оказаться ошибочными\\\". П.А.М. Дирак


Forex | Post:679861 - Date: 23.06.20(19:18)
Greyver | Post: 679852 - Date: Tue, 23 Jun 2020 (18:08)
циНашёл в инете схему за 1 минуту. Это не обратноходовик, и "однополярный",

Ну и до какой частоты такой вариант будет работать? 🤢
Говно! 😭
К тому же схема не правильная.

Greyver | Post:679865 - Date: 23.06.20(19:33)
Greyver Пост: 679852 От 23.Jun.2020 (18:08)
zimnyaya Пост: 679755 От 22.Jun.2020 (19:02)
Greyver Пост: 679751 От 22.Jun.2020 (18:31)
делал обратноходовик,

Отличная схема, осталось узнать марку транзисторов на 30 киловольт
Зачем? 😳
Снёс этот пост.
Суть была такая - у тесластроителей применяются полумостовые схемы без всяких транзисторов "на 30 киловольт".

Пс. Кста, Зимняя, вот тебе пример, когда решение существует, но в технике не применяется -
Можно ли сделать блок ВВ на 15 кВ с выходным сопротивлением в 1 Ом? Запросто - поставить на выходе блока сопротивление в 1 Ом. Заодно и обогревать небольшой город... 😬

_________________
Человек отличается от обезьяны умением не замечать очевидных вещей.


Greyver | Post:679866 - Date: 23.06.20(19:39)
Forex Пост: 679861 От 23.Jun.2020 (19:18)
Ну и до какой частоты такой вариант будет работать?
Зависит от полевиков. У меня до 100 кГц работали без проблем.
Пс. Схема была первая попавшаяся из инета. Я надеюсь, что такое полумост, и чем он отличается от мостовой схемы, объяснять не нужно?

_________________
Человек отличается от обезьяны умением не замечать очевидных вещей.


Forex | Post:679874 - Date: 23.06.20(20:32)
адеюсь, что такое полумост, и чем он отличается от мостовой схемы, объяснять не нужно?

Это ты что-ли мне будешь обьяснять... Гы-ы--ы... 🤢 🤢 🤢 🤢

ЗЫ. Схема говно и с ошибками.

zimnyaya | Post:679879 - Date: 23.06.20(21:55)
Greyver Пост: 679865 От 23.Jun.2020 (19:33)
Greyver Пост: 679852 От 23.Jun.2020 (18:08)
zimnyaya Пост: 679755 От 22.Jun.2020 (19:02)
Greyver Пост: 679751 От 22.Jun.2020 (18:31)
делал обратноходовик,

Отличная схема, осталось узнать марку транзисторов на 30 киловольт
Зачем? 😳
Снёс этот пост.
Суть была такая - у тесластроителей применяются полумостовые схемы без всяких транзисторов "на 30 киловольт".

Пс. Кста, Зимняя, вот тебе пример, когда решение существует, но в технике не применяется -
Можно ли сделать блок ВВ на 15 кВ с выходным сопротивлением в 1 Ом? Запросто - поставить на выходе блока сопротивление в 1 Ом. Заодно и обогревать небольшой город... 😬

У тесластроителей применяются всякие схемы. И полумостовые и мостовые и однотакты каких угодно видов.
Перед этим обсуждался ВВ источник с инверсией напряжения и плавным переходом через ноль.
В чём был смысл публикации схемы этого моста в контексте обсуждаемой темы?
Я его лично не вижу.

Greyver ВВ блок можно сделать даже с отрицательным сопротивлением.
Без всяких резисторов "на 1 ом" и "обогрева городов".
Это не секретная информация

_________________
Желудь-теоретик знает, как вырасти в дуб (c) Кнышев


Издалека | Post:679888 - Date: 23.06.20(22:36)
zimnyaya Пост: 679879 От 23.Jun.2020 (21:55)
Перед этим обсуждался ВВ источник с инверсией напряжения и плавным переходом через ноль.
В чём был смысл публикации схемы этого моста в контексте обсуждаемой темы?
Я его лично не вижу.
Greyver ВВ блок можно сделать даже с отрицательным сопротивлением.
Без всяких резисторов "на 1 ом" и "обогрева городов".
Это не секретная информация
Ну надо было ему что-нибудь написать.
А про принципы систем с обратными связями по напряжениям и токам в ЦПШ не учат . . .

Pavel1 | Post:679899 - Date: 24.06.20(06:53)
MSN
Итак, мои основные требования таковы(еще будут шлифоваться в процессе):
1. Источник ВВ должен быть напряжением (25-50)кВ;
2. Ток отдаваемый источником (10-50)мА;
3. Источник должен иметь регулировку напряжения и ограничение по току.
4. Измерительные приборы на борту (киловольтметр и миллиамперметр);


1) Выпрямленный? Если да, то по принципу ТДКС. Диоды между концом и началом
слоев обмоток.
2) Сложновато, но есть диоды серии UF.
3,4) В наш век это без проблем.

Ну и естественно хорошую междуслойную изоляцию и ведро эбоксидки😎 .

Судя по требованиям, мощность должна быть порядка 1 - 1.5 кВт.

Схемное решение, при такой мощи, это прямоходовой косой мост с ШИМ регулировкой.
Преимущества? отличная рекуперация обратного выброса.
В мосте не вижу смысла(лишний расход в 4 раза диодов в ТДКС).
Обратноход обще не катит.
Иного решения нет.

Всякие трансформаторы(постоянного тока) с выходом постоянки,
это бред сивой кобылы!
Есть закон индукции: площадь импульса прямого хода строго равен площади
обратного хода, все иных законов нет. Остальное от колхозных диэлектриков.



Pavel1 | Post:679900 - Date: 24.06.20(08:33)
К посту выше, пока рисовал кнопка ПРАВКА исчезла.


Размер: 10.45 KB

dedivan | Post:679904 - Date: 24.06.20(09:50)
Pavel1 Пост: 679899 От 24.Jun.2020 (06:53)
прямоходовой косой мост с ШИМ регулировкой.

Преимущества? отличная рекуперация обратного выброса.



У трансформаторов есть такая практическая цифра- число витков на вольт.
Так вот у прямоходов она в 40-50 раз выше чем у флаев.
Ты представляешь себе намотку провода в 50 раз больше?
Для одного и того же напряжения.
В 50 раз выше сопротивление, в 50 раз нужен толще провод....
Цена меди тоже в 50 раз больше....
Не считай буржуев дураками, они это все давно уже высчитали.

_________________
я плохого не посоветую


texnik | Post:679905 - Date: 24.06.20(10:14)
dedivan Пост: 679904 От 24.Jun.2020 (09:50)
Pavel1 Пост: 679899 От 24.Jun.2020 (06:53)
прямоходовой косой мост с ШИМ регулировкой.

Преимущества? отличная рекуперация обратного выброса.



У трансформаторов есть такая практическая цифра- число витков на вольт.
Так вот у прямоходов она в 40-50 раз выше чем у флаев.
Ты представляешь себе намотку провода в 50 раз больше?
Для одного и того же напряжения.
В 50 раз выше сопротивление, в 50 раз нужен толще провод....
Цена меди тоже в 50 раз больше....
Не считай буржуев дураками, они это все давно уже высчитали.
Только экономия провода... Дальше не надо рекламировать😊 И тут можно спорить. Потому что при Киловольтах не нужны большие токи, соответственно, можно мотать тонким проводом и в итоге масса провода получится тоже самая....

<] [ 1 | ... 9 | 10 | 11 | 12 | 13 | 14 | 15 | 16 | 17 | 18 | 19 | 20 | 21 | 22 | 23 | 24 | 25 | 26 | 27 | 28 | 29 | ... | 47 ] [>
У Вас нет прав отвечать в этой теме.
Форум - Прочие идеи (разные) - Схемотехника - Источник высокого напряжения - Стр 19
🏠 Главная | 📚 Содержание | 💬 Форум | 📁 Файлы | 📩 Контакт