[ВХОД]

22.03.26(20:00)

www.skif.biz

Альтернативная энергия. Оставь надежду, всяк сюда входящий...

🏠 Главная | 📚 Содержание | 💬 Форум | 📁 Файлы | 📩 Контакт

📱 | 🖨️

Форум - Нейтронная физика - Нейтронная физика, химия, астрофизика - Импеданс - Стр:1
[ 1 | 2 ] [>
Модератор: Влад
Влад | Post: #302989 - Date: 18.04.11(11:48)
Взяв любую частоту за несущую,при помощи импеданса можно получить как более высокую частоту,так и более низкую.Надо просто понимать,что импеданс - это резонанс в резонансе.Существует верхний и нижний импеданс.Существует три типа резонанса - волновой,полуволновой и четвертьволновой.Если взять частоту 50Гц,то при четвертьволновом импедансе мы при помощи простой RC цепочки,можем получить 100Гц.При полуволновом ипедансе 10000Гц(10КГц),при волновом импедансе частота уже будет равна 100КГц. После такой цепочки,это передатчик на любую частоту,или это процессор 300ГГц..Если взять в качестве задающего генератора частоту 2ГГЦ,то при волновом импедансе можно получить 256ГГц.Это реальная частота процессора уже сегодня.Эти частоты являются мечтой современных физиков,Тесла их получал на заре Радио.


queet | Post: #303002 - Date: 18.04.11(13:26)
Влад, Давай как-то в общепринятых понятиях. ИМПЕДАНС это комплексное (если хочешь ПОЛНОЕ) сопротивление. А то как-то непонятно о чем ты глаголешь.


Влад | Post: #303007 - Date: 18.04.11(14:02)
ИМПЕДАНС это комплексное (если хочешь ПОЛНОЕ) сопротивление

Я с вами согласен.Это электрическое сопротивлеие волны к току и напряжению.Правильно выбрав сопротивление и емкость можно создать резонанс в резонансе.


queet | Post: #303014 - Date: 18.04.11(15:31)
Влад Пост: 303007 От 18.Apr.2011 (15:02)
Я с вами согласен.Это электрическое сопротивлеие волны к току и напряжению.Правильно выбрав сопротивление и емкость можно создать резонанс в резонансе.
Итак пихаем в розетку правильно выбранные сопротивление и емкость и из исходных 50гц имеем...
В общем сколько захотим, столько и имеем. Или как?


jonifer | Post: #303021 - Date: 18.04.11(16:56)
при помощи импеданса можно получить как более высокую частоту,так и более низкую
на реально существующих в природе импедансах можно получить только ослабление сигнала - уроды недоученные - для сдвига спектра нужны только активные элементы с нелинейной характеристикой.


tera | Post: #303024 - Date: 18.04.11(17:27)
- уроды недоученные -
Ну почему, при перемножении двух тесловских волн, получим только постоянку. А если пропустить предварительно расщепив тесловскую волну по двум разным средам получим ту частоту которую надо. Точно также и звук себя ведет, и стены нахрен сносит бетонные 1м. Чтобы уродов выкуривать.

_________________
“Я есмь и путь, и истина, и жизнь. Никто не приходит к Отцу иначе, кроме как через Я”



queet | Post: #303054 - Date: 18.04.11(19:26)
- уроды недоученные -

Джони, не ругайся. У человека свое вИдение. Дык пусть пояснит, чтобы всем понятно было. На счет недоученных, так это ты зря. Где раздобыть "халяву" нигде не учат. Только своими извилинами. Ты вот своим успехам обязан тому, что тебя "доучили", или все же своими мозгами дошел? Или успехов еще нет?


jonifer | Post: #303071 - Date: 18.04.11(20:36)
Рабочего нет. Побегал я не мало - и только сейчас начинается нормальный разговор на эту тему - бляСлава Фукусиме - а десять лет без зарплаты хочешь? - и всё добытое в исследования. Убийко прав - водку с ним пил - только пугать уродов. По МД всё нормально - вчера встречался с конкурентами - бля - встреча ветерана войны с пионерами - переводить?


andy8mm | Post: #303095 - Date: 18.04.11(23:46)
jonifer,
встреча ветерана войны с пионерами - переводить?
Если можешь подробнее расскажи.


jonifer | Post: #303109 - Date: 19.04.11(08:10)
Особо подробно не буду - но есть огромный пласт естествоиспытателей, считающих, что компьютер - это зло(его не имеют - я молчу о способностях работать на нём), отсутствие ЛЮБЫХ средств измерений (динамометр их приводит в ужас) - и этот считается одним из лучших учеников Ацюковского - пришлось показать, почему его модель не работает, но сгладил углы - думал инфаркт у человека будет. И такие бегут впереди нас - после них - выжженная земля - потеря авторитета навсегда.


andy8mm | Post: #303121 - Date: 19.04.11(09:30)
Спасибо.


Влад | Post: #303142 - Date: 19.04.11(13:43)
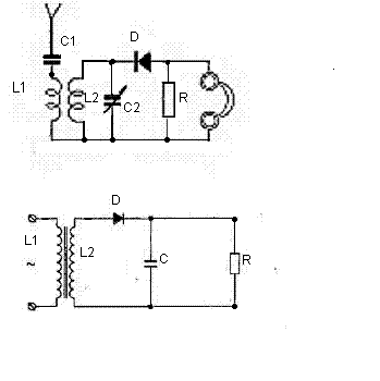
Это схема где используется верхний четвертьволновой импеданс.


Хочу предложить вашему вниманию две схемы.
1)Детекторный приемник
2)Простой выпрямитель
Обе схемы почти одинаковы.
Вопрос физикам,радиоинженерам и радиолюбителям: -
Почему в первой схеме диод детектирует (выделяет) низкую частоту,а во втором случае выпрямляет?Какова роль диода в обеих схемах.



Размер: 15.55 KB


Размер: 5.76 KB


bogatyr | Post: #303218 - Date: 19.04.11(21:23)
Верхний это понятно, а вот с нижним 1/4 волновым берут сомнения.


Влад | Post: #303417 - Date: 21.04.11(12:34)
Верхний это понятно, а вот с нижним 1/4 волновым берут сомнения.

Можете не сомневатся.Если верхний импеданс ограничен 300ГГц,то нижний ничем не ограничен,это значит,что можно создать волну длиной во многие миллиарды миллиардов световых лет.


yurinikolaev | Post: #312598 - Date: 17.06.11(14:35)
Влад,что ты несеш?Ты попутал резонанс с импедансом.Если ты нагрузиш генератор с частотой f на симметричную замкнутую линию с электрической длиной f, 2f и т.д.-то получиш в ней стоячую волну с разным импедансом (читай-комплексным сопротивлением) по ее длине.Четвертьволновый, полуволновый и т.д.А вот получение гармоник входной частоты-это совсем другая тема.Простеший способ-с помощью колебательного контура,настроенного на требуемую гармонику,но обязательно с потерей мощности.Выше 16 гармоники-уже ни шиша не остается.Да и не выделить гигагерцовые частоты.Я имею ввиду 300ггц.Высокие гармоники выделяют покаскадно в усилительных каскадах(написал тавтологию) или современным способом-с помощью синтезаторов частоты .



sergrushka | Post: #312632 - Date: 17.06.11(20:58)
Таких Владиков надо осаживать. В аттаче приложена схема, вход и выход. Обратите внимание, что частота не изменилась, там и там 5 горбов и амплитуда на выходе снизилась в 200 раз😎 . Моделирование проведено в Оркаде.
9dea6e.zip
Размер: 15.19 KB


Влад | Post: #479500 - Date: 03.10.15(13:18)
У вас не верное понимание о импедансе.
[ссылка]
Импеданс, это прежде всего физическое явление. Это не входное сопротивление электронных устройств, это не волновое сопротивление и прочая чушь описанная по ссылке выше. Импеданс, это резонанс в резонансе, который возможен только при одновременной генерации электромагнитной и скалярной волн. Такая волна излучается в пространство подобно свету от Солнца или любого источника света во все стороны одинаково, не имея вообще направленности то есть в форме сферы. Чтобы было понятнее, положительная и отрицательная полуволна излучаются в форме двух полусфер, или двух скорлупок ореха соединённых вместе в нулевых точках X' X и Z' Z которые определяются длиной волны. Импеданс возможен только при сложении или вычитании таких волн, которое происходит в геометрической прогрессии.
[ссылка]
[ссылка]
Основываясь на правильном понимании физики эфира мы с вами уже в начале следующего десятилетия построим летательные аппараты которые будут двигаться со скоростью близкой к скорости света и для них генераторы свободной энергии. На правильном понимании импеданса и применив новый алгоритм в операционной системе мы создадим сверх мощный компьютер, а на его основе галактический навигатор. Человек, высшее творение Бога, получит право быть Богом. Этим правом будут обладать люди сохранившие любовь, доброту, уважение друг к другу, не продавшие свою совесть и стыд, и именно такие люди, как я уже говорил, продолжат своё дальнейшее развитие не зная смерти.






Ihtiandr | Post: #479521 - Date: 04.10.15(10:41)
Владька

Не лезь в физику, не твое это. Давай дальше про смещение земных осей и языческие божества.
Импедансом называли сопротивление. Это его название.
Про сферический фронт волны тебе бесполезно объяснять. Для этого надо немного мозга иметь, а не только скорлупками мыслить.
При дальнем распространении сферическая волна вполне апроксиммируется плоской.

Этим правом будут обладать люди сохранившие любовь, доброту, уважение друг к другу, не продавшие свою совесть и стыд

Имперданс головного мозга.

_________________
Человек создан для счастья, как птица для работы



Carn | Post: #479523 - Date: 04.10.15(11:32)
Влад, двигай тему дальше. Ну слушай почитателей Быдлопедии

_________________
Из Шамбалы лохом никто не возвращался



Влад | Post: #479525 - Date: 04.10.15(13:15)
Это проблема не википедии, а науки к сожалению.
Ну и пара слов земноводному. Как началось возрождение России, как началось уничтожение радикального ислама, как общество преобразуется в общество людей Богов, так ты дебил не имеющий ни стыда ни совести ни уважения к старшим станешь жабой пучеглазой. Я, Бог Сварог тебе это обещаю.



phoba | Post: #479533 - Date: 04.10.15(19:03)
Влад Пост: 303417 От 21.Apr.2011 (13:34)
Верхний это понятно, а вот с нижним 1/4 волновым берут сомнения.

Можете не сомневатся.Если верхний импеданс ограничен 300ГГц,то нижний ничем не ограничен,это значит,что можно создать волну длиной во многие миллиарды миллиардов световых лет.


Волну больше чем диаметр земной орбиты ты не создаш. 300 000 000 км это предел.
Это по классике, а как по факту ? В сторону увеличения длины волны предел есть, а в сторону уменьшения что нету ? Тоже вопрос кагбы.

На счет света таг свет светит изнутри структуры среды с углом в 360 градусов. А солнце фокус этого света(источник наоборот) как 69 и все у официального представителя.

Поясните за импеданс еще раз. Не совсем догоняю. Это нечто вроде параметрического резонанса, только рост амплитуды трансформирован в рост частоты ? Я правильно понимаю процесс или нет ? Простыми словами если можно ?

_________________
Все новое - переосмысленное старое по новому, но не \\\"хорошо забытое старое\\\"...В. Стогов



Влад | Post: #479549 - Date: 05.10.15(14:12)
Ты сам понял, что написал? Я вас дебилов начну наверное живыми ложить в землю чтобы вы сначала читали и думали прежде чем что то писать.


Pavel1 | Post: #479572 - Date: 05.10.15(19:04)
Влад Пост: 479525 От 04.Oct.2015 (14:15)

... так ты дебил не имеющий ни стыда ни совести ни уважения к старшим станешь жабой пучеглазой. Я, Бог Сварог тебе это обещаю.


Владик, как тебя понимать, ты то атлант, то Тор, а теперь какой то Сварог? Если ты Бог, то чего на землю грешную спустился, на заработки?
У вас там наверное тоже безработица и кризис?
Все не хочу я больше быть Богом😀.


phoba | Post: #479611 - Date: 06.10.15(05:55)
Влад Пост: 479549 От 05.Oct.2015 (15:12)
Ты сам понял, что написал? Я вас дебилов начну наверное живыми ложить в землю чтобы вы сначала читали и думали прежде чем что то писать.


Только люди могут назвать тебя богом, сам ты можешь назвать себя лишь червем.

_________________
Все новое - переосмысленное старое по новому, но не \\\"хорошо забытое старое\\\"...В. Стогов



Влад | Post: #519264 - Date: 13.12.16(10:53)
Дам вам пояснение, которое даст вам лучшее понимание импеданса или резонанса в резонансе. Многие просто не понимают, как может быть резонанс в резонансе. Все ваши схемы складывают или вычитают частоты. Делаете вы это настраивая колебательные контуры на нужные гармоники основной частоты. При импедансе на частоте основного сигнала возникает точка нового резонанса где частота умножается или делится. Достигается это следующим образом. Необходимо вместо колебательных контуров включить в схему фазосдвигающую цепочку и плавно изменяя фазу основной частоты найти точку четверть волнового импеданса, которая будет в двое выше или ниже основной частоты. Включите на выходе частотомер для контроля. Включив последовательно две такие фазосдвигающие цепочки получите полу волновый импеданс, а три – волновой импеданс. Чем отличается суммирование от умножения вы знаете. Нам с вами это будет нужно в самое ближайшее время для создания летательных аппаратов совершенно нового типа где для генерации волновых колебаний будет использоваться импеданс. С помощью этих аппаратов мы спасём огромное количество людей достойных вечной жизни.


[ 1 | 2 ] [>
У Вас нет прав отвечать в этой теме.
Форум - Нейтронная физика - Нейтронная физика, химия, астрофизика - Импеданс - Стр 1
🏠 Главная | 📚 Содержание | 💬 Форум | 📁 Файлы | 📩 Контакт