[ВХОД]
30.05.26(19:01)

www.skif.biz

Альтернативная энергия. Оставь надежду, всяк сюда входящий...

🏠 Главная | 📚 Содержание | 💬 Форум | 📁 Файлы | 📩 Контакт
 
Резонансные генераторы
Магнитные генераторы
Механические центробежные (вихревые) генераторы
Электростатические генераторы
Водородные генераторы
Ветро- и гидро- и солнечные генераторы
Прочие идеи (разные)
О форуме
Транспорт
Оружие
Научные идеи, теории, предположения...
Экономия топлива
Коммерческие вопросы
Струйные технологии
Торсионные генераторы
Новые технологии
Барахолка
Патентный отдел
Конструкторское бюро
Нейтронная физика
Торнадо и смерчи
Гравитация и антигравитация
Сделай сам. Советы.
Медицина и здравоохранение

📱 | 🖨️

Форум - Сделай сам. Советы. - Домашнему мастеру - Инвертор 12 - 220 своими силами - Стр:5
<] [ 1 | 2 | 3 | 4 | 5 | 6 | 7 | 8 | 9 | 10 | 11 ] [>
Модератор: stasis2
Первый пост темы: stasis2 Post: #478519 От:20.09.2015 (15:33)
Прошу совета , желательно поделится опытом по строительству преобразователей 12-220 . Так же об особенностях эксплуатации , например о соотношении продолжительной и пиковой мощности ) интересуют конструкции мощностью от 500 ватт и более как самодельные так и пром образца , лучшие тех решения и тп.
Вопрос на засыпку номер один - бытует мнение что инвертор с модифицированной синусоидой убивает бытовую электронику перегружая входные цепи блока питания бросками тока ) Так ли это ? может у кого то есть опыт длительной эксплуатации таких устройств ? Сам буду строить инвертор впервые , уже начал и процессе постройки выяснилось что силовые ключи ирфп 064н не могут работать на тороидальный транс - дико греются и выходят из строя под нагрузкой всего лишь 75 ватт несмотря на то что каждый ключ рассчитан на 300 , по схеме их стоит 2.
Ключи и схема исправны тк ранее они успешно работали без видимого нагрева на другой транс с той же нагрузкой транс был от комп ИБП на 300 ватт. Трансик от компа был припаян короткими выводами прямо к выводам ключей , в слуае же с кольцом мне пришлось увеличить длинну проводов подключения первички к ключам до 15см , но они шли сетевой лапшой и индуктивность не должна была сильно возрасти.
Частоты ПНа не могу замерить но что то в районе 30-50 кгц , длинну проводов увеличил тк тороид очень массивный наружний диаметр 15см вес грамм 300 здоровый такой тор...... пробовал увеличивать частоту не помогало , схема с тором под нагрузкой в 75 ватт примерно начинала дико жрать от акб - более 20 ампер а должна была по хорошему обойтись 6-7.
Один ключ так и выгорел , толи от иголок толи от перегрева , другой ключ спалил
когда попытался поменять фазировку первички - думал ошибся с ней , вывод - не ошибся тк после смены фазировки ключ сдох будучи ещё холодным за 1 сек ушёл в мир иной 😬
Теперь планирую вернуть на место транс от компа , но всё же любопытно что не так с тороидом - мотал всё как указал один мега сборщик в сети - первичка 5 вторичка 120 , правда я положил первичку сверху а у него была намотана на голый тор . Возможно это вызвало плохое потоко сцепление и транс тупо работал дросселем и грел ключи реактивкой.... или дело в том что вторичка покрывает весь тор в один слой а первичка лишь 1 3ю ?😏
Совсем я с этим тором запутался ) Хотел бы его оставить тк мотать удобно и можно хоть 3 квт с него снять благо окно позволяет ......
Тут мне без совета бывалых никак😊
stasis2 | Post:479009 - Date: 26.09.15(16:48)
1)Большое падение напряжения на верхних транзисторах - будут греться. Надо делать вольт-добавку к резистору R1,R3.
давай по буквам я записываю -
Почему падение будет большой это верхние два транзистора образуют с нагрузкой схему общий коллектор - в таких схемах напряжение на эмиттере определятся напругой на базе и кооф усиления , или нет ? хотя помню стругал компрапараметрик стаб и делал дарлингтоны и грелось сука и падение было......
Вот жопа то😀 вольтодобавку х пойми как тут делать вторичка то одна у транса...
Что резистор нужен паралельно эб это да я их обычно ставлю на вскидку просто нарисовал.. Млять , подскажите что ли схему не самой геморной вольтодобавки а ?
Чтоб от 300 питалась и выдавала 310 😀 такое вообще реально ?
Полумост у тебя выполнен по схеме усилителя с динамической нагрузкой. Был популярен в 70-х
так этож вроде полный мост не ?

rezoner | Post:479010 - Date: 26.09.15(16:58)
stasis2 Пост: 479009 От 26.Sep.2015 (17:48)
1)Большое падение напряжения на верхних транзисторах - будут греться. Надо делать вольт-добавку к резистору R1,R3.
давай по буквам я записываю -
Почему падение будет большой это верхние два транзистора образуют с нагрузкой схему общий коллектор - в таких схемах напряжение на эмиттере определятся напругой на базе и кооф усиления , или нет ? хотя помню стругал компрапараметрик стаб и делал дарлингтоны и грелось сука и падение было......
Вот жопа то😀 вольтодобавку х пойми как тут делать вторичка то одна у транса...
Что резистор нужен паралельно эб это да я их обычно ставлю на вскидку просто нарисовал.. Млять , подскажите что ли схему не самой геморной вольтодобавки а ?
Чтоб от 300 питалась и выдавала 310 😀 такое вообще реально ?
Полумост у тебя выполнен по схеме усилителя с динамической нагрузкой. Был популярен в 70-х
так этож вроде полный мост не ?


Каждый полумаст этого моста - "Усилитель с динамической нагрузкой". Это такое название автор дал.
Дарлингтон дает минимальное напряжение в ключевом режиме 1.7В.
Вольтобавка угробит простоту, моста.
Поэтому в целом, вариант не хорош.

Возьми две IR2102 и управляй полевиками моста по классике.

зы/ Кстати, чем хороша схема IR2153 - там предусмотрен зазор между импульсами верхнего и нижнего ключа - защита от сквозняка.

Издалека | Post:479011 - Date: 26.09.15(17:30)
Я бы взял 3525 - там плавный запуск и защиту можно организовать, два мощных полевика и запитал бы 2 транса - параллельно первички и последовательно постоянку со вторичек. Ток нагрузки один и тот-же, поэтому уравняются токи в первичках.
Для плавного запуска и защиты - после мостов во вторичках ставим индуктивность из двух обмоток - для каждого моста свою.

stasis2 | Post:479012 - Date: 26.09.15(17:31)
Кстати, чем хороша схема IR2153 - там предусмотрен зазор между импульсами верхнего и нижнего ключа - защита от сквозняка.
нету у нас в продаже её и драйверов нету кроме 2112 никаких!!
Придётся стругать на чём бох послал ......
Сомневаюсь в необходимости резистора ЭБ для Т2 и соседнего , тк в одном полутакте Т2 полностью открыт в следующем его базовую напругу тянет вниз до массы Т3 , ну и нахер Т2 резистор ? что там не закроется ?😀


stasis2 | Post:479013 - Date: 26.09.15(17:40)
параллельно первички и последовательно постоянку со вторичек. Ток нагрузки один и тот-же, поэтому уравняются токи в первичках.
Для плавного запуска и защиты - после мостов во вторичках ставим индуктивность из двух обмоток - для каждого моста свою

помоему херовая идея поскольку - первички паралельно - словишь LL РЕзонанс как минимум - хз как рассчитать частоту такого кк при различной нагрузке будет наверное перегрев первичек или одной из них. Второе - индуктивность из двух обмоток даёт вольтодобавку обратно пропорционально нагрузке а это нестабильный коофициент трансформации и плавающее КПД , я тут поставил в процессе экспериментов такую индуктивность как раз по твоему рецепту - грелась при 100 ваттах как сука последняя , хотя сечение провода там 1мм примерно. Греется сильно сердечник плюс нахер не нужная вольтодобавка до 100 проц напряж вторички при малых нагрузках. Я ставил с целью вольтодобавки об эффекте знал , не знал что так грется сердечник будет и добавка не понадобилась. Сам дроссель брал с фильтра бп на 800 ватт.

stasis2 | Post:479016 - Date: 26.09.15(18:00)
переработал схему моста , резонер посмотри - так лучше ?
3cb7ea.rar
Размер: 2.64 KB

Издалека | Post:479018 - Date: 26.09.15(18:20)
А ты херами не бросайся, а попробуй именно так, как я тебе сказал - первички в парраллель, а выходные суммируются по постоянке.
Кроме всего прочего ОБЯЗАТЕЛЬНО зазор в сердечнике. Маленький.
ПыСы! схемки выкладывай в картинках. У меня нет софта их смотреть.

rezoner | Post:479019 - Date: 26.09.15(19:03)
stasis2 Пост: 479012 От 26.Sep.2015 (18:31)
Кстати, чем хороша схема IR2153 - там предусмотрен зазор между импульсами верхнего и нижнего ключа - защита от сквозняка.
нету у нас в продаже её и драйверов нету кроме 2112 никаких!!

Ну и этот хорош.

Сомневаюсь в необходимости резистора ЭБ для Т2 и соседнего , тк в одном полутакте Т2 полностью открыт в следующем его базовую напругу тянет вниз до массы Т3 , ну и нахер Т2 резистор ? что там не закроется ?😀

Не для Т2, а Т1,Т4 (они у тебя теперь Т7,Т8).
Вот я пририсовал емкость перехода Ск-б у Т8. При резком открытии Т6 база Т8 повисает в воздухе, и эта емкость Ск-б "тянет" за базу Т8 и открывает его. Получается, на фронте оба транзистора открыты.
Можно диод поставить вот так.


Размер: 27.93 KB

stasis2 | Post:479021 - Date: 26.09.15(19:06)
какой зазор ? я беру трансы от бп они клееные ... да и так он там присутсуют я разбирал их знаю об остаточной намагниченности чай не лох полный😊
а попробуй именно так, как я тебе сказал - первички в парраллель, а выходные суммируются по постоянке
собирал этот агрегат по схеме выше 3 дня ёпся , щас вот разберу и по твоему перелопачу ) когда нибудь попробую возможно ... И так пашет и хвост с ним) обдув решает все вопросы , на крайняк будут стоять термопредохранители на 65гр и защита токовая быстрая на 1кват.
Меня другое беспокоит - как сделать мост на выход устойчивый к козе ....
Ещё вот вопрос по моей схеме моста - коофициент передачи тока у ключевых биполярников в моём случае лишь 8-10 так вот - не станет ли грелкой импровизированный дарлингтон Т2 Т7 , на токе в 2-3ампера ?
Вот тебе картинка , схему двойного пушпула в картинку загнать не могу - размер большой не фотается
(они у тебя теперь Т7,Т8).

(они у тебя теперь Т7,Т8).
Вот я пририсовал емкость перехода Ск-б у Т8. При резком открытии Т6 база Т8 повисает в воздухе, и эта емкость Ск-б "тянет" за базу Т8 и открывает его. Получается, на фронте оба транзистора открыты.

СПС понял , исправил .
Теперь скажи не выйдет ли у меня грелка из Т7 Т2 изза низского коофициента передачи Т2 ? (8-10)


Размер: 21.15 KB

rezoner | Post:479022 - Date: 26.09.15(19:16)
Грелка выйдет. Считать надо. приемлемо ли.

Уточню, это у тебя мост для инвертирования полу-синусоиды?

stasis2 | Post:479023 - Date: 26.09.15(19:18)
да

Издалека | Post:479024 - Date: 26.09.15(19:24)
Во первых не понял - откуда там 300 вольт питание?
Мы не про первую половину от 12В говорим?

stasis2 | Post:479025 - Date: 26.09.15(19:32)
нет это после дс , издалека , скачай сплан7.0 - минутное дело проще будет все схемы увидишь

rezoner | Post:479028 - Date: 26.09.15(20:09)
stasis2 Пост: 479021 Меня другое беспокоит - как сделать мост на выход устойчивый к козе ....


Эмиттеры нижних транзисторов соедини с землей (-300V) через резистор 0,1ом (на 2 ампера штатной нагрузки). Подключи этот резистор через 1ком к входу компаратора с порогом 0,3в, а выходом компаратора выключай схему, которая формирует импульсы на мост.

Всё-таки сделай классический мост на полевиках с драйвером IR2112. Там есть вход SD.
Туда можно завести защиту.
И вольтдобавку городить не надо, и жарить теплом не будет.


stasis2 | Post:479029 - Date: 26.09.15(20:37)
Всё-таки сделай классический мост на полевиках с драйвером IR2112. Там есть вход SD.
Туда можно завести защиту.
И вольтдобавку городить не надо, и жарить теплом не будет.
дороха блина крызыс ёптыть) буду лепить как задумал плюс твоя защита спс) всё равно по низам токовую защиту ставить там операционник будет и защиту у меня есть куда вводить - генератор шим синуса будет же там куда нить прикручу....
Ёмкость у меня на выходе стоит ашь 820+680+300 мф - взорвала лампу сто ватт тока в путь х.ли говорить о переходе ключа....
Думаю грелки большой не будет , тк во первых средняя моща не велика - 300 ватт
ну 600 на 30 секунд может - свет будет на датчиках движение весь так что одновременная работа более чем двух светильников в течении минуты исключена .
Наружнее освещение всё диодное на постоянку горит тока 3ваттный диод ночью.
кроме того греться эти дарлингтоны будут мощностью которую определяет размер вольтодобавки и ток базы Т7 а вольтодобавку я сделаю допустим 5 вольт ) значит при токе потребы потолок 3 ампера ток базы Т7 составит 0.3а на 5 вольт это полтора ватта на обе пары причём . Радиатор будет с активным охлаждением так что я успею состарится пока это всё будет догорать😬

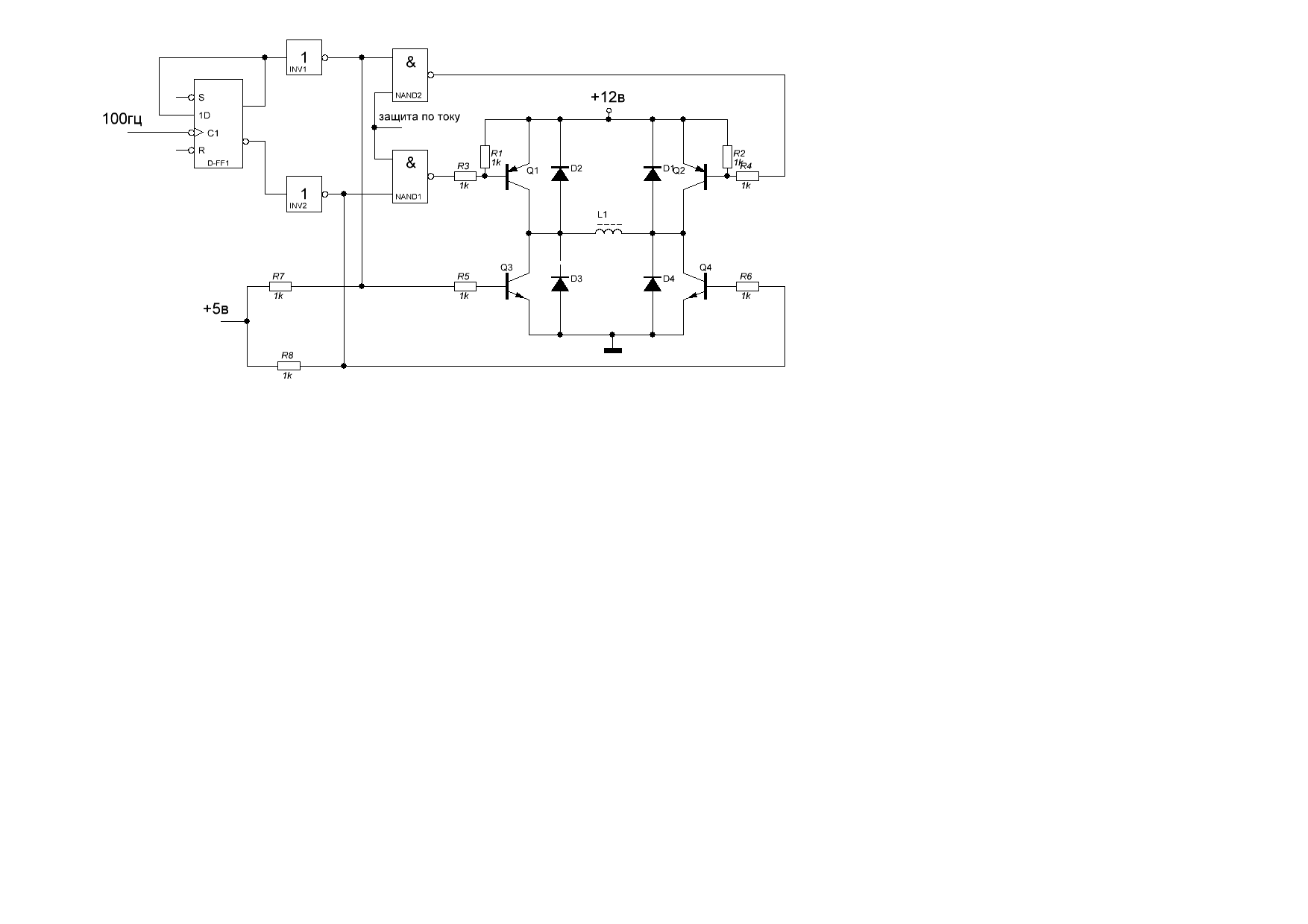
elektron_blin | Post:479055 - Date: 27.09.15(04:10)
А такое устроит, защиту по току дорисую если шо.


Размер: 13.48 KB

stasis2 | Post:479061 - Date: 27.09.15(09:21)
конструктор лего ? на какую мощёнку то ? ватт 10 ?
В шапке написано от 500ватт тут перетираем конструкции........
__________
Кстати резонер , я пришёл к выводу что защита выходного инвертора должна срабатывать не по токовому шунту а по падению напряжения на переходе КЭ транзисторов нижнего плеча - это позволит отличить режим КЗ от бросков тока при подключении ёмкостной нагрузки например и сохранить быстродействие защиты и возможность гашения управляющего импульса внутри текущего полупериода выходного напряжения. Если же делать то шунту как ты говоришь то пиковый ток при вкл того же телевизора или сберегайки на 30 ватт уже способен вырубить быструю защиту на 10 ампер.
Я переделывал БП от компа в зарядку для авто АКБ , так вот сделал защиту такую быструю сперва что она успевала срабатывать даже при подключении лампочки 20 ватт ( холодная нить накала коротила защиту )
Пришлось замедлять её с помощью кондюка на шунте.......
А по высокой стороне снижать быстродействие защиты страшно , проще ориентироваться по падению напруги на транзисторах это будет показателем выделяющейся мощности и работаь всё будет как часы.....
😕

stasis2 | Post:479067 - Date: 27.09.15(12:55)
а проще забить ) и поставить автомат на 3 ампера или тупо предохранитель на тот же ток ...... Диммеры предохранитель прекрасно спасает и не сгорает ничё хотя лампочки в цоколях часто коротят😊

stasis2 | Post:479079 - Date: 27.09.15(14:54)
а ты чё сука родился таким опытным или ошибок не совершал ?
жлоба взяла что твои советы не катят ?

stasis2 | Post:479081 - Date: 27.09.15(15:19)
пешы исчо , люблю поржать😬

stasis2 | Post:479096 - Date: 27.09.15(19:00)
Нагрузил ПН на 150 ватт вылезла новая проблема - греется один из стабилитронов на тех ключах что ранее грелись сильно - сами ключи холодные на 150 ваттах видимого нагрева нет , вопрос на засыпку что может приводить к нагреву одного из снабберов ? пока рещил разгрузить его установкой резистора последовательно с ним😊

xx0 | Post:479105 - Date: 27.09.15(20:54)
Смотреть нужно, что у тебя там на осциллограмме? Отключи его, греться перестанет 🤢

_________________
http://xx0ru.livejournal.com/


stasis2 | Post:479110 - Date: 27.09.15(21:04)
логично х..ле...... на осциллграмме у мну тока пульс мой тк осла нету 😬
вот думаю мож сапрессор ,брак ? - всё в режиме на обоих парах ключей тока этот выйобыватцо решил😀
между стоков там RC цепочка стоит ещё так что напряжения флайбака должна выравнивать можно в принципе отключить но очково и думаю другой греться начнёт или на ключ нагрузка ляжет...... я ему уже радиатор поставил всё равно греется сцуко) резисторы теперь для разгрузки подбираю😬

rezoner | Post:479112 - Date: 27.09.15(21:15)
Стас, ты конешно крут - без осцилла браться за такой проЭкт.
"А сколько нам открытий чудных" еще предстоит осуществить, сколько транзисторов сжечь... Крепись!

Тестер хоть есть?

stasis2 | Post:479113 - Date: 27.09.15(21:43)
не , тока индикатор 😬и лампа нагрузочная с прозвонкой я ж электрик 🤢
Проблему уже устранил - установка последовательно резистора в 50 ом решает проблему .... причём не греется не то не другое что сука странно)) зря тока радиатор из нулевой шины колхозил ) Причина большей части нагрева ещё в том что пытаю на пониженном рабочем напряжении у него родное 300 а я на 250 настроил ограничением по обратно связи ) как я уже говорил от такого расклада часть энергии запасённой первичкой улетает в нагрев ключей , транса и обвязки....
Не могу пока на 300 вольтах испытать - нет такой нагрузки , куплю вот лампочку на 500 галогенку ещё одну тогда испытаю в режиме с минимальными потерями )
Сейчас вот жду включаться ли вентиляторы при 150 ваттах - сделал включение при нагреве радиатора до 40гр и откл 494 при 65 , не много как думаешь ?

<] [ 1 | 2 | 3 | 4 | 5 | 6 | 7 | 8 | 9 | 10 | 11 ] [>
У Вас нет прав отвечать в этой теме.
Форум - Сделай сам. Советы. - Домашнему мастеру - Инвертор 12 - 220 своими силами - Стр 5
🏠 Главная | 📚 Содержание | 💬 Форум | 📁 Файлы | 📩 Контакт