[ВХОД]

06.04.26(04:20)

www.skif.biz

Альтернативная энергия. Оставь надежду, всяк сюда входящий...

🏠 Главная | 📚 Содержание | 💬 Форум | 📁 Файлы | 📩 Контакт
 
Резонансные генераторы
Магнитные генераторы
Механические центробежные (вихревые) генераторы
Электростатические генераторы
Водородные генераторы
Ветро- и гидро- и солнечные генераторы
Прочие идеи (разные)
О форуме
Транспорт
Оружие
Научные идеи, теории, предположения...
Экономия топлива
Коммерческие вопросы
Струйные технологии
Торсионные генераторы
Новые технологии
Барахолка
Патентный отдел
Конструкторское бюро
Нейтронная физика
Торнадо и смерчи
Гравитация и антигравитация
Сделай сам. Советы.
Медицина и здравоохранение

📱 | 🖨️

Форум - Транспорт - Автомобиль Тесла - Конструкция коробочки Тесла - Стр:1
[ 1 | 2 | 3 | 4 | 5 | 6 | 7 ] [>
Модератор: Admin
Admin | Post:4707 - Date: 19.03.05(01:36)
тов Админ найдите, плз, в своих закромах лекцию Теслы - Разделение електричества, не зря её нигде нет

Не помню, а у меня она есть? Что-то найти не могу...

_________________
...наука ещё не знает способов обращать зверей в людей.


sas | Post:4709 - Date: 19.03.05(09:00)
To AdminКонечно у вас нет, её скорей всего нигде нет.
Кстати, раз уж вы откликнулись, не знаете кто переводил книжку про Грэя?

DED | Post:4723 - Date: 19.03.05(14:44)
Я переводил, а что?

sas | Post:4726 - Date: 19.03.05(15:35)
хотел узнать - это перевод из неоткуда или кто-то наши. Спасибо за ценную инфу. Хотя на фото у него я вижу не трубку, а катушки (с задней обложки)

DED | Post:4730 - Date: 19.03.05(17:37)
Я не понял, что значит "перевод из ьнеоткуда"? В мае месяце прошлого года на сайте www.efir.com.ua появилась ссылочка на книгу Питера Линдемана "Секреты свободной энергии холодного электричества". По ходу дела Володя Иванько (держатель сайта) вызвался перевести книгу. Я порадовался, но месца через три стало ясно, что Володя и не начинал. Поэтому я со товарищи решился на перевод этой книжеи самостоятельно. Ну и к октябрю всё разослал по разным сайтам.
А фото разные я брал уже не из самой книжки, а на сайтах буржуйских - там где были качественные фотографии.
Потом, Линдеман уговорил таки Гарри Маргрэттена провести эксперименты по этому делу. Этот очёт Гарри я тоже перевёл, и он выложен здесь на сайте.

DED | Post:4731 - Date: 19.03.05(17:55)
А статья по разделению электричества есть на www.tesla.hu
Там вообще всё есть и не только о Тесле.
Кстати мы тут ачали переводить "Дневник Колорадо-Спрингс". Это его рабочие записи о ходе работы 1899г. по передаче энергии на большие расстояния. Как раз после успешных испытаний в Колорадо Тесла решился построить гораздо более мощную башню Ворденклифф на острове Лонг Айленд близ Нью-Йорка.
18921221.doc
Размер: 20.50 KB

DED | Post:4744 - Date: 19.03.05(22:08)
SAS, ты меня хочешь штатным переводчиком сделать. :lol:
Теслу трудно переводить - мозгов не хватает. Когда ПРО Теслу пишут - уже легче. Так что очень быстро не обещаю. Можете пока вот такой перевод про Теслу почитать:
____________________________________.doc
Размер: 39.50 KB

Admin | Post:4747 - Date: 19.03.05(22:31)
Народ. Если уж запихиваете файлы на сайт в "форум" или в "файлы", то называйте их англицкими буквами, а то при скачивании одни крюкозябры появляются.
И второе, если есть интересные файлы, лучше их положить в "Содержание" для чтения или в "Файлы" для скачивания. А то в форуме ведь это в конце концов потеряется где-то в глубине страниц...
Есть ведь для пользователей на главной странице ссылки "Добавить страницу" или "Добавить файл"..

_________________
...наука ещё не знает способов обращать зверей в людей.


JnoVa | Post:4827 - Date: 21.03.05(14:35)
To Vahet.Три контура поставлены для получения полосы или...?В качестве регулирующего элемента катушки индуктивности что используется?Что такое импульсный генератор ТЕСЛА и для чего он в схеме нужен - в качестве гетеродина? Как видите у меня куча вопросов, думаю у других они тоже есть.Хорошо бы получить ответы на них.Хотя может быть только я один такой идиот.Тогда, если возможно, ответте только мне, адрес мой на форуме есть.Буду очень признателен.

_________________
В каждом из нас спит гений... и с каждым днём всё крепче.


JnoVa | Post:4835 - Date: 21.03.05(16:13)
To Vahet.Так, а это что за три катушки - это интересно.Можно хоть какой-то намёк?
Три контура на входе - это проверенный факт?Дело в том, в радиотехнике такое включение не используется, т.к. два контура будут служить нагрузкой первого, по крайней мере так мне говорили разработчики.Ведь таким образом можно было бы поставить и 5 контуров на входе любого FM приёмника и не надо использовать каскадов усиления в УКВ блоках, для того, чтобы получить требуемую чувствительнось.Кроме того, не нужно делать чувствительным УПЧ.Может я и есть Фома-неверующий?А в качестве детекторов какие диоды были использованы?
Да, а моё письмо Вы получили?

_________________
В каждом из нас спит гений... и с каждым днём всё крепче.


JnoVa | Post:4840 - Date: 21.03.05(19:01)
Когда я занимался изготовлением УКВ приёмников для европейского диапазона, в качестве индуктивностей в УКВ-блоке использовал 3 витка медного провода сечением 0.8мм с подстроечным триммером от 2до15 пФ, и это на диапазон 100мГц.Какой же должна быть катушка на диапазон 250 - 350мГц?

_________________
В каждом из нас спит гений... и с каждым днём всё крепче.


SIM | Post:4971 - Date: 24.03.05(12:05)
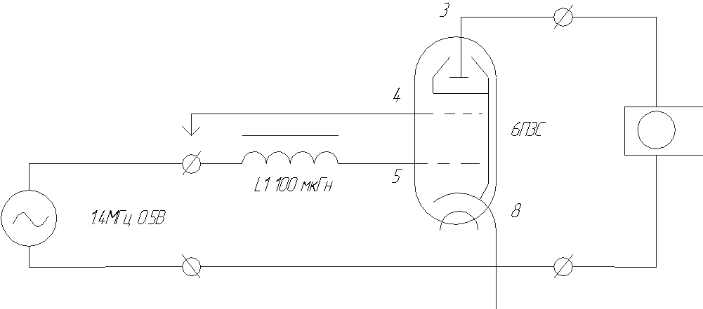
Вчера собрал небольшую схемку для проверки внутрилампового резонанса (см.вложение).Так вот, при подаче с генератора 1,4 МГц синуса амплитудой 0,5 Вольт на дросселе напряжение увеличилось до 3 Вольт, т.е. последовательный резонанс был получен, и емкость перехода "первая сетка-катод" из этого эксперимента составила 128 пФ, хотя при прямом измерении LC-метром она была лишь 12 пФ. Однако на аноде напряжение составило величину лишь 0,3 вольт, причем это был высокочастотный "лес". Как посоветовал Vahet, соединил вторую сетку с генератором до дросселя (см.рис)- напряжение на аноде выросло аж до...0,5 вольт 😕 .И тот-же ВЧ-лес. А где же обещанные 300 Вольт? Или надо попытать лампу на более высоких частотах с катушкой меньшей индуктивности?

схемка
Размер: 6.05 KB

SIM | Post:4984 - Date: 24.03.05(14:09)

А какая разница между дросселем и катушкой индуктивности? По-моему, это одно и то же. Дроссель выпаял из телевизора стандартный радиочастотный, по--моему марки ДРТ-1 индуктивностью 100 микрогенри (на нем написано и сам измерил). Я понял, что у нас должен получиться последовательный LC-резонанс, где емкостью выступает переход сетка/катод лампы. Однако надо, что ли, ловить с анода напряжение, изменяя подводимую частоту генератора? И напряжение на аноде будет увеличиваться? Не знаю, частоту регулировал, но на аноде был все тот же мизер 😕 У меня слабенький генератор до 40 МГц, так на нем реально что-то узреть? Или надо на анод цеплять предложенный вами детектор из консервной банки, а уж после него включать осциллограф (у моего полоса пропускания 5 МГц)?


JnoVa | Post:4985 - Date: 24.03.05(14:15)
Вчера включил лампу 6Ж1на вход ПНТ-59(диапазон от 0.4 до 1012 мГц)через детекторную головку.Явного резонанса во всём диапазоне нет(вру, был пичёк на частоте 42-43 мГц), а без головки -на частотах 188 и 348 мГц(значения + - 2-3мГц).После чего убрал лампу и вместо неё поставил подстроечный конденсатор 4/15 пф,получил отметки на тех же местах.Думал мобильник мешает - вкл. на прд. - нет, не он.Больше времени заниматься небыло - завтра попробую.Да, катушка -6 витков медного провода 0.8мм.Раздвигая и сжимая витки амплитуду можно менять

_________________
В каждом из нас спит гений... и с каждым днём всё крепче.


SIM | Post:5004 - Date: 25.03.05(13:02)
Vahety:
Прошу понять меня правильно, я в ламповой технике полный ламер 😕 Но эффектами разными интересуюсь, просто вы изъясняетесь не всегда понятно. Конечно, если перелопатить кучу литературы по радиосвязи и ламповой технике, то многое будет понятно (надеюсь), но пытайтесь обьяснить свои эксперименты более простым языком (я, скажем, вообще не понял про музыкальную аналогию :? )
Всем, надеюсь, ясно, что главное- именно в ДЕТАЛЯХ простых экспериментов. А я пока не понимаю, например, какую частоту надо ловить- 1400 МГц, 54 МГц(кстати, это примерная частота вещания 1-го частотного телевизионного канала метрового диапазона) или что еще... Вот сейчас выплыло, что лампу надо заземлять, а в многоэтажных домах заземления нет, по трубам отопления народ сматывает счетчики, так что думаю, что с таким "заземлением" много чего можно поймать 😁 .
А формула подсчета резонансной частоты LC-контура очень проста: fрез=1/(2*pi*SQR(L*C)).Если есть другая, то подскажите,плз, какая.
Насчет режимов ламп-насколько я понял, порывшись в книжках, что работа ламп без накала вообще нигде не описывается.
Ну да ладно, буду дальше экспериментировать!

PRS | Post:5007 - Date: 25.03.05(14:10)
(да к стати если и дросель и котушка одинаковы, индентичны, то почему их по разному называют?)
Катушка индуктивности имеет большую добротность чем дроссель из-за чего дроссели редко используют в резонансных цепях. Как правило дроссели используются в фильтрах питания т.к. они пропускают постоянное напряжение и оказывают сопротивление переменному (сопротивление завист от частоты). Если необходимо увеличить индуктивность катушки (дросселя) то следует увеличить диаметр намотки, сближать витки, а можно поместить ферритовый сердечник. Помещая феррит в катушку увеличиваем индуктивность, но уменьшаем добротность (из-за индуктивности рассеяния сердечника). Если поместить латунный или аллюминиевый сердечник в катушку, то индуктивность уменьшается, добротность вроде увеличивается, но уменьшая резонансную частоту катугки (контура) придётся намотать больше витков. Из-за потерь в проводе добротность снижается...
Добротность - выигрыш (увеличение) по току или по напряжению при резонансе. Если Q=20 (добротность безразмерная величина), то напряжение (или ток) увеличивается в 20раз. Q=(sqr(L/C))/(r+R) (это по памяти, мог что-то напутать) :wink:

Andr | Post:5009 - Date: 25.03.05(14:44)
В преобразовательной технике применяется еще термин - РЕАКТОР.
Под ним как правило подразумевают мощную индуктивность (рассчитанную на большой ток)и имеющую сравнительно высокую добротность, может иметь сердечник с зазором.

PRS | Post:5198 - Date: 02.04.05(10:01)
..... Две пластины разного металла в зависимости от размера пластин, закапывают в землю на определенном растоянии и к ним подключают устройство из патента Тесла из опубликованного в данном форуме
Батарейка получится... если из этого и можно извлекать энергию, то до тех пор, пока более активный металл не рассыпется...

Энергию извлекать можно. Если упомянутый Вами металл рассыпется через 200-300лет, то Вам-то какое дело? :wink:
Схема утилизатора лучистой энергии проста на столько что даже я до сих пор не удосужился её собрать, а ведь шансы на успех ОЧЕНЬ высоки! Напряжённость электростатического поля у поверхнеости Земли ~ 150В/м - это ни кого не удивляет? 😀 У нас разность потенциалов между головой и ступнями около 220В. Тема электростатики не для этой ветки...

Vladimir | Post:5223 - Date: 03.04.05(19:37)
Ну что, наговорились??? Очень странно Вы не замечаете?? Ну допустим я трепло, допустим. Но в форуме присутствуют подтверждения моих слов но они почему то игнорируються.

Ты понимаешь, в чем дело?! Трепло-то треплу рознь! Ты вот сейчас отповедь написал, так - совсем другой человек выступает! Может вас там несколько под VAHET работают? Зачем эта психоделика? И причём так явно на негативные мотивации. На форуме разные люди бывают. Есть и такие, кто все отлично могут понять. И им это может очень не понравиться, некоторым интуитивно, другим по образованию (ну, учили их в своё время специальной психологии общения). Вот я тебя в предыдущем посте и спросил. "Чего-же ты хочешь?" Осчастливить народ своими находками в этой области, научить уму-разуму, посоветоваться на конкретные темы (у кого-что), похвастаться достигнутым в конце-концов, если уж запантетовать не удалось (что не ново в этом мире). Ан нет, ни того ни другого. И вырисовывается, дарагой, совсем другая цель. Я думаю ты понял что тебя поняли? 😀

SIM | Post:5332 - Date: 05.04.05(21:08)
Вот наконец выкроил время для повторения своего эксперимента по внутриламповому резонансу 😁 . Катушка – 6 витков провода ПЭВ диаметром 1,5 мм на оправке 10 мм. Индуктивность после замера LC-метром составила 0.6 мкГн. Резонанс мерял осциллографом по приложенной схеме- т.е. по увеличению амплитуды на аноде лампы (накал не включал). На малых (порядка 1Мгц и ниже) и на высоких (более 50 Мгц) частотах наблюдался спад амплитуды до 0,1 Вольта, а при приближении к частоте около 17 МГц- рост амплитуды анодного напряжения до 0,5 В, т.е. почти до напряжения источника – ВЧ генератора. Подключение к схеме надежного заземления- глухозаземленного контура промышленного здания привело лишь к малозначительному увеличению амплитуды анодного напряжения до 0,6 Вольт. И, как справедливо заметил Валерий, на таких частотах простое прикосновение пальца к проводу или лампе сдвигало резонансную частоту, хотя и незначительно. Окружающие мне сочувствовали… :twisted:
Уважаемый Vahet, может, я что-то не так делаю? Объясните мне пожалуйста.
Я тут провел небольшое исследование по поводу частот вещания нашего радиоэфира- см.вложенные файлы. Также попросил одного из своих приятелей-коротковолновиков проанализировать (а попросту говоря, прослушать внимательно) частотный диапазон 50- 65 МГц. Итак, вот что он «наслушал» на своём трансивере Р-323:
52.74 МГц- шум с «бульканьем»-он предположил, что так шумят телетайпные передатчики;
55.0 МГц- свист как при работе электроточила;
55.34- шум как рокот мотоцикла;
58.19- такой же шум как рокот мотоцикла;
58.2-62.4- сплошной негромкий шум;
63.13- гул низкочастотный;
63.44- очень сильный ВЧ- рёв (самый сильный в этом диапазоне);
63.6- 64.0- сплошная полоса шума;
65.75- звуковая полоса 2-го ТВ канала (классика, однако!)
Так как первого ТВ канала в нашей местности нет, то можно считать, что искомая частота «энергоизлучения Тесла» находится на частоте 63.44 Мгц. Судя по вашим, Vahet, рекомендациям, надо теперь делать гетеродин- детекторный приемник на эту частоту и…(а собственно, что дальше?) Подскажите, если это возможно.
И еще пожелание всем участникам форума. Нас давно еще в институте учили, что язык инженера- это чертеж, поэтому старайтесь, пожалуйста, свои мысли по возможности облекать в графику- хоть от руки, хоть машинной графикой- визуальное восприятие не зря считается самым доходчивым.
PS: На этом форуме уже немало сказали вам гадостей, но не все здесь разделяют обвинения в ваш (и не только в ваш) адрес. Поверьте, здесь присутствует много настоящих искателей, достаточно потрепанных жизнью, чтобы с изрядной долей скепсиса кидаться изготавливать новую версию сверхединичного генератора (сами же говорите, что 98% инфы в Интернете- это туфта). У меня самого уже часто руки опускаются после многочисленных героических попыток воспроизвести очередную конструкцию Жана –Льюиса Наудина (те, кто знает, о чем речь, поймут :wink: ).
Мне бы вам хотелось пожелать терпения и терпимости, чтобы из-за неосторожных высказываний одного из форумчан обижаться на весь форум и уходить, громко хлопнув дверью. Если вы действительно обладаете какими-то неординарными знаниями, то поделитесь ими, пожалуйста, или обнародуйте ваши истинные намерения. Как я услышал на одном из сайтов,-«свободная энергия- на то она и свободная, чтобы принадлежать всем, а не наживаться на ней».
Извините, если чем- то обидел вас.
PPS: Ребята, давайте жить дружно!
_______________.zip
Размер: 95.56 KB

KDas | Post:5337 - Date: 06.04.05(00:07)
Я не Vahet, но скажу :lol: .

По моему мнению:
На выходе детектора должны быть одиночные короткие импульсы большой амплитуды. При необходимости можно усилить. Важно, чтобы эти импульсы относительно катода, т.е. "земли", были сугубо положительными.

Анод надо подключить по схеме из патента Теслы по утилизации радиантной энергии. Тогда можно и померить "выход".

А качать лампу синусом бесполезно. Надо одиночные импульсы с крутым фронтом, чтобы от тонкой сетки взрывная волна уплотнения эфира разлеталась в разные стороны (в т.ч. и к аноду).

В добавление к Тесле возможно после анода надо поставить высоковольтный диод (или даже мост из ВВ диодов), а потом уже на конденсатор.

Просьба к Vahet'у подтвердить или опровергнуть.

KDas | Post:5414 - Date: 07.04.05(11:06)
Да вы почти правы но вот я на чертеже(1 плечо) показал после детекта ставится мультивибратор на лампах, а вот почему на лампах? А вот и подумайте. И еще в свое время работал мастером по ремонту радиостанций типа лен и т. д. И уже тогда думал, а зачем шумоподавители??? А ведь без них связь была не возможно. я повторюсь -А что такое шум в эфире??? ЭНЕРГИЯ. И еще прошк вас да подключите тупо на сетку лампы + с генератора, а катод минус и померяйте. Да и первые лампы были без подогрева катода, а также даже сейчас есть схемы "холдный катод" С уважением


По предложенной схеме могу предположить следующее:
Сигнал с антенны поступает на детектор. Детектируется. Получается какая-то импульсная картина. На этой-же сигнал модулируется синусом с помощью мультивибратора на более низкую частоту, т.е. возникают пачки высокочастотных импульсов. Это лампа 1.
Почему на лампе? Наверное, на лампе легче сделать генератор синуса, чем на полупроводниках.
Затем на лампе 2 отсекается только положительная часть пачек импульсов.
Положительные пачки импульсов поступают на сетки ламп 3-5, на анодах которых они формируют пачки высоковольтых импульсов.
Переключатель фазы, по-видимому, умеет задерживать фазу выходного сигнала, поэтому на нагрузке возникает разница напряжений на фазах. Таким образом нагрузкой можно управлять.
Одновибратор на лампе 6 - это, наверное, как раз способ сдвигать фазу.

На рисунке:
1. Таким был бы сигнал после детектора, если бы не было мультивибратора.
2. Такой сигнал после диода на лампе 2.
3. Синий и красный - усиленные в лампах 3-5, сигналы, а черный - суммарный сигнал на нагрузке (с учетом сдвига фазы на лампе 6).

T.е. на схеме показано одно плечо двухфазного устройства. И всего в устройстве будет 12 ламп - прям как у Теслы 😀

Vahet, традиционно прошу подтвердить или опровергнуть 😀


Размер: 1.39 KB

JnoVa | Post:5418 - Date: 07.04.05(11:47)
To Vahet.Хочу объяснить зачем нужны шумоподавители для работы с радиостанциями.Ш. присутствуют на многих радиостанциях, различных диапазонов.Для того, что бы у оператора работающего в сети, уши не сворачивались в трубочку.Порог шумоподавления на армейских станциях можно устанавливать в ручную, в зависимости от уровня принимаемого сигнала.

_________________
В каждом из нас спит гений... и с каждым днём всё крепче.


SIM | Post:5419 - Date: 07.04.05(12:05)
И еще прошк вас да подключите тупо на сетку лампы + с генератора, а катод минус и померяйте. Да и первые лампы были без подогрева катода, а также даже сейчас есть схемы "холдный катод"

Спасибо за ответ и за то, что пошел уже какой-то конструктив 😁
По поводу эксперимента- вторую сетку я отключал, но амплитуда на аноде лишь уменьшалась. Еще я обратил внимание на то, что частота сигнала, снимаемого с анода, намного выше подводимой к лампе с генератора, да и неровная она какая-то- сплошной "ВЧ лес". Теперь я так понял, что на лампу надо подавать прямоугольные импульсы. А как их получить, если в наличии есть лишь генератор на сунусоиду? Где у генератора+ и где - 😀 ? В принципе, если подать напругу с генератора прямоугольников (частоты-до 100 кГц), то можно что-нибудь узреть на аноде? Частоты порядка 400 МГц как-то угрожающе звучат- я не знаю, есть ли у кого из здесь присутствующих приборы для измерения таких сигналов...
И еще одна мысль. Вы тут упомянули о лампах с холодным катодом, и я сразу вспомнил о старом добром тиратроне МТХ-90. И еще о том, что на всех радиорынках (а мне довелось побывать на многих областных радиорынках) на эти лампочки объявили настоящую "охоту" и скупают их определенного вида "товарищи" в любых количествах. Навевает на определенного рода мысли :roll: Надо будет дома порыться в "закромах" и попытать этот тиратрон с холодным катодом в наших экспериментах 8)
Что скажете, уважаемый Vahet?

SergeyA | Post:5421 - Date: 07.04.05(12:42)
Пробовал я МТХ-90. Уже давно. Включал по-разному, но ничего путного не получилось. То есть на два электрода подавал напругу при частоте около 200 кГц, а с третьего пытался нагрузку снять. Кончилось всё пробоем тиратрона (искра там красивая такая между электродов вдарила) после чего он на нормальном напряжении уже не зажигался 😕
Пробовал и ударно разряжать в него заряд при таком же результате.
(два тиратрона пришлось выкинуть)
А лампочки эти совершенно без проблем в Москве можно купить в магазинах "Чип и Дип"

[ 1 | 2 | 3 | 4 | 5 | 6 | 7 ] [>
🔒 Тема закрыта. Добавление новых сообщений невозможно.
Форум - Транспорт - Автомобиль Тесла - Конструкция коробочки Тесла - Стр 1
🏠 Главная | 📚 Содержание | 💬 Форум | 📁 Файлы | 📩 Контакт