[ВХОД]
21.04.26(10:26)

www.skif.biz

Альтернативная энергия. Оставь надежду, всяк сюда входящий...

🏠 Главная | 📚 Содержание | 💬 Форум | 📁 Файлы | 📩 Контакт
 
Резонансные генераторы
Магнитные генераторы
Механические центробежные (вихревые) генераторы
Электростатические генераторы
Водородные генераторы
Ветро- и гидро- и солнечные генераторы
Прочие идеи (разные)
О форуме
Транспорт
Оружие
Научные идеи, теории, предположения...
Экономия топлива
Коммерческие вопросы
Струйные технологии
Торсионные генераторы
Новые технологии
Барахолка
Патентный отдел
Конструкторское бюро
Нейтронная физика
Торнадо и смерчи
Гравитация и антигравитация
Сделай сам. Советы.
Медицина и здравоохранение

📱 | 🖨️

Форум - Магнитные генераторы - Магнитные генераторы - Генератор на бифилярных катушках без прямой индукции - Стр:13
<] [ 1 | ... 3 | 4 | 5 | 6 | 7 | 8 | 9 | 10 | 11 | 12 | 13 | 14 | 15 ] [>
Модератор: Vladislavbaginsky
Первый пост темы: Vladislavbaginsky Post: #172781 От:06.04.2009 (01:34)
Предлагаю изучить практически провереный, доступный и легко осуществимый принцип генерации энергии, опубликованный в статье изобретателя Зацаринина Сергея Борисовича, статья открыто публикуется с разрешения автора. Все опубликованное проверено и "работает". Нужно отметить для начинающих несколько важных моментов. Так как генерация осуществляется от "вторичной индукции середечника, то нет необходимости подводить магниты близко к магнитопроводу, как это стараются сделать обычно. Результат эффективности зависит от свойств магнитопровода, его петли гистерезиса и от тщательности уравновешивания левой и правой половины намотки, сбалансированности по массе левой и правой частей магнитопровода. Просьба всем, кто получит значимые варианты, с увеличенной эффективностью - писать сугубо по теме и выкладывать результаты в таком виде, чтобы их могли все легко воспроизвести. Т.е. указывать параметры магнитопроводов, и катушек, скорость вращения возбудителя, количество и размеры магнитов, их наименование(n42, n52 и т.п.). Просьба не засорять тему, чтобы она не раздулась в сотню страниц, где трудно потом найти важное. Конечно, возможны разные варианты исполнения магнитопроводов, катушек и т.д. и стоящие, проверенные идеи имеет смысл публиковать. Исходная статья автора прикрепляется в виде оригинального файла, доступного для копирования.
хотя данный файл уже опубликован в теме ХТ, считаю данную тему новой и важной для отдельного обсуждения. С уважением к всем участникам форума,
Владислав. 6 марта 2009г.
---------------------------------------------
То, что ожидается от участников форума сформулированнов в одном из следующих постов: Перед проведением эксперимента полезно составить таблицу, с необходимыми сведениями, как: размер, количество, градуировка магнитов, диаметр диска, где они закреплены. Желетельно знать мощность потребляемую устройством (ХХ) на преодоление потерь на трение при ожидаемых в эксперименте частотах вращения ротора. Необходимо конечно указать количество, размеры магнитопроводов, их марку, диаметре провода намотки, материал - алюминий/медь, количество слоев в каждой половинке обмотки.
Далее, в другую таблицу лучше всего собрать сведения при эксперименте- это могут быть - средний ток и напряжение от одного магнитопровода (количестов их желательно сделать равным количеству магнитов)под нагрузкой, которой может быть второй тестер. Отдельно можно указать напряжение холостого хода каждой бифилярной обмотки (полуобмоток от средней точки) для данных оборотов двигателя (вернее -вала вращателя) и дифилярной обмотки в целом. Представленные в таокм виде данные будут иметь действительно практическую значимость для анализа и возможного сравнения с данными других экспериментов, представленных в аналогичной таблице. Получаемые данные по подуобмоткам на холостом ходу, и особенно под нагрузкой - покажут тщательность сбалансирования обмоток по навивке и их симметричность относительно магнитопроводов.
Особое внимание при эксперименте надо уделить безопасности, поскольку при большой массе магнитов, радиусе их вращение и больщих оборотах вращателя -возникают очень большие ускорения порядка десятков и даже сотен G (можно посчитать). Надежное крепление магнитов для таких условий особо важно, можно использовать бандаж из многих витков крепкой капроновой нити. Есть основания написать, что указаная реализация принципа изготовления позволит экспериментаторам получить эффективность 10 : 1, а далее еще на порядок выше.
Vladislavbaginsky | Post:233507 - Date: 27.02.10(15:36)
malval55 Пост: 233477 От 27.Feb.2010 (12:53)
Vladislavbaginsky
Уважаемые экспериментаторы, есть одна важная особенность которая позволяет реализовать идею Зацаринина в полном обьеме, на обнаружение е потрачено несколько тыс долл. Поэтому извините, я пока не даю вам эти важные вседения, поскольку на пороге лично дляменя имеется финансовая помошь и не только это...
Пройдет время я я надеюсь опубликовать то что вам недостает, все бы и сейчас поняли своб ошибку и то, что идете той же дорожкой , что и я ... пока тратя пока мани на ветер.


Подарить "важную особенность" или продать ее решает каждый самостоятельно.. Лично я просить ни у кого ничего не собирался.. Спасибо за предупреждение об "мани на ветер", если это продиктовано заботой о нашем кармане, а не желанием затормозить работы других, чтоб не нашли сами "важную особенность".. Мне не понятно почему вы не публикуете просто результаты достигнутые вами без раскрытия "важной особенности", просто цифры, это могло бы быть ориентиром для других..
Т.к. это все вы написали в качестве ответа на мой пост, я делаю вывод, что в открытой вами теме нежелательны любые отклонения от идеи Зацаринина и освещение моих с партнером эксперементов лишнее..

Ваша идея с промежутучной обмоткой сродни. я так думаю - идеям создавать сдвиг угла между током и напряжением с сооветствуюшим выишрышем в мощности, кменьшением потребляемой. Это все хорошо но идет как бы паралельно от идеи автора.


О какой промежуточной обмотке вы здесь говорите? У меня нет дополнительных обмоток..


Я воспринялизоляционный кз слой в вашем рисунке как разновидность обмотки, по аналогии с кз витком, то что вы пытаетесь получить лучший результат это уместно, конечно , а те результаты, которые можно получить, отражены в оригингале статьи.

Vladislavbaginsky | Post:236173 - Date: 15.03.10(16:45)
Важное всем я поведаю. Многие тратят тясячи долл и используют магниты постоянные, особенно из редкоземельных металлов, сильные. Но простой факт на поверхности - то что такая электропроводная материя способна в ответной реакции в случае воздействия на нее другим полем, поэтому визникают так называемые вихревые токи и токи Фуко. вот это и есть прична того, почему при взаимодействии движущихся электропроводых магпитов мимо катушек, магнитах изменяется конфигурацуия поля в следствие указанного факта и независимо от метода намотки катушек. и даже.. от половинки с левой и от половинки с правой намоткой катушек. Получить результат отсутствия торможения движушихся магнитов не так просто и можно , но даже не для всех не электропроводных магнитов по видимому, что зависит и от фактора определяющего само строение магнита, т.е насколько крупны зерна, и какая между ними связь. Конечно , указанный прицип, "работает" как и принцип суперпозиций при взаимодействии элементов намотки , соленоидов, каркасов в виде электропроводный элементов и т.д Многим , уже потратившим многие средства в попытках повторить конструкции многих авторов - надо подумать и понять указанную информацию. Так что ударим просвещением и духом творчества открытий по злоумышленникам, пытавшимся огорчить нас плохими известиями.



dokvictor | Post:265505 - Date: 03.09.10(23:23)
будь проще и народ подтянется ,спрашивайте
19a1e3.pdf
Размер: 365.50 KB

polial | Post:265594 - Date: 04.09.10(15:02)
Vladislavbaginsky Пост: 221790 От 04.Jan.2010 (13:30)
.... другой полюс магнита к магнитопроводу получим - все тоже же результат. но для другого полюса, за малым исключением - Южный полюс магнита похоже немного слабее. Если на феррите опыт делать, в определителе полюсов может и не "сработать", но сработает , если магнит на металлической полосе. Возможно сам измеритель имеет разную чувствительность к силе магнитных полюсов, северному и южному. .....


Как то в разговоре с "водопроводчиком", тот сказал, что по возможен эффект разной силы отталкивания и магнитов в зависимости от полюсации s-s или n-n.
У меня есть 15 одинаковых магнитов от ГД. Решил проверить. Один магнит ложу на электронные веса с точностью 1 грамм. Веса обнуляю. Затем поочереди подношу магниты на притяжение, на отталкивание. Переворачиваю магнит на весах и опять - на притяжение , на отталкивание. И так 840 раз! Есть и табличка, может кому надо... Следует отметить что вес самих магнитов "плавает" в пределах 20 грамм. Потому при разных парах магнитов получал разные данные на эл. весах. В данном опыте, при данных условиях почти все магниты показали 19 грамм. 2 из магнитов показали 22 грамма, они были тяжелее остальных.и 1 раз 18 грамм, при "легком" магните. НО! при одной паре магнитов сила взаимодействия одинакова! Причем как на притяжение, так и на отталкивание(только с противоположным знаком)
Итак по модулю сила взаимодействия магнитов ОДИНАКОВА и не зависит от полюсов. NN = SS = SN = NS
Или же надо более точные приборы...
дата на фотке просто не установлена при смене питания... опыт ставился неделю назад....


на притяжение
на притяжение
Размер: 38.48 KB
на отталкивание
на отталкивание
Размер: 31.63 KB

_________________
Нельзя победить закон сохранения энергии, но поторговаться можно


malval55 | Post:265860 - Date: 06.09.10(16:35)
провел сейчас и я эксперемент..
использовал - электронные весы с точностью 0.1гр, ниодимовые магниты диаметром 30мм толщиной 10мм, расстояние между магнитами 50мм..
разница на отталкивание и притяжение разными полюсами одной и той же пары примерно 10% (затрудняюсь сказать больше N-N или S-S, т.к. нечем определить какой полюс, компас не нашел)..

polial | Post:265883 - Date: 06.09.10(19:19)
ну если 10% - то и у меня должно бы было показывать разницу в 1.5-2 грамма. Ресстояние у меня было 70-80мм может перепроверить на маньших расстояниях, там влияние больше скажеться? Будет время попробую... но всеже более 800 измерений... откровенно - и надоело магниты перекладывать с места на место, тем паче когда почти все имели одинаковые показания. А каковы были абсолютные показания на весах? У меня есть еще 4 неодимовых 50х50х25 N42, но они уже вставлены в МЭГ. Да и думаю, что удержать их на отталкивание на таких расстояниях вряд ли получится. 😊

_________________
Нельзя победить закон сохранения энергии, но поторговаться можно


malval55 | Post:265890 - Date: 06.09.10(20:02)
А каковы были абсолютные показания на весах? У меня есть еще 4 неодимовых 50х50х25 N42, но они уже вставлены в МЭГ. Да и думаю, что удержать их на отталкивание на таких расстояниях вряд ли получится. 😊

абсолютные показания показания были около 100гр, например 96гр и 85гр при смене полюсов..
для ослабления влияния МП на нутро весов я подкладывал под магнит лежащий на весах немагнитную подкладку примерно 20мм, хотя и не исключаю погрешность вызванную именно этим влиянием...
удержать магниты действительно сложно, особенно на притяжение (прыгают заразы иногда).. чтоб не смещался магнит на весах старался подносить магнит строго вертикально.. провел десятка два измерений, получил повторение результатов..



polial | Post:265946 - Date: 07.09.10(00:06)
А собственный вес магнита? если магнит легше чем 100 гр - на притяжение его как проверить? Я свои N42 с трудом удерживал на расстоянии 40-50 см 😀 чуть пальцы не прищелкнул.

_________________
Нельзя победить закон сохранения энергии, но поторговаться можно


ppspirta | Post:265986 - Date: 07.09.10(09:20)
намагниченность поверхности (или разных частей) магнита может быть разной, как следствие очень разных причин: специфика изготовления, эксплуатация устройства, из которого извлечен магнит, банальное размагничевание частей магнита, находящихся долгое время возле намагничевающегося металла.

Vladislavbaginsky | Post:266515 - Date: 11.09.10(11:54)
Прилагаю файл, который веротяно можно рассматривать и как отдельгую тему, но можно и как приложение к данной и как продление ее.
2f0eeb.doc
Размер: 214.50 KB

DigitalM | Post:266710 - Date: 12.09.10(00:18)
Вот намотал, проверил. Ничего интересного.
Смотрите на две встречные катушки на стержне (Рис1). Мысленно совмещаем катушки и видим компенсирующие друг друга обмотки в разные стороны. Теперь берем катушки на ТВС феррите (Рис2) и совмещаем их - обмотки одинакового направления. Встречаются МП их только по ферриту, если феррит является магнитопроводом. Но автор утверждает, что это не так - "Невозможно искривить, сконцентрировать, сжать или растянуть МП, а тем более, направить по какому либо магнитопроводу".
Подал на ТВС катушку 4В 10А и к ней поприлипали все гайки. Магнитит она - "2. При протекании по катушке электрического тока она не должна превращаться в электромагнит".
Так что же это получается? Зацаринин нарушает собственные правила? Или модельки кто то редактировал?
На итоговом фото класический генератор. 2хКатушка и магнит (Рис3). А вот снизу платформы видны интересные электромагниты на парах встречных катушек.
Вот загадка...
----------------------------------
Пож -та уточните непонятно, про акое итоговое фото идет речЬ, и про что конкретно утверждает автор, что не так, честно не пониятно, о чем речь... Хорошо бы цитировать к конкретному случаю, файлу... Влад
Рис1
Рис1
Размер: 8.13 KB
Рис2
Рис2
Размер: 9.83 KB
Рис3
Рис3
Размер: 37.27 KB

Achiever | Post:266718 - Date: 12.09.10(00:49)
DigitalM Пост: 266710 От 12.Sep.2010 (01:18)
На итоговом фото класический генератор. 2хКатушка и магнит. А вот снизу платформы видны интересные электромагниты на парах встречных катушек.
Вот загадка...
Он отвечал на этот вопрос уже.
Тем, что "от предыдущих экспериментов остались катушки приклееные, не стал отдирать". Почти дословно.

DigitalM | Post:266734 - Date: 12.09.10(03:13)
Вот нижнюю пластину прикручиваем на верх, а верхнюю вниз.
Стержень выполняет все условия. Гайки липнут к нему по краям. В центре содрагаются при подаче тока на катушки, но совсем не липнут.
Махал неодиновым магнитом через центр - 50-100мВ прыгает. При прилипании магнита 250мВ скачек.
На рис1 видна пластина с приемными катушками (вверх ногами). На рис2 снизу стоит пустышка, а приемная должна быть сверху. На рис3 видно, что все собрано уже наоборот, а сооружение смещено относительно подставки тк на приемной пластине 2 зажима с обратной стороны (рис1).
----------------------------------------------------------------
Я добавляю - тот цветной рис. с перемагничиванием не соответствует действительности, что следует из моих опытов с magnet pole detector/
При прикреплении любого магнита к центру магнитопровода в виде стержня. его концы имеют ту же полярность, что и полюс подсоединенный к стержню.. Что может происходить при движении магнита -? Вероятно картина примерно та же. Что присходит при возниконвении тока в самих катушках магниопровода, при протекании тока? Напряжения синфазно складываются- факт. Если магнит электропроводный-, да еще и движется, в енм возникают токи, , возникает торможение. Странно , но и на ферритовых магнитах картина та юе. На магнитах автора этого нет, другие магнты..., другой результат. И еще, вспомним, если эл. цепь разомкнута торможения ферритовым стерням или скобам при вращениидиска с магитами нет. Оно есть только в стационарном положении, если магнит напротив магнитопровода, если близко, то особенно. При вращении работа по замкнутому контурк равна нулю. и вроде бы и сумма работ тоже. Наличие же многих магнитов и магнитопроводов позволяет также осуществить параметрический резонанс по Папаллекси, что сложнее сделат при использовании одного - двух магнитов. В отношени сообщения о двигателе без самоэдс, вот такие ее координаты
ЕлектроТЕМА», всеукраїнська галузева газета
Адреса редакції: м. Львів, вул. Садова, 2-А
Поштова адреса: 79054, м. Львів-54, а/с 5970
Тел./факс: (032) 244-11-66, 244-11-67
E-mail: eltema@eltema.com.ua
Веб-сайт: www.eltema.com.ua

Рис1
Рис1
Размер: 17.60 KB
Рис2
Рис2
Размер: 21.95 KB
Рис3
Рис3
Размер: 38.30 KB

DigitalM | Post:266772 - Date: 12.09.10(13:08)
Эти встречные катушки на стержне дают очень мало. Я поднес к их центру элетромагнит и клацал на него 30В 5А. Лампочка на выходе так и не загорелась. Светодиод вспыхивает, но тут он и из за помех может вспыхивать.
-------------------------------------------------------------------
Дают мало чего? Опыт с примагничиванием от импульса весьмя убелителен. При очень кратком импульсе. нить накала может и не успеть нагреться. Принципиальным является ответ на вопрос- есть ли противоэдс при таком включении или нет? Целый ряд моторв . нчиная от мотора Грея, работающего на импульсном разяде конденсатора имеют песпективы...
Если рассматиривать разные магнитопроводы, начиная от стиержней. , далее П скобы и по две п - скобы. закмкнутые, то если речь идет о выработке ими мощи при вращении магнитов, лучший результат дали замкнутые две ферритовые скобы от Ч - б твс.

DigitalM | Post:267008 - Date: 13.09.10(17:57)
Ну, может, с бегущими магнитами будет лучше. Примагничивание от постоянки я мерял.
Я не против ТВС ферритов, просто обмотка должна быть другой или возбуждать в разрезе феррита их надо.

vapeter | Post:267383 - Date: 15.09.10(18:42)
А проверял ли кто нибудь резонансную частоту обмоток(контур из индуктивности катушки и её же паразитной емкости. Может частота возбуждения магнитами должна быть равна резонансной частоте статора.

mibor | Post:267439 - Date: 16.09.10(10:56)
Вот наконец удалось провести довольно обстоятельное исследование устройства Бондаренко(Зацаринина).
Сразу скажу: чего-то сверхестественного нет. Все в рамках ЗСЭ.
А теперь несколько по потробнее.
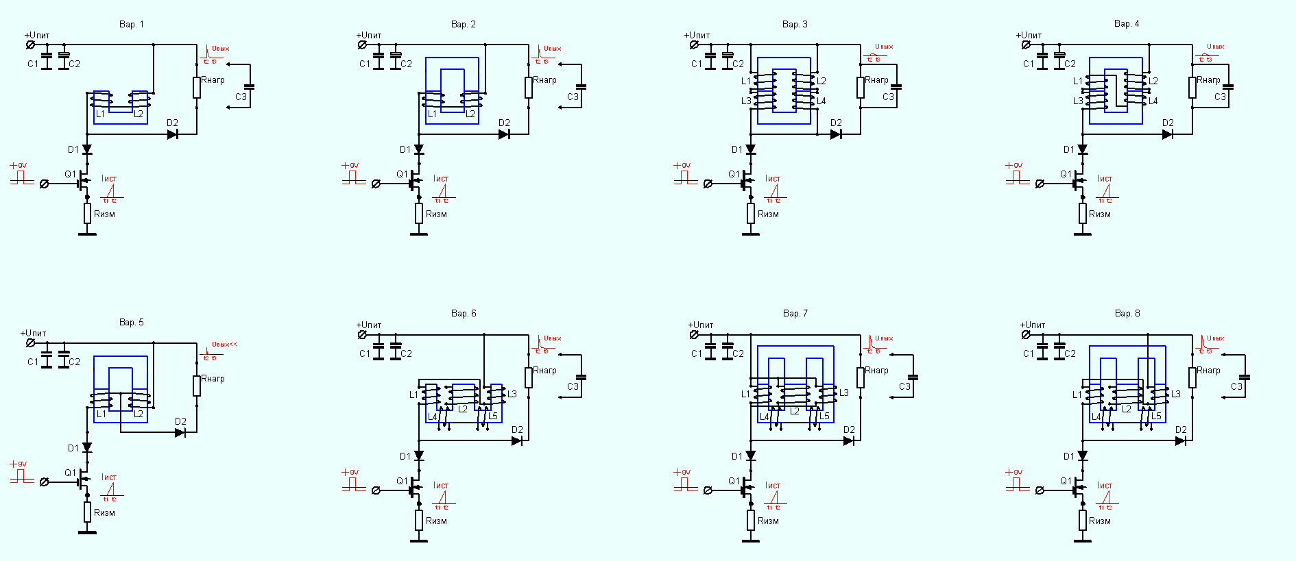
Для начала на подковку от импортного строчника намотал две обмотки по 75 витков провода 0,64мм. Индуктивность обмоток с разомкнутым и замкнутым сердечником указана на рисунке. Включение обмоток - встречное. Таким образом снижение индуктивности суммарной катушки по Бондаренко составило примерно 7 раз (сравнение с одинарной катушкой с замкнутым сердечником). Соответственно сократилось время выхода на заданный ток, в тестовой схеме.
Я озадачился вопросом: не приведут-ли эти особенности к какому-нибудь выйгрышу в эффективности работы электромагнитных устройств, например, при работе этой катушки в режиме обратноходовика.
Физика говорит, что запасеннная в катушке энергия пропорциональна её индуктивности квадрату тока протекающего через неё.
Проделал серию опытов по схемам приведенных на рисунке. Индуктивности катушек при различном включении сильно отличались, поэтому, оставаясь в рамках заданного тока пришлось варьировать частотой генератора импульсов в диапазоне 200 - 1500 гц, сохраняя неизменной скважность (примерно 1:10). В качестве ключа использовался MOP транзистор IRFP460, Он управлялся промышленным генератором импульсов. Запитка схемы производилась от лабораторного блока питания с контролем напряжения и тока. Наблюдения проводились двухлучемым осциллографом, с контролем тока истока МОР ключа и выходного сигнала. Нагрузкой являлся мощный непроволочный резистор 30 ом. Для оценки выходной мощности, так как расчет её при наличии импульсных сигналов времязатратный, а приблизительный давал нереальные цифры, применил метод сравнения с той-же схемой обратноходовика, но с использованием обычной катушки. КПД устройства был в стандартных пределах и менялся лишь от геометрии расположения катушек на магнитопроводе. Использование другой катушки в схеме, для съема выходного сигнала ухудшало КПД.
Разница в опытах 1 и 2 состояла только в разных рабочих частотах схемы. Это же можно сказать и о различии в опытах 3 и 4.
Поскольку имеется большая разница в величине индуктивности суммарных катушек (включенных по Бондаренко) и одинарной катушки возник интерес в проведении опыта по схеме 5. Здесь "закачка" производиться встречно-включенными катушками, а съем накопленной энергии - одинарной. Выходной сигнал в этом варианте упал (примерно в 7 раз) по амплитуде и растянулся во времени.
Устройство по Бондаренко было проверено и на Ш-образном магнитопроводе. Не смотря на существенно меньшую компенсацию суммарной индуктивности катушек 1 и 3 в опыте 8 из-за наличия среднего замыкающего керна, величина выходного сигнала оказалась в тех же границах, что и в других опытах. Разумеется рабочая частота генератора в этом опыте была низкая и была около 240Гц.
Опыт 7 показал (почему-то) довольно низкую эффективность устройства - существенно ниже, по сравнению с вариантом 2. (Возможно, что в опыте вкралась кака-то ошибка).
По результатам работы можно сделать следующие выводы.
1. Катушки "по Бондаренко" в схемах с рекуперацией энергии типа обратноходовика работают так -же, как и обычные катушки.
2. Благодяря более низкому значению суммарной индуктивности таких катушек, с сохранением величины напряженности создаваемого ими маг поля (произведеие тока на число витков) возможно применение их в качестве "быстрого " электромагнита для электромеханических устройств.
3. Возможно применение этой катушки в устройствах типа MEG. (Конечно это предположение требует проверки 😀 ).
С уважением.
------------------------------------------------------------------
Моэно пробовать как магнитный усилитель в режиме параметрическоого резонанса. Обмотки встречно , только на частоте в два раза выше резогансной при подаче на среднюю обмотку, управляющую. в обязательно замкнутой цепи послед с конденсатором есть резонанс, влияния обмоток друг на друга нет. не должно ьыть


Размер: 75.14 KB


Размер: 42.37 KB

Vladislavbaginsky | Post:267793 - Date: 18.09.10(03:11)
Вот скан про двишатель из газеты 2 файла


Размер: 51.13 KB


Размер: 660.17 KB


Размер: 589.86 KB

Vasilius | Post:268678 - Date: 24.09.10(21:28)
В и-нете кроме этой статьи что-то еще есть? Не могу найти.

_________________
Энергия вокруг нас, энергия внутри нас!


SIM | Post:268802 - Date: 25.09.10(23:08)
Если у кого-то есть свободный доступ к базам Укрпатента (инет-версия рассчитана как для врагов, пока найдешь хоть что-то, тем более что в открытом доступе, видимо, патенты не выложены, или я не так искал?), то просьба выложить здесь такие патенты вышеуказанных товарищей Черногорова и Скомороха:
№ 85327 за 2009 год
№ 88355 за 2009 год
К сожалению, патента на самое "вкусное" изобретение, описанное в вышеуказанной статье, пока нет, в реестре есть только заявка № а2009081999 "Электрические двигатели Черногорова", поданная еще в прошлом году. Ждем-с 😀
------------------------------------------------------------
Я послал вежливое письмо в редакцию газеты еще 10 дней ранее, но ответа не получил, скан присла знакомый, уних вроде на опративке эту информацию дали. Есть патент Черногорова по гравитац генератору, но эта статья совсем про другое. Влад


Vasilius | Post:269086 - Date: 27.09.10(22:54)
Есть все три патента, не могу сюда залить, они больше 1 МБ. Есть ссылка откуда их скачать. Думаю за эту ссылку админ форума по голове не погладит. Сайт 001-lab.com тема так и называется "Двигатель Черногорова"

_________________
Энергия вокруг нас, энергия внутри нас!


queet | Post:269117 - Date: 28.09.10(09:02)
Патент "Электрический двигатель Черногорова" можно скачать здесь.
--------------------------------------------------------------
там есть ограничения...
[ссылка]
если зарегестрированы на 001лаб,то по ссылке можно напрямую. Там еще 2 других патента есть. Удачи. В

Vasilius | Post:269667 - Date: 01.10.10(19:46)
Ссылка на переведенный патент "Электрический двигатель Черногорова"
[ссылка]

_________________
Энергия вокруг нас, энергия внутри нас!


SIM | Post:269722 - Date: 01.10.10(23:17)
Спасибо огромное за патенты! Да, если ЭТО работает, то перед нами одни из наиболее простых для повторения вариантов сверхединичных двигателей-генераторов. Действительно, в электротехнической литературе не описан вариант намотки якорей машин постоянного тока, в которых в каждом пазу ротора было бы несколько проводников, в которых ток в каждый момент времени течет в РАЗНЫЕ стороны, то есть перед нами несколько извращенный вариант бифилярной обмотки Тесла.
Экспериментальная проверка многое бы прояснила, плохо то, что для переделки нужен достаточно мощный двигатель, желательно с двумя парами полюсов статора и мощностью не менее 1 кВт (в описанной статье выигрыш составляет около 400%, но это при том, что КПД указанного тягового мотора от электропогрузчика около 80%. Бытовой электроинструмент обладает куда меньшим КПД, редко дотягивающим до 50%- соответственно и выход переделанного электродвигателя будет не такой значительный)
...А вообще, анализируя все представленные патенты этих товарищей, нетрудно провести аналогию с теорией "резонанса Владомира" из соседней ветки (да и с Ф-машиной Фролова тоже есть общее). Видимо, в этом действительно что-то есть!

SIM | Post:269841 - Date: 02.10.10(23:07)
А фото девайса в студию можно? Тяжело это представить, тем более, что есть "детский конструктор электродвигателей"?
-----------------------------------------------
Уважаемые, почти вся страница под номером 24 не содердит пока ничего ценного по теме данной ветки.. поэтому, думается, что все это к удалению. Если вы предлашаете свою , новую конструкцию движка, не Черногорова, то это другая тема, как и тема двигателя Черногорова, чего суть следует из патентов. СУТЬ КРУТИЛКИ В ДАННОЙ ТЕМЕ- ПОЛУЧИТЬ ОТСУТСВИЕ ТОРМОЖЕНИЯ. А ДЛЯ ЭТОГО НУЖНО ИСПОЛЬЗОВАТЬ МАТЕРИАЛ, В КОТОРОМ НЕ НАВОДЯТСЯ ТОКИ САМОЭДС, ИЛИ НЕ ВОЗНИКАЕТ ВСТРЕЧНОГО МАГНИТНОГО ПОЛЯ, ПРИВОДЯЩЕО К ТОРМОЖЕНИЮ. вТОРАЯ ИДЕЯ, КОТОРАЯ ВСКАЗЫВАЛАСЬ- ПОЛУЧЕНИЕ ПАРАМЕТРИЧЕСКОГО РЕЗОНАНСА, В СИСТЕМЕ С ТАКИМ ВРАЩАТЕЛЕМ, ИСКОМЫЙ МОЖНЕО ПОЛУЧИТЬ И В АНАЛОГИЧНОЙ СИСТЕМЕ БЕЗ ВРАЩАЮЩИХСЯ ЧАСТЕЙ, ЧТО ЭКПЕРИМЕНТАЛЬНО ПОДТВЕРЖДАЕТСЯ, НА ДОВОЛЬНО ПОСТОМ МАГНИТОПРОВОДЕ С ВСТРЕЧНО ВКЛЮЧАЕМЫМИ НАМОТКАМИ, ДАЮЩИМИ В СУММЕ НОЛЬ, А ПРИ ЗАМЫКАНИИ ЦЕПИ С КОНДЕРОМ- НАПРЯЖЕНИЕ И ТОК.

<] [ 1 | ... 3 | 4 | 5 | 6 | 7 | 8 | 9 | 10 | 11 | 12 | 13 | 14 | 15 ] [>
У Вас нет прав отвечать в этой теме.
Форум - Магнитные генераторы - Магнитные генераторы - Генератор на бифилярных катушках без прямой индукции - Стр 13
🏠 Главная | 📚 Содержание | 💬 Форум | 📁 Файлы | 📩 Контакт