[ВХОД]
20.04.26(22:56)

www.skif.biz

Альтернативная энергия. Оставь надежду, всяк сюда входящий...

🏠 Главная | 📚 Содержание | 💬 Форум | 📁 Файлы | 📩 Контакт
 
Резонансные генераторы
Магнитные генераторы
Механические центробежные (вихревые) генераторы
Электростатические генераторы
Водородные генераторы
Ветро- и гидро- и солнечные генераторы
Прочие идеи (разные)
О форуме
Транспорт
Оружие
Научные идеи, теории, предположения...
Экономия топлива
Коммерческие вопросы
Струйные технологии
Торсионные генераторы
Новые технологии
Барахолка
Патентный отдел
Конструкторское бюро
Нейтронная физика
Торнадо и смерчи
Гравитация и антигравитация
Сделай сам. Советы.
Медицина и здравоохранение

📱 | 🖨️

Форум - Резонансные генераторы - Резонансный трансформатор Теслы - Капанадзе - вспоминание старой доброй физики Alexnik - Стр:1
[ 1 | 2 | 3 | 4 | 5 | 6 | 7 | 8 | 9 | 10 | 11 | ... | 19 ] [>
Модератор: CrazyAlex
CrazyAlex | Post:215890 - Date: 11.12.09(23:01)
Начнемс... Буду писать много сообщений, и вставлять туда картинки, мне так удобнее, и чтобы не было путанины ..

Есть эффект который многие заметили : Между коллебательным контуром и противовесом( для низких частот используеться земля), есть ЭДС которая равна = ЭДС наведенная в антенне, использование этой ЭДС не нарушает резонанса коллебательного контура ...

Вот обычная схема детекторного приемника:
image


А вот картинка во вложений как можно использовать ЭДС между контуром и противовесом,для питания усилителя на полевых транзисторах - нарисованная и проверенная многими радиолюбителями ...




Размер: 3.42 KB

CrazyAlex | Post:215892 - Date: 11.12.09(23:12)
"ТТ - нужно рассматривать как обычный коллебательный контур !!!"

Вот ребята проверили и убедились в точно таком-же еффекте, также я это исследовал досконально, что сколько и чего 😏

[ссылка]

"включать лампы в разрыв земляного провода теслы, а конец этого провода заземлить. А на верхушку теслы - тор поувесистее. Так и ток неплохой пойдет, и потенциал невысокий будет, и настройка теслы не собьется.

Spark писал(а):
Ты имееш в виду нижний "холодный" конец вторички подключить к линии, а потребители (т.е. неонки) заземлять, да?

Да. Лампочки соединить последовательно. Один конец цепи к холодному проводу, а второй заземлить.
Вместо заземления можно юзать любой достаточно массивный противовес (батарея, стеллаж, стол, etc.).

С антеннами ИМО плохо будет, т.к. ловить ты будешь радиоволны, а их интенсивность убывает пропорционально квадрату расстояния.
Согласен. Городить это для передачи энергии - ИМО бессмысленно. Ну а если с целью добавить свечение лампочек как бонус к производимым Теслой разрядам (для эффектности) - можно.



Вот на картинке во вложений смотрите:

Затратили 240ват мощности - в контуре, в резонансе будет крутиться раз в 5 больше - но между контуром и противовесом можно снять те же 240ват ..

И так, считайте трансформация 100% и резонанс не убежал ... но никакого СЕ, и кричим дружно ФУУ ..



Размер: 26.07 KB

rezoner | Post:215893 - Date: 11.12.09(23:20)
Почему никакого СЕ? А ЛДС 20*4=80вт ?

CrazyAlex | Post:215895 - Date: 11.12.09(23:24)
Только не перебивать !!! ..едем далее..

Автогенерация

[ссылка]

Обобщенная схема радиотехнического генератора. Уравнение Ван-дер-Поля Можно легко выделить те основные структурные, элементы, о которых говорилось выше. Колебательной системой здесь служит RLC-контур. Напряжение с контура подается на вход активного элемента — усилителя. Будем считать, что известна нелинейная характери-стика усилителя, т.е. зависимость тока на выходе усилителя от напряжения на входе , которую можно аппроксимировать кубическим полиномом iu ()302iugugu=−+…. (11.1) Коэффициенты считаются положительными. Физическую природу усилителя мы пока не конкретизируем. Выход усилителя нагружен на катушку индуктивности , ко-торая индуктивно связана с катушкой контура. Таким образом обеспечивается обратная связь. ng1L Рис. 11.2. Схема радиотехнического генератора автоколебаний. Механизм возбуждения автоколебаний в генераторе можно качественно описать следующим образом. Даже при отсутствии напряжения на выходе усилителя напряжения.

Примеры автоколебательных систем
автоколебание в контуре испытывает случайные флуктуации. Они усиливаются усилителем и вновь поступают в контур через цепь обратной связи. При этом из шумового спектра флуктуаций будет выделяться составляющая на собственной частоте высокодобротного контура. Если энергия, вносимая в контур таким образом, превосходит энергию потерь, амплитуда колебаний нарастает. Для этого необходимо, чтобы коэффициент усиления был достаточно велик. Однако, поскольку зависимость ()iu (11.1) нелинейна, с ростом коэффициент усиления падает, что приводит к установлению стационарных автоколебаний с постоянной амплитудой, в чем и состоит механизм нелинейного ограничения неустойчивости. Таким образом, нелинейность в автоколебательных системах играет принципиальную роль, регулируя поступление энергии из источника. В линейной системе (например, осциллятор с отрицательным трением) амплитуда колебаний нарастала бы до бесконечности.








Размер: 22.60 KB

CrazyAlex | Post:215896 - Date: 11.12.09(23:25)
rezoner Пост: 215893 От 11.Dec.2009 (23:20)
Почему никакого СЕ? А ЛДС 20*4=80вт ?


Они горят за счет тока смещения между обкладками конденсатора- тор-земля.... Это тоже можно использовать ..только на добротности теряем больще...

CrazyAlex | Post:215899 - Date: 11.12.09(23:35)
Ну как осущестить подпитку коллебательного контура надеюсь по первым постам понятно ..

Вот к примеру :

Тратим на накачку контура 100ват, их же можем получить между противовесом и контуром, часть енергий мы "усилителем" (транзистором,туннельным диодом,радиолампой) возвращаем положительной обратной связью назад в контур...
"Если энергия, вносимая в контур таким образом, превосходит энергию потерь, амплитуда колебаний нарастает."


Остаеться дело для большого ТОРМОЗА -чтобы нелинейно возрастающие коллебания не наделали нам беды - не разорвали лампу (транзисторы) и обмотки контура -как тузик тряпку ...




Размер: 21.93 KB

algo | Post:215903 - Date: 11.12.09(23:45)
Привет CrazyAlex наконец, появилсэ человек, который приземлился на землю 😕 Я хотел бы свами паобщатса и поделитса некоторами мыслэми но я здесъ наблюдателъ и создовать темы неумеюю

CrazyAlex | Post:215906 - Date: 11.12.09(23:51)
Идеальный тормоз = разрядник включенный паралельно конденсатору и настроенный на определенную амплитуду(критическую точку), к примеру если знаем что контур не выдержит 5000вольт - то и настраиваем разрядный промежуток на это напряжение ...

Очень легко теперь вписуються два тумблера и радиолампа(из прозрачной коробки),и греющиеся транзисторы и тупой разрядник из "гавна" ... Да ? 😀 Можно с применением ферита сделать контур как у зеленой коробочки на 50Гц, а всю коробочку набить высоковольтными кондерами 😏

Коллебательный контур = это своеобразный насос в гидравлике ..и мы используем его работу вторично, как бы разность давлений в нем для получения наростающих автоколлебаний 😏

Для больших мощностей накачивать контур - лучше тоже разрядником ! ничего лучшего пока не придумано ...

CrazyAlex | Post:215911 - Date: 12.12.09(00:05)
Схем можно нарисовать по автогенераторам множество ...

Есть только правило - больше частота=больше КПД ..больше частота=меньше размер противовеса ..ибо при 1ггц -противовес будет равен 24 квадратных сантиметров ...
Частота в контуре = частоте между контуром и противовесом...

Впринцыпе все ..больше пока нечего добавить ..жду предложений по улучшению и реализаций при минимальных затратах..ибо одна голова хорошо а много ..еще лучше.. Рукастые - прошу в личку 😏

По Тесла:

незатухающие коллебания = автоколлебания
задемфированная волна = волна находящияся в резонансном контуре
генератор незатухающих коллебаний= индуктивная трехточка ...

З.Ы. Имея в автоколлебательном режиме башню типа "вондерклиф" -дейтсвительно можно было расколоть землю ... аккуратней нужно относиться к природе ...

alexol | Post:215913 - Date: 12.12.09(00:17)
CrazyAlex Пост: 215906 От 11.Dec.2009 (23:51)

Для больших мощностей накачивать контур - лучше тоже разрядником ! ничего лучшего пока не придумано ...

Если можно, - хотя бы в нескольких словах, как эту накачку реализовать... Или небольшую схемку



CrazyAlex | Post:215914 - Date: 12.12.09(00:24)
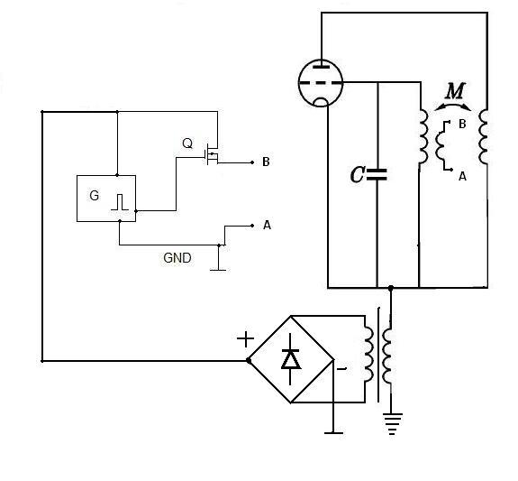
Могу нарисовать черную коробку Тесла ..

там абслолютно тоже ..в коробке контур...в передней панели лампы.. не было тогда еще ГУ-шек здоровенных ...последовательно 12 ламп для усиления автоколлбательного контура 😏 Сам контур во вложений:






Размер: 36.19 KB

CrazyAlex | Post:215915 - Date: 12.12.09(00:27)
alexol Пост: 215913 От 12.Dec.2009 (00:17)
CrazyAlex Пост: 215906 От 11.Dec.2009 (23:51)

Для больших мощностей накачивать контур - лучше тоже разрядником ! ничего лучшего пока не придумано ...

Если можно, - хотя бы в нескольких словах, как эту накачку реализовать... Или небольшую схемку




Размер: 3.10 KB

alexol | Post:215920 - Date: 12.12.09(00:49)
Понятно... А ПОС?

bazarov | Post:215924 - Date: 12.12.09(01:01)
Для Алекса.

Добротность контура:
Q=Pконтрура/Рподпитки

Удачи.

_________________
Не хватит никакого здоровья, чтобы приспособиться к этому глубоко больному обществу(Кришна Мурти)/Горшки не Боги обжигают (многовековая классика)


CrazyAlex | Post:215925 - Date: 12.12.09(01:05)
А ПОС практически как угодно ... у нас есть запас большой 😏 100ват на раскачку- 100ват получаем, а теряем с хреновым контуром всего 10-50% ...






Размер: 17.67 KB

CrazyAlex | Post:215927 - Date: 12.12.09(01:14)
bazarov Пост: 215924 От 12.Dec.2009 (01:01)
Для Алекса.

Добротность контура:
Q=Pконтрура/Рподпитки

Удачи.

Для Базарова - сколько затратили -столько получили + бонус = резонанс остался .. Самая херовая добротность контура это 90% потерь - а наилучшая 10% потерь ..в любом случае идет неленейное нарастание амплитуды в контуре - так как выполняеться его положительная подпитка ... Это физика ... нарисуйте процессы происходящие между контуром и противовесом - они также будут равны между контуром и антенной, так если не вникая в подробности и возникает КУ в антеннах 😏

CrazyAlex | Post:215928 - Date: 12.12.09(01:22)
zimnyaya Пост: 215926 От 12.Dec.2009 (01:09)
CrazyAlex Пост: 215911 От 12.Dec.2009 (00:05)
Схем можно нарисовать по автогенераторам множество ...

Есть только правило - больше частота=больше КПД ..больше частота=меньше размер противовеса ..ибо при 1ггц -противовес будет равен 24 квадратных сантиметров ...
Частота в контуре = частоте между контуром и противовесом...

Впринцыпе все ..больше пока нечего добавить ..жду предложений по улучшению и реализаций при минимальных затратах..ибо одна голова хорошо а много ..еще лучше.. Рукастые - прошу в личку 😏

По Тесла:

незатухающие коллебания = автоколлебания
задемфированная волна = волна находящияся в резонансном контуре
генератор незатухающих коллебаний= индуктивная трехточка ...

З.Ы. Имея в автоколлебательном режиме башню типа "вондерклиф" -дейтсвительно можно было расколоть землю ... аккуратней нужно относиться к природе ...

Можно было изложить всё гораздо понятнее - Вы хотите сделать регенератор в режиме самовозбуждения с питанием от антенны 😳
Занятие конечно увлекательное, но бесполезное, так как антенны имеют свойство излучать подводимую энергию...


Что я неправильно описал ?? я сказал про саму суть ..внимательно смотрите !!! Для Зимней - "качаем в резонансный контур 100ват - их и снимаем без нарушения резонанса,преобразуем и добавляем для создания автоколлебаний, если не сможем остановить процесс нарастания автоколлебаний - разорвет контур как тузик тряпку ...если стабилизировать процесс - то получим киловаты между контуром и противовесом ..." Схема примитивная в студий ... лишние сообщения завтра потрем ...

bazarov | Post:215932 - Date: 12.12.09(01:40)
CrazyAlex | Post: 215931 - Date: 11.12.09
Принцыпу действия накакать...

Ну-ну. Для начала разберитесь почему при высокой частоте добротность выше. Удачи. Похоже мне пора работу менять, умных на свете меньше станет.

Удачи.

_________________
Не хватит никакого здоровья, чтобы приспособиться к этому глубоко больному обществу(Кришна Мурти)/Горшки не Боги обжигают (многовековая классика)


CrazyAlex | Post:215937 - Date: 12.12.09(01:52)
zimnyaya Пост: 215933 От 12.Dec.2009 (01:41)
CrazyAlex Пост: 215911 От 12.Dec.2009 (00:05)

Что я неправильно описал ?? я сказал про саму суть ..внимательно смотрите !!! Для Зимней - "качаем в резонансный контур 100ват - их и снимаем без нарушения резонанса,преобразуем и добавляем для создания автоколлебаний, если не сможем остановить процесс нарастания автоколлебаний - разорвет контур как тузик тряпку ...если стабилизировать процесс - то получим киловаты между контуром и противовесом ..." Схема примитивная в студий ... лишние сообщения завтра потрем ...
Качаем в контур 100 вт - снимаем уже меньше, так как в контуре есть потери. Преобразуем...такое загадочное слово...после преобразования потери будут гораздо значительнее, чем на активном сопротивлении контура...😏Если не сможем остановить процесс...- процесс чего, скорейшего затухания колебаний в системе? Ответьте себе на один вопрос - откуда лишняя энергия?(с)Судя по первому посту я решила что лишняя энергия будет поступать из приёмной антенны, но видимо это не так)

[ссылка] - Определение резонанса

В электронных устройствах резонанс возникает на определённой частоте, когда индуктивная и ёмкостная составляющие реакции системы уравновешены, что позволяет энергии циркулировать между магнитным полем индуктивного элемента и электрическим полем конденсатора.

Механизм резонанса заключается в том, что магнитное поле индуктивности генерирует электрический ток, заряжающий конденсатор, а разрядка конденсатора создаёт магнитное поле в индуктивности — процесс, который повторяется многократно, по аналогии с механическим маятником.


А мы "хитрые" подаем 100ват в контур - в контуре за счет резонанса будет 500-1000ват (в зависимоти от добротности) - но снять по чесному НЕ НАРУШИВ РЕЗОНАНСА мы можем те же 100ват ... теперь мы их можем послать на пополнение ущербной добротности с хвостиком для нарастания коллебаний ... (выращиваем на грядке)

Лампочка горит когда ? - когда через нее бегут електроны!!! насрать лампочке на все остальное 😏

CrazyAlex | Post:215942 - Date: 12.12.09(02:05)
zimnyaya Пост: 215933 От 12.Dec.2009 (01:41)
CrazyAlex Пост: 215911 От 12.Dec.2009 (00:05)

Что я неправильно описал ?? я сказал про саму суть ..внимательно смотрите !!! Для Зимней - "качаем в резонансный контур 100ват - их и снимаем без нарушения резонанса,преобразуем и добавляем для создания автоколлебаний, если не сможем остановить процесс нарастания автоколлебаний - разорвет контур как тузик тряпку ...если стабилизировать процесс - то получим киловаты между контуром и противовесом ..." Схема примитивная в студий ... лишние сообщения завтра потрем ...
Качаем в контур 100 вт - снимаем уже меньше, так как в контуре есть потери. Преобразуем...такое загадочное слово...после преобразования потери будут гораздо значительнее, чем на активном сопротивлении контура...😏Если не сможем остановить процесс...- процесс чего, скорейшего затухания колебаний в системе? Ответьте себе на один вопрос - откуда лишняя энергия?(с)Судя по первому посту я решила что лишняя энергия будет поступать из приёмной антенны, но видимо это не так)

Насрать на все - есть енергия которой можно пополнить с положительной связью - автоколлебания будут нарастать бесконенчно = ограничено материалами !!!

Остальное все в жилетку и поплакаться и помолиться ..читаю скиф уже 3 года ...

Конкретно чтото есть что сказать ?

CrazyAlex | Post:215945 - Date: 12.12.09(02:10)
MSN Пост: 215938 От 12.Dec.2009 (01:57)
Алекс, а хде общанная схема и описание принципа работы на основе законов старой доброй физики???


[ссылка] - резонанс

[ссылка] -автогенератор

CrazyAlex | Post:215948 - Date: 12.12.09(02:15)
Кто то хоть по процессам в ККТ выскажеться ? обоснует за счет чего автогенерация у автогенераторов ? т.е. по сути - а не увода с сути ???

Azazello | Post:215953 - Date: 12.12.09(02:32)
CrazyAlex ... Ничего удивительного. Но я должен был не торопиться и предупредить тебя.
Ничего удивительного - в том, что очень часто люди не видят простых вещей, проходят мимо многого, что по их мнению, работать не должно по причине простоты. Так бывает. Надо не торопиться и ждать следующих. Кто-то поймет.

zimnyaya | Post:215954 - Date: 12.12.09(02:34)
CrazyAlex Пост: 215911 От 12.Dec.2009 (00:05)
Я поняла - Вас гипнотизируют слова "НЕ НАРУШИВ РЕЗОНАНСА" 😀 Что ж, тут вам только практика поможет, успехов в съёме и наращивании.
P.S. Я не издеваюсь и обещаю громко не смеяться😨

Я же не смеялся с вашего квазирезонанса от баластов ЛДС ... Вы сами тупите ... где фотка с самозапиткой ??? 😏 блин ... разве вы тут все люди ? куча тупых зомби вообщем...

По поводу балластов - фоток не будет, поскольку условия возникновения "правильного" параметрического резонанса в такой схеме ничтожно мала и попытка сделать ещё один "демонстрационный комплект" у меня была неудачной. Поэтому работы с балластами были признаны неперспективными, увы и ах) А на критику Вы не обижайтесь, просто настроение хорошее 😎

_________________
Желудь-теоретик знает, как вырасти в дуб (c) Кнышев


bazarov | Post:215957 - Date: 12.12.09(02:44)
К твоему сведению под башенкой Тесла некоторые видят кубики. Многие думают что это катушка в масле, а про кондёр мало кто вспомнил. Если на вторичном контуре сделать последовательный резонанс то и ток сохранится и сопротивления в виде лампочки будут по барабану, если добротность высокая. Сечёшь?

_________________
Не хватит никакого здоровья, чтобы приспособиться к этому глубоко больному обществу(Кришна Мурти)/Горшки не Боги обжигают (многовековая классика)


[ 1 | 2 | 3 | 4 | 5 | 6 | 7 | 8 | 9 | 10 | 11 | ... | 19 ] [>
У Вас нет прав отвечать в этой теме.
Форум - Резонансные генераторы - Резонансный трансформатор Теслы - Капанадзе - вспоминание старой доброй физики Alexnik - Стр 1
🏠 Главная | 📚 Содержание | 💬 Форум | 📁 Файлы | 📩 Контакт