[ВХОД]
11.04.26(19:13)

www.skif.biz

Альтернативная энергия. Оставь надежду, всяк сюда входящий...

🏠 Главная | 📚 Содержание | 💬 Форум | 📁 Файлы | 📩 Контакт
 
Резонансные генераторы
Магнитные генераторы
Механические центробежные (вихревые) генераторы
Электростатические генераторы
Водородные генераторы
Ветро- и гидро- и солнечные генераторы
Прочие идеи (разные)
О форуме
Транспорт
Оружие
Научные идеи, теории, предположения...
Экономия топлива
Коммерческие вопросы
Струйные технологии
Торсионные генераторы
Новые технологии
Барахолка
Патентный отдел
Конструкторское бюро
Нейтронная физика
Торнадо и смерчи
Гравитация и антигравитация
Сделай сам. Советы.
Медицина и здравоохранение

📱 | 🖨️

Форум - Научные идеи, теории, предположения... - идеи и теории, научные и бредовые... - Доп.энергия накоплена как ее вернуть в источник энергии - Стр:1
Модератор: wnur08
wnur08 | Post:406164 - Date: 03.01.13(11:22)
Схема конденсатор последовательно нагрузка . Конденсатор накапливает энергию пройденую через схему . Как можно энергию из конденсатора опять вернуть в источник энергии

psih | Post:406188 - Date: 03.01.13(14:15)
Для этого нужно, чтобы напряжение на конденсаторе было выше чем питающее. В этом случае, если конденсатор соединить со входом схемы, то энергия уйдет в буферные конденсаторы, которые находятся в выходных каскадах блока питания (ну или во входных каскадах вашей схемы).

Схема при этом должна уже запитываться от источника постоянным тока

stasis2 | Post:406302 - Date: 04.01.13(14:20)
Как можно энергию из конденсатора опять вернуть в источник энергии

никак , нельзя вернуть в источник принципиально .
Для того чтобы вернуть , схема потребившая должна сама стать источником на некотрое время , если это было бы возможно то эта чудо конструкция должна иметь способность питать активную нагрузку (лампу или ТЭН) некоторое время в остутвиии основной батареи питания.
Если это имеет место то можно говорить о самозапитке😈
то энергия уйдет в буферные конденсаторы, которые находятся в выходных каскадах блока питания (ну или во входных каскадах вашей схемы).

фактически от самозапитки происходит увеличение тока потребления устройства😎


gravio | Post:406305 - Date: 04.01.13(14:58)
. Конденсатор накапливает энергию пройденую через схему .

1.Энергия - мат.условность.
"накопить" условность - нельзя.

Как можно энергию из конденсатора опять вернуть в источник энергии

Укажите энергию ЧЕГО вы собираетесь "вернуть"...

_________________
\"Настоящий изобретатель обязан принести идею, полномасштабный действующий опытно-промышленный образец, и деньги на внедрение (с откатом).\"


MSN | Post:406309 - Date: 04.01.13(15:38)
gravio Пост: 406305 От 04.Jan.2013 (14:58)
Конденсатор накапливает энергию пройденую через схему .
1.Энергия - мат.условность.
"накопить" условность - нельзя.


Ой, да иди уже крути свои колеса, с резиновыми "гулями" 🤢
В электричество тебе еще рано.


_________________
Говорите говорите, я всегда зеваю когда мне интересно. 99,9% всех СЕ устройств, - от неправильных измерений


stasis2 | Post:406394 - Date: 05.01.13(10:16)
.Энергия - мат.условность.

Ну тогда запрограмируй себе 100 киловатт на процеке )))
Или подружись с розеткой , так еп нет этой условностью что долго математику вспоминать будешь 😎 а торема фермА покажется тебе и во все семечками😬

shkaf | Post:406403 - Date: 05.01.13(11:39)
Гравио- это досадная скифовская условность! )) И естественно все у гравио условно, и энергия и вольты и ток..и зобретения гравио тоже условность.
Т.е сам гравио это условность, реально его нет, как нет и его многочисленых изобретений.

_________________
На Бога уповаем. http://www.skif.biz/files/e5a7f3.jpg


wnur08 | Post:407593 - Date: 14.01.13(22:17)
Я понял как вернуть энергию в источник .надо вместо конденсатора использовать электролизержз.

wnur08 | Post:407596 - Date: 14.01.13(22:40)
Кремлевы уже это изобрели осталось испробовать [ссылка]

MSN | Post:407623 - Date: 15.01.13(07:27)
Прочитал. Сказочники Кремлевы еще те оказывается.

_________________
Говорите говорите, я всегда зеваю когда мне интересно. 99,9% всех СЕ устройств, - от неправильных измерений


mir | Post:407655 - Date: 15.01.13(16:13)
wnur08 Пост: 406164 От 03.Jan.2013 (11:22)
Схема конденсатор последовательно нагрузка . Конденсатор накапливает энергию пройденую через схему . Как можно энергию из конденсатора опять вернуть в источник энергии

соедини конденсатор с источником энергии (аккумулятором ) с помощью диода в прямом направлении... тогда если на кондере будет напряжение выше чем у аккума, то энергия и ток с кондера пойдут на источник энергии

Achiever | Post:407677 - Date: 15.01.13(23:22)
Берите.
не жалко...



Размер: 7.77 KB

kompig | Post:407679 - Date: 15.01.13(23:34)
Можно как на картинке, коммутируя "К". Половину времени заряжаем конденсатор через полезную нагрузку, половину разряжаем. Выбирая кол-во конденсаторов и способы коммутации, добиваемся необходимого питания (постоянка или переменка) нагрузки.Правда обратно не возвращаем, просто два раза прогоняем через нагрузку.


Размер: 4.36 KB

Eduard | Post:408120 - Date: 20.01.13(23:15)
Как вернуть полностью, я не придумал (получается слишком сложно), а реверсировать напряжение на конденсаторе можно вот так. Тогда в следующем цикле напряжение конденсатора сложится с напряжением источника и тоже пойдет в нагрузку. Но перед переключением надо дождаться, пока ток в индуктивности станет равен 0.


Размер: 1.26 KB

_________________
И мню аз яко то имать быть, что сам себе всяк может учить.


elektron_blin | Post:408121 - Date: 21.01.13(00:26)
wnur08 Пост: 406164 От 03.Jan.2013 (11:22)
Схема конденсатор последовательно нагрузка . Конденсатор накапливает энергию пройденую через схему . Как можно энергию из конденсатора опять вернуть в источник энергии

Давай думать логически. 😀 Ток заряда и ток разряда текут в противоположные стороны. Следовательно чтоб разредить конденсатор его в схеме необходимо "перевернуть" при помощи мостовой сх. из ключей. 😕
А какая энергия возврата? - поможем схемкой.😈

Achiever | Post:408148 - Date: 21.01.13(15:49)
Pavel1 Пост: 407732 От 16.Jan.2013 (18:00)
Achiever Пост: 407677 От 15.Jan.2013 (23:22)
Берите.
не жалко...


Брать то нечего, грубейшии ошибки.

Драйвера управления силовыми ключами выглядят совсем по иному,
раздельные цепи включения и выключения силовых транзисторов(согласно даташитов), иначе ПШИК твоему ключу.
У меня практика по силовой электронике много лет.
Можете засунуть свою практику себе в заднее место, она здесь не при чем.
Рисую без подробностей, кому интересно - и драйвера поставят.

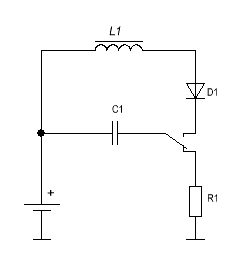
elektron_blin | Post:408215 - Date: 22.01.13(04:38)
Или ещё



Размер: 4.79 KB

У Вас нет прав отвечать в этой теме.
Форум - Научные идеи, теории, предположения... - идеи и теории, научные и бредовые... - Доп.энергия накоплена как ее вернуть в источник энергии - Стр 1
🏠 Главная | 📚 Содержание | 💬 Форум | 📁 Файлы | 📩 Контакт