[ВХОД]

🏠 Главная | 📚 Содержание | 💬 Форум | 📁 Файлы | 📩 Контакт

📱 | 🖨️

Форум - Резонансные генераторы - Прочие резонансные генераторы - То ли генератор, то ли приемник Принцессы - Стр:1
[ 1 | 2 | 3 | 4 | 5 | 6 | 7 | 8 | 9 | 10 ] [>
Модератор: Achiever
Achiever | Post: #331761 - Date: 16.10.11(12:30)
Появилась новая звезда всеми любимого жанра антинаучной фантастики. Выложила фото, на настоящий момент их 3. Также выложено видео на 75 мбт, которое скачать еще не удалось, на ютубе выложена копия, просмотрено -
YouTube: Смотреть видео
.
Начались на Заряде прения и гадания заинтересованной тусовки, начались допросы с пристрастием.
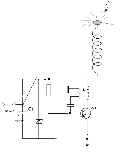
Скоренько выявились какие-то странности с несовпадением показаний. Т.е., на фото людям видится одно, а на авторской схеме нечто другое. Например, последний пост примерно так гласит:
"Вот еще несоответствие по схеме.
На фото переменный резистор и диод подсоединены к разным концам бифиляра, а на схеме к одному."
И это уже не первый ляпсус.
Используемый в "странном устройстве Сюзанны" единственный активный элемент, транзистор П411A - настолько редкий из-за старости выпуска, что найти его сейчас весьма сложно. И ничем его заменить не получается. Странно, да?😬
Хочется верить, что все путем, просто опечатки и т.п.


Achiever | Post: #331763 - Date: 16.10.11(12:37)
Да вот тот самый вопросительный рисунок , в первый пост вставлять не стал.



Размер: 51.00 KB


олег-джан | Post: #331765 - Date: 16.10.11(12:44)
Используемый в "странном устройстве Сюзанны" единственный активный элемент, транзистор ... - настолько редкий по старости выпуска, что найти его сейчас весьма сложно. И ничем его заменить не получается. Странно, да?

нет...не странно...я с этими транзисторами наигрался еще
в детстве,уникальный экземпляр..."заводится" от сопли...
простые приемники постоянно улетали в возбуждение...
поэтому в сверхрегенерате ему самое место...
Корпус добротный-посеребренный целиком...
Вполне возможно заменить его современными маломощными
полевичками с почти нулевыми порогами....
ну и..как всегда-масла в огонь маленько:
Q:Какова точная длинна балластного хвоста?
А: 700 мм

смотрим:
[ссылка]
[ссылка]

_________________
Обьективная реальность-бред,вызванный недостатком алкоголя в крови...



Achiever | Post: #331766 - Date: 16.10.11(12:49)
Ну вот смотри как повезло, а многие П411 только на картинке увидели, да и то впервые - только в связи с появлением такой вот темы...


олег-джан | Post: #331767 - Date: 16.10.11(12:57)
а многие П411 только на картинке увидели

Действительно повезло...
эти транзисторы шли только воякам ...
у однокласника в сарае нашли целую коробку подобных
вкусняшек...транзисторы,диоды Д405,Д401...и.т.д...
всякие радиевые игрушки....гля..
егоный дядька со службы привез....

_________________
Обьективная реальность-бред,вызванный недостатком алкоголя в крови...



jonifer | Post: #331772 - Date: 16.10.11(13:16)
http://vzglyadzagran.ru/news/gadzhet-sposobnyj-izvlekat-energiyu-iz-vozduxa.html
более продвинутый вариант
а П411А на chipfind.ru немеряно - до сих пор военным мелкими партиями изготавливаются П605 - проблем не вижу



олег-джан | Post: #331777 - Date: 16.10.11(13:35)
jonifer | Post: 331772
до сих пор военным мелкими партиями изготавливаются П605

Возобновили производство года четыре назад...
по многочисленным просьбам...
техники в свое время в третий мир было много поставлено...
поизносилась...а блоки на ремонт в рашу приезжают...

_________________
Обьективная реальность-бред,вызванный недостатком алкоголя в крови...



jonifer | Post: #331783 - Date: 16.10.11(13:48)
http://www.oldtriod.ru/expo/70
призраки прошлого возвращаются


Achiever | Post: #331785 - Date: 16.10.11(13:50)
Нет, с П411 чаще ответ такой: В наличии нет, счет выставить не сможем
То, что они находятся через поиск и числятся в прайсах, мало что значит...
Q:Какова точная длинна балластного хвоста?
А: 700 мм
смотрим:
[ссылка]
[ссылка]
НО две лампочки на 2,3 в зажечь от радиоволн??? Это надо быть в считанных метрах от антенны. К тому же она возила чудесный девайс по городу. Аэродромы ведь не в городе, а километров за 10. Да и какова там мощность передатчиков? Ватт 50-100 наверно. Антенны всенаправленные.
У кого какие мысли?


shkaf | Post: #331787 - Date: 16.10.11(13:56)
мысль только одна.. там в большой катушке спрятаны пальчиковые батарейки !!
тем более что автор сам признался что вторя катушка якобы залита чем то внутри, а зачем в сущьности заливать катушку в катушке для настолько демонстрационного варианта? Незачем только для того чтобы что то спрятать там.. а спрятать можно только источние питания т е батарейку. Других версий нет и не будет.

_________________
На Бога уповаем. http://www.skif.biz/files/e5a7f3.jpg



Achiever | Post: #331791 - Date: 16.10.11(14:10)
shkaf Пост: 331787 От 16.Oct.2011 (14:56) Других версий нет и не будет.
Шо, всё? Закрывать можно тему?😬
Требую продолжения банкета!!😊😝


Achiever | Post: #331794 - Date: 16.10.11(14:20)
Вот, скачайте и послушайте
[ссылка]



igorb4 | Post: #331795 - Date: 16.10.11(14:21)
Возможно скажу чушь, но по аналогии с лампой бегущей волны, между электронами, бегущими вдоль сердечника, и наружной обмоткой возникает нечто, напоминающее гетеродин с ПЧ в виде разницы двух скоростей. 😀 Истоки схемотехники транзисторных приёмников.


shkaf | Post: #331797 - Date: 16.10.11(14:26)
Achiever Пост: 331791 От 16.Oct.2011 (15:10)
shkaf Пост: 331787 От 16.Oct.2011 (14:56) Других версий нет и не будет.
Шо, всё? Закрывать можно тему?😬
Требую продолжения банкета!!😊😝


нет ни в коем случае!! не надо закрывать тему... надо спокойно все разяснить всем интересующимся в чем проблема и почему такая штука работает так как работает..


_________________
На Бога уповаем. http://www.skif.biz/files/e5a7f3.jpg



олег-джан | Post: #331802 - Date: 16.10.11(14:40)
Кому интересно помудохаться с этой темой-
вот некоторые раскладки:
[ссылка]

_________________
Обьективная реальность-бред,вызванный недостатком алкоголя в крови...



Achiever | Post: #331804 - Date: 16.10.11(14:43)
shkaf Пост: 331797 От 16.Oct.2011 (15:26)
Achiever Пост: 331791 От 16.Oct.2011 (15:10)
нет ни в коем случае!! не надо закрывать тему... надо спокойно все разяснить всем интересующимся в чем проблема и почему такая штука работает так как работает..

Так значит, все таки работает штука , а не батарейка?😕


shkaf | Post: #331806 - Date: 16.10.11(15:02)
Ну мы же не можем только на основании верю не верю решить работает реально это устройство или нет !! так можно просто подкинуть монетку и если выпадет орел то решить что это работает а если решка то не работает.. но это же не серьезно. Чтобы быть увереным надо понимать что может работать а что нет.
тот факт что что то там залито в катушке указывает на какой то подвох т е на батарейку или аккумулятор. Ну и сам посебе никой наихитрейший генератор не ссможет поддерживать сам себя в режиме автоколебаний да еше что то там отдать сверх того... нет просто ни малейших условий для этого !! Можно еще было допустить что на этом проводке который болтается было киловольт так 5-10 то электронный ток фитонки подкачивал генератор но ни по видео ни по схеме этого не скажешь.
пр
пр
Размер: 10.64 KB

_________________
На Бога уповаем. http://www.skif.biz/files/e5a7f3.jpg



Achiever | Post: #331835 - Date: 16.10.11(17:01)
shkaf ты фома неверующий. На основании косвенной информации только и можно решить такие вопросы, когда нет возможности пощупать. Во-вторых, эта дама довольно известная и фейк даже при желании не стала бы лепить. Репутацию не купишь.
Чтобы быть увереным надо понимать что может работать а что нет.
Ты можешь понять, что может работать? А TPU может? 😬 тот, где мужик сидя перед столом, с белой лампочкой и небольшим тороидм с торчащими проводками.

Ну и сам посебе никой наихитрейший генератор не ссможет поддерживать сам себя в режиме автоколебаний да еше что то там отдать сверх того...
Ну вообще-то кто-то там на матриксе качер до самозапитки доводил.
КАЧЕР, да, КАЧЕР!! 😊 Тоже генератор.


shkaf | Post: #331899 - Date: 17.10.11(07:29)
Achiever | Post: 331835 - Date: 17.10 (00:47)
ну ты видимо верующий фома 😀 т е если тебя обманывают ты веришь.
доверять или не доверять это не аргумент..
то что нарисовано на схемке у этой дамы это просто кусок провода смотаный совершенно бесмыслено и лампочка... так что является источником тока в этой цепи ???
Второе:
если уж быть доконца внимательным то можно заметить что даже при относительно небольшом угле поворота конденсатора лампочка реагирует достаточно резко.. знаешь о чем это говорить ??? Это говорит о том что самым наипростецким образом в определенном месте пластины смыкаются, и цепт питания лампочки соеденяется !!! т е в этом устройстве есть источник питания и лампочка а конденсатор просто используется как выключатель !! Ты когданибудь держал такой КПЕ в руках ?? видел как там пластины близко расположены друг к другу, чуть отогни одну пластину и она будет соприкасаться с другой вот тебе и выключатель... там даже видно что лампочка малость подмигивает не качественный контакт у алюминиемых пластинок (оксидная пленка мешает ) вот и подмигивает лампочка.. все остально кондеры с помойки древний транзистор какой то диод чисто для понта !!
Ей Богу !!

_________________
На Бога уповаем. http://www.skif.biz/files/e5a7f3.jpg



shkaf | Post: #331900 - Date: 17.10.11(07:39)
кусок провода смотаный на трубку является источником тока ?.....НЕТ !!
несколько электролитических конденсаторов являются источником тока ?.. НЕТ !!
Транзистор П411 является источником тока ???.. нет !!
Диодик является источником тока ??... нет !!
лампочка является источником тока ??... нет !!!
Переменное сопротивление является источником тока ??.. нет !!!
тАК ЧТО ТОГДА является источником тока в этой конструкции ??.. батарейка 😀
и совсем не интересно где она там спрятана...

_________________
На Бога уповаем. http://www.skif.biz/files/e5a7f3.jpg



Achiever | Post: #331910 - Date: 17.10.11(09:50)
РАЗОБЛАЧИЛ!!!😬
Вот еще в тему - "Что можно выжать с детекторного приемника"
YouTube: Смотреть видео




Achiever | Post: #331911 - Date: 17.10.11(09:55)
А я вот все думаю, откуда же в детекторном приемнике, в котором тоже нет батарейки, источник тока? Ведь, наушники не являются источником тока, а также:
моток провода на катушке;
конденсатор с пластинами и ручкой;
диод;
второй конденсатор впаралель наушникам;
чо делать-то? охота собрать приемник, а смысла не вижу - непонятно, откуда ток!!!😬 😬 (шютко)


олег-джан | Post: #331991 - Date: 17.10.11(17:57)
Achiever | Post: 331911 - Date: Mon Oct 17, 2011 5:41
А я вот все думаю, откуда же в детекторном приемнике,

тут понимаешь ли какая хрень...
Способ вполне рабочий...заводится эта балалайка,допустим,
в районе сотни МГц...а дольше цепляет и переваривает очень
широкий спектр эфирного мусора...(эфирного-это радиоэфирного!)...
Если бы не одно НО!...
Срёт она в эфир с таким же энтузиазмом...
Причем-если поставить во входную цепь некоторые древние
элементы-будет еще продуктивнее....
Поэтому капиталисты и не используют такую простоту,а копают в сторону
преобразования широкого спектра грязи в когерентный...
получают систему-ниппель....практически без обратного излучения...
используют всякие нанопорошки и прочее...
патенты то наши это все,но-продали ссуки...
в ссср нанохрень всегда называлась ультрадисперсией...

_________________
Обьективная реальность-бред,вызванный недостатком алкоголя в крови...



Achiever | Post: #332011 - Date: 17.10.11(19:02)
заводится эта балалайка,допустим,
в районе сотни МГц...а дольше цепляет и переваривает очень
широкий спектр эфирного мусора...(эфирного-это радиоэфирного!)...
Если бы не одно НО!...
Срёт она в эфир с таким же энтузиазмом.
Что-то не заметно там функциональных узлов для такиого широкого набора действий, как:

цепляет;

переваривает;

срет (!) 😕 😎


jonifer | Post: #332019 - Date: 17.10.11(19:14)
а принцесса сегодня обещала кастинг на заряде в 19-20 - померла?


[ 1 | 2 | 3 | 4 | 5 | 6 | 7 | 8 | 9 | 10 ] [>
Тема закрыта. Добавление новых сообщений невозможно.
Форум - Резонансные генераторы - Прочие резонансные генераторы - То ли генератор, то ли приемник Принцессы - Стр 1

🏠 Главная | 📚 Содержание | 💬 Форум | 📁 Файлы | 📩 Контакт