Первый пост темы: missioner Post: #354949 От:04.03.2012 (13:16) Некоторое время назад я сообщал о своём трансформаторе,на котором я получил(?) СЕ. Ниже выкладываю дополненный текст своей статьи из файлов,где описал этот случай. Читать начиная с четвёртой страницы.Ну а если не сразу понятно о чём речь то читать с самого начала. Было бы хорошо если админ поменял оригинал из файлов на этот переработанный документ
Документ в двух вариантах,Ворд 2007 и PDF
Не помню, вчера было,около 1,3 квт,ампер 6-7 наверно, смотрел мощность по "Энергомере",помню что почти совпадало с простым перемножением тока из сети на напряжение.
Сейчас надо думать первый транс подключить последовательно с розеткой, по схеме автотрансформатора, только как токовый... Чтобы ток второго трансформатора добавлял к напряжению из розетки вольт 300. Запускать видимо надо будет кратковременной козой первого транса, получится или нет не знаю ещё, для чего думаю понятно, но сегодня лень. Возможно что нижние концы от второго транса один из которых идёт через конденсатор подключать к автотрансформатору надо будет поменяв местами а не как на схеме хотя по логике должно быть именно так как нарисовал.... Или переставить конденсатор на правый конец автотрансформатора.
В варианте где автотрансформатор параллельно розетке я тоже думал что надо как в схеме с лампой подключать а на деле оказалось что если местами поменять то резонанс ещё сильнее. Тогда и пришла мысль что в резонансной схеме ведущую роль играет цепь с конденсатором...
В любом случае разочарование надо оттягивать,отодвигать на последующие дни...
Размер: 28.38 KB
_________________ Здесь хранится СЕ суперавтотрансгенератор
https://www.skif.biz/index.php?name=Forums&file=viewtopic&p=875842#875842
https://disk.yandex.ru/d/T_H9tIHpXVb8dw
Дополненная версия с видео: https://disk.yandex.ru/d/RUQMOtXIHzRo7Q
JnoVa Пост: #843745 От 30.Oct.2023 (09:45)
Обрати внимание - начинают греться провода идущие к розетке и резко растёт потребление. И что тут хорошего? Нет, пока ничего необычного нет.
Но большое спасибо Миссионеру, за настойчивость и открытость.
- ну если сечение проводов не подходит, то и греются.
Вопрос то не в том...
[ответить][с цитатой]
Ну чё,проверил я схему из крайнего своего поста.Хрень полная. Правильная именно такая как нарисовано ибо если местами провода поменять как в посте предполагал то вся схема затихает насмерть,ниже травы,тише воды. Но... в правильном варианте всё равно резонансные токи невозможно поднять выше 21-го ампера. И хотя напряжение и на крайних выводах автотрансформатора и в сети равно примерно 220 вольт но в сумме всё равно на первичке второго транса только те же самые 220 вольт,т.е. сдвиг фаз между сетевым напряжением и напряжением на автотрансформаторе видимо равен 90 градусам,если я правильно понимаю. Пробовал автотрансформатор и на верхнее плечо ставить переделав его в трансформатор толку ноль, резонансные токи не возрастают выше 21-го ампера,хоть как подбирай конденсаторы. Пришлось вернуться к изучению нижней схемы из этого поста как наиболее резонирующей. Подобрал конденсатор чтобы ток вырос до сорока ампер, напомню что добавлением ёмкости резонансный ток ещё более увеличивается, как уже писал достигал кратковременно величины в 65 ампер но в этот раз ограничился 42-мя амперами чтобы провести детальные замеры...Стал проверять вновь напряжения в первичке второго трансформатора чтобы сравнить его с сетевым на автотрансформаторе,как уже писал,хотя они и параллельны но заметна разница в напряжениях видимо из за сопротивления соединительного провода.... Пока прилаживал щуп стрелочной цешки потому как цифровые мультиметры там сгорают,остались только клещи, увидел дым выходящий из трансформатора.... Пришлось выключить схему Всего то поработала секунд двадцать. Прикасание к дополнительной оранжевой обмотке намотанной поверх обмотки трансформатора для создания разницы в витках между первичкой и вторичкой, можно её увидеть на видео, показало что изоляция очень сильно нагрелась... После выключения через небольшое время нагрелась и картонная изоляция на втором плече,видимо тепло нагретой обмотки прогрело её насквозь. Вот такое се ля ви...
Кто имеет возможность еобходимо эту схему
проверить на трансформаторе где обе обмотки второго транса расположены друг на друге а не как у меня на разных кернах.... Предполагаю что эффективность должна вырасти намного ибо не будет рассеяния полей....... Самое главное что резонанс тем сильнее чем больше ёмкость конденсатора.
_________________ Здесь хранится СЕ суперавтотрансгенератор
https://www.skif.biz/index.php?name=Forums&file=viewtopic&p=875842#875842
https://disk.yandex.ru/d/T_H9tIHpXVb8dw
Дополненная версия с видео: https://disk.yandex.ru/d/RUQMOtXIHzRo7Q
напомню что добавлением ёмкости резонансный ток ещё более увеличивается, как уже писал достигал кратковременно величины в 65 ампер....
Самое главное что резонанс тем сильнее чем больше ёмкость конденсатора.
- при одной и той же индуктивности и частоте резонанс наступает при определенном значении емкости. Т.е. вполне возможна ситуация, когда увеличение емкости как раз будет удалять тебя от точки резонанса....
ты концы тут не перепутал?
По логике предыдущей картинки (с лампочкой)
кондер долен цепляться на входной провод (220в),
а вместо него конец первички Тр2.
Иначе окудда там 300в а не 220в?
ты концы тут не перепутал?
По логике предыдущей картинки (с лампочкой)
кондер долен цепляться на входной провод (220в),
а вместо него конец первички Тр2.
Иначе окудда там 300в а не 220в?
Вот как раз это и хотел вчера перепроверить,напряжения,может,думаю,не там подключил щуп,скорее всего проверил напругу на вторичке по ошибке.. Ну а схема в варианте как с лампочкой меньше резонирует, резонансные токи не так сильно подпрыгивают, а такое не совсем понятное как работает подключение самое то... и причём увеличение ёмкости резонансный ток только усиливает,ну это свойство феррорезонанса запустив его мы можем увеличивать ёмкость и от этого резонанс не сбивается а только звереет,в отличие от обычного резонанса... На видео же из поста [ссылка] хорошо слышен резкий звук который свойственен феррорезонансу. И ещё, если верхний провод автотрансформатора отключить то резонансный ток тоже меньше,к примеру,утром проверил, с полным подключением автотрансформатора ток 48 ампер а если верхний провод от него отключаю то только 36. Буду продолжать сегодня.
Добавка: Вариант как с лампочкой тоже работает но для перехода в режим феррорезонанса оказалось надо было добавить ёмкость. В любом варианте наличие автотрансформатора(токового) очень положительным образом сказывается на резонансных токах. Для возникновения 60-амперного тока потребовалось 450 мкф в схеме не как с лампочкой.
Пока закончу этот опыт с циркулирующей мощностью,надо попробовать вариант токового авто или просто трансформатора внедрить в давней схеме параллельного резонанса или феррорезонанса в первичке, посмотреть какой эффект он даст в той схеме.
_________________ Здесь хранится СЕ суперавтотрансгенератор
https://www.skif.biz/index.php?name=Forums&file=viewtopic&p=875842#875842
https://disk.yandex.ru/d/T_H9tIHpXVb8dw
Дополненная версия с видео: https://disk.yandex.ru/d/RUQMOtXIHzRo7Q
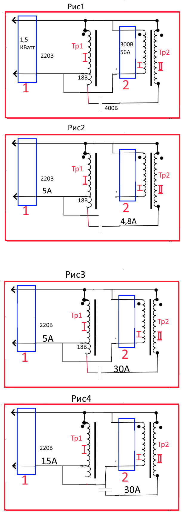
Нет,ещё провёл кое-какие уточняющие эксперименты. Первые два рисунка говорят о том что в схеме с конденсатором происходит именно последовательно-компенсационный резонанс.Было так:
Неожиданно стало выбивать пробку. Что делать? Первым делом начал уменьшать ёмкости, до того момента пока пробку выбивать не перестало. Начал мерить токи из розетки и через конденсатор. Оказалось через конденсатор течёт меньше чем из розетки. Стал искать в соединениях и обнаружил что отпал провод соединяющий первичку Тр2 с автотрансформатором. Т.е. получалось так что в этом случае начинался обычный последовательный резонанс цепи: ИП-конденсатор-вторичка Тр2-ИП. И пробка уже не выдерживала этот ток который с большой ёмкостью увеличивался далеко за сорок ампер. Ну а почему ток из розетки был больше чем через конденсатор,надеюсь понятно, в цепи есть автотрансформатор. Восстановление соединения первички Тр2 с автотрансформатором вернуло всё на место,наведённый ток первички Тр2 стал компенсировать ток который иначе шёл бы через розетку,или иначе и правильнее-- заворачивать ток последовательного резонанса и пропускать его через себя разгружая источник питания-в моём случае сеть. Этот факт и изображён на первом и втором рисунках.
Далее решил проверить насколько наличие автотрансформатора влияет на другие характеристики потребления из розетки? Об этом свидетельствуют данные замеров изображённые на рисунках 3 и 4. На четвёртом рисунке как понятно автотрансформатор не задействован. Подобрал ёмкости так чтобы ток последовательно--компенсационного резонанса через конденсатор был одинаковый и посмотрел какой при этом ток идёт из розетки. Результаты видите сами,15-амперный ток из розетки видимо носил в основном реактивный характер потому как у меня пробки не выдерживают уже 2 киловатта активной мощности. из сети.
Итоговые выводы из опытов:
Схема с конденсатором на резонанс должна быть именно такой как на первом рисунке Должны присутствовать два трансформатора один из которых
токовый
автотрансформатор 1 а второй понижающий
(почему понижающий понятно из моих предыдущих постов,на схеме он выглядит как обычный повышающий трансформатор с очень маленьким коэффициентом трансформаций, на моём 220 вольт на первичке, 238 примерно на вторичке)
суперавтотрансформатор2 с очень большим коэффициентом трансформаций когда на входе подаём 220 вольт а на выходе имеем около 12-13 вольт. Если на втором трансформаторе обе обмотки одинаковые то польза(размах резонансных токов) невелика.
Ну и исходя из того как должны были бы протекать резонансные токи последовательного резонанса сеть- конденсатор,вторичка Тр2 становится понятным почему лучше показывает себя схема не как с лампочкой.
Зная это последователи могут внести свои идеи как ток из розетки сделать ещё меньше. Первая мысль такая что обе обмотки второго повышающего трансформатора(он же понижающий суперавтотрансформатор, он создаёт нам большие токи мгновенно,без накоплений) должны располагаться друг над другом,на одном керне(но я могу и ошибиться).
Да.. Что ещё надо добавить. Обмотки на Тр2 изначально были рассчитаны чтобы 220 вольт без насыщения выдерживать без практически наличия тока холостого хода будучи соединёнными согласно-последовательно. В том виде как я их запитываю на схеме если бы дал 220 вольт только на одну обмотку то там появляется ток ХХ около половины ампера, т.е. уже немного пересекается грань насыщения ... Видимо поэтому у меня быстро проявляется феррорезонанс.
Размер: 137.63 KB
_________________ Здесь хранится СЕ суперавтотрансгенератор
https://www.skif.biz/index.php?name=Forums&file=viewtopic&p=875842#875842
https://disk.yandex.ru/d/T_H9tIHpXVb8dw
Дополненная версия с видео: https://disk.yandex.ru/d/RUQMOtXIHzRo7Q
Пытался всё-таки запустить схему с автотрансформатором.изображённую на этом рисунке что ниже. При кратковременном замыканий большей части автотрансформатора запустить можно, через конденсатор начинает течь резонансный ток до 40 ампер при соответствующей ёмкости в 400мкф. Но проявляет себя странный эффект о котором я и раньше писал. Между витками шины токовой обмотки автотрансформатора пробивает изоляцию из матерчатой изоленты и появляется дуга как будто там вольт 500 или больше и резонансный ток при этом спадает. Появляется эта дуга даже если уменьшаю резонансный ток ёмкостью конденсатора до 20 ампер. Токовая обмотка это всего 18 витков шины. При искре или без неё на концах этой шины всего лишь около 10 вольт.
Но такая дуга не появляется даже если в первой схеме из предыдущего поста я довожу резонансный ток до 50 или больше ампер. А автотрансформатор а стало быть и шина та же. И напряжения на концах шины не намного отличаются. Я не могу найти такому явлению объяснения. Всего лишь около 10 вольт на концах а межвитковая дуга в одном случае появляется во втором нет,хотя токи намного сильнее, почти в три раза.
Размер: 28.38 KB
_________________ Здесь хранится СЕ суперавтотрансгенератор
https://www.skif.biz/index.php?name=Forums&file=viewtopic&p=875842#875842
https://disk.yandex.ru/d/T_H9tIHpXVb8dw
Дополненная версия с видео: https://disk.yandex.ru/d/RUQMOtXIHzRo7Q
Подобная же хрень наблюдается если пытаюсь этот автотрансформатор с токовой обмоткой врезать так же последовательно как в предыдущем посте в нагруженный трансформатор с параллельным резонансом на первичке,там иногда между витками проскакивают такие искры как будто разряжается конденсатор,с таким же треском. Может быть это как то связано с тем что токовые обмотки сделаны из широкой(относительно) шины.Не знаю.
Однако из всех опытов делаю пока один вывод: по потреблению из сети схема из рисунка 1 из поста [ссылка] при очень больших резонансных токах является самой эффективной и экономичной и не выдаёт при этом никаких дуг между токовыми витками..
_________________ Здесь хранится СЕ суперавтотрансгенератор
https://www.skif.biz/index.php?name=Forums&file=viewtopic&p=875842#875842
https://disk.yandex.ru/d/T_H9tIHpXVb8dw
Дополненная версия с видео: https://disk.yandex.ru/d/RUQMOtXIHzRo7Q
Есть предположение почему в одном случае дуга на шине появляется а в другом нет.
В одном случае согласование участков схемы такое что напряжение на двух концах шины приложенное от других участков оказывается в разы больше напряжения при котором обмотка из шины переходит в насыщение а это всего лишь десять вольт и из за этого на нём происходит резкое изменение индуктивности со всеми вытекающими последствиями, такими как скачки напряжения между соседними витками сопровождающиеся пробоем. Т.е. токовая обмотка в этом случае оказывается нагрузкой на которую наваливается вся энергия имеющаяся в схеме. А из за того что эти скачки мгновенные то их моя стрелочная Цешка не замечает и показывает на концах шины только около 10 вольт а мультиметры подключаемые к шине сгорают, даже если выставляю предел 750 вольт.
Во втором случае хотя и токи через шину под 60 ампер но шина выполняет именно роль всего лишь токовой обмотки на её концы не прикладывается напряжения больше чем 10 вольт а вся энергия имеющаяся в схеме наваливается на другой её элемент а именно на второй трансформатор(суперавтотрансформатор) и на нём и токи и резонансные напряжения максимальные. Поэтому в этом случае на токовой обмотке автотрансформатора не возникает скачков индуктивности и связанных с ним скачков напряжения. Т.е. это самая правильная и хорошо согласованная схема для получения последовательно-компенсационного резонанса.
Или ещё короче:
В одном случае токовая обмотка автотрансформатора является одновременно и участком на который наваливается если не вся то изрядная доля мощи схемы хотя токи при этом и не такие большие и тогда она искрит и возмущается.
Во втором случае она выполняет только положенную ей роль трансформатора тока без проблем пропуская через себя в разы большие токи чем в первом случае.
Наверно обе функций, оба результата можно использовать в зависимости от того чего мы хотим достичь но изоляция должна для этого быть хорошей. Не знаю, хватит ли у меня духа начать для этого разбирать монстра у которого и листы покрылись ржавым налётом от времени,я даже знаю зачем это нужно попробовать сделать, улучшив изоляцию. Но такая матерчатая изолента что на нём сейчас заставила дойти до такого вывода. Ну а пока надо снять часть мощи которая в первом случае попадает на токовую обмотку автотрансформатора подключив к другой её обмотке какую-нибудь нагрузку,этим самым искрение исчезнет(но и пользы не будет).
_________________ Здесь хранится СЕ суперавтотрансгенератор
https://www.skif.biz/index.php?name=Forums&file=viewtopic&p=875842#875842
https://disk.yandex.ru/d/T_H9tIHpXVb8dw
Дополненная версия с видео: https://disk.yandex.ru/d/RUQMOtXIHzRo7Q
Выложил дополненную статью по результатам последних исследований и наблюдений на Скайтехе: [ссылка]
Непосредственная ссылка на статью: [ссылка]
Читать после Дополнений,с 7-ой страницы, что написано до этого уже есть в первой статье. Привёл вариант, идею которая может помочь вытащить циркулирующую сверхмощность из трансформатора. Похоже что непосредственная ссылка не всегда открывается.Но после захода на сайт внизу второго моего там сообщения скачать можно
_________________ Здесь хранится СЕ суперавтотрансгенератор
https://www.skif.biz/index.php?name=Forums&file=viewtopic&p=875842#875842
https://disk.yandex.ru/d/T_H9tIHpXVb8dw
Дополненная версия с видео: https://disk.yandex.ru/d/RUQMOtXIHzRo7Q
missioner Пост: #845205 От 18.Nov.2023 (15:40)
Выложил дополненную статью по результатам последних исследований и наблюдений на Скайтехе: [ссылка]
Непосредственная ссылка на статью: [ссылка]
Читать после Дополнений,с 7-ой страницы, что написано до этого уже есть в первой статье. Привёл вариант, идею которая может помочь вытащить циркулирующую сверхмощность из трансформатора. Похоже что непосредственная ссылка не всегда открывается.Но после захода на сайт внизу второго моего там сообщения скачать можно
///////////////////////////////
Жаль, что нет ни одной осциллограммы. По ней можно было бы сразу узнать возбуждается ли феррорезонанс (а он может возникать и на кратных частотах). Однозначно можно сказать, что здесь эффект не за счет электрического резонанса, слишком низкая частота.
[ответить][с цитатой]
edvid Пост: #845259 От 19.Nov.2023 (00:46)
.
Жаль, что нет ни одной осциллограммы. По ней можно было бы сразу узнать возбуждается ли феррорезонанс
Если про феррорезонанс то однозначно могу сказать что в большинстве опытов он у меня был в опытах. Просто скорее всего не полный. а как нагрузка на другом трансформаторе который перенасыщался.. Без него резонанс сбивался бы сразу как только я добавляю ёмкостей,при этом резонанс только усиливается,слышно же и на видео какой резкий звук издаёт трансформатор. Ну и почему выходит из строя уже второй мультиметр выставленный на измерение напряжений до 750 вольт при подключений к обмотке на которой простая стрелочная цешка показывает всего лишь около 10 вольт? И нетребовательность феррорезонанса к значению ёмкости значительно облегчает работу... Но он же ещё и прожорлив...сссука. Кстати,на видео про параллельный феррорезонанс:
хорошо видно когда есть простой параллельный резонанс в первичке и напряжение возникающее при этом на вторичке подаю на другой трансформатор который перенасыщается при этом и собственно идеальный феррорезонас когда трансформатор резонирует сам по себе, без нагрузки,при этом и ток то не особо сильный. Но и тогда не возникало таких, в три с лишним раза, 60 с лишним ампер,больших токов которые получились у меня при последовательно-компенсационном резонансе. Но это скорее всего просто от того что в опыте из видео я ограничивал потребление из розетки используя ограничительный конденсатор между сетью и схемой в 30 Мкф,и там тоже был свой ,последовательный резонанс.
Думаю что при новом(поправьте меня если я не прав), нигде ещё не описанном,последовательно-компенсационном резонансе можно достичь ещё более сильных токов в контуре не вводя сердечник в насыщение. Ведь проходящие при нём по обмоткам трансформатора токи противоположны друг другу и не дадут ему перенасытиться хоть и при 80 а то и 100 с лишним амперах,всё зависит от разницы в количестве витков в обмотках. Но это если обе обмотки суперавтотрансформатора расположены на одном керне а не так как у меня, на разных кернах О-образного трансформатора.В моём случае происходило перенасыщение и выбрасывание полей из сердечника, показывал же как при последовательно-компенсационном резонансе к трансформатору притягивается стальной плафон лампы.
_________________ Здесь хранится СЕ суперавтотрансгенератор
https://www.skif.biz/index.php?name=Forums&file=viewtopic&p=875842#875842
https://disk.yandex.ru/d/T_H9tIHpXVb8dw
Дополненная версия с видео: https://disk.yandex.ru/d/RUQMOtXIHzRo7Q
Мисс, и все остальные, а самого того файла из симулятора от Иеронима не осталось? Я свой и его модификации потерял в своём мусоре на компьютере.
[ответить][с цитатой]
- Правка 20.11.23(00:25) - ФEME
Вроде применение эффекту циркулирующей мощности нашёл. Синхронный электродвигатель с магнитным ротором. Обмотки статора понятно как расположены. На одной витков немного побольше, подключить по схеме суперавтотрансформатора с резонансным конденсатором и чтобы поля обмоток на статоре были встречные... Второй вариант, более правильный, обмотки на роторе, статор-магнит. Огромные токи последовательно-компенсационного
резонанса создадут сильное магнитное поле и сильный крутящий момент, т.е. мощность.
Размер: 181.94 KB
Размер: 150.29 KB
_________________ Здесь хранится СЕ суперавтотрансгенератор
https://www.skif.biz/index.php?name=Forums&file=viewtopic&p=875842#875842
https://disk.yandex.ru/d/T_H9tIHpXVb8dw
Дополненная версия с видео: https://disk.yandex.ru/d/RUQMOtXIHzRo7Q
И тут вспомнил, что я эти обмотки половину темы уже мучал, [ссылка] правда конденсатор подключал в другом месте чем сейчас и все опыты производил на другом монстре который сейчас подпалил межвитковыми искрениями в толстой шине. Интересно ещё то что искренние в обеих обмотках-шинах происходило почему то не на всех сторонах обмотки а только на той что находятся с нижней стороны сердечника.
Только прежний вариант был обычным последовательным феррорезонансным и обе обмотки я делал одинаковыми благодаря чему подключение нагрузки не увеличивало потребление из источника питания и при этом сам резонансный ток полностью проходил через источник питания а сейчас он уже благодаря перемене места установки резонансного конденсатора превратился в компенсационно- последовательный.
Видимо теперь надо придумать что то на комбинаций двух вариантов
_________________ Здесь хранится СЕ суперавтотрансгенератор
https://www.skif.biz/index.php?name=Forums&file=viewtopic&p=875842#875842
https://disk.yandex.ru/d/T_H9tIHpXVb8dw
Дополненная версия с видео: https://disk.yandex.ru/d/RUQMOtXIHzRo7Q
AlexKP Пост: #843740 От 30.Oct.2023 (09:29)
Если все это так, то самое реальное в данной системе вывести часть из этих 15кВт в виде тепла.
Но для этого обмотки нужны трубчатые - чтобы пропускать охлаждающую жидкость.
Не знаю, возможен ли такой конструтив (нужно ведь необходимое количество витков при этом обеспечить), но эффект был бы просто потрясающим, если бы удалось получить хотя бы коэф. 1:3 например.
Представь себе, что при осуществлении термояда (если получится, что не факт) надеются получить примерно 200 ватт тепловой энергии на вложенный киловатт электрической.
Т.е. 1:1.2 А сколько лярдов уже вложили и еще вложат?
Так шта...
Кстати ,проверил твою мыслю. специально запитал исправного нового монстра со схемой:
от 28 вольт чтобы он не переходил в феррорезонанс как при запитываний 220-ю вольтами, подобрал конденсатор для нормального последовательно-компенсационного резонанса,
Вначале проверил разницу в потреблений тока от источника при обмотках с одинаковым количеством витков и обмотках с немного разным количеством витков. При одинаковых обмотках при циркулирующем резонансном токе 12 с лишком ампер ток из источника был 1 с лишним ампер, и потребление из розетки системы 60 ватт(Надо помнить что питающий эту схему трансформатор тоже сколько то из этих ватт потребляет, я потребление смотрю по мощности поступающей в дом со столба возле дома измеряемой счётчиком "Энергомера" повешенной на самой макушке столба, показывал его беспроводной терминал в доме в своих видео). Если обмотка без конденсатора была с немного большим количеством витков чем резонансная то потребление 4 ампера при резонансном токе 16 ампер, пожираемая мощность около 170 ватт. Обратный вариант не успел проверить,полночь на носу,спать надо.
Суть такая что при равном количестве витков потребление тока из источника минимальное,и мне думается будет ещё меньше, НАМНОГО ДАЖЕ МЕНЬШЕ ЧЕМ ПРИ ПАРАЛЛЕЛЬНОМ РЕЗОНАНСЕ В ПЕРВИЧНОЙ ОБМОТКЕ ПРИ НАГРУЖЕННОЙ ВТОРИЧНОЙ ОБМОТКЕ, если обе обмотки расположить друг на друге ВЕДЬ ТОГДА НЕ БУДЕТ НИКАКИХ ВЫБРОСОВ ПОЛЕЙ РАССЕЯНИЯ А СООТВЕТСТВЕННО И ЭНЕРГИЙ ЗА ПРЕДЕЛЫ СЕРДЕЧНИКА,но тогда наверное, а скорее всего не обязательно, придётся делать небольшую разницу в витках, возможно что с одинаковым числом витков в резонанс не вгонишь а я на 98 процентов уверен что не факт,
если знать механизм возникновения этого нового вида резонанса, возможности проверить это пока нет.
Оставил работать в резонансе с одинаковым числом витков, при потреблений 60 ватт. Проверил через полчаса нагрев. Обмотки,точнее одна из них,которая к источнику подключена напрямую, нагрелась и стала достаточно тёплой. Но вторая на другом керне, к которой был подключен резонансный конденсатор, как была холодной так и осталась почти такой же холодной как была но на нём резонансное напряжение было около 70 вольт.. А ток то, практически одинаковый, шёл по обеим катушкам намотанным одинаковым проводом. Как бы ни объяснялся сей факт но от 60 ватт потребления такая здоровая обмотка на мой взгляд так нагреться не могла. Но от 28x12=336 ватт вполне и даже сильнее чем получилось. Вывод видимо надо делать такой что считать что твоя мысль верная и практически доказанная.
Сегодня же надо перепроверить ФАКТ АНОМАЛЬНОЙ РАЗНИЦЫ В НАГРЕВЕ ОДИНАКОВЫХ ОБМОТОК с одинаковым током по ним. Возможно что обмотка успела нагреться раньше, когда проверял с разным количеством витков, тогда была разница в токах по обмоткам.
_________________ Здесь хранится СЕ суперавтотрансгенератор
https://www.skif.biz/index.php?name=Forums&file=viewtopic&p=875842#875842
https://disk.yandex.ru/d/T_H9tIHpXVb8dw
Дополненная версия с видео: https://disk.yandex.ru/d/RUQMOtXIHzRo7Q
Разобрался во многом, понял почему именно первая схема из поста: [ссылка] показывает самые эффективные результаты, понял что нужно сделать чтобы она выдала ещё большие мощности циркулирующего тока при не очень большом потреблений. И разобрал старый монстер-транс для ремонта и усовершенствования, кто помнит он стал искрить межвитковыми замыканиями в токовой всего лишь десятивольтрвой для насыщения, обмотке...
Оказалось, я сам того вовремя не поняв, просто сильно модернизировал одну из предыдущих своих схем для организаций СЕ- мощностей в трансформаторах.Если будут желающие то могу выложить или здесь или добавив текст в своей дополненной статье сделав ещё одну дополненную версию. Пока же подожду, посмотрю, будут ли желающие т.с-зть.... приобщиться( чуть не написал--- причаститься, прости Господи).😊😊😊
_________________ Здесь хранится СЕ суперавтотрансгенератор
https://www.skif.biz/index.php?name=Forums&file=viewtopic&p=875842#875842
https://disk.yandex.ru/d/T_H9tIHpXVb8dw
Дополненная версия с видео: https://disk.yandex.ru/d/RUQMOtXIHzRo7Q
какая цель? получить большую величину силы тока при небольшом напряжении,какможно бОльшую на которую способен питающий транс? получить бОльшую моШнчность чем на входе? Поискать что то эдакое в трансформаторах? Вы теряете время
Цель, получить огромные токи и синфазные с ними огромные напряжения имея на входе минимальные токи и минимальные напряжения. Мгновенно. Без накапливания. Цель достигнута, неоднократно, теперь цель добиться большей эффективности.
_________________ Здесь хранится СЕ суперавтотрансгенератор
https://www.skif.biz/index.php?name=Forums&file=viewtopic&p=875842#875842
https://disk.yandex.ru/d/T_H9tIHpXVb8dw
Дополненная версия с видео: https://disk.yandex.ru/d/RUQMOtXIHzRo7Q
missioner Пост: #845442 От 23.Nov.2023 (14:52)
Цель, получить огромные токи и синфазные с ними огромные напряжения.
Ну это получается увеличить энергию. Получить её. А откуда она возьмётся. Из провода она не пойдёт. Вы теряете время.
Либо вы скатываетесь к схеме где вы будете бить напряжением по обмотке в кооторой уже есть допустим 20 ампер. В которой 20 ампер и 1 вольт. А вы будете лупить по ней 500 вольт при 0.1 ампер. В итоге не получится 20 ампер и 500 вольт. Нет.
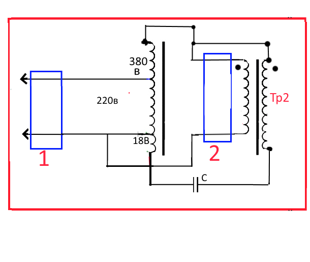
spaceon Пост: #845444 От 23.Nov.2023 (14:57)
/// В итоге не получится 20 ампер и 500 вольт. Нет.
Cкажи,сколько ватт проходящей со стороны верхнего трансформатора к нижнему мощности покажет ваттметр установленный в красном прямоугольнике ? Считай что конденсатора в схеме нет. И считай что трансформаторы рассчитаны и сделаны так чтобы без проблем передавать 10 Квт. Имей в виду,аналогичные схемы проверены.
Размер: 59.79 KB
_________________ Здесь хранится СЕ суперавтотрансгенератор
https://www.skif.biz/index.php?name=Forums&file=viewtopic&p=875842#875842
https://disk.yandex.ru/d/T_H9tIHpXVb8dw
Дополненная версия с видео: https://disk.yandex.ru/d/RUQMOtXIHzRo7Q
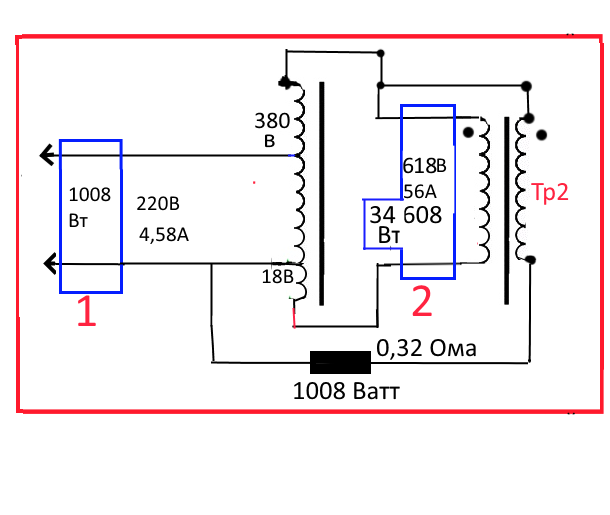
Вот так, стала понятна роль автотрансформатора в схеме,почему с ним результаты поразительно-впечатляющие. Выдаёт огромный ток 18-вольтовой обмоткой и большое напряжение всеми витками . Всё наваливается на второй трансформатор. Тот тоже выдаёт большой ток и становится понятным почему нижние его концы с конденсатором должны подключаться совсем не так как с лампочкой, почему именно при таком подключений получается очень сильные токи в контуре, для того чтобы совпали фазы токов от 18-вольтовой обмотки автотрансформатора и собственного компенсационно-последовательного резонансного тока. Ниже вариант с лампочкой-резистором..
Размер: 34.18 KB
Размер: 43.50 KB
_________________ Здесь хранится СЕ суперавтотрансгенератор
https://www.skif.biz/index.php?name=Forums&file=viewtopic&p=875842#875842
https://disk.yandex.ru/d/T_H9tIHpXVb8dw
Дополненная версия с видео: https://disk.yandex.ru/d/RUQMOtXIHzRo7Q