[ВХОД]

🏠 Главная | 📚 Содержание | 💬 Форум | 📁 Файлы | 📩 Контакт

📱 | 🖨️

Форум - Прочие идеи (разные) - Схемотехника - Коротенькие но мощные импульсы - Стр:12
<] [ 1 | 2 | 3 | 4 | 5 | 6 | 7 | 8 | 9 | 10 | 11 | 12 | 13 | 14 | 15 | 16 | 17 | 18 | 19 | 20 | 21 | 22 | ... | 65 ] [>
Модератор: dedivan
Первый пост темы: dedivan Post: #804578 От:08.10.2022 (21:26)
Про схемотехнику получения коротких мощных импульсов в пределах домашних самоделок.
Заодно про практическое применение таких импульсов.
Виталя | Post: #814886 - Date: 19.12.22(23:25)
Благодарю ДедВаня. -SV-, я так и подозревал.

_________________
С ув. Виталий.



rezoner | Post: #814891 - Date: 19.12.22(23:37)
-SV- Пост: 814883 От 19.Dec.2022 (23:06)
Виталя Пост: 814780 От 19.Dec.2022 (16:06)
.. попал в руки Li-Ion 18650 8800 mAh ..


не трать время , в нем изначально новом лития на 300 mAh .

Вроде 900 намеряли. Парень лет 5 назад тестировал желтенькие 18650 с макировкой 9800мАч


MSN | Post: #814892 - Date: 20.12.22(00:32)
Виталя Пост: 814780 От 19.Dec.2022 (16:06)
ДедВаня, тут мне попал в руки Li-Ion 18650 8800 mAh 4,2V. Правда подозрительно лёгкий. После полного заряда, дохнет минут за 15-20 при работе в налобном фонарике. Хочу "подрочить" его твоим лавинником. Можешь полную схему экспа нарисовать? Как заряжаешь? Просто лавинником? Обычным зарядным, с разрядными импульсами? Схема эта? Или "мудифицированная"? АКБ вместо резистора 10 Ом стоит?


Привет Виталя, все эти 8800, 9900 это шляпа, сделанная шаловливыми ручки дядюшки Ляо, они "переодевают" хорошо если 1000мА*ч, а то и всего 500 мА*ч.
Ничего ты с ним не сделаешь, он рожденный мертвым. ЕЩЕ: Для любого Аккума ОЧЕНЬ важно его не разряжать в ноль. Если схема без защиты от перезаряда, и глубокого разряда, то пару посадок в ноль и он теряет емкость, увеличивается внутреннее сопротивление. Для начала тебе нужен тестер и резюк 5-8 Ома, чтобы получить ток (0,5-1,0 )А.
Измерь емкость и внутреннее сопротивление. ПО этим двум параметрам можно о многом сказать об акуме.
Если аккум 3,7В, то полностью заряженным он должен быть при 4,2В а разряжать можно до 2,5В но лучше не ниже 3В, дольше проживут.
Вот исходя из этих цифр, измерь емкость и внутреннее сопротивление и можно будет выдать диагноз.

_________________
Говорите говорите, я всегда зеваю когда мне интересно. 99,9% всех СЕ устройств, - от неправильных измерений



Виталя | Post: #814893 - Date: 20.12.22(01:30)
MSN Пост: 814892 От 20.Dec.2022 (00:32)
Привет Виталя, все эти 8800, 9900 это шляпа, сделанная шаловливыми ручки дядюшки Ляо, они "переодевают" хорошо если 1000мА*ч, а то и всего 500 мА*ч.
Да я уже встречал ихние свинцовые от бесперебойников, с надписью "7 А/ч" и "стеклянными пластинами" вместо свинца. "Пощупаю" и этот. 😊 Заодно хочу обычные пальчиковые батарейки лавинником обработать. Мало ли чего? Всё равно в мусорку выбрасывать.

_________________
С ув. Виталий.



Antek | Post: #814895 - Date: 20.12.22(01:48)
Там не только меньший вес,но и смещение его относительно длины.Реально в два раза более короткий акум поместили в корпус от 18650

_________________
А вы друзья как не садитесь-все в музыканты не годитесь.



MSN | Post: #814896 - Date: 20.12.22(01:54)
солевые точно можно восстанавливать, несколько раз точно, не до полной емкости правда, причем тем чаще, чем менее разряжаются. Чистая химия, никакого мошенничества.
YouTube: Смотреть видео

YouTube: Смотреть видео

_________________
Говорите говорите, я всегда зеваю когда мне интересно. 99,9% всех СЕ устройств, - от неправильных измерений



VVM | Post: #814898 - Date: 20.12.22(02:43)
MSN Пост: 814896 От 20.Dec.2022 (01:54)
солевые точно можно восстанавливать, несколько раз точно, не до полной емкости правда, причем тем чаще, чем менее разряжаются. Чистая химия, никакого мошенничества.


Там, не только и не столько нужно не сиьно не разряжать, а подзаряжать как можно быстрее, после разряда.
При чем эффективней подзаряд, при сильно толковых разряда, типа, фотовспышек или тонометр.
А с часами, дело сложнее.
Там, элемент, скорее высыхает, чем уходит химия.

_________________
Владимир \"2 процента людей — думает, 3 процента — думает, что они думают, а 95 процентов людей лучше умрут, чем будут думать\"



6464 | Post: #814905 - Date: 20.12.22(06:44)
dedivan Пост: 814788 От 19.Dec.2022 (16:34)
...Недельку в таком режиме пусть постоит...

Наверно не лишним будет проговорить, что перед "лечением" литиевого акк, его необходимо полностью зарядить. И следить за остаточным напряжением на нем. Может так случиться, что через десяток разрядных импульсов акк будет полностью разряжен. И вместо лечения начнется убивание акк дальнейшими разрядными импульсами.

_________________
Сложно сделать- задачка простая. Просто сделать- задачка сложная.



street | Post: #814918 - Date: 20.12.22(08:19)
VVM Пост: 814898 От 20.Dec.2022 (02:43)
Там, элемент, скорее высыхает, чем уходит химия.

Сейчас некоторые изготовители стали применять пластиковые стаканчики с металлизацией внутри(фольга). Стаканчик прозрачный, "уход" химии визуализирован.

_________________
Главное в мелочах



Antek | Post: #814928 - Date: 20.12.22(09:44)
Обнаружил эффект увеличения сниженной от эксплуатации ёмкости в двух 18650 на 2200(реальные около 1800(было в новых)).Два почти конченных с емкостями 180 и 400- после случайного переразряда до 1,3 и 1,5 в(даже были уже теплые(начинался разогрев)- восстановили прилично ёмкость и причем обое.Точно не измерял,но стало в два раза больше,чем было у лучшего.

_________________
А вы друзья как не садитесь-все в музыканты не годитесь.



street | Post: #814932 - Date: 20.12.22(10:19)
Радиант, ёпта! 😳
Бифиляром разряжал?😕

_________________
Главное в мелочах



Antek | Post: #814933 - Date: 20.12.22(11:15)
Радиантом дедаВаня предлагает-коротенькими,но мощными импульсами.Да и дополнения к моему предыдущему сообщению-акумы не сразу ставил на подзарядку,а через минут 10.При этом напряжение на них до начала заряда поднялось до приблизительно 3,3В.

_________________
А вы друзья как не садитесь-все в музыканты не годитесь.



dedivan | Post: #814934 - Date: 20.12.22(11:19)
6464 Пост: 814905 От 20.Dec.2022 (06:44)
Может так случиться, что через десяток разрядных импульсов акк будет полностью разряжен. И вместо лечения начнется убивание акк дальнейшими разрядными импульсами.

Да, тут главное получить не разряд, а выковыривание застрявших атомов лития из графитовой решетки.
Литиевые акки отличаются от всех других- тем, что переносится сам материал анода на катод. В остальных происходит изменение состава электродов без их переноса.
Например цинк превращается в окись цинка или свинец в окись свинца, но цинк и свинец остаются на месте.

_________________
я плохого не посоветую



street | Post: #814935 - Date: 20.12.22(11:24)
Antek Пост: 814933 От 20.Dec.2022 (11:15)
Радиантом дедаВаня предлагает

Не надо ему приписывать твой собственный бред. dedivan вполне адекватен, пока с вакуумкой не перестарается.
А радиант - он только в твоей бестолковке обитает. Нигде больше не встречается.

коротенькими,но мощными импульсами.

Обычного электротока.

_________________
Главное в мелочах



dedivan | Post: #814936 - Date: 20.12.22(11:24)
VVM Пост: 811383 От 27.Nov.2022 (11:57)
стекло от кинескопов не хотя примать на переработку.

Это ты не туда принес его сдавать. Свинцовое стекло- это чешский хрусталь- на фабрику хрусталя надо тащить сдавать, хрустальных люстр там наделают.

_________________
я плохого не посоветую



dedivan | Post: #814937 - Date: 20.12.22(11:31)
street Пост: 814935 От 20.Dec.2022 (11:24)

коротенькими,но мощными импульсами.

Обычного электротока.

Как бы не совсем обычного. При токе в элементах движутся разные носители, и электроны и протоны и ионы и все с разными скоростями и разной плотностью. Нужно подобрать режим, чтобы успевали приходили только нужные. Кто то плотность большую не может иметь, кто то скорость... кого то на поворотах заносит...
Все физические приборы на таких принципах работают. Никто там руками не двигает, не тормозит, не сортирует.

_________________
я плохого не посоветую



street | Post: #814938 - Date: 20.12.22(11:31)
dedivan Пост: 814934 От 20.Dec.2022 (11:19) В остальных происходит изменение состава электродов без их переноса.
Например цинк превращается в окись цинка или свинец в окись свинца, но цинк и свинец остаются на месте.

Химические источники тока (ХИТ) являются основными источниками питания в автономных, переносных, резервных и т.д. электротехнических и радиоэлектронных устройствах как бытового, так и специального назначения. Однако до сих пор многие явления в ХИТ и вопросы их оптимальной эксплуатации изучены недостаточно. К ним, в первую очередь, можно отнести процессы деградации ХИТ, а именно:

-процессы накопления связанные с эксплуатацией щелочных аккумуляторов. Например: накопление дендритов в сепараторах, накопление водорода в электродах щелочных аккумуляторов, накопление неактивных фаз активного вещества и т.д.;

-тепловой разгон, саморазряд и старение аккумуляторов, которые тесно связаны с отмеченными выше процессами накопления.

Явление теплового разгона (ТР) довольно часто встречается в никель-кадмиевых (НК) батареях, стоящих в буферном режиме в современных самолетах, тем не менее, его природа до сих пор изучена недостаточно. В случае теплового разгона батарея может разогреться, закоротить систему электропитания, что, в свою очередь, часто приводит к выходу из строя различных блоков самолета. В связи с этим, тепловой разгон аккумуляторов в авиации создает аварийные ситуации различной степени сложности, а, по мнению многих специалистов, обслуживающих самолеты, является причиной ряда таинственных катастроф. Тем не менее, до сих пор не ясны причины и источники такого мощного выделения энергии в результате теплового разгона. Не очень ясны причины и условия, приводящие к тепловому разгону.

.

В наших более ранних работах <2–6, 13–15> было показано, что тепловой разгон в никель-кадмиевых (НК) аккумуляторах связан с выделением большого количества водорода. В работах <7, 8>, используя термическое разложение электродов, было доказано, что еще до теплового разгона, водород присутствует в электродах НК аккумуляторов. В данной работе исследуется количество водорода в электродах НК аккумуляторов в зависимости от срока их эксплуатации.


Поговаривают Росси таки продаёт Е-Сат.

_________________
Главное в мелочах



dedivan | Post: #814942 - Date: 20.12.22(11:42)
MSN Пост: 814892 От 20.Dec.2022 (00:32)
измерь емкость и внутреннее сопротивление и можно будет выдать диагноз.

внутреннее сопротивление - хороший показатель, его можно измерять на зарядном и разрядном токе- между ними будет разница- это тоже показатель. И автоматизируется легко и быстро результат, в отличии от измерения емкости.

_________________
я плохого не посоветую



dedivan | Post: #814950 - Date: 20.12.22(13:10)
-SV- Пост: 814883 От 19.Dec.2022 (23:06)

не трать время , в нем изначально новом лития на 300 mAh .

Не всегда. Чаще всего это бывшие в употреблении элементы из ноутбуков или самокатов. Они потеряли емкость как раз из за этого эффекта интеркаляции. Как раз графит любит этим баловаться.
[ссылка]

Вот китайцы их и продают по дешевке. Их как раз и можно восстанавливать- интеркаляция обратимый процесс.
Кроме тех случаев, когда явные подделки втюхивают.

_________________
я плохого не посоветую



олег-джан | Post: #814951 - Date: 20.12.22(13:17)
А где следы от приваренной полосы, если б/у?

_________________
Обьективная реальность-бред,вызванный недостатком алкоголя в крови...



dedivan | Post: #814954 - Date: 20.12.22(13:32)
Китайцы даже микросхемы умеют шлифовать- не отличишь от новых.
И следы припоя удалять на паяных деталях.
Следы сварки еще легче удалить- там ведь цельный материал а не покрытие.

_________________
я плохого не посоветую



MSN | Post: #815032 - Date: 20.12.22(18:21)
Заметил китаи стали баловаться продавая самодельные батареи из модного ЛитицФеррумФосфата, за конские деньги. Тема таже, "переодевают" в новую шкурку БУ, которые берут из автомобильных, или от солнечных электростанций уже отработавших свой рессурс. Очень много претензий о сниженой емкости, поввшенном сопротивлении и тд. А с 18650 это на каждом шагу нужно покупать у проверенного продавца. 9 из 10 продавцов этого товара продают контрафакт или отбраковку...

_________________
Говорите говорите, я всегда зеваю когда мне интересно. 99,9% всех СЕ устройств, - от неправильных измерений



dedivan | Post: #815051 - Date: 20.12.22(19:43)
MSN Пост: 815032 От 20.Dec.2022 (18:21)
А с 18650 это на каждом шагу нужно покупать у проверенного продавца.

Даже у проверенного нужно проверять на внутреннее сопротивление- это быстро и надежно.

_________________
я плохого не посоветую



Виталя | Post: #815066 - Date: 20.12.22(21:00)
dedivan Пост: 815051 От 20.Dec.2022 (19:43)
MSN Пост: 815032 От 20.Dec.2022 (18:21)
А с 18650 это на каждом шагу нужно покупать у проверенного продавца.

Даже у проверенного нужно проверять на внутреннее сопротивление- это быстро и надежно.
А как? Тестером ведь не проверишь. А колхозить в магазине проверочный стенд с нагрузочным резистором и садить АКБ в присутствии продавца, никто не согласиться.

_________________
С ув. Виталий.



Виталя | Post: #815067 - Date: 20.12.22(21:07)
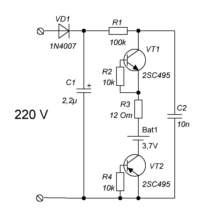
Сварганил сегодня твой лавинник, косо, криво, на "соплях", из случайно завалявшихся в коробке 2SC945. У них лавина начинается приблизительно при 150 В.
Кой чего захватил с собой из разрушенной лаборатории.


Размер: 45.81 KB


Размер: 116.31 KB

_________________
С ув. Виталий.



<] [ 1 | 2 | 3 | 4 | 5 | 6 | 7 | 8 | 9 | 10 | 11 | 12 | 13 | 14 | 15 | 16 | 17 | 18 | 19 | 20 | 21 | 22 | ... | 65 ] [>
У Вас нет прав отвечать в этой теме.
Форум - Прочие идеи (разные) - Схемотехника - Коротенькие но мощные импульсы - Стр 12

🏠 Главная | 📚 Содержание | 💬 Форум | 📁 Файлы | 📩 Контакт