[ВХОД]

31.03.26(17:28)

www.skif.biz

Альтернативная энергия. Оставь надежду, всяк сюда входящий...

🏠 Главная | 📚 Содержание | 💬 Форум | 📁 Файлы | 📩 Контакт

📱 | 🖨️

Форум - Электростатические генераторы - Электростатика - Парадокс - Стр:2
<] [ 1 | 2 | 3 | 4 | 5 | 6 | 7 | 8 | 9 | 10 | 11 | 12 | ... | 17 ] [>
Модератор: missioner
Первый пост темы: missioner Post: #808627 От:06.11.2022 (14:17)
Вот рисунок. Надо поставить вместо вопросительных знаков цифири. Желательно без опытов,чисто теоретически и высказать умозаключение здесь. А потом уже проверять опытом. Що ха херня,рисунок ужимаю-ужимаю один хер ему два экрана нужно.

Суть итога опыта, мы из источника постоянно расходуем энергию,ток, а на конденсаторах её больше не становится

Ведь следующим шагом можно другой кондёр так же перевернуть и вновь в паре дать ток. А если как то можно обратить ход опытов? Нет ли какого то ухищрения которое заставит потечь энергию наоборот, из пары конденсаторов один из которых, который заряжается просто в каждом такте переворачиваем переворачиваем и далее заряжаем источник питания?.... Не пробовал это дело проделывать через индуктивность правда..
missioner | Post:809554 - Date: 11.11.22(07:05)
олег-джан Пост: 809553 От 11.Nov.2022 (06:54)
Где ты пропорцианальность увидел?
Допустим, емкость 1 Фарада для простоты...
В первом случае 50.000 Дж
Во-втором 600000-500000=100.000 Дж...
В первом случае 5000 Дж, во втором Джоулей уже 105000https://avatars.mds.yandex.net/i?id=58aeaedb0d2afdda6f114ebd85b27d6c-5247043-images-thumbs&n=13 Семён Семёныч&#128536;&#128536;&#128536;😊

_________________
Здесь хранится СЕ суперавтотрансгенератор https://www.skif.biz/index.php?name=Forums&file=viewtopic&p=875842#875842 https://disk.yandex.ru/d/T_H9tIHpXVb8dw Дополненная версия с видео: https://disk.yandex.ru/d/RUQMOtXIHzRo7Q


олег-джан | Post:809556 - Date: 11.11.22(07:14)
Да, нолик лишний напечатал..
Таки где пропорциональность?

_________________
Обьективная реальность-бред,вызванный недостатком алкоголя в крови...


missioner | Post:809558 - Date: 11.11.22(07:31)
Там где я писал про пропорциональность я имел ввиду что перед каждым слагаемым должно было стоять C/2. Т.е. надо умножать на это значение чтобы узнать в Джоулях.. Но если будешь сравнивать во сколько раз энергия в первом и втором случае разнится то этот множитель всё равно сократится и разница в разах будет одинакова (21раз) что с этим множителем что без него... Джан, не смеши же людей то... &#128536;&#128536;🙄. Я же институт твой не заканчивал, у меня, как Сбал недавно заметил, даже ЦПШ не до конца пройдена, практически вообще, я туда даже не ходил...😬 😬 😬


Размер: 233.23 KB

_________________
Здесь хранится СЕ суперавтотрансгенератор https://www.skif.biz/index.php?name=Forums&file=viewtopic&p=875842#875842 https://disk.yandex.ru/d/T_H9tIHpXVb8dw Дополненная версия с видео: https://disk.yandex.ru/d/RUQMOtXIHzRo7Q


street | Post:809561 - Date: 11.11.22(08:06)
missioner Пост: 808772 От 06.Nov.2022 (22:10) если заряды заряжающие конденсатор проходят через сопротивление в цепи они расходуют больше энергий источника питания?

Да.

Но ведь и в конденсатор при том же напряжений влезет ровно столько же сколько влезло бы и без наличия сопротивления?

Ошибка в при том же напряжений
Ты же ещё сопро в цепь внедрил, на нём часть напряжения упадёт, на кондёре соответственно, напр будет поменьше.

_________________
Главное в мелочах


missioner | Post:809562 - Date: 11.11.22(08:10)
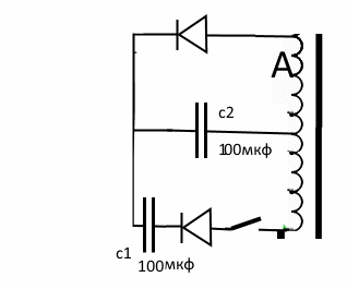
В варианте строго определённую порцию энергий в схему подаст такая схема, которую нужно поставить вместо С1, Диод не обязателен, он уже справа от С1 в схеме есть. Такой вариант поможет принудительно "протолкнуть" энергию в схему


Размер: 380.32 KB

_________________
Здесь хранится СЕ суперавтотрансгенератор https://www.skif.biz/index.php?name=Forums&file=viewtopic&p=875842#875842 https://disk.yandex.ru/d/T_H9tIHpXVb8dw Дополненная версия с видео: https://disk.yandex.ru/d/RUQMOtXIHzRo7Q


missioner | Post:809576 - Date: 11.11.22(09:26)
street Пост: 809571 От 11.Nov.2022 (09:15)
missioner Пост: 809562 От 11.Nov.2022 (08:10) Такой вариант поможет принудительно "протолкнуть" энергию в схему

У источника тока есть и свои недостатки.
Зато схема с питанием и индуктивностью вместо С1 сама отмерит и после размыкания ключа отдаст, втолкнёт в основную схему для передачи на С2 только строго определённую порцию энергий, всё что свыше будет только греть катушку.можно эту порцию даже вычислить, подключив отдельно от основной схемы к его концам контрольный конденсатор и замерив напряжение на нём после одного разрыва ключа. Или по формуле энергий индуктивности, но для этого надо знать индуктивность катушки

_________________
Здесь хранится СЕ суперавтотрансгенератор https://www.skif.biz/index.php?name=Forums&file=viewtopic&p=875842#875842 https://disk.yandex.ru/d/T_H9tIHpXVb8dw Дополненная версия с видео: https://disk.yandex.ru/d/RUQMOtXIHzRo7Q


street | Post:809600 - Date: 11.11.22(13:05)
missioner Пост: 809576 От 11.Nov.2022 (09:26) Зато схема с питанием и индуктивностью вместо С1 сама отмерит и после размыкания ключа отдаст,

Она и из С1 отмерит и отдаст точно те же джоули.

втолкнёт в основную схему для передачи на С2 только строго определённую порцию энергий, всё что свыше будет только греть катушку.

Да-да, ... те же джоули. С иным током, скоростью его изменения(ака мощностью), потерями на активном и излучении...

можно эту порцию даже вычислить, подключив отдельно от основной схемы к его концам контрольный конденсатор и замерив напряжение на нём после одного разрыва ключа.

Нахрена такой маразм? Мсье знает толк в извращениях?

Или по формуле энергий индуктивности, но для этого надо знать индуктивность катушки

Не надо знать , достаточно прочих равных. Как и для предварительно заряженного кондёра. И для того кондёра достаточно высокоомного вольтметра(он же амперметр, он же осциллограф, он же динамометр, он же - весы). 😊
Взвесишь джоули в кондёре(не важно, какой емкости), нажмёшь на кнопку - получишь результат(контрольное взвешивание)...
Потяжелело - оно!😎

_________________
Главное в мелочах


ФЕМЕ | Post:809606 - Date: 11.11.22(14:00)
street Пост: 809571 От 11.Nov.2022 (09:15)
У источника тока есть и свои недостатки.

У источника тока лишь один недостаток- недостаток напряжения.
У источника напряжения недостаток- недостаток тока. 😊

_________________
«Сколь горестно не знать свой ум!»


missioner | Post:809610 - Date: 11.11.22(14:11)
Да посрать, главное что через коннденсатор2 в схеме при его зарядке пройдёт и ток разряда С1 и ток собственно, его заряда, т.е. двойная порция зарядов, на сколько при этом должна вырасти его энергия?

_________________
Здесь хранится СЕ суперавтотрансгенератор https://www.skif.biz/index.php?name=Forums&file=viewtopic&p=875842#875842 https://disk.yandex.ru/d/T_H9tIHpXVb8dw Дополненная версия с видео: https://disk.yandex.ru/d/RUQMOtXIHzRo7Q


ФЕМЕ | Post:809612 - Date: 11.11.22(14:15)
missioner Пост: 809610 От 11.Nov.2022 (14:11)
на сколько при этом должна вырасти его энергия?

Всегда, строго пропорционально квадрату напряжения.

_________________
«Сколь горестно не знать свой ум!»


missioner | Post:809613 - Date: 11.11.22(14:18)
А напряжение в конденсаторе от чего зависит? Правильно, от количества запихнутых в него зарядов.

_________________
Здесь хранится СЕ суперавтотрансгенератор https://www.skif.biz/index.php?name=Forums&file=viewtopic&p=875842#875842 https://disk.yandex.ru/d/T_H9tIHpXVb8dw Дополненная версия с видео: https://disk.yandex.ru/d/RUQMOtXIHzRo7Q


ФЕМЕ | Post:809621 - Date: 11.11.22(14:41)
missioner Пост: 809613 От 11.Nov.2022 (14:18)
А напряжение в конденсаторе от чего зависит? Правильно, от количества запихнутых в него зарядов.

Вообще-то от степени поляризации межобкладочного пространства конденсатора его напряжение на обкладках зависит. Заряды это не пересыпаемые янтарные шарики, как это раньше в электротехнике абстрактно представлялось.

ЗЫ Хотя вот если обкладки эти в вакууме, то скорее, сами же обкладки и поляризуются.

_________________
«Сколь горестно не знать свой ум!»


missioner | Post:809622 - Date: 11.11.22(14:41)
Заряды источника питания пролезают через первичку трансформатора последовательно которому стоит С2 и через неё же, а стало быть и опять же через С2 а точнее в него влетают и заряды вторички трансформатора, т.е. в кондёр загоняем двойную порцию, при условий что разностное напряжение на трансформаторе равно напряжению источника.

_________________
Здесь хранится СЕ суперавтотрансгенератор https://www.skif.biz/index.php?name=Forums&file=viewtopic&p=875842#875842 https://disk.yandex.ru/d/T_H9tIHpXVb8dw Дополненная версия с видео: https://disk.yandex.ru/d/RUQMOtXIHzRo7Q


missioner | Post:809625 - Date: 11.11.22(14:48)
ФЕМЕ Пост: 809621 От 11.Nov.2022 (14:41)
missioner Пост: 809613 От 11.Nov.2022 (14:18)
А напряжение в конденсаторе от чего зависит? Правильно, от количества запихнутых в него зарядов.

Вообще-то от степени поляризации межобкладочного пространства конденсатора его напряжение на обкладках зависит. Заряды это не пересыпаемые янтарные шарики, как это раньше в электротехнике абстрактно представлялось.

ЗЫ Хотя вот если обкладки эти в вакууме, то скорее, сами же обкладки и поляризуются.
А сила поляризаций от чего зависит? Правильно, от того сколько зарядов побывало на обкладках конденсатора. Короче, не мешайте завтра экс провести, а симулянты могут попробовать просимулировать раньше. И рассуждайте логически, если заряд конденсатора это только поляризация диэлектрика то куда деваются заряды тока вошедшие в кондесатор при его зарядке? И почему эти экспериментаторы доказывающие что заряд конденсатора это всего лишь поляризация диэлектрика не проводят опыт способный доказать иное, классическое? Опыт должен быть такой: В качестве диэлектрика берётся комплект из четырёх одинаковых диэлектрических пластин. После зарядки конденсатора когда убираются обкладки эти диэлектрические пластины меняются местами, наружные две переставляются вовнутрь, затем ставятся на место обкладки и пробуется разряд. Уверен на сто процентов, даже на язык никто не почувствует что конденсатор до этого был заряжен. Никто не желает такой опыт провести, все орут поляризация и проводят и показывают только такие опыты которые доказывают её.

_________________
Здесь хранится СЕ суперавтотрансгенератор https://www.skif.biz/index.php?name=Forums&file=viewtopic&p=875842#875842 https://disk.yandex.ru/d/T_H9tIHpXVb8dw Дополненная версия с видео: https://disk.yandex.ru/d/RUQMOtXIHzRo7Q


missioner | Post:809732 - Date: 12.11.22(15:37)
image
Эксперименты провёл,Самый большой КПД при переливе был 93 процента,это при переливе с большой ёмкости в маленькую,если переливать из маленькой в большую то 40-60. Процесс протекания тока из С1 заканчивается сразу как только напряжение на конденсаторе С2 достигает напряжения С1 и диод со стороны С1 запирается и дальше в С2 заливается только то что до этого успело оказаться в трансформаторе... Это понятно по тому что С1 не перезаряжается обратной полярностью И в нём остаётся не меньше половины изначального напряжения.... Перезарядка не на много происходит только если переливаю из очень маленькой ёмкости в очень большую. Не помогает даже индуктивность последовательно с С1. Прискорбно... Но это пока....

_________________
Здесь хранится СЕ суперавтотрансгенератор https://www.skif.biz/index.php?name=Forums&file=viewtopic&p=875842#875842 https://disk.yandex.ru/d/T_H9tIHpXVb8dw Дополненная версия с видео: https://disk.yandex.ru/d/RUQMOtXIHzRo7Q


missioner | Post:811382 - Date: 27.11.22(11:52)
Продолжаю переливать из пустого в порожнее. Нашёл СЕ. Процентов 5 с ликуем... Но.... Оно у меня есть но я его только в кондёрах вижу,извлечь пока нет сил...Объясняю. Переливаю по схеме нарисованной ниже.

Итак:
При переливе из стомикрофарадного конденсатора С1 в такой же конденсатор 177 вольт в итоге у меня получается вот что, на конденсаторе источнике остался заряд в 99 вольт в конденсаторе приёмнике стало 137 вольт. Конденсатор-источник полярность свою не поменял (обращаем на этот факт пристальное внимание!!!!!!)

Что это значит?

Исходная энергия конденсатора: 177x177x50=1566450 Джоулей
Конечная энкргия системы: 137x137x50+99x99x50=938450+490050=1428500 Джоулей

Далее,
чтобы узнать КПД системы... включаем два варианта логических размышлений.... Первый,классический, Делим конечную энергию на исходную:
1428500/1566450=0.92, т.е. 92 процента. Закон Сохранения Энергий вроде как бы торжествует!!!

Но...

Теперь начинаем думать по нашему,по сумасчечему:

Итак в источнике первоначально было 1566450 Джоулей. После слива в другой конденсатор его энергия стала 490050 Джоулей,т.е. для процессов израсходовалось 1076400 Джоулей. Получаем что всего лишь 1076400 Джоулей перелились в конденсатор-приёмник и там стало 938450 Джоулей.

Стало быть для подсчёта КПД мы должны учитывать только эти цифры,а значит КПД=938450/1076400=0.87... Т.е. этот вариант подсчёта КПД учитывает энергию на которую снизилась энергия конденсатора С1 и которая дошла до конденсатора С2

Но в первоначальном варианте подсчёта учитывавщем полную энергию системы до перелива и после перелива мы имели 92 процента КПД!!!! Тогда как второй вариант,учитывающий только энергию на которую снизилась энергия конденсатора С1 и энергию которая залилась в С2 получаем всего лишь 87 процентов!!!
Откуда лишние пять (к израсходованному всего конденсатором С1) процентов энергий? Почему полная энергия системы стала на пять процентов больше чем израсходовано и пришло во второй конденсатор? Если бы всё было чисто то оба варианта подсчёта должны были показать одну и ту же величину КПД!!!! А на практике разница в пять процентов,это по-моему очень существенная величина....

Значит верхнее плечо работает,подкидывает дровишек!!!


Это ишшо чё,я вам могу ишшо такой головняк подкинуть,когда переливаем из маленького конденсатора в большой когда маленький конденсатор меняет полярность и учитываем этот факт тоже....


Размер: 6.64 KB

_________________
Здесь хранится СЕ суперавтотрансгенератор https://www.skif.biz/index.php?name=Forums&file=viewtopic&p=875842#875842 https://disk.yandex.ru/d/T_H9tIHpXVb8dw Дополненная версия с видео: https://disk.yandex.ru/d/RUQMOtXIHzRo7Q


mebius | Post:811390 - Date: 27.11.22(13:40)
А теперь поменяй кондеры местами...

_________________
Всегда нужно быть готовым к тому, что убеждения, которых придерживался в течении долгого времени, могут оказаться ошибочными\\\". П.А.М. Дирак


missioner | Post:811391 - Date: 27.11.22(13:52)
Проверил и увидел что в схемах без верхнего плеча эта разница в КПД ещё больше. Т.е. как мне думается,эта разница, разница между изменениями полной энергий системы и тем как использована израсходованная энергия в КПД отображает некую энергию или величину которую расходует система для проведения всех процессов перезарядки. Теперь надо пробовать эксы с разным количеством витков в разных плечах.... хотя бы 1 к 2...

_________________
Здесь хранится СЕ суперавтотрансгенератор https://www.skif.biz/index.php?name=Forums&file=viewtopic&p=875842#875842 https://disk.yandex.ru/d/T_H9tIHpXVb8dw Дополненная версия с видео: https://disk.yandex.ru/d/RUQMOtXIHzRo7Q


missioner | Post:811398 - Date: 27.11.22(15:38)
Нет, неодинаковые обмотки на разных плечах только ухудшают результат во всех вариантах перелива....

_________________
Здесь хранится СЕ суперавтотрансгенератор https://www.skif.biz/index.php?name=Forums&file=viewtopic&p=875842#875842 https://disk.yandex.ru/d/T_H9tIHpXVb8dw Дополненная версия с видео: https://disk.yandex.ru/d/RUQMOtXIHzRo7Q


stasis2 | Post:811442 - Date: 28.11.22(00:14)
римский папа разбил все иконы и сам взорвал ватикан )) мучая зрение ищет знамение .... 😬😬😬 и где она живёт вечная любов😬

street | Post:811462 - Date: 28.11.22(09:47)
missioner Пост: 811460 От 28.Nov.2022 (09:00) Если мы соединим и плюсы конденсаторов то напряжения будут выравниваться до 8,66 вольт, при этом энергия этого спаренного конденсатора останется равной тем же 750 Джоулям!!!!!!

Точно-преточно?...😎

_________________
Главное в мелочах


missioner | Post:811464 - Date: 28.11.22(10:11)
Посмотри, пересчитай исходя из того факта что зарядов на одной стороне в сумме будет столько же и подсчитай суммарную энергию

_________________
Здесь хранится СЕ суперавтотрансгенератор https://www.skif.biz/index.php?name=Forums&file=viewtopic&p=875842#875842 https://disk.yandex.ru/d/T_H9tIHpXVb8dw Дополненная версия с видео: https://disk.yandex.ru/d/RUQMOtXIHzRo7Q


street | Post:811465 - Date: 28.11.22(10:31)
missioner Пост: 811464 От 28.Nov.2022 (10:11)
Посмотри, пересчитай исходя из того факта что зарядов на одной стороне в сумме будет столько же и подсчитай суммарную энергию

Т.е. школьного учебника вполне достаточно, чтобы понять:
А что если в процессе выравнивания выравнивающий ток нам зажгёт какую-нибудь лампочку? Это же чистое СЕ!!!
😎

_________________
Главное в мелочах


street | Post:811468 - Date: 28.11.22(11:53)
твой скепсис не основан на собственных подсчётах(ПО МОИМ ИСХОДНЫМ ДАННЫМ ЁМКОСТЕЙ И НАПРЯЖЕНИЙ)

Да нет наверное...😊
Я лишь 8.66 не стал проверять, оставил rezoner'у. А скепсис скорее в изящном возврате 750дж обратно в 20ти вольтовый питальник.
иначе ты бы сказал что у меня обозначает число 7,5.

Чужая душа - потёмки... Что угодно может значить.

_________________
Главное в мелочах


missioner | Post:811471 - Date: 28.11.22(11:58)
Всё, понял😕 😕 😶 Окромя одного, а при чём тут резонёр? Он вроде в этот мой бред не лазает... Пойду начну писать очередную статью на Скайтех...Патент в государстве всё равно не дадут, потому как это прямое и математически выверенное опровержение точнее--- низвержение Закона Сохранения Энергий в рамках знаний церковно-приходского курса физики и математики, так пусть хоть литературным опусом подавятся...

_________________
Здесь хранится СЕ суперавтотрансгенератор https://www.skif.biz/index.php?name=Forums&file=viewtopic&p=875842#875842 https://disk.yandex.ru/d/T_H9tIHpXVb8dw Дополненная версия с видео: https://disk.yandex.ru/d/RUQMOtXIHzRo7Q


<] [ 1 | 2 | 3 | 4 | 5 | 6 | 7 | 8 | 9 | 10 | 11 | 12 | ... | 17 ] [>
У Вас нет прав отвечать в этой теме.
Форум - Электростатические генераторы - Электростатика - Парадокс - Стр 2
🏠 Главная | 📚 Содержание | 💬 Форум | 📁 Файлы | 📩 Контакт