[ВХОД]
16.04.26(15:13)

www.skif.biz

Альтернативная энергия. Оставь надежду, всяк сюда входящий...

🏠 Главная | 📚 Содержание | 💬 Форум | 📁 Файлы | 📩 Контакт
 
Резонансные генераторы
Магнитные генераторы
Механические центробежные (вихревые) генераторы
Электростатические генераторы
Водородные генераторы
Ветро- и гидро- и солнечные генераторы
Прочие идеи (разные)
О форуме
Транспорт
Оружие
Научные идеи, теории, предположения...
Экономия топлива
Коммерческие вопросы
Струйные технологии
Торсионные генераторы
Новые технологии
Барахолка
Патентный отдел
Конструкторское бюро
Нейтронная физика
Торнадо и смерчи
Гравитация и антигравитация
Сделай сам. Советы.
Медицина и здравоохранение

📱 | 🖨️

Форум - Резонансные генераторы - Прочие резонансные генераторы - Действующий(?) трансгенератор - Стр:34
<] [ 1 | ... 24 | 25 | 26 | 27 | 28 | 29 | 30 | 31 | 32 | 33 | 34 | 35 | 36 | 37 | 38 | 39 | 40 | 41 | 42 | 43 | 44 | ... | 58 ] [>
Модератор: missioner
Первый пост темы: missioner Post: #354949 От:04.03.2012 (13:16)
Некоторое время назад я сообщал о своём трансформаторе,на котором я получил(?) СЕ. Ниже выкладываю дополненный текст своей статьи из файлов,где описал этот случай. Читать начиная с четвёртой страницы.Ну а если не сразу понятно о чём речь то читать с самого начала. Было бы хорошо если админ поменял оригинал из файлов на этот переработанный документ
Документ в двух вариантах,Ворд 2007 и PDF
Forex | Post:806721 - Date: 25.10.22(02:24)
что в трансе 1к2 преобразуется двойная мощность по сравнению с мощностью поступающей из розетки?

Ага. Щазз... Сколько вложили, столько и получили за минусом потерь.

Это тебе не полячек ловить. Одну снял, а она ещё и подружку привела...
🤢 🤢

missioner | Post:806724 - Date: 25.10.22(05:08)
Форекс,что то на рисунке не соответствует действительности? Перерисуй как по твоему правильно токи и напруги должны быть. А то у меня так только и получается что одну снял а она подругу привела.... И вместе с подругой находятся на участке оконтуренном красным прямоугольником где их и надо на шишку натягивать. Это как лавина деда Вани,отправил 5 ампер а дошло 10 при том же напряжений😶😶😶 Только вместо лампы не перемычку надо ставить а тоже конденсатор.


Размер: 20.57 KB

_________________
Здесь хранится СЕ суперавтотрансгенератор https://www.skif.biz/index.php?name=Forums&file=viewtopic&p=875842#875842 https://disk.yandex.ru/d/T_H9tIHpXVb8dw Дополненная версия с видео: https://disk.yandex.ru/d/RUQMOtXIHzRo7Q


rezoner | Post:806730 - Date: 25.10.22(08:47)
missioner Пост: 806724 От 25.Oct.2022 (05:08)
Форекс,что то на рисунке не соответствует действительности? Перерисуй как по твоему правильно токи и напруги должны быть. А то у меня так только и получается что одну снял а она подругу привела.... И вместе с подругой находятся на участке оконтуренном красным прямоугольником где их и надо на шишку натягивать. Это как лавина деда Вани,отправил 5 ампер а дошло 10 при том же напряжений😶😶😶 Только вместо лампы не перемычку надо ставить а тоже конденсатор.
а в чём фокус-то? На входе 25 вт, и на лампочке 25 вт. 😬

missioner | Post:806746 - Date: 25.10.22(11:46)
А подумай общий балланс если мы воткнём конденсатор в цепи первички туда где написано 5 вольт 10 ампер. И вместо лампы второй конденсатор. Насолько зарядятся через диоды оба конденсатора если в эту схему разрядим через диод питающий конденсатор. Сколько энергий будет суммарно во всех трёх конденсаторах в итоге?
Ну и просто, разве не любопытно, трансформатор передаёт в два раза больше энергий чем поступает в схему из сети а на выходе столько же сколько поступило

_________________
Здесь хранится СЕ суперавтотрансгенератор https://www.skif.biz/index.php?name=Forums&file=viewtopic&p=875842#875842 https://disk.yandex.ru/d/T_H9tIHpXVb8dw Дополненная версия с видео: https://disk.yandex.ru/d/RUQMOtXIHzRo7Q


rezoner | Post:806751 - Date: 25.10.22(12:27)
missioner Пост: 806746 От 25.Oct.2022 (11:46)
А подумай общий балланс если мы воткнём конденсатор в цепи первички туда где написано 5 вольт 10 ампер. И вместо лампы второй конденсатор. Насолько зарядятся через диоды оба конденсатора если в эту схему разрядим через диод питающий конденсатор. Сколько энергий будет суммарно во всех трёх конденсаторах в итоге?
Ну и просто, разве не любопытно, трансформатор передаёт в два раза больше энергий чем поступает в схему из сети а на выходе столько же сколько поступило
если заменить на конденсатор, то будут другие фазы токов и напряжений. Ну опять попытка получить СЕ из комбинаций рычагов, полиспастов и домкратов. Задайся вопросом - откуда излишка? Или ты тоже как Сайрус отвергаешь закон ЗСЭ? 😊

missioner | Post:806756 - Date: 25.10.22(13:07)
rezoner Пост: 806751 От 25.Oct.2022 (12:27)
missioner Пост: 806746 От 25.Oct.2022 (11:46)
А подумай общий балланс если мы воткнём конденсатор в цепи первички туда где написано 5 вольт 10 ампер. И вместо лампы второй конденсатор. Насолько зарядятся через диоды оба конденсатора если в эту схему разрядим через диод питающий конденсатор. Сколько энергий будет суммарно во всех трёх конденсаторах в итоге?
Ну и просто, разве не любопытно, трансформатор передаёт в два раза больше энергий чем поступает в схему из сети а на выходе столько же сколько поступило
если заменить на конденсатор, то будут другие фазы токов и напряжений. Ну опять попытка получить СЕ из комбинаций рычагов, полиспастов и домкратов. Задайся вопросом - откуда излишка? Или ты тоже как Сайрус отвергаешь закон ЗСЭ? 😊
Уже написал и нарисовал же.

_________________
Здесь хранится СЕ суперавтотрансгенератор https://www.skif.biz/index.php?name=Forums&file=viewtopic&p=875842#875842 https://disk.yandex.ru/d/T_H9tIHpXVb8dw Дополненная версия с видео: https://disk.yandex.ru/d/RUQMOtXIHzRo7Q


rezoner | Post:806772 - Date: 25.10.22(14:44)
Ну и просто, разве не любопытно, трансформатор передаёт в два раза больше энергий чем поступает в схему из сети а на выходе столько же сколько поступило

Мисс, в этом нет ничего удивительного. Если ты возьмешь колебательный контур с добротность Q, и нагрузишь его на резистор R, то на R выделится столько же энергии, сколько ты подаешь на КК, но внутри КК циркулирует в Q раз больше энергии. Это основы теории. 😊
Поэтому я не удивляюсь твоей картинке.
Вот если тебя Pвых/Pвх удивит, вот тогда.... 😊

Greyver | Post:806796 - Date: 25.10.22(18:15)
rezoner Пост: 806730 От 25.Oct.2022 (08:47)
а в чём фокус-то? На входе 25 вт, и на лампочке 25 вт. 😬
Трансформатор гудит на халяву. 😊

_________________
Человек отличается от обезьяны умением не замечать очевидных вещей.


missioner | Post:806843 - Date: 27.10.22(10:04)
Greyver Пост: 806796 От 25.Oct.2022 (18:15)
rezoner Пост: 806730 От 25.Oct.2022 (08:47)
а в чём фокус-то? На входе 25 вт, и на лампочке 25 вт. 😬
Трансформатор гудит на халяву. 😊
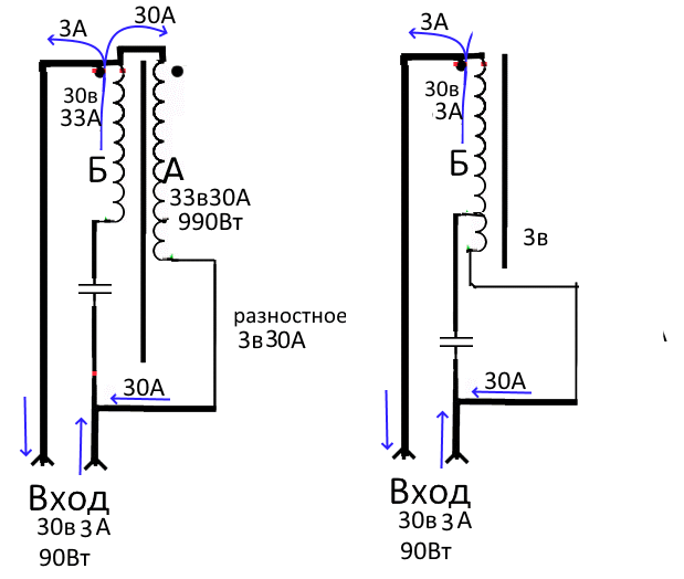
А вот например: Вроде обе схемы одинаковы по принципу работы, однако в случае с двумя обмотками для передачи 90 ватт со входа на выход трансформатору приходится гудеть почти на киловатт... Нагрузку в правом нижнем колене не нарисовал, при проверке там пробовал конденсатор на 300 мкф ставить, хорошо резонирует. Токи в левой обмотке левой схемы суммировались почти арифметически, из сети(питающего схему тридцатью вольтами трансформатора) поступало 7,2 ампер, через правую обмотку шло 6,7 ампер, (использовался мой новый монстер-транс 1/2), по левой обмотке шло 13 ампер


Размер: 23.51 KB

_________________
Здесь хранится СЕ суперавтотрансгенератор https://www.skif.biz/index.php?name=Forums&file=viewtopic&p=875842#875842 https://disk.yandex.ru/d/T_H9tIHpXVb8dw Дополненная версия с видео: https://disk.yandex.ru/d/RUQMOtXIHzRo7Q


missioner | Post:806844 - Date: 27.10.22(10:10)
Дальше фантазируем:


Размер: 44.92 KB

_________________
Здесь хранится СЕ суперавтотрансгенератор https://www.skif.biz/index.php?name=Forums&file=viewtopic&p=875842#875842 https://disk.yandex.ru/d/T_H9tIHpXVb8dw Дополненная версия с видео: https://disk.yandex.ru/d/RUQMOtXIHzRo7Q


missioner | Post:806858 - Date: 27.10.22(12:00)
rezoner Пост: 806772 От 25.Oct.2022 (14:44) ...но внутри КК циркулирует в Q раз больше энергии...
Это всё понятно, но тут есть разница, в моей схеме эти большие токи энергий и мощности не накапливаются во времени в результате резонансных явлений а появляются мгновенно, как результат электромагнитной индукций, взаимодействия двух обмоток,без резонансов... Резонансы предлагаю использовать только для усиления эффекта

_________________
Здесь хранится СЕ суперавтотрансгенератор https://www.skif.biz/index.php?name=Forums&file=viewtopic&p=875842#875842 https://disk.yandex.ru/d/T_H9tIHpXVb8dw Дополненная версия с видео: https://disk.yandex.ru/d/RUQMOtXIHzRo7Q


dedivan | Post:806868 - Date: 27.10.22(12:24)
Резонанс не усиливает- запомни это. А вот накапливать может, для этого его и используют. Это только кажется что усиливает, на самом деле накапливает как сберкнижка, на каждом такте по копеечке и получается рубь.
Разницу усек?

_________________
я плохого не посоветую


missioner | Post:806869 - Date: 27.10.22(12:28)
dedivan Пост: 806868 От 27.Oct.2022 (12:24)
Резонанс не усиливает- запомни это. А вот накапливать может, для этого его и используют. Это только кажется что усиливает, на самом деле накапливает как сберкнижка, на каждом такте по копеечке и получается рубь.
Разницу усек?
А я разве про другое? Резонанс у меня чтобы побольше из сети тока вытягивать и побольше разностного напряжения при тех же обмотках получилось, соответственно и токов а дальше по схеме... Чем больше ток будет циркулировать в левой обмотке тем быстрее он будет заряжать конденсатор съёма СЕ а это увеличение мощности на выходе хотя и основной принцип.... насколько схема в разы больше выдаёт мощности на выход по сравнению со входом без резонанса, во столько же раз больше будет выдавать и с резонансом

_________________
Здесь хранится СЕ суперавтотрансгенератор https://www.skif.biz/index.php?name=Forums&file=viewtopic&p=875842#875842 https://disk.yandex.ru/d/T_H9tIHpXVb8dw Дополненная версия с видео: https://disk.yandex.ru/d/RUQMOtXIHzRo7Q


dedivan | Post:806870 - Date: 27.10.22(12:36)
missioner Пост: 806869 От 27.Oct.2022 (12:28)
Резонанс у меня чтобы побольше из сети тока вытягивать

Ну и откуда тогда СЕ? Из сети?

_________________
я плохого не посоветую


missioner | Post:806873 - Date: 27.10.22(12:42)
dedivan Пост: 806870 От 27.Oct.2022 (12:36)
missioner Пост: 806869 От 27.Oct.2022 (12:28)
Резонанс у меня чтобы побольше из сети тока вытягивать

Ну и откуда тогда СЕ? Из сети?
Из взаимодействия двух обмоток, из полиспаста. В последнем рисунке безрезонансной схемы питание из сети 30в3а идёт на левую обмотку транса но там ток уже под тем же напряжением но 33 ампера. Мы из этих тридцати трёх ампер под напряжением тридцать вольт и воруем себе на СЕ

_________________
Здесь хранится СЕ суперавтотрансгенератор https://www.skif.biz/index.php?name=Forums&file=viewtopic&p=875842#875842 https://disk.yandex.ru/d/T_H9tIHpXVb8dw Дополненная версия с видео: https://disk.yandex.ru/d/RUQMOtXIHzRo7Q


dedivan | Post:806882 - Date: 27.10.22(12:54)
missioner Пост: 806873 От 27.Oct.2022 (12:42)
Из взаимодействия двух обмоток, из полиспаста.

Энергия всегда берется откуда то.
Поставь две канистры- одну с бензином -другую пустую, пусть взаимодействуют, из пустой будешь бензин отливать периодически.

_________________
я плохого не посоветую


missioner | Post:806885 - Date: 27.10.22(12:57)
Деда, слюшай, чё доипался?Чукча не читатель, чукча писатель...😊😬 😛
Ну и... тридцать вольт с током тридцать три ампера в обмотке трансформатора без косинусов сколько ватт передают? А мы такой ток с таким напряжением туда не подавали да и внутри не накапливали, получили чисто хитрой коммутацией....😕

_________________
Здесь хранится СЕ суперавтотрансгенератор https://www.skif.biz/index.php?name=Forums&file=viewtopic&p=875842#875842 https://disk.yandex.ru/d/T_H9tIHpXVb8dw Дополненная версия с видео: https://disk.yandex.ru/d/RUQMOtXIHzRo7Q


missioner | Post:806958 - Date: 27.10.22(17:07)
Реально проверял на трансформаторе 1к 2, появляется ли удвоенный ток на первичке при том же входном напряжений, Там же написал какие у меня результаты были, удвоение, т.е. сложение токов из сети и циркулирующего есть. Вначале проверял токи на безрезонансном варианте, с нагрузкой в виде лампочки,там ток из сети(питающего схему трансформатора) был около 0,07 ампер в первичке уже 0,14 при том же напряжений потом вместо лампочки ставил конденсатор и схема начинала гонять из сети 7с лишним ампер а через первичку 13, в посте указаны точные данные(не на рисунке). На рисунке теоретические умозрительные выводы.В опытах СЕ через мостик снять не пробовал.
. Схема которую проверял, с другими токами и напряжением только чем нарисованы,:


Размер: 18.83 KB

_________________
Здесь хранится СЕ суперавтотрансгенератор https://www.skif.biz/index.php?name=Forums&file=viewtopic&p=875842#875842 https://disk.yandex.ru/d/T_H9tIHpXVb8dw Дополненная версия с видео: https://disk.yandex.ru/d/RUQMOtXIHzRo7Q


missioner | Post:806982 - Date: 27.10.22(19:16)
Никуя себе,удалил дубль от Фемы а в результате исчезли и его вопрос и мой на него ответ. Будем надеяться что ответ прочитать он успел. Что то с сайтом не то в моей теме.
P/S/
А теперь, как только написал и отправил этот пост мой ответ вновь появился на старом месте...

_________________
Здесь хранится СЕ суперавтотрансгенератор https://www.skif.biz/index.php?name=Forums&file=viewtopic&p=875842#875842 https://disk.yandex.ru/d/T_H9tIHpXVb8dw Дополненная версия с видео: https://disk.yandex.ru/d/RUQMOtXIHzRo7Q


ФЕМЕ | Post:806983 - Date: 27.10.22(19:25)
А мне твои фантазии понравились, подключать автотрансформатор через конденсатор или дроссель, имитируя слабую сеть, и затем ток усиливать... как Лизи раньше предложила, вернее выложила нам известный народный метод.

_________________
«Сколь горестно не знать свой ум!»


missioner | Post:806985 - Date: 27.10.22(20:06)
Только слишком сильно уменьшать разностное напряжение с целью увеличения тока тоже неправильно,начнут сказываться сопротивления проводов обмоток и вместо увеличения токов мы наоборот получим их уменьшение. Резонансный способ увеличения этих токов видимо самый выгодный, если даже при КЗ разнесённой вторички с используемыми мной напряжениями на моём трансе ток не превышает ампера четыре то с резонансом он может превысить 20 ампер. Интересно,что может дать перевод этой схемы на высоковольтные катушки без сердечников и большие частоты? Смита? Какая страшная мощность материализуется и заживёт в первичной обмотке?

_________________
Здесь хранится СЕ суперавтотрансгенератор https://www.skif.biz/index.php?name=Forums&file=viewtopic&p=875842#875842 https://disk.yandex.ru/d/T_H9tIHpXVb8dw Дополненная версия с видео: https://disk.yandex.ru/d/RUQMOtXIHzRo7Q


ФЕМЕ | Post:806987 - Date: 27.10.22(20:18)
missioner Пост: 806985 От 27.Oct.2022 (20:06)
Только слишком сильно уменьшать разностное напряжение

Ток по входу автотрансформатора ограничивать, не напрямую напряжение понижать...

_________________
«Сколь горестно не знать свой ум!»


олег-джан | Post:806995 - Date: 27.10.22(20:54)
Интересно,что может дать перевод этой схемы на высоковольтные катушки

Радиант увидишь при неосторожности...

_________________
Обьективная реальность-бред,вызванный недостатком алкоголя в крови...


missioner | Post:807066 - Date: 28.10.22(07:06)

олег-джан Пост: 806995 От 27.Oct.2022 (20:54)
Интересно,что может дать перевод этой схемы на высоковольтные катушки

Радиант увидишь при неосторожности...
Одно но у этой схемы есть что может нейтрализовать все СЕ. Это то,что съёмный конденсатор с диодным мостом ставится последовательно с первичкой,т.е. чтобы снимать большую мощность на него должна перепасть большая часть напряжения источника питания,соответственно первичке останется уже совсем мало со всеми последствиями... Возможно с этим можно справиться путём чередования времени накачки и времени снятия энергий в схеме.

_________________
Здесь хранится СЕ суперавтотрансгенератор https://www.skif.biz/index.php?name=Forums&file=viewtopic&p=875842#875842 https://disk.yandex.ru/d/T_H9tIHpXVb8dw Дополненная версия с видео: https://disk.yandex.ru/d/RUQMOtXIHzRo7Q


missioner | Post:807344 - Date: 29.10.22(08:08)
ФЕМЕ Пост: 806987 От 27.Oct.2022 (20:18)
missioner Пост: 806985 От 27.Oct.2022 (20:06)
Только слишком сильно уменьшать разностное напряжение

Ток по входу автотрансформатора ограничивать, не напрямую напряжение понижать...
Надо на первичке параллельный резонанс устроить, где то ранее я выкладывал инструкцию как я его делал, он очень коварный, пытается усё время сдохнуть но если на выходе есть мощная нагрузка с нелинейной характеристикой, у меня был насыщающийся транс, то она подстраивается под любые капризы параллельного резонанса на питающей первичке и не даёт ему исчезнуть. Ещё и сам запуск параллельного резонанса на первичке сопряжён с целым шаманизмом, приходится с бубном танцевать. Надо будет попозжее продолжить опыты.

Нашёл свою инструкцию по созданию параллельного резонанса на первичке трансформатора разработанную мной после бессонных опытов,через некоторое время опять подчищу,опыты тоже дорого стоят :

Требуется использовать два трансформатора.
На Тр2 обе обмотки одинаковые,изначально не выдерживали 220 вольт если на них подавать по отдельности,они у меня разнесены.

Если с питающего Тр1 транса 220 на 28 вольт подавал на одну из них 28 вольт то вторая обмотка с конденсатором начинала резонировать в смешанном резонансе и на ней напряжение возрастало до 240 вольт.

Эти 240 вольт во втором шаге подключал к сети 220 вольт.

В третьем шаге сеть 220 вольт отключал от первички питающего трансформатора Тр1 и он(Тр1) превращался из питающего в нагрузочный с нелинейными(насыщение) характеристиками (на его обмотку не рассчитанную на 220 вольт начинали поступать 220 вольт с обмотки Тр2) и жрал энергию нагреваясь, а Тр2 наоборот,превращался для него в питающий с параллельным резонансом в первичной обмотке.

Далее можно к НЕрезонансной обмотке ТР2 подключить любую другую нагрузку с хорошим потреблением мощности а питающий Тр1 убрать(хотя и сомнительно что нагрузка с линейными характеристиками сможет резонанс удержать, с насыщающимся трансом в нагрузке можно даже ёмкости добавлять в контур, он проявляет свойства феррорезонансного,чем больше ёмкость тем сильнее резонанс).Только помнить что отключение мощной нагрузки тут же гасит весь резонанс...

Как уже писал,отдельно без резонанса любая обмотка Тр2 тоже не выдерживала 220 вольт а при параллельном резонансе всегда пожалуйста....




Размер: 41.66 KB

_________________
Здесь хранится СЕ суперавтотрансгенератор https://www.skif.biz/index.php?name=Forums&file=viewtopic&p=875842#875842 https://disk.yandex.ru/d/T_H9tIHpXVb8dw Дополненная версия с видео: https://disk.yandex.ru/d/RUQMOtXIHzRo7Q


<] [ 1 | ... 24 | 25 | 26 | 27 | 28 | 29 | 30 | 31 | 32 | 33 | 34 | 35 | 36 | 37 | 38 | 39 | 40 | 41 | 42 | 43 | 44 | ... | 58 ] [>
У Вас нет прав отвечать в этой теме.
Форум - Резонансные генераторы - Прочие резонансные генераторы - Действующий(?) трансгенератор - Стр 34
🏠 Главная | 📚 Содержание | 💬 Форум | 📁 Файлы | 📩 Контакт