[ВХОД]
25.04.26(05:51)

www.skif.biz

Альтернативная энергия. Оставь надежду, всяк сюда входящий...

🏠 Главная | 📚 Содержание | 💬 Форум | 📁 Файлы | 📩 Контакт
 
Резонансные генераторы
Магнитные генераторы
Механические центробежные (вихревые) генераторы
Электростатические генераторы
Водородные генераторы
Ветро- и гидро- и солнечные генераторы
Прочие идеи (разные)
О форуме
Транспорт
Оружие
Научные идеи, теории, предположения...
Экономия топлива
Коммерческие вопросы
Струйные технологии
Торсионные генераторы
Новые технологии
Барахолка
Патентный отдел
Конструкторское бюро
Нейтронная физика
Торнадо и смерчи
Гравитация и антигравитация
Сделай сам. Советы.
Медицина и здравоохранение

📱 | 🖨️

Форум - Резонансные генераторы - Резонанс Авраменко - Простейшая схема для экспериментов с ВА - Стр:1
[ 1 | 2 | 3 | 4 | 5 | 6 | 7 | 8 | 9 | 10 ] [>
Модератор: SkyBlot
SkyBlot | Post:66105 - Date: 21.04.07(11:40)
Для тех, кто не хочет заморачиваться с генераторами ВЧ предлагаю простейший вариант для экспериментов с вилкой Авраменко. Потребуется:
1. Батарейка "Крона";
2. Любое маломощное электромагнитное реле на 0,5-2А.
3. 2 светодиода.

Первым делом подключаем реле к "Кроне" таким образом, чтобы при срабатывании реле размыкало собственный контакт с батарейкой. В результате реле переходит в режим бесконечного цикла: --срабатывает электромагнит, и притягивает якорь -- якорь разъеденяет цепь и пружина возвращает его назад -- цепь замыкается и срабатывает электромагнит -- все начинается сначала...
Далее, к любому контакту реле подключаем вилку собранную на двух светодиодах (3V).
Все! На свободные концы вилки можно подключить конденсатор, любую уедененную емкость (например опустить провода в ведро с водой 😀 или просто соеденить провода между собой. Диоды светяться достаточно ярко, по крайней мере ярче, чем когда подключаешь к фазе розетки (т.е. на 50Гц).
Объяснение принципа заложенного в этой схеме достаточно простое. Реле работает как искровик. В какой-то момент при замыкании или размыкании контактов проскакивает искра, а как известно при пробое возникают колебания в достаточно широком спектре.
Надеюсь предложенный способ поможет начинающим в исследовании однопроводных цепей. УДАЧИ!


Генератор
Генератор
Размер: 10.35 KB
Реле и способ его подключения
Реле и способ его подключения
Размер: 9.79 KB

Генератор с подключенной ВА
Размер: 9.61 KB

ert_zeb | Post:75035 - Date: 18.07.07(18:51)
Принципов всего два - преобразователь Грея и трансформатор Теслы. Кстати сам Тесла сразу определил, что источником его чудо-излучения является сам разрядник. Так что далеко от этого не уйдёшь. Можно попробовать что-нибудь на сверхпроводниках смастерить, но даже не представляю как это сделать. Вся теория антенностроения на СП сводится к применению элементов Джозефсона.

vodoprovodchik | Post:75047 - Date: 18.07.07(21:44)
+++14 волнового резонанса+++

а по русски можно ??? насколько помнитца , частота генератора для запитки ВА(в оригинале) была в пределах 5- 8кгц,,,ну и на какой длинне линии стоит эфта вилка ? по мойму где то на 15километрах...и где такие протяжённые лаборатории существуют ???

10кгц - это 30 километров( длина волны)и где ошибка ???

JnoVa | Post:75058 - Date: 18.07.07(22:33)
vodoprovodchik, это не 14, а 1/4 длины волны, имелось ввиду.

_________________
В каждом из нас спит гений... и с каждым днём всё крепче.


vodoprovodchik | Post:75064 - Date: 18.07.07(22:48)
ЕЩЁ РАЗ для людей не сведущих, что такое высокочастотные колебания ... достаточно поместить ВА в экран , а экран соединить с ПОТЕНЦИАЛЪНЫМ выводом генератора накачки так все "чудеса однопроводной линии" сразу пропадают. На накопительный конденсатор можно зацепить светодиод и наблюдать за ним через маленькое отверстие.


Размер: 6.92 KB

vodoprovodchik | Post:75065 - Date: 18.07.07(22:51)
JnoVa...
спасибо , чегой то до меня сразу не дошло но , согласитесь -"хрен редьки не сладьше".

ert_zeb | Post:75097 - Date: 19.07.07(16:44)
А не слишком ли жестоко с кастрюлей? Даже если просто заземлить "передатчик Авраменко" он уже работать перестанет. А уж в приёмнике тем более ничего не увидишь. Аналогично обстоят дела и с преобразователем Грея, и осциллятором Теслы. Например если подключить резонансный трансформатор к выходу трубки Грея, а другую его сторону заземлить он вряд ли заработает. В смысле простые электромагнитные волны он сможет преобразовать, а продольные - нет. Почему? А всё пому, что с заземления пойдут электроны в сторону преобразователя. Так что самый надёжный вариант - ткнуть "лишний" вывод транса через кондёр на плюс (как у Грея) или если ума не хватит так и повесить в воздухе (как у Авраменко). Во втором случае источник электронов - это емкость на выходе приёмника.

yurec | Post:75112 - Date: 20.07.07(09:20)
Эта схема очень сильно напоминает обыкновенный детекторный приёмник. И судя по тому, что после помещения этой чудо-схемы в экран, она работать перестаёт, таковым и является.
Извините если кого-то обидел, просто мысли вслух.

_________________
Не позволяйте обманывать себя.


ert_zeb | Post:75118 - Date: 20.07.07(11:37)
А никто и не обидится. Не мы же эту вилку изобрели. Собственно это и есть детектор. С этим никто не спорит.
Импульсы, передаваемые в эфир от транса Теслы (если всё сделано по уму) тоже являются волнами. Хоть и немного другими (без магнитной составляющей). Эта вилка будет работать для всех видов волн. И принципиального отношения вообще к данному направлению работы не имеет. Просто это лёгкий способ преобразовать энергию к удобному виду.

yurec | Post:75122 - Date: 20.07.07(12:56)
ert_zeb. Просто это лёгкий способ преобразовать энергию к удобному виду.

Вот только не надо забывать, что напряжённость электромагнитного поля обратнопропорцианальна квадрату(!) расстояния. А при уменьшении напряжения в нагрузке в четыре раза(при увеличении расстояния вдвое), ток тоже уменьшится в 4 раза. А мошность - в 4x4=16 раз.

ert_zeb... если всё сделано по уму....

Скажите как это сделать и я, с превеликим удовольствеием, признаю свою неправоту.

_________________
Не позволяйте обманывать себя.


Krasnov | Post:75124 - Date: 20.07.07(13:50)
Добрый день.
Кому интересно поглядите на мои эксперименты:
[ссылка]
Который в свое время достаточно бурно обсуждались тут:
[ссылка]
и тут:
[ссылка]
В данном генераторе наиболее интересным представляется
уже не передача энергии по одному проводу, а получение импульсов обратного тока в цепи питания.


ert_zeb | Post:75284 - Date: 23.07.07(15:59)
Да, спасибо огромное Дмитрию Краснову. До сих пор ещё всё не прочитал. А главное полезные статьи по вакууму для себя нашёл [ссылка]
Я вот, собственно, о чём хотел рассказать. Набросал как-то раз вечером такой рисунок (в прикреплённом файле). Ну и решил собрать необходимый мне преобразователь. Принцип действия такой. Основная часть преобразователя превращает постоянку на входе в постоянку на выходе. Это делается с помощью задающего генератора, усилительного ключа, эмиттерного повторителя, ещё одного ключа (в схеме по-моему два повторителя были), всё это нагружается на согласующий трансформатор, а трансформатор запусает выходной инвертор. Инвертор, собранный на четырёх параллельно-включенных транзисторах, нагружен на ВЧ-трансформатор. С него высокое напряжение (около 10кВ) выпрямляется селеновыми столбиками. Далее выход подаётся либо на преобразователь Грея, либо на трансформатор Теслы (тогда оно увеличивается до 1МВ). Следует заметить, что постоянка ничего на выходе не даст. А потому основная частота генератора модулируется импульсами с другого генератора. То есть вся эта схема преобразователя должна работать на высоких частотах.

Итак эксперимент. Как всегда всё начиналось неплохо. Из всего, что мне попадалось под руку, я соорудил генератор и инвертор. Они работали не плохо. Возникла необходимость изготовить высоковольтные ВЧ-трансформаторы. И тогда начались проблемы. Я взял ТДКС от EGA-монитора, выдернул феррит (он там простой скобой закреплён), прикинул сколько витков можно намотать. Изобрёл и собрал за неделю целый намоточный агрегат с синхронным двигателем СД-57 и счётчиком на калькулляторе. И начал искать проволоку. Её я как раз и не нашёл! Пришлось бомбить военный дроссель. Разборка военного дросселя - задание для настоящих мужчин.😬 Мне прямо так у виска и крутили.😊 Разобрал, проволоку скрутил (вдруг пригодиться), но её диаметр большеват. Тогда сделал по-другому (руки-то чешутся).😊 В отверстие ТДКС-а (туда где феррит втыкался), засунул свёрнутый в 10 витков провод. И включил свой чудо-агрегат.

Чуда не произошло - ничего не работало. Точнее всё работало, но на выходе ТДКС ничего не было. Маленько почесав репу ткнулся осциллографом на 27 воль (питание выходного инвертора) - так и есть импульсы амплитудой 27 вольт! Пораскинув последними мозгами пришёл к выводу - сопротивление кабеля, подводящего 27В слишком высокое. Добавил пару диодов и кондёр (то есть выпрямитель для постоянки😳) - вроде всё хорошо, но 5 вольт "просело" до 2! Добавив вольтаж убедился - всё работает. С блока питания 5В шёл красивый дым. Быстро дотронулся до выходного транзистора и получил неслабый волдырь на пальце. Пощупав согласующий трансик пришёл к выводу - он и садит. Добавил эмиттерный повторитель на трёх 803-их транзисторах, запитал их от 27, а на базу подал 5В с блока питания и корпус, через 510 Ом. Всё заработало без выкрутасов: повторитель на трех транзисторах стал рассеивать на себе (27-5)*5=110 ватт мощности.😬

Итак настало время экспериментов. Они сразу меня разочаровали - на какую обмотку ни ткнись (из тех что прозванивались), неонка кратковременно вспыхивала и гасла. Прежде чем снова прикоснуться надо было подождать. Тоже относится и к умножителю. Видимо надо было полярность входной обмотки поменять. Но я сделал иначе - прошёлся лампочкой по всем выводам и нашёл один-единственный на котором она постоянно светилась. Но слабо. Решил усилить эффект. Взял ленту от кондёра и прицепил к умножителю. Услышал треск - прикоснувшись к любой железяке она начинала искрить. Убрал лишние железки включил - лампочка стала светиться ярче. Даже ЛДС-ка горела наполовину. Решил подбавить частоты. Генератор работает на 8 Мгц и через делитель подключен к схеме. Частота повысилась где-то от 65-125 Кгц до 250-500 Кгц. Лампочки стали светиться ярче. ЛДС на всю длину. Попробовал тогда ионизировать металл. Подключил небольшой кусок ленты от кондёра к выходу и нифига! Даже лампочки от неё не светятся. Причём даже если долго подождать заряда. Зато я попробовал подвесить сверху ленту от второго выхода и она мгновенно притянулась! Такой вот заряд! Кстати напряжение определить не удалось - прибор зашкаливает на пределе 1 кВ.

Надо будет как появится время попробовать добавить частоты и с вилкой Авраменко ткнуться. Ну и собрать генератор вращающегося поля. Может (учитывая сильный заряд) и так взлетит? Но как бы там ни было проволоку придётся искать и делать всё по-уму.😈😳
7542f7.djvu
Размер: 23.03 KB

SkyBlot | Post:75372 - Date: 24.07.07(21:40)
Спасибо всем за "освежение" темы и за интересную информацию.
Схему с реле я собрал давно, ставил эксперименты. Деталей точно уже не помню. Но остались фотки устройства, которые я выложу в ближайшее время. Что касается экспериментов, то помню, что меня заинтересовали две вещи:
1. Действительно, как и в опытах Авраменко сопротивление линии от генератора к вилке не влияло на яркость светодиодов. Я вместо провода собрал последовательную цепь из всех резисторов, что нашел в доме. Получилось около полуметра. Никакого изменения яркости диодов я не заметил.Кроме того, я удлинил линию оголенным проводом длиной в 20м. Подключал вилку в различных точках на протяжении всего провода - яркость не менялась.
2. Подключенный конденсатор (номинал не помню) заряжался до 32В и не более. Интересно, какие факторы определяют этот порог напряжения?
3. Планировал поставить эксперимент, в котором линией передачи служил бы водоем, а сам генератор в герметичном контейнере был бы опущен на определенную глубину. На днях попробую.

ert_zeb | Post:75602 - Date: 27.07.07(18:25)
Напряжение на выходе вилки определяется мощностью импульса, поделённому на сопротивление. Я где-то писал, что ЛДС например, обмотанная фольгоой выдаёт около полутора сотен вольт относительно земли. А вот на вилке - единицы вольт. Кстати в моём эксперименте с ТДКС на вилке появлялся потенциал близкий к 200В. Если нагрузить её на неонку напряжение падало по-моему до 58В и она еле светилась...

vodoprovodchik | Post:77221 - Date: 14.08.07(08:07)
У некоторых СИЛА МЫСЛИ дажность горы сдвигает...кудыть там лазеру или электронному лучу 😏 .

ert_zeb | Post:77499 - Date: 16.08.07(15:37)
Поищите, где-то то-ли в ветке "раскинем мозги по радианту", то ли в "эфир"-е был описан самопальный лазер на двух самодельных кондёрах. Работает на атмосферном азоте. Есть один недостаток - спектр ультрафиолетовый, так что от рефракционной оптики придётся отказаться в пользу рефракционной. Но если у Вас завалялись кварцевые линзы может и не придётся...

SkyBlot | Post:79044 - Date: 03.09.07(00:56)
Ура! Нашел часть своих старых записей об экспериментах с ВА. Значит так...
1. На выводы диодов подсоеденен кондер номиналом 64Мкф 600V. Зарядка конденсатора происходила достаточно долго. Эмпирически вычислено, что максимальный заряд в 32В достигался за 30 сек. Выше этого напряжения зарядить кондер не удавалось. График функции заряда от времени не являлся линейным.
2. Как я уже отмечал выше, сопротивление линии не оказывало явного влияния на максимальный уровень напряжения конденсатора и яркость светодиодов.
3. Подключение 18В вместо 9В (две последовательно соедененные "Кроны" ) на реле не привело к увеличению максимального заряда конденсатора. Порог в 32В остался неизменным. Зато время зарядки кондера до этого максимального уровня уменьшилось ровно в двое, т.е. до 15 сек. Это я считаю очень важным. Можно сформулировать вывод: рабочее напряжение генератора накачки прямо пропорционально возникающей разности потенциалов на ВА за один период совершаемых колебаний. Если объяснять "на пальцах" то лучше всего сравнивать систему с гидравлическим устройством, изображенным и описанным ниже. Увеличивая напряжение генератора мы увеличиваем по аналогии длину хода поршня, подавая большую порцию жидкости в конечный резервуар и, тем самым быстрее наполняем его до максимального уровня.
4. По поводу поста vodoprovodchika об экранировании вилки, - у меня был эксперимент. Единственным отличием от приведенной схемы было то, что генератор не был заземлен. Вилка была помещена в небольшую картоную коробку. Коробка со всех сторон обматывалась двумя слоями пищевой фольги. Линия имела отвод на поверхность фольги. Включался генератор, после 0,5 мин. работы вилку отключал, доставал из коробки и замерял напряжение на кондере... по прежнему 32В. 😛 Так что, можно сделать вывод, что экранирование не влияет на работу устройства.

Теперь я сделаю отступление, поскольку следующий эксперимент позволил сделать интересный вывод, а его суть можно понять следуя следующим аналогиям из гидромеханики.
Тесла, например, постоянно проводил аналогию между поведением электричества и поведением жидкости. В своих объяснениях о передачи энергии по одному проводу, он приводит пример с поршнем и эластичным резервуаром на конце цилиндра (Рис.1). Работа поршня и сопротивление расширяющихся/сжимающихся стенок резервуара вызовут переменное движение жидкости в цилиндре. Цилиндр - аналог проводника. Для Вилки Авраменко можно провести подобную аналогию. Она представлена на Рис.2. Односторонние клапаны (показанные на рисунке красным) представляют собой встречно подключенные диоды. Если на концы каждой из трубок подсоеденить резервуары с жидкостью, то в из одного жидкость будет откачиваться, а в другой, наоборот, закачиваться. Каждый из резервуаров аналог обкладок конденсатора. Разность давлений жидкости в резервуарах после работы поршня - аналог разности потенциалов на обкладках конденсатора. В какой-то момент времени разряжение в одном резервуаре и давление в другом достигнут такого значения, что мощности поршня не хватит для впрыска или откачивания очередной порции жидкости. Уровень такого давления и есть аналог предела в 32В. Конечно это объяснение примитивно, но зато, на мой взгляд, очень наглядно.
Теперь подумаем, что произойдет если в цилиндре появилась дырка, или к цилиндру подключили отвод от резервуара достаточно большого объема (Рис.3)? Естественно давление в цилиндре упадет, как и снизится максимально достижимый конечный уровень давлений в наших сосудах-обкладках.
5. Следуя этим аналогиям я поставил следующий эксперимент. К однопроводной линии я подключил достаточно большую емкость, а именно себя самого 😎 : просто взялся за оголенный участок провода и включил генератор. 3 минуты работы генератора, и затем замер напряжения на кондере - ровно 6 вольт вместо 32-х!!!
Следующий шаг, - заземлил линию... кондер вообще не зарядился. Таким образом, доказана правдоподобность приведенной аналогии и сделан вывод, что значительное влияние на максимально достижимый уровень разности потенциалов на выходе оказывает не сопротивление линии, а ее емкость.
Рис. 1. Аналогия Теслы
Рис. 1. Аналогия Теслы
Размер: 12.10 KB
Рис. 2. Аналогия ВА
Рис. 2. Аналогия ВА
Размер: 11.14 KB
Рис. 3 Линия с большой емкостью
Рис. 3 Линия с большой емкостью
Размер: 7.49 KB

Fema | Post:79074 - Date: 03.09.07(11:27)
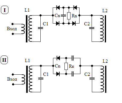
To SkyBlot - судя по вашим экспериментам, должна работать и такая схемка беззатратного отъема энергии от двух контуров, настроенных в резонанс:


Размер: 5.57 KB

ert_zeb | Post:79087 - Date: 03.09.07(13:39)
Должна, но вряд ли заработает. Всё это будет действовать в идеальном случае. Но стоит вспомнить, что ток в цепи незначительный. Тут статика нужна - экран вокруг дросселя, или вокруг очень широкой пластины.
Кстати в моих экспериментах направление тока не имело никакого значения. Светодиоды светились при прикосновении любым из выводов. И сильно грелись при этом. Иными словами выпрямление переменки здесь может идти несколько иным способом, чем обычно. Основной источник работы полупроводниковых переходов - тепловое движение электронов. То есть диоды выполняют роль наподобие солнечных баттарей, работающих от нагревания. Надо попробовать несколько диодов в параллель включить и проверить ускорится ли заряд.

Fema | Post:79088 - Date: 03.09.07(14:10)
Ну можно и старым диодным методом потенциал загрести:


Размер: 9.16 KB

ert_zeb | Post:79095 - Date: 03.09.07(15:38)
Не понял по последней схеме. Где здесь однопроводная линия?

Fema | Post:79108 - Date: 03.09.07(18:20)
Снял последнюю картинку, так как оказалась она не по теме.

SkyBlot | Post:79113 - Date: 03.09.07(19:26)
Абсолютно уверен, что часть схемы приведенной на рисунке работоспособная. На счет другой части надо подумать.😎


Размер: 6.56 KB

SkyBlot | Post:79115 - Date: 03.09.07(19:50)
Подумал... 😬
Скажем так, работать должно, конечно если контуры настроены в резонанс и все параметры подобраны соответствующим образом. Но вся беда в том, что неизвестна методика расчета однопроводных схем. В свое время я занялся экспериментами с ВА с целью вывести такую методику, но до конца работу не довел.

ert_zeb | Post:79154 - Date: 04.09.07(11:45)
Что именно Вам нужно рассчитать? Контуры?
0cd266.djvu
Размер: 43.72 KB
a45603.djvu
Размер: 45.16 KB

[ 1 | 2 | 3 | 4 | 5 | 6 | 7 | 8 | 9 | 10 ] [>
У Вас нет прав отвечать в этой теме.
Форум - Резонансные генераторы - Резонанс Авраменко - Простейшая схема для экспериментов с ВА - Стр 1
🏠 Главная | 📚 Содержание | 💬 Форум | 📁 Файлы | 📩 Контакт