[ВХОД]

04.04.26(12:35)

www.skif.biz

Альтернативная энергия. Оставь надежду, всяк сюда входящий...

🏠 Главная | 📚 Содержание | 💬 Форум | 📁 Файлы | 📩 Контакт

📱 | 🖨️

Форум - Резонансные генераторы - Электронные генераторы (схемотехника) - Помогите пожалуйста разработать генератор - Стр:1
Модератор: генератор
генератор | Post:77200 - Date: 13.08.07(23:58)
Просьба к электронщикам помогите разработать генератор двухфазного постоянного напряжения со сдвигом 90* и регулируемой частотой от 1до500Гц очень надо ,график выходного напряжения в рисунке


Размер: 12.03 KB

MSN | Post:77202 - Date: 14.08.07(00:40)
1. НА рисунке я не вижу никакого сдвига, по фазе, а только сдвинутые сигналы по уровню. Определитесь.
2. Какие параметры сигнала должны быть: ток, напряжение.
3. Насколько это должен быть синус.
4. насколько это должно быть сложно/просто, осилите ли вы сборку такого генератора ?


_________________
Говорите говорите, я всегда зеваю когда мне интересно. 99,9% всех СЕ устройств, - от неправильных измерений


AlexFrolov | Post:77203 - Date: 14.08.07(00:47)
генератор Пост: 77200 От 14.Aug.2007 (00:58)
Просьба к электронщикам помогите разработать генератор двухфазного постоянного напряжения со сдвигом 90* и регулируемой частотой от 1до500Гц очень надо ,график выходного напряжения в рисунке


ну и вопросик! не сказать чтоб совсем уж непонятно... однако у него свой язык... или наречие... фаза - это функция времени. Какая фаза у постоянного? намек я понял - возможно импульсы ему надо однополярные.. а на чем будем строить? 155 или 133 серию знаете? 176 или 561?

генератор | Post:77228 - Date: 14.08.07(09:21)
MSN:Простите не првильно выразился действительно сигналы сдвинутые по уровню, ток 3А напряжение 10В, синус желательно чистый, по возможности проще.
AlexFrolov:а на чем будем строить?.155 серия подойдёт, ток потребления не критичен.
Сравнил с фазой потому,что в единицу времени фаза А имеет + max, фаза B имеет - min относително 0 и наоборот изменяющиеся по синусоиде

MSN | Post:77231 - Date: 14.08.07(09:46)
Если сигналы сдвинуты по уровню, это намного упрощает задачу.
Есть ли доступ к приобретению микросхем бытовых УНЧ типа ТДАхх ?
Если да, то их можно и использовать, как известно большинство из них
это интегральные мощные ОУ.
Определитесь,
1.для устройства должна быть общая "земля" или для каждого она может быть отдельной ?
2. Источник питания для устройства предполагается изготавливать с "нуля" или использовать готовый?
3. НАгрузка активная или реактивная?

P.S. Еще, если делать схему генератора синуса по классической схеме,(усилитель охваченный ПОС), то КПД его вряд ли перевалит за 50 %, это критично?

_________________
Говорите говорите, я всегда зеваю когда мне интересно. 99,9% всех СЕ устройств, - от неправильных измерений


генератор | Post:77238 - Date: 14.08.07(11:32)
MSN
: Микросхемы серии TDA доступны
1.земля общая
2.питание аккумулятор
3.активная
4.КПД не критично

AlexFrolov | Post:77243 - Date: 14.08.07(14:21)
можно проще... если цель - создать магнитное поле... создайте постоянную составляющую поля отдельной катушкой.

MSN | Post:77276 - Date: 14.08.07(19:10)
Предлагаю саму схему генератора собрать по классической схеме на ОУ с так называемым мостом Вина-Робинсона.( Для перестройки по частоте, резистор R должен быть сдвоенный переменный).
В качестве ОУ подберем мощный усилитель серии ТДА с необходимыми параметрами. Схему сдвига уровней чуть позже.
image

_________________
Говорите говорите, я всегда зеваю когда мне интересно. 99,9% всех СЕ устройств, - от неправильных измерений


генератор | Post:77280 - Date: 14.08.07(19:24)
Смотрите рисунок на нём изображено то, что мне нужно напряжения относительно нуля, заранее спасибо


Размер: 17.99 KB

MSN | Post:77292 - Date: 14.08.07(21:46)
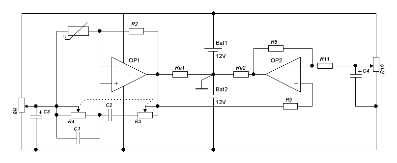
Как пример привожу упрощенный вариант схемы, где R3 R4 осуществляют перестройку по частоте, а R8 R10 осуществляют сдвиг соответствующих сигналов в диапазоне +12В, -12 В. Где ОР1 -сам генератор работаюший на Rн1, а ОР2 это повторитель сигнала для Rн2. ПОскольку генераторы должны выдавать ток а не напряжение, нет регулировки уровня выходного сигнала, его введение потребует дополнительного усложнения схемы.
image



Размер: 6.30 KB

_________________
Говорите говорите, я всегда зеваю когда мне интересно. 99,9% всех СЕ устройств, - от неправильных измерений


генератор | Post:77297 - Date: 14.08.07(22:45)
Скажите пожалуйста в точках выхода ОУ напряжение будет постоянное 12в при любой частоте так? (относительно друг друга)

MSN | Post:77298 - Date: 14.08.07(22:55)
в точках выхода ОУ напряжение будет постоянное 12в при любой частоте так? (относительно друг друга)

Таким каким вы его сами выставите. ДЛя этого существуют резисторы сдвига уровней "ноля" R8 и R10, я так понимаю если напряжение на выходе генератора должно быть 10в, то чтобы оно соответствовало картинке Post: 77280, этими резисторами нужно выставить на выходе ОУ без сигнала +5В и -5В соответственно.

P.S. Я так и не понял, регулировка Uвых каналов требуется, или нет ?

_________________
Говорите говорите, я всегда зеваю когда мне интересно. 99,9% всех СЕ устройств, - от неправильных измерений


mobile | Post:77315 - Date: 15.08.07(02:49)
Уважаемые участники форума, очень нужен генератор двухполярных импульсов(меандр) частота 5-100 кГц,напряжение до 10 вольт, ток до 500 милиАмпер,нагрузка индуктивная. задающий генератор хочу попробовать на К561ЛА7.может у кого нибудь есть очень простые схемы.С уважением

MSN | Post:77322 - Date: 15.08.07(05:29)
mobile
Не, ну это прямо эпидемия какая-то на генераторы пошла 😎

нужно уточнить ТЗ, с переменной скважностью или как?
Вообще то если с переменной и на индуктивную, тогда лучше что нибуть специализированное с большим током выхода, чтобы без проблем перезаряжать затворную емкость МОСФЕТА. Что то типа ТЛ598 и аналдоги, можно 2х555(КР1006 ВИ) и т.д. но можно в принципе и 561ла7, прийдется умощнять выход, т.к. она слаботочная

_________________
Говорите говорите, я всегда зеваю когда мне интересно. 99,9% всех СЕ устройств, - от неправильных измерений


MSN | Post:77469 - Date: 16.08.07(10:53)
генератор если тема еще актуальна, посмотрел, в принципе подойдут TDA2050/2051/2052 у них токи 5-6А , защита по выходу от КЗ, и рассеиваемая мощность 25-30 Вт, - самое то. Сможете их достать ?
P.S. кстати вы не ответили на вопрос о регулировке уровня выходного напряжения. Также если есть проблемы с TDA, можно применить обычные ОУ, умощнив их выход транзисторами.

_________________
Говорите говорите, я всегда зеваю когда мне интересно. 99,9% всех СЕ устройств, - от неправильных измерений


генератор | Post:77504 - Date: 16.08.07(17:00)
MSN: м схемы серии ТДА попробую достать,что касается регулировки выходного напряжения то желательно но не обязательно главное что бы выходные сигналы были синхронны т.е в любое время при любой частоте напряжение между фазами было постоянным ,скажем 10в изменения должны происходить относительно нуля. Простите,что не владею техничесским языком

MSN | Post:77505 - Date: 16.08.07(17:18)
После того как определитесь с TDA, - продолжим. ПРименение их не является обязательным, просто упрощает схему и монтаж. ПОвторяю, - если нет возможности их достать, генератор можно собрать на обычных ОУ, - умощнив их выход внешним усилителем тока на транзисторах.

_________________
Говорите говорите, я всегда зеваю когда мне интересно. 99,9% всех СЕ устройств, - от неправильных измерений


yurec | Post:77519 - Date: 16.08.07(22:17)
MSN. А не лучше ли собрать тупо. Две TDA-шки по такой схеме. Подключение ЗГ бери на себя.
Примерно так
Примерно так
Размер: 10.20 KB

_________________
Не позволяйте обманывать себя.


MSN | Post:77530 - Date: 17.08.07(02:32)
yurec ты сейчас нарисовал масло - масленное .
Осталось охватить один из операционников частотозависимой ПОС, а другой включить как повторитель, добавить схему сдвига уровней и прийдешь к схеме Post: 77292 .
Человеку нужен автономный специализированный генератор. Ну может же быть такая ситуация, что нет у него ЗГ у шкапчику ?

_________________
Говорите говорите, я всегда зеваю когда мне интересно. 99,9% всех СЕ устройств, - от неправильных измерений


bes | Post:77578 - Date: 17.08.07(16:44)
Да сделайте по самому простому и тупому варианту. На любом ОУ задающий генератор с мостом Винна. MSN давал вам такой пример. Только со стабилизацией амплитуды. А на выход 2 эмитерных повторителя на сдвоенных транзисторах. Чтобы увеличить входное сопротивление. На базы через делители подавать смещение. Сколько поставите, такое смещение на выходе и будет. И на те же бызы через большие кондеры подавать выход с задающего. По поводу 1 гц я в сомнении, но все остальные частоты пойдут. Я так умощаю свой ЗГ (Г3-112), чтобы получить до 5 а. Тип нагрузки не играет роли.
Что касается TDA, лично в моем справочнике до фига всяких навесок, необходимых для его работы.

У Вас нет прав отвечать в этой теме.
Форум - Резонансные генераторы - Электронные генераторы (схемотехника) - Помогите пожалуйста разработать генератор - Стр 1
🏠 Главная | 📚 Содержание | 💬 Форум | 📁 Файлы | 📩 Контакт