[ВХОД]
25.05.26(13:39)

www.skif.biz

Альтернативная энергия. Оставь надежду, всяк сюда входящий...

🏠 Главная | 📚 Содержание | 💬 Форум | 📁 Файлы | 📩 Контакт
 
Резонансные генераторы
Магнитные генераторы
Механические центробежные (вихревые) генераторы
Электростатические генераторы
Водородные генераторы
Ветро- и гидро- и солнечные генераторы
Прочие идеи (разные)
О форуме
Транспорт
Оружие
Научные идеи, теории, предположения...
Экономия топлива
Коммерческие вопросы
Струйные технологии
Торсионные генераторы
Новые технологии
Барахолка
Патентный отдел
Конструкторское бюро
Нейтронная физика
Торнадо и смерчи
Гравитация и антигравитация
Сделай сам. Советы.
Медицина и здравоохранение

📱 | 🖨️

Форум - Электростатические генераторы - Электростатика - Бифилярная катушка Никола Тесла (valeralap) - Стр:191
<] [ 1 | ... 181 | 182 | 183 | 184 | 185 | 186 | 187 | 188 | 189 | 190 | 191 | 192 | 193 | 194 | 195 | 196 | 197 | 198 | 199 | 200 | 201 | ... | 487 ] [>
Модератор: valeralap
Первый пост темы: valeralap Post: #626158 От:08.06.2019 (08:37)
Различного рода абстрактные не связанные с темой выступления, будут удалятся. Все конструктивное будет приветствоваться. Можно оказывать помощь в виде оформления или правки, если сочтете за необходимость. Если активность будет низкая, то-от этого будет зависеть скорость вашего продвижения.
BAP | Post:766496 - Date: 05.02.22(11:59)
Вот про третью гармонику от Валерия Иосифовича.


Размер: 190.30 KB

BAP | Post:766500 - Date: 05.02.22(12:11)
tavil Пост: 766439 От 04.Feb.2022 (16:02)
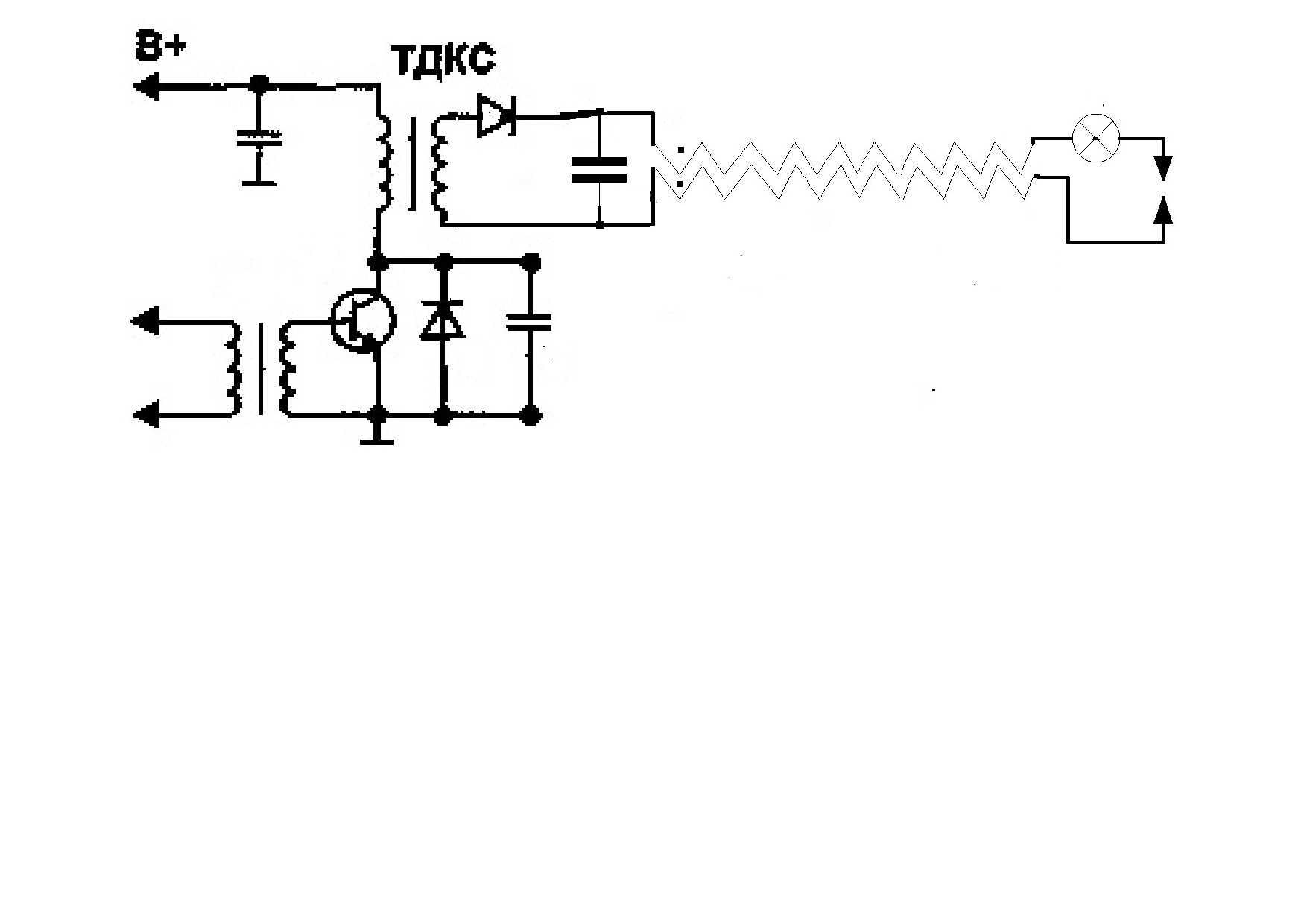
Что то так и не понял как этот бифиляр в резонанс вводить?
Уже и накачку сделал для тдкс-а, и трансформатор на феррите испробовал.
Какой то интересный резонанс должен получиться, вернее всего настройка в резонанс не стандартная.
Если ты работаешь с генератором строчной развёртки смотри. Обратный ход строчной развёртки запускает три процесса. Заряд бифилярки с ёмкостью, разряд этой бифилярки с ёмкостью через разрядник и разряд опять бифилярки с ёмкостью через вторичку ТДКСа. К началу следующего импульса обратного хода эти процессы должны закончиться. Поэтому настраиваем с учётом третьей гармоники. При этом такая настройка раскачивает ток прямого хода строчной, что соответственно повышает выброс напряжения на вторичке. И ещё момент. Генератор строчной возвращает неиспользованную энергию обратно в источник питания.


Размер: 115.93 KB

missioner | Post:766505 - Date: 05.02.22(12:31)
Надо первичку ТДКС как то вводить в параллельный токовый резонанс. Об этом говорит мой опыт экспериментов на простом трансформаторе. Или же сделать так чтобы для импульсного трансформатора бифилярная катушка стала источником тока,т.е. чтобы она была в параллельном токовом резонансе подпитываемой от ТДКС, первичка импульсного трансформатора при этом будет обмоткой колебательного контура а бифилярка конденсатором. Всё это должно быть нагружено на нагрузку на вторичке требующую большого тока(мощности)... Нет нагрузки -нет и генераций СЕ. Просто на высоких частотах и напряжениях не нужно таких массогабаритов как на низких(даже у тех же самых ёмкостей) чтобы получать такие же мощности. Кстати,это говорит и о том что не так уж и пила необходима или прямоугольники,всё можно организовывать и на старой милой и послушной синусоиде.

_________________
Здесь хранится СЕ суперавтотрансгенератор https://www.skif.biz/index.php?name=Forums&file=viewtopic&p=875842#875842 https://disk.yandex.ru/d/T_H9tIHpXVb8dw Дополненная версия с видео: https://disk.yandex.ru/d/RUQMOtXIHzRo7Q


Antek | Post:766522 - Date: 05.02.22(15:14)
Вот видишь Ersh -всё таки я оказался прав-ток вообще не нужен-а нужен потенциал и в первом и в тором видео про это.А вы все далёкие от темы-зажигайте лампочки от ТДКСа и поярче!!!Вообще то всё так разжёвано,что школьник в первом классе понял бы что и к чему.Ток нужен при приёме и его рождает бифиляр.
Цитата от Ужаса [ссылка]

_________________
А вы друзья как не садитесь-все в музыканты не годитесь.


Antek | Post:766532 - Date: 05.02.22(17:56)
Ersh Пост: 766531 От 05.Feb.2022 (17:22)

Ты так скоро и такими темпами всех научишь делать БТГ на коленке.😊
Смысл не симметричного разрядника-тот же,что и АМ,ЧМ и ФМ -отклонение формы возбуждающей пространство волны от формы идеальной- синусоидальной.То-есть четвёртый способ модуляции волны и считаю не последний.Если комбинировать несколько сразу-то получится вообще жесть.

_________________
А вы друзья как не садитесь-все в музыканты не годитесь.


dedivan | Post:766534 - Date: 05.02.22(18:12)
Романов не видел ни разу искру на ослике.
Посмотрел бы, сразу бы по другому заговорил.
Это детские представления об искре.
Чем меньше человек учился, тем больше у него желание учить других.
Но на неграмотных действует завораживающе.

Это уже четкий признак- если тащит ролики Романова- значит малограмотный щкольник.

_________________
я плохого не посоветую


April14 | Post:766535 - Date: 05.02.22(18:29)
dedivan Пост: 766534 От 05.Feb.2022 (18:12)
Но на неграмотных действует завораживающе.

Эт точно! Чудят, мудят! Хоть бы один рассказал что он хочет исследовать, какую гипотезу возникновения СЕ, как, что ожидает получить В РЕЗУЛЬТАТЕ опыта!
Реально школьники задроты насмотревшиеся фейков развлекаются! Типа "Мартышка и очки!" Крылова!
2e2638.pdf
Размер: 1.50 MB

Antek | Post:766539 - Date: 05.02.22(18:59)
dedivan Пост: 766534 От 05.Feb.2022 (18:12)

Это уже четкий признак- если тащит ролики Романова- значит малограмотный щкольник.

Каждый каждого оценивает по себе.Деда-ты понятия не имеешь,что такое радиантная энергия от слова совсем.Моск твой закостенел-а учиться переучиваться уже поздно.Я бы сказал даже вредно для твоего психического здоровья.Есть ветка Лиспа- там и пиши для таких как сам.Видишь-я туда не захожу-мне незачем доказывать-то,что я видел своими глазами.Ты не видел и тебе увидеть никогда не светит.
Ещё раз выложу своё фото разряда в разряднике при образовании радиантной энергии-а то упрёки-что ничего не показываю.Разряд при напряжении 10кВ.Сфотографировано через тёмно-жёлтый стеклянный светофильтр старых солнцезащитных очков.Там на фото образование фиолетовых вихрей радиантной энергии во всей красе (после жёлтого светофильтра)


Размер: 117.85 KB

_________________
А вы друзья как не садитесь-все в музыканты не годитесь.


dedivan | Post:766547 - Date: 05.02.22(19:42)
Antek Пост: 766539 От 05.Feb.2022 (18:59)
фото разряда в разряднике при образовании радиантной энергии

И где ты тут увидел радиантную энергию?
Ты хоть знаешь что назвали этим словом?

_________________
я плохого не посоветую


Antek | Post:766554 - Date: 05.02.22(20:16)
Дед,не весели меня,я и так в настроении.Это вихревые образования из статических зарядов,которые перемещаются в пространстве в виде волны.При попадании на металлический предмет вихрь разрушается а предмет получает перенесённый через пространство заряд.Перемещение вихрей образует продольную волну электрической природы.Именно энергетическую волну при помощи которой Н.Тесла передавал электрическую энергию на расстояние.Именно благодаря этой энергетической волне существует возможность энергетически обмениваться энергией с окружающим пространством.Н.Тесла писал,что при распространении такого типа волны не только не ослабляются-но ещё и усиливаются.Именно используя это замечательное свойство и существует возможность создание сверх единичных установок.

_________________
А вы друзья как не садитесь-все в музыканты не годитесь.


олег-джан | Post:766557 - Date: 05.02.22(20:19)
образования из статических разрядов,которые перемещаются

Конечная....

_________________
Обьективная реальность-бред,вызванный недостатком алкоголя в крови...


Antek | Post:766558 - Date: 05.02.22(20:22)
олег-джан Пост: 766557 От 05.Feb.2022 (20:19)
образования из статических разрядов,которые перемещаются

Конечная....

Не придирайся к словам,я и так пишу и каждую букву по минуте жду,пока пропечатает на скифе

_________________
А вы друзья как не садитесь-все в музыканты не годитесь.


олег-джан | Post:766559 - Date: 05.02.22(20:25)
Я не к словам, а к конечному смыслу...который в итоге...того...отсутствует....
Ладно, случайно встрял...развлекайтесь..

_________________
Обьективная реальность-бред,вызванный недостатком алкоголя в крови...


Antek | Post:766560 - Date: 05.02.22(20:29)
олег-джан Пост: 766559 От 05.Feb.2022 (20:25)
Я не к словам, а к конечному смыслу...который в итоге...того...отсутствует....
Ладно, случайно встрял...развлекайтесь..

Чтобы исправить пришлось перезагрузить хром.

_________________
А вы друзья как не садитесь-все в музыканты не годитесь.


Syava | Post:766562 - Date: 05.02.22(20:37)
Antek Пост: 766554 От 05.Feb.2022 (20:16)
Дед,не весели меня,я и так в настроении.Это вихревые образования из статических зарядов,которые перемещаются в пространстве в виде волны.При попадании на металлический предмет вихрь разрушается а предмет получает перенесённый через пространство заряд.Перемещение вихрей образует продольную волну электрической природы.Именно энергетическую волну при помощи которой Н.Тесла передавал электрическую энергию на расстояние.Именно благодаря этой энергетической волне существует возможность энергетически обмениваться энергией с окружающим пространством.Н.Тесла писал,что при распространении такого типа волны не только не ослабляются-но ещё и усиливаются.Именно используя это замечательное свойство и существует возможность создание сверх единичных установок.

Немного дополню , для СЕ устройства нужны хотя бы две продольки сдвинутые по фазе друг относительно друга ,только в этом случае можно мощу получить. На одной продольке -максимум самозапит

dedivan | Post:766566 - Date: 05.02.22(20:44)
олег-джан Пост: 766557 От 05.Feb.2022 (20:19)

Конечная....

Да, без понимания физики она следующая остановка от начальной.

_________________
я плохого не посоветую


alcolyt | Post:766605 - Date: 05.02.22(23:15)
Держите хоть рыбов или лепешек 😬


Размер: 82.54 KB

niyazzi | Post:766641 - Date: 06.02.22(09:10)
dedivan Пост: 766534 От 05.Feb.2022 (18:12)
Романов не видел ни разу искру на ослике.
Посмотрел бы, сразу бы по другому заговорил.
Это детские представления об искре.
Чем меньше человек учился, тем больше у него желание учить других.
Но на неграмотных действует завораживающе.

Это уже четкий признак- если тащит ролики Романова- значит малограмотный щкольник.
Ув.dedivan. Научите пожалуйста как правильно посмотреть искру на ослике( без нанесения тяжкого вреда здоровью последнему).

missioner | Post:766643 - Date: 06.02.22(09:54)
alcolyt Пост: 766605 От 05.Feb.2022 (23:15)
Держите хоть рыбов или лепешек 😬
Мне кажется извлекать энергию двух колебаний за счёт разницы фаз сильно затратно энергетически. Смотрим,каждая волна несёт энергию. в моменты когда они накладываются синфазно мы получаем на результирующей волне полную сумму энергий обеих волн. А когда накладываются противофазно получишь ли ты их суммарную энергию? А она ведь в это время была!

_________________
Здесь хранится СЕ суперавтотрансгенератор https://www.skif.biz/index.php?name=Forums&file=viewtopic&p=875842#875842 https://disk.yandex.ru/d/T_H9tIHpXVb8dw Дополненная версия с видео: https://disk.yandex.ru/d/RUQMOtXIHzRo7Q


Antek | Post:766659 - Date: 06.02.22(12:56)
Волна нужна одна,энергетическая,вернее стояк из этой волны- который структурирует пространство создавая области энергетических максимумов и минимумов.Эта волна взаимодействует с пространством и происходит энергообмен .Любой качер или тесла создаёт такую область,но для создания энергетической волны с захватом пространства нужен особый режим.Кроме режима нужно ещё исказить форму этих колебаний,чтобы энергетически при приёме получалось больше,чем при передаче.А как снимать с неё энергию-есть много разнообразных способов.

_________________
А вы друзья как не садитесь-все в музыканты не годитесь.


Vladimir | Post:766765 - Date: 06.02.22(23:03)
Antek Пост: 766659 От 06.Feb.2022 (12:56)
Волна нужна одна,энергетическая,вернее стояк из этой волны- который структурирует пространство создавая области энергетических максимумов и минимумов.Эта волна взаимодействует с пространством и происходит энергообмен .Любой качер или тесла создаёт такую область,но для создания энергетической волны с захватом пространства нужен особый режим.Кроме режима нужно ещё исказить форму этих колебаний,чтобы энергетически при приёме получалось больше,чем при передаче.А как снимать с неё энергию-есть много разнообразных способов.

Ужас какой то!😬

bazarov | Post:766769 - Date: 06.02.22(23:09)
Чо там про стояк у волны? 😘

ПС. Многие говорят про стоячие волны.... вы ещё лежачих волн не видели!!

_________________
Не хватит никакого здоровья, чтобы приспособиться к этому глубоко больному обществу(Кришна Мурти)/Горшки не Боги обжигают (многовековая классика)


Antek | Post:766788 - Date: 07.02.22(00:15)
Привыкай к жаргону-экономия букв

_________________
А вы друзья как не садитесь-все в музыканты не годитесь.


bazarov | Post:766789 - Date: 07.02.22(00:31)
Ну да ладно, жаргон так жаргон. Как-то был случай на релейке, там переотражение волны в кабеле произошло. Так каждые надцать сантиметров центральная жила кабеля была разорвана от токовой нагрузки. Стоячка у волны была по току такая, что в пучностях центральная жила перегорела как предохр. При этом сигнал шёл и согласование было. Пока был сигнал место перегорания было проводником в виде перегретой сажи. Потом усил сдох, высокое пробило обмотки ВН по питанию анода. СЕ обнаружено не было, зато инженер по обслуге жопу на лоскуты рвал, ибо ЗИПа не хватало и надо было вне штата запрос давать...

Я нормально излагаю 😕 ?....

ПС. Вот наш местный товарищ Алкололик дал схему смешения двух сигналов близких по частоте... Но сигналы можно смешивать не только по мощности, но и по частоте с стабильным напряжением. Тогда получается девитация частоты. Вопрос. Он намерено это сделал или со злым умыслом? Типа ввести в заблуждения неокрепшие умы и всё такое...

_________________
Не хватит никакого здоровья, чтобы приспособиться к этому глубоко больному обществу(Кришна Мурти)/Горшки не Боги обжигают (многовековая классика)


Antek | Post:766791 - Date: 07.02.22(01:38)
Vladimir Пост: 766765 От 06.Feb.2022 (23:03)

Ужас какой то!😬

Да не для слабонервных сие занятие.

_________________
А вы друзья как не садитесь-все в музыканты не годитесь.


<] [ 1 | ... 181 | 182 | 183 | 184 | 185 | 186 | 187 | 188 | 189 | 190 | 191 | 192 | 193 | 194 | 195 | 196 | 197 | 198 | 199 | 200 | 201 | ... | 487 ] [>
У Вас нет прав отвечать в этой теме.
Форум - Электростатические генераторы - Электростатика - Бифилярная катушка Никола Тесла (valeralap) - Стр 191
🏠 Главная | 📚 Содержание | 💬 Форум | 📁 Файлы | 📩 Контакт