[ВХОД]
19.04.26(03:43)

www.skif.biz

Альтернативная энергия. Оставь надежду, всяк сюда входящий...

🏠 Главная | 📚 Содержание | 💬 Форум | 📁 Файлы | 📩 Контакт
 
Резонансные генераторы
Магнитные генераторы
Механические центробежные (вихревые) генераторы
Электростатические генераторы
Водородные генераторы
Ветро- и гидро- и солнечные генераторы
Прочие идеи (разные)
О форуме
Транспорт
Оружие
Научные идеи, теории, предположения...
Экономия топлива
Коммерческие вопросы
Струйные технологии
Торсионные генераторы
Новые технологии
Барахолка
Патентный отдел
Конструкторское бюро
Нейтронная физика
Торнадо и смерчи
Гравитация и антигравитация
Сделай сам. Советы.
Медицина и здравоохранение

📱 | 🖨️

Форум - Электростатические генераторы - Электростатика - Бифилярная катушка Никола Тесла (valeralap) - Стр:175
<] [ 1 | ... 165 | 166 | 167 | 168 | 169 | 170 | 171 | 172 | 173 | 174 | 175 | 176 | 177 | 178 | 179 | 180 | 181 | 182 | 183 | 184 | 185 | ... | 483 ] [>
Модератор: valeralap
Первый пост темы: valeralap Post: #626158 От:08.06.2019 (08:37)
Различного рода абстрактные не связанные с темой выступления, будут удалятся. Все конструктивное будет приветствоваться. Можно оказывать помощь в виде оформления или правки, если сочтете за необходимость. Если активность будет низкая, то-от этого будет зависеть скорость вашего продвижения.
Stels | Post:764550 - Date: 23.01.22(10:55)
vodoprovodchik Пост: 764541 От 23.Jan.2022 (10:39)
Странно искать СЕ через классические формулы ?? А чё? так можно? 😏
можно! Если это:


Размер: 3.53 KB

_________________
Из ничего ничто произойти не может; ничто существующее не может быть уничтожено, и всякое изменение состоит лишь в соединении и разделении. Демокрит 460-370 гг. до н....


BAP | Post:764551 - Date: 23.01.22(11:29)
Cosmogor Пост: 764232 От 20.Jan.2022 (19:49)
Всем желающим даю схему , делайте, она рабочая.
Привет. Cosmogor, спасибо за схему. Понял как сделать демодуляцию прямо на НЧ резонансном контуре. Без лишних деталей. Тысячу раз видел эту схему, спасибо ткнул носом.

Antgrl | Post:764554 - Date: 23.01.22(11:50)
BAP Пост: 764551 От 23.Jan.2022 (11:29)
Cosmogor Пост: 764232 От 20.Jan.2022 (19:49)
Всем желающим даю схему , делайте, она рабочая.
Привет. Cosmogor, спасибо за схему. Понял как сделать демодуляцию прямо на НЧ резонансном контуре. Без лишних деталей. Тысячу раз видел эту схему, спасибо ткнул носом.


Расскажите подробнее о демодуляции прямо на НЧ резонансном контуре.

missioner | Post:764559 - Date: 23.01.22(12:27)
Проверил в работе свой новый генератор ВН, пока по этой схеме:
image
Транзистор использовал КТ908А,конденсатор на 100нан. Эта схема при правильном подключений концов проводов которые идут на возбуждение ТДКС сразу при включений даёт дугу в три с половиной-четыре сантиметра (при неправильном всего полсантиметра) которую можно ещё растянуть сантиметров до шести,чтобы получать искры нужно параллельно выходу ВН подключать конденсатор,он хоть и высоковольтный но немного при работе нагрелся. С ним через бифиляр зажёг лампу,горит почти как от высоковольтного вывода монитора, свечи для разрядника нашёл нормальные советские с нулевым сопротивлением.

Схема жрёт от блока питания 4,4 ампера при этом на выходе блока питания остаются 14,6 вольт от 20 вольт которые были без подключения генератора.

С этим генератором при разной частоте искры зависящей от расстояния между электродами разрядника на лампе можно увидеть те же эффекты что видел при экспериментах с высоким напряжением от монитора, такие как стоящие или бегущие по спирали веретенообразные волны яркости, сильный нагрев чуть ли не до перегорания одного конца спирали при слабом свечений остальной её части так что чтобы не сгорела приходилось менять частоту искр...

При попытке повторить опыт с двумя последовательными лампами не успел уследить как создал дугу на центр одной лампы и он расплавился вместе с проводом который внутри цоколя шёл на спираль.

Пока опять делаю без заземления,может быть поэтому не наблюдаю что лампа светится ярче чем если её зажечь через разрядник непосредственно от ТДКС без бифиляра.

Пробовал бифиляр использовать как воздушный трансформатор, подключая ВН через разрядник к одной обмотке а к другой подключал лампу,она горит, несколько слабее чем от непосредственного подключения к ВН,но горит,причём горит одинаково ярко даже если один конец обмотки висит в воздухе никуда не подключенный а лампу подключать между вторым концом и массой или плюсом ТДКС

От входных контактов разрядника можно быстро зарядить обычный 450-вольтовый конденсатор немного подержав... долго, как сами догадываетесь нельзя...

zimnyaya Пост: 764471 От 22.Jan.2022 (20:03)

Это как "все тела состоят из атомов".
Вроде бы и правда, а на деле никакой информации не несёт...

Так же и с принципом, который так никто и не озвучил...стесняются что-то.

...Предполагаю, что собравшимся тут господам это всё не интересно, они предпочитают верить в какие то идеи, а не пытаться их понять...
Кстати, мысль такая о том откуда могут быть СЕ:

По мотивам Деда Вани:
Подключаем последовательно катушку с толстыми обмотками и заряженный низковольтный конденсатор с большущщщей ёмкостью. Вторые концы подключаем к разряднику с большим зазором чтобы минус от конденсатора в этой цепи оказывался подключённым на заострённом конце разрядника смотрящем в центр круглой пластины с плюсом...
Индуктором возбуждаем на катушке высоковольтное напряжение так чтобы импульс тока этого напряжения совпадал с направлением тока от конденсатора.
Не получится ли так что высоковольтный импульс сорвёт с конца заострённого электрода электроны которые до этого уже были прижаты к нему напряжением от низковольтного конденсатора и в результате в разрядном промежутке возникнет энергия от умножения тока конденсатора и высокого напряжения катушки? Не в этом ли реальный принцип работы Валериного и всех других кто смог добиться успеха девайса?
P/S/
Так-с...теперь надо начинать собирать горшок...


Размер: 728.53 KB


Размер: 171.66 KB

_________________
Здесь хранится СЕ суперавтотрансгенератор https://www.skif.biz/index.php?name=Forums&file=viewtopic&p=875842#875842 https://disk.yandex.ru/d/T_H9tIHpXVb8dw Дополненная версия с видео: https://disk.yandex.ru/d/RUQMOtXIHzRo7Q


BAP | Post:764562 - Date: 23.01.22(12:54)
zimnyaya Пост: 764471 От 22.Jan.2022 (20:03)
Cosmogor Пост: 764443 От 22.Jan.2022 (17:10)
zimnyaya, а принцип по сути один, только видоизменяется в некоторых случаях.
Но могу ошибаться.

Это как "все тела состоят из атомов".
Вроде бы и правда, а на деле никакой информации не несёт.

Так же и с принципом, который так никто и не озвучил...стесняются что-то.
Предполагаю, что собравшимся тут господам это всё не интересно, они предпочитают верить в какие то идеи, а не пытаться их понять

Про политику тоже нельзя Про СЭ я уже вообще молчу!... А про что здесь можно???

Можно про свои опыты, например.
Что проверялось, как проверялось и какие выводы
Все с удовольствием послушают
Вот Валерий Йосифович озвучил.


Размер: 185.01 KB

Antek | Post:764565 - Date: 23.01.22(13:03)
BAP ,То,что описано в предыдущем сообщении-всего лишь условие для создания режима работы бифилярной катушки.

_________________
А вы друзья как не садитесь-все в музыканты не годитесь.


BAP | Post:764566 - Date: 23.01.22(13:04)
Antgrl Пост: 764554 От 23.Jan.2022 (11:50)
BAP Пост: 764551 От 23.Jan.2022 (11:29)
Cosmogor Пост: 764232 От 20.Jan.2022 (19:49)
Всем желающим даю схему , делайте, она рабочая.
Привет. Cosmogor, спасибо за схему. Понял как сделать демодуляцию прямо на НЧ резонансном контуре. Без лишних деталей. Тысячу раз видел эту схему, спасибо ткнул носом.


Расскажите подробнее о демодуляции прямо на НЧ резонансном контуре.
Куда уже подробней. Посмотри в схеме Cosmogor-а как взаимодействуют НЧ и ВЧ сигналы. Только радиантно-скалярные теории отбрось.

BAP | Post:764568 - Date: 23.01.22(13:06)
Antek Пост: 764565 От 23.Jan.2022 (13:03)
BAP ,То,что описано в предыдущем сообщении-всего лишь условие для создания режима работы бифилярной катушки.
Привет. Читать то умеешь? Конкретно написано БТГ...

Antek | Post:764569 - Date: 23.01.22(13:09)
BAP Пост: 764568 От 23.Jan.2022 (13:06)
Antek Пост: 764565 От 23.Jan.2022 (13:03)
BAP ,То,что описано в предыдущем сообщении-всего лишь условие для создания режима работы бифилярной катушки.
Привет. Читать то умеешь? Конкретно написано БТГ...

Привет.Читать умею и даже между строк.

_________________
А вы друзья как не садитесь-все в музыканты не годитесь.


valeralap | Post:764579 - Date: 23.01.22(13:44)
Не в этом ли реальный принцип работы Валериного и всех других кто смог добиться успеха девайса?
P/S/
Так-с...теперь надо начинать собирать горшок...

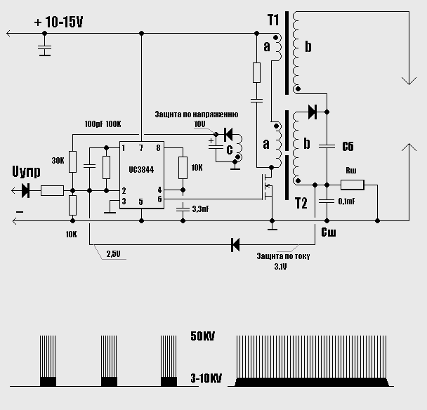
Накидаю малость схем, для вашего развития.



Размер: 8.92 KB


Размер: 6.34 KB


Размер: 20.76 KB

_________________
Чтобы слушать Иисуса Христа, нужно быть, хотя бы его апостолом!


missioner | Post:764585 - Date: 23.01.22(14:22)
Валера,пока не понял,это всё для подтверждения или опровержения моих слов, вижу только что в шокере что то подобное тому что я сказал,кстати,шокеры уже когда-то обсуждали на Скифе. Пока отвлечёмся в сторону:
Тут Соловьёв говорит о надвигающейся революций в производстве электроэнергий, о каком то хитром синтезе(а вдруг напряжения с током(?)):
YouTube: Смотреть видео
Некто Ковальчук тебе случайно не знаком? У кого с привязкой ко времени не показывает смотреть с 3:27:40

_________________
Здесь хранится СЕ суперавтотрансгенератор https://www.skif.biz/index.php?name=Forums&file=viewtopic&p=875842#875842 https://disk.yandex.ru/d/T_H9tIHpXVb8dw Дополненная версия с видео: https://disk.yandex.ru/d/RUQMOtXIHzRo7Q


valeralap | Post:764592 - Date: 23.01.22(15:14)
missioner | Post: 764585 - Date: Sun, 23 Jan 2022 (11:22)Тут Соловьёв говорит о надвигающейся революций в производстве электроэнергий, о каком то хитром синтезе

Я считаю, что чирей должен созреть и выйти естественным путем. Если его ковырять за ранее, есть полная возможность получить сепсис крови и откинуть ласты. А это значит одно, общество должно от температурить и нормальным образом выздороветь.
Общество должно само лечится и искать пути выздоровления и главное хотеть выздороветь. Перевожу-вы должны упорно развиваться использовать любую информацию для своего развития не важно от кого она исходит, главное, что эта информация дает.
Выбрав этот путь, нужно практиковать.

_________________
Чтобы слушать Иисуса Христа, нужно быть, хотя бы его апостолом!


valeralap | Post:764594 - Date: 23.01.22(15:20)
missioner | Post: 764585 - Date: Sun, 23 Jan 2022 (11:22)
Валера,пока не понял,это всё для подтверждения или опровержения моих слов, вижу только что в шокере что то подобное тому что я сказал,кстати,шокеры уже когда-то обсуждали на Скифе.

Не существует плохих схем, есть плохие разработчики.

_________________
Чтобы слушать Иисуса Христа, нужно быть, хотя бы его апостолом!


sbal | Post:764597 - Date: 23.01.22(15:36)
valeralap Пост: 764594 От 23.Jan.2022 (15:20) Не существует плохих схем, есть плохие разработчики.
Это которые наводят тень на плетень?
Да, есть такие 😬

_________________
в пути...


valeralap | Post:764603 - Date: 23.01.22(15:52)
sbal Пост: 764597 От 23.Jan.2022 (15:36)
valeralap Пост: 764594 От 23.Jan.2022 (15:20) Не существует плохих схем, есть плохие разработчики.
Это которые наводят тень на плетень?
Да, есть такие 😬





Размер: 74.47 KB

_________________
Чтобы слушать Иисуса Христа, нужно быть, хотя бы его апостолом!


valeralap | Post:764607 - Date: 23.01.22(16:15)
Ersh Пост: 764604 От 23.Jan.2022 (15:59)
valeralap
Я считаю, что чирей должен созреть и выйти естественным путем. Если его ковырять за ранее, есть полная возможность получить сепсис крови и откинуть ласты. А это значит одно, общество должно от температурить и нормальным образом выздороветь.
Общество должно само лечится и искать пути выздоровления и главное хотеть выздороветь. Перевожу-вы должны упорно развиваться использовать любую информацию для своего развития не важно от кого она исходит, главное, что эта информация дает.
Выбрав этот путь, нужно практиковать.

То есть по вашему все должны сначало заразиться и только потом искать таблетки? 😕 а если нет информации вообще про болезнь, которая "СЕ"?


Все кто здесь присутствует в той или иной мере давно заражены и болеют. Информации полно но сознание воспринимать ее не готово.
Пример относительно тебя. Ты готов спорить, доказывать, ругаться, а если тебе задают вопрос быстро уклоняешься. Я задаю такие вопросы, и самые продвинутые тихенько отсиживаются. Вот пример вашего восприятия.
Я задал сегодня вопрос, что измеряет прибор осциллограф, показывая осциллограммы? И тишина... Так чего вы тут умничаете ?

_________________
Чтобы слушать Иисуса Христа, нужно быть, хотя бы его апостолом!


street | Post:764609 - Date: 23.01.22(16:35)
valeralap Пост: 764607 От 23.Jan.2022 (16:15)
Я задал сегодня вопрос, что измеряет прибор осциллограф, показывая осциллограммы? И тишина... Так чего вы тут умничаете ?

Ну, дык... Кроме тебя все остальные знают, что в конечном итоге любой прибор - весы.

_________________
Главное в мелочах


valeralap | Post:764611 - Date: 23.01.22(16:38)
street Пост: 764609 От 23.Jan.2022 (16:35)
valeralap Пост: 764607 От 23.Jan.2022 (16:15)
Я задал сегодня вопрос, что измеряет прибор осциллограф, показывая осциллограммы? И тишина... Так чего вы тут умничаете ?

Ну, дык... Кроме тебя все остальные знают, что в конечном итоге любой прибор - весы.


Поведай, как осциллограммы взвешиваться будешь.

_________________
Чтобы слушать Иисуса Христа, нужно быть, хотя бы его апостолом!


valeralap | Post:764612 - Date: 23.01.22(16:43)
privett Пост: 764610 От 23.Jan.2022 (16:35)
Между учеником и учителем есть дистанция и она преодолима (рано или поздно ученик вырастет), но целью является мастерство (если так можно сказать), когда появляется мастер говорящего уже нет.


Хорошо сказано, дам вам время подумать... Через денька три, загляну.

_________________
Чтобы слушать Иисуса Христа, нужно быть, хотя бы его апостолом!


Oлег-джан | Post:764613 - Date: 23.01.22(16:55)
Поведай, как осциллограммы взвешиваться будешь.

Про токовые весы не слышал?
До недавнего времени метрологический прибор..

valeralap | Post:764614 - Date: 23.01.22(16:59)
Oлег-джан Пост: 764613 От 23.Jan.2022 (16:55)
Поведай, как осциллограммы взвешиваться будешь.

Про токовые весы не слышал?
До недавнего времени метрологический прибор..



Размер: 1.07 MB

_________________
Чтобы слушать Иисуса Христа, нужно быть, хотя бы его апостолом!


street | Post:764616 - Date: 23.01.22(17:40)
Oлег-джан Пост: 764613 От 23.Jan.2022 (16:55)
Поведай, как осциллограммы взвешиваться будешь.

Про токовые весы не слышал?
До недавнего времени метрологический прибор..

Не... ОН не слышал..😎
[ссылка]

image
/400px-Current_scales.png

_________________
Главное в мелочах


street | Post:764620 - Date: 23.01.22(17:55)
valeralap Пост: 764611 От 23.Jan.2022 (16:38)
Поведай, как осциллограммы взвешиваться будешь.

Надо было в суть углубляться...😎
YouTube: Смотреть видео

_________________
Главное в мелочах


vodoprovodchik | Post:764623 - Date: 23.01.22(18:04)
Нормалёк! 😏
- Вы слышали - Моню током убило!
-не может быть! Он сам электрик!
- при чём здесь электрик ? Аккумулятор с антресолей упал !

Тут такоеже трактование ...;-)

zimnyaya | Post:764624 - Date: 23.01.22(18:06)
missioner Пост: 764559 От 23.Jan.2022 (12:27)
Кстати, мысль такая о том откуда могут быть СЕ:
По мотивам Деда Вани:
Подключаем последовательно катушку с толстыми обмотками и заряженный низковольтный конденсатор с большущщщей ёмкостью. Вторые концы подключаем к разряднику с большим зазором чтобы минус от конденсатора в этой цепи оказывался подключённым на заострённом конце разрядника смотрящем в центр круглой пластины с плюсом...
Индуктором возбуждаем на катушке высоковольтное напряжение так чтобы импульс тока этого напряжения совпадал с направлением тока от конденсатора.
Не получится ли так что высоковольтный импульс сорвёт с конца заострённого электрода электроны которые до этого уже были прижаты к нему напряжением от низковольтного конденсатора и в результате в разрядном промежутке возникнет энергия от умножения тока конденсатора и высокого напряжения катушки? Не в этом ли реальный принцип работы Валериного и всех других кто смог добиться успеха девайса?
P/S/
Так-с...теперь надо начинать собирать горшок...

Предположение неплохое, но схема некоего Акулы не содержит никаких искрящих элементов.
Да и ту самую "энергию от умножения" от искры никто на практике не видел.
Пышная теория и черно-белая картинка из книжки с изображением непонятно чего не в счет.

_________________
Желудь-теоретик знает, как вырасти в дуб (c) Кнышев


<] [ 1 | ... 165 | 166 | 167 | 168 | 169 | 170 | 171 | 172 | 173 | 174 | 175 | 176 | 177 | 178 | 179 | 180 | 181 | 182 | 183 | 184 | 185 | ... | 483 ] [>
У Вас нет прав отвечать в этой теме.
Форум - Электростатические генераторы - Электростатика - Бифилярная катушка Никола Тесла (valeralap) - Стр 175
🏠 Главная | 📚 Содержание | 💬 Форум | 📁 Файлы | 📩 Контакт