[ВХОД]

25.03.26(07:12)

www.skif.biz

Альтернативная энергия. Оставь надежду, всяк сюда входящий...

🏠 Главная | 📚 Содержание | 💬 Форум | 📁 Файлы | 📩 Контакт

📱 | 🖨️

Форум - Электростатические генераторы - Электростатика - Бифилярная катушка Никола Тесла (valeralap) - Стр:172
<] [ 1 | ... 162 | 163 | 164 | 165 | 166 | 167 | 168 | 169 | 170 | 171 | 172 | 173 | 174 | 175 | 176 | 177 | 178 | 179 | 180 | 181 | 182 | ... | 462 ] [>
Модератор: valeralap
Первый пост темы: valeralap Post: #626158 От:08.06.2019 (08:37)
Различного рода абстрактные не связанные с темой выступления, будут удалятся. Все конструктивное будет приветствоваться. Можно оказывать помощь в виде оформления или правки, если сочтете за необходимость. Если активность будет низкая, то-от этого будет зависеть скорость вашего продвижения.
Stels | Post:764259 - Date: 20.01.22(21:19)
Stels Пост: 764247 От 20.Jan.2022 (20:44)
Куда эфективней бить одним импульсом в нужный момент в синусе.
я вот один принцип описал.

_________________
Из ничего ничто произойти не может; ничто существующее не может быть уничтожено, и всякое изменение состоит лишь в соединении и разделении. Демокрит 460-370 гг. до н....



missioner | Post:764270 - Date: 20.01.22(22:48)
Antek Пост: 764139 От 20.Jan.2022 (12:12)
zimnyaya Пост: 764116 От 20.Jan.2022 (09:58)
missioner Пост: 763970 От 19.Jan.2022 (10:42)
Сделал нормальный разрядник....

Все идут похожими путями
image

Твой разрядник,как и Мессионера работать именно с радиантной энергией не будет.Именно из-за не знания свойств радиантной энергии...........далее было очень много букоф(правка моя-миссионер)😕😕😕...
А чё так много слов было, про радиантную энергию,её хитрые свойства.....а чё нельзя было показать вот такую фотку что у меня? Я сам в шоке..... А хотел проверить сразу идею принципа саморегулирования и самосинхронизаций используя хитрость на низковольтной части схемы. Глядь а не получается искра которая происходила при просто перемыканий наконечников свеч проводом. Стал мерять что там такое а оказывается оно вон оно чего!!!! Со свечами как вижу не только радиантная но и обычная энергия не работает.... Теперь придётся делать разрядник из нормального металла.


Размер: 610.18 KB

_________________
Здесь хранится СЕ суперавтотрансгенератор https://www.skif.biz/index.php?name=Forums&file=viewtopic&p=875842#875842 https://disk.yandex.ru/d/T_H9tIHpXVb8dw Дополненная версия с видео: https://disk.yandex.ru/d/RUQMOtXIHzRo7Q



missioner | Post:764274 - Date: 20.01.22(22:59)
Ок,понял.... Я делал из каких то без обозначения производителя,просто синие полоски вокруг свечи.... Под ключ X16. Другая свеча оказалась вообще 5,6 кОм.Это сопротивление в самой свече видимо теперь стали делать вместо помехоподавительного сопротивления в наконечнике подводящего провода

_________________
Здесь хранится СЕ суперавтотрансгенератор https://www.skif.biz/index.php?name=Forums&file=viewtopic&p=875842#875842 https://disk.yandex.ru/d/T_H9tIHpXVb8dw Дополненная версия с видео: https://disk.yandex.ru/d/RUQMOtXIHzRo7Q



Stels | Post:764295 - Date: 21.01.22(08:19)
Ersh Пост: 764263 От 20.Jan.2022 (22:11)

Стелс, не бить нужно, а должна быть именно типа модуляции, можно даже сделать переменный сигнал(резонанс) со смещением по постоянке.
я же написал. Один из!

_________________
Из ничего ничто произойти не может; ничто существующее не может быть уничтожено, и всякое изменение состоит лишь в соединении и разделении. Демокрит 460-370 гг. до н....



niyazzi | Post:764297 - Date: 21.01.22(08:29)
Ув.Antek, Вы давали для missioner схему раскачки ТДКС. Скажите, чем обусловлен выбор двухканального драйвера 4426? Только для увеличения вых. тока?


valeralap | Post:764301 - Date: 21.01.22(09:14)
Cosmogor Пост: 764232 От 20.Jan.2022 (19:49)
Всем желающим даю схему , делайте, она рабочая.


В схеме грубая ошибка. Мjжет преднамеренная.
Схема от акулы,- на ней, правильно...


Размер: 43.02 KB


Размер: 71.01 KB

_________________
Чтобы слушать Иисуса Христа, нужно быть, хотя бы его апостолом!



Stels | Post:764302 - Date: 21.01.22(09:18)
Не думаю что ошибка. Может Акула этого не знал, или преднамеренно так зарисовал.


Размер: 197.16 KB

_________________
Из ничего ничто произойти не может; ничто существующее не может быть уничтожено, и всякое изменение состоит лишь в соединении и разделении. Демокрит 460-370 гг. до н....



valeralap | Post:764303 - Date: 21.01.22(09:24)
Stels Пост: 764302 От 21.Jan.2022 (09:18)
Не думаю что ошибка. Может Акула этого не знал, или преднамеренно так зарисовал.


Не туда смотришь. Ошибка в подключении конденсатора С4.

_________________
Чтобы слушать Иисуса Христа, нужно быть, хотя бы его апостолом!



Stels | Post:764304 - Date: 21.01.22(09:26)
У Акулы резонанс по напряжению, у автора Х по току. В чем проблема?

Трансы если вы не заметили разные...

Зачем народ в заблуждение вводите?

_________________
Из ничего ничто произойти не может; ничто существующее не может быть уничтожено, и всякое изменение состоит лишь в соединении и разделении. Демокрит 460-370 гг. до н....



valeralap | Post:764305 - Date: 21.01.22(09:30)
Stels Пост: 764304 От 21.Jan.2022 (09:26)
У Акулы резонанс по напряжению, у автора Х по току. В чем проблема?


Проблема в отсутствии понятия согласовки импеданса.

_________________
Чтобы слушать Иисуса Христа, нужно быть, хотя бы его апостолом!



Stels | Post:764306 - Date: 21.01.22(09:34)
Видать автор не слыхивал о эмпидансе, от того оно и работает. 😊

_________________
Из ничего ничто произойти не может; ничто существующее не может быть уничтожено, и всякое изменение состоит лишь в соединении и разделении. Демокрит 460-370 гг. до н....



valeralap | Post:764307 - Date: 21.01.22(09:39)
Stels Пост: 764306 От 21.Jan.2022 (09:34)
Видать автор не слыхивал о эмпидансе, от того оно и работает. 😊


Так она и у акулы работает. Вопрос, насколько обе схемы эффективны относительно друг- друга.

_________________
Чтобы слушать Иисуса Христа, нужно быть, хотя бы его апостолом!



Stels | Post:764308 - Date: 21.01.22(09:50)
У автора Х, проще исполнение, следовательно менее заумная настройка. Выход на вскибку, примерно одинаков. Поэтому, я за схему Х!

А кому уж сильно интересно, может и последовательно паралельным резонанс ом поудохаться. Хотя это уже будет извращение над самим собой. 😊

_________________
Из ничего ничто произойти не может; ничто существующее не может быть уничтожено, и всякое изменение состоит лишь в соединении и разделении. Демокрит 460-370 гг. до н....



privett | Post:764309 - Date: 21.01.22(11:21)
Всё время себя спрашиваю, нужен ли ты здесь. Но вот свербит что-то, парни а давайте не будем прыгать с темы на тему. Рома Акула интересен, но давайте разберём ВАЛЕРУ а затем АКУЛУ.
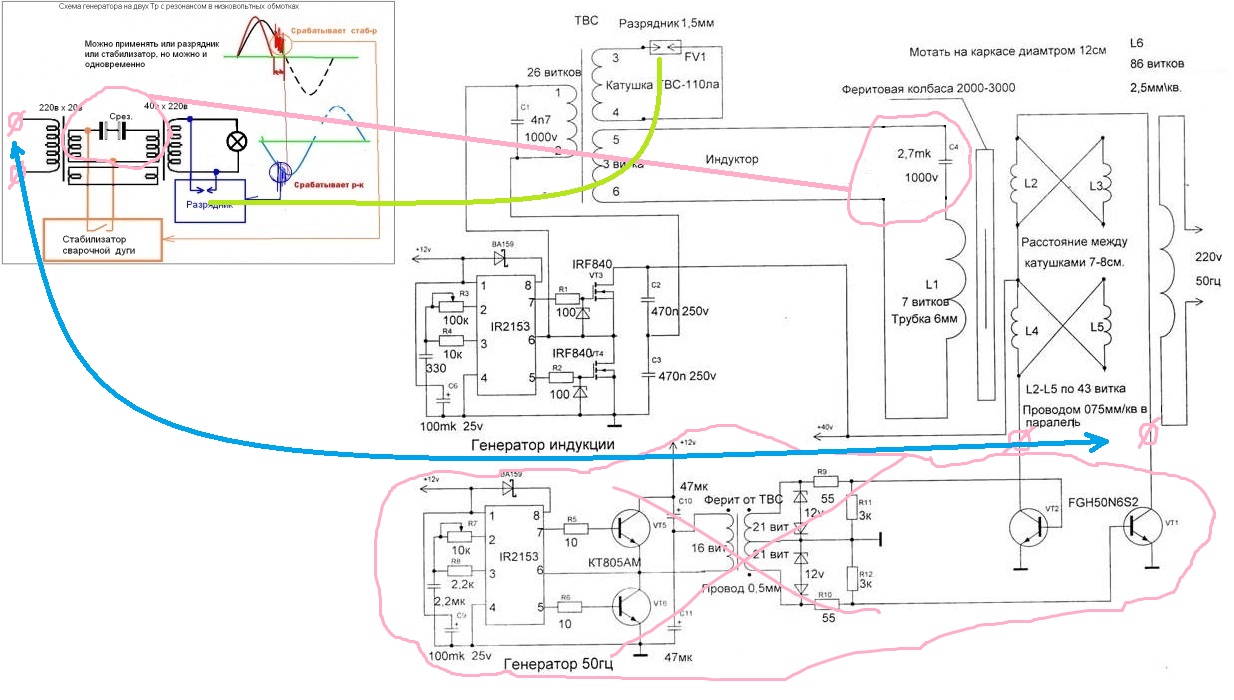
Валера начинал с ШОКЕРА, и от него, зажигал через разрядник, лампу 150вТ/220в. Затем решил зажечь 150вТ/220в от ТВС или ТДКС также через разрядник, но здесь возникла первая проблема, не горит, нужен конденсатор по выходу ТДКС. Появилась цепь: БП – ГЕНЕРАТОР – ТДКС – С*(ёмкость) – разрядник – лампа 150/220. Её надо настроить, на максимальное горение лампы. В этой цепочке (схеме) всё критично и не критично, кроме «С*» она должна быть в пределах 500-1000пкФ, (мы знаем что ёмкость 2-3nF заряженная до 3000в. при разряде в импульсе может дать ток в несколько АМПЕР). Почему 500-1000пкФ, ответ прост: следующий шаг, нам надо ЁМКОСТЬ заменить на БИФИЛЯР. Но ёмкость БИФа должна быть ровна ёмкости С* (мы как бы ёмкость заменили на ёмкость). Теперь требование выросло, надо настроить систему так, что бы горело ТРИ включённых последовательно 150/220. Снова проблема как мотать БИФ, в два провода в одну линию, вся наша доступная изоляция это 50Гц и 1000в. Мотать в два слоя, изоляцию меж слоями можно усилить, но длины L1 и L2 в БИФе должны быть равны и по ИНДУКТИВНОСТИ так же равны, (мотаем L2 секционно от края до края). Думаю у Валеры на старте было две жилы по 10м. Здесь придётся немного по играться, с ёмкостью БИФа и ИНДуктивностью L1 L2 (длина), с целью получения максимального эффекта. Третий шаг, подключение трансформатора, для первичного преобразования полученной мощности в ТОК. Здесь снова свои особенности, не смотря на простоту решения. Первичка транса БИФ (вопрос: диапазон частот эффективной работы), второе плавающая нагрузка.
А может кто поправит и продолжит, а то что то я разошёлся. И закончим эту тему.



Размер: 47.68 KB


Cosmogor | Post:764310 - Date: 21.01.22(11:41)
Stels, Валера правильно говорит,
Вы же хотели схему, только нужно немножко доработать, ну и упростить можно.
А лучше принцип работы её изучить досконально и всё.
как настраивать то её будете?

_________________
Всё, что не делается, всё к лучшему. Раньше или позже это понимаешь



Antek | Post:764311 - Date: 21.01.22(11:48)
niyazzi Пост: 764297 От 21.Jan.2022 (08:29)
Ув.Antek, Вы давали для missioner схему раскачки ТДКС. Скажите, чем обусловлен выбор двухканального драйвера 4426? Только для увеличения вых. тока?

Нет-это не я.

_________________
А вы друзья как не садитесь-все в музыканты не годитесь.



Stels | Post:764312 - Date: 21.01.22(12:02)
Я хотел увидеть вашу схему на 2х деталях, о которой было упомянуто рание. И лично мне схема не нужна, тем более со сложностью настройки. Ведь можно сделать куда все более проще.

_________________
Из ничего ничто произойти не может; ничто существующее не может быть уничтожено, и всякое изменение состоит лишь в соединении и разделении. Демокрит 460-370 гг. до н....



Vladimir37 | Post:764313 - Date: 21.01.22(12:06)
Приводил, как пример работы, когда то схему [ссылка]
Если сравнить с принципом работы со схемы Акулы, разве не одно и тоже ?
Конденсатор С4 перерисовал последовательно.


Размер: 204.49 KB


Cosmogor | Post:764321 - Date: 21.01.22(13:15)
Stels, на держи.
[ссылка]

Остальное уж сам, не ленись

_________________
Всё, что не делается, всё к лучшему. Раньше или позже это понимаешь



Stels | Post:764326 - Date: 21.01.22(13:42)
Cosmogor Пост: 764321 От 21.Jan.2022 (13:15)
Stels, на держи.
[ссылка]

Остальное уж сам, не ленись

Ок!

_________________
Из ничего ничто произойти не может; ничто существующее не может быть уничтожено, и всякое изменение состоит лишь в соединении и разделении. Демокрит 460-370 гг. до н....



niyazzi | Post:764330 - Date: 21.01.22(14:29)
Antek Пост: 764311 От 21.Jan.2022 (11:48)
niyazzi Пост: 764297 От 21.Jan.2022 (08:29)
Ув.Antek, Вы давали для missioner схему раскачки ТДКС. Скажите, чем обусловлен выбор двухканального драйвера 4426? Только для увеличения вых. тока?

Нет-это не я.
Как это не Вы. Стр.273 Post: 762093


Antek | Post:764333 - Date: 21.01.22(14:49)
niyazzi Пост: 764330 От 21.Jan.2022 (14:29)
Antek Пост: 764311 От 21.Jan.2022 (11:48)
niyazzi Пост: 764297 От 21.Jan.2022 (08:29)
Ув.Antek, Вы давали для missioner схему раскачки ТДКС. Скажите, чем обусловлен выбор двухканального драйвера 4426? Только для увеличения вых. тока?

Нет-это не я.
Как это не Вы. Стр.273 Post: 762093

Да,чтобы коммутировать "тяжёлые" затворы ключей,драйвер супер-30Мгц по фронту.Схема не моя-а одной прекрасной женщины-экспериментатора.Там обвязка полевика выполнена грамотно,чтобы продлить его жизнь,когда по схеме гуляет радиант и фронты формирует соответствующие,чтобы он образовался.Я применял драйвер 4427-он не инвертирует сигнал.Тут в авторской схеме не удобство-скважность зеркально изменяется.Например в генераторе была 10%-а после драйвера становится 90%.

_________________
А вы друзья как не садитесь-все в музыканты не годитесь.



Cosmogor | Post:764337 - Date: 21.01.22(16:01)
Если кому интересно, можно почитать.

[ссылка]

_________________
Всё, что не делается, всё к лучшему. Раньше или позже это понимаешь



Cosmogor | Post:764341 - Date: 21.01.22(16:35)
Вообщем выявил такую досаду: если нагрузку отключить, то сразу вылетают транзисторы, нагрузка должна быть подключена всегда!

И кто то тут говорил, что без осциллографа не настроить, настраивается ещё как, притом легко, но мудрёно.

_________________
Всё, что не делается, всё к лучшему. Раньше или позже это понимаешь



Antek | Post:764357 - Date: 21.01.22(17:43)
Cosmogor Пост: 764341 От 21.Jan.2022 (16:35)
Вообщем выявил такую досаду: если нагрузку отключить, то сразу вылетают транзисторы, нагрузка должна быть подключена всегда!
.

Всё как раз наоборот.Радиант в твоей схеме достиг такой величины-что начал "кусаться"."Верной дорогой идёте товарищи"В.И.Ленин.

_________________
А вы друзья как не садитесь-все в музыканты не годитесь.



<] [ 1 | ... 162 | 163 | 164 | 165 | 166 | 167 | 168 | 169 | 170 | 171 | 172 | 173 | 174 | 175 | 176 | 177 | 178 | 179 | 180 | 181 | 182 | ... | 462 ] [>
У Вас нет прав отвечать в этой теме.
Форум - Электростатические генераторы - Электростатика - Бифилярная катушка Никола Тесла (valeralap) - Стр 172
🏠 Главная | 📚 Содержание | 💬 Форум | 📁 Файлы | 📩 Контакт