[ВХОД]

25.03.26(11:53)

www.skif.biz

Альтернативная энергия. Оставь надежду, всяк сюда входящий...

🏠 Главная | 📚 Содержание | 💬 Форум | 📁 Файлы | 📩 Контакт

📱 | 🖨️

Форум - Электростатические генераторы - Электростатика - Бифилярная катушка Никола Тесла (valeralap) - Стр:161
<] [ 1 | ... 151 | 152 | 153 | 154 | 155 | 156 | 157 | 158 | 159 | 160 | 161 | 162 | 163 | 164 | 165 | 166 | 167 | 168 | 169 | 170 | 171 | ... | 462 ] [>
Модератор: valeralap
Первый пост темы: valeralap Post: #626158 От:08.06.2019 (08:37)
Различного рода абстрактные не связанные с темой выступления, будут удалятся. Все конструктивное будет приветствоваться. Можно оказывать помощь в виде оформления или правки, если сочтете за необходимость. Если активность будет низкая, то-от этого будет зависеть скорость вашего продвижения.
missioner | Post:761980 - Date: 05.01.22(19:58)
Vladimir37 Пост: 761961 От 05.Jan.2022 (13:39)
missioner Пост: 761942 От 04.Jan.2022 (23:23)
Я сейчас предполагаю что волновые процессы могут происходить с большой частотой пилы и для образования из них 50 герц на выходе нужно применять какое то ухищрение скрываемое Валерой и рыбки а можно использованием большой ёмкости после ТДКС саму частоту пилы сделать 50-герцовой и без всяких рыбок(?). Ведь прирост то на бифилляре должен сохраняться(?).

Возможно , что то на подобие трамплина нужно сделать. Например шарик, катится по наклонной поверхности, набрал скорость , а тут трамплин и он по инерции подскакивает на тот же уровень с которого и начинал движение.
А если вспомнить базовый опыт о котором пишет топикстартер то его схема как раз говорит о том что частота срабатывания разрядника должна быть 50 герц и по такой схеме не видно никаких дальнейших колебаний на контуре разрядника между двумя разрядами.Кто-нибудь проверял её?


Размер: 145.07 KB

_________________
Здесь хранится СЕ суперавтотрансгенератор https://www.skif.biz/index.php?name=Forums&file=viewtopic&p=875842#875842 https://disk.yandex.ru/d/T_H9tIHpXVb8dw Дополненная версия с видео: https://disk.yandex.ru/d/RUQMOtXIHzRo7Q



Vladimir37 | Post:761988 - Date: 05.01.22(20:54)
Конденсатор резонансный раз в десять больше должен быть, по идее. Может в схеме ноль утерялся?
missioner Пост: 761980 От 05.Jan.2022 (19:58)
А если вспомнить базовый опыт о котором пишет топикстартер то его схема как раз говорит о том что частота срабатывания разрядника должна быть 50 герц и по такой схеме не видно никаких дальнейших колебаний на контуре разрядника между двумя разрядами.Кто-нибудь проверял её?
Немного по другой схеме проверял



Размер: 138.55 KB


missioner | Post:761990 - Date: 05.01.22(21:30)
Где вот только столько КВИ набрать чтобы 0.1 мкф набрать? Это в нанофрадах получается 100 нф. Есть пять штук по 470 пф,чтобы одну нано набрать нужно 2 таких а чтобы 100 нужно целых 200 с лишним. Или самодельный какой сделать типа лейденской банки? Кстати,я так и не смог обмотку трансформатора загнать в параллельный резонанс на сетевой стороне(первичку). Мне кажется он и не должен и не может происходить.... а будет только при наличий нагрузки на вторичке,ведь индуктивность просто не даст по первичке проходить току без наличия нагрузки на вторичке

_________________
Здесь хранится СЕ суперавтотрансгенератор https://www.skif.biz/index.php?name=Forums&file=viewtopic&p=875842#875842 https://disk.yandex.ru/d/T_H9tIHpXVb8dw Дополненная версия с видео: https://disk.yandex.ru/d/RUQMOtXIHzRo7Q



Vladimir37 | Post:761992 - Date: 05.01.22(21:34)
missioner Пост: 761990 От 05.Jan.2022 (21:30)
Где вот только столько КВИ набрать чтобы 0.1 мкф набрать? Это в нанофрадах получается 100 нф. Есть пять штук по 470 пф,чтобы одну нано набрать нужно 2 таких а чтобы 100 нужно целых 200 с лишним. Или самодельный какой сделать типа лейденской банки?

Так, если по той схеме что я дорисовал с двумя Тр, там просто срабатывает разрядник.


missioner | Post:761993 - Date: 05.01.22(21:38)
А куда вольта то высокие подключать в твоей схеме? И без конденсатора никакого накопления высоковольтной энергий же не будет которую надо импульсом на транс направлять... Т.е. ты уже делал не по генеральному плану партий.... Да и правый транс у тебя не при делах вообще остаётся.Через него никакого тока не будет.

_________________
Здесь хранится СЕ суперавтотрансгенератор https://www.skif.biz/index.php?name=Forums&file=viewtopic&p=875842#875842 https://disk.yandex.ru/d/T_H9tIHpXVb8dw Дополненная версия с видео: https://disk.yandex.ru/d/RUQMOtXIHzRo7Q



Vladimir37 | Post:761994 - Date: 05.01.22(22:15)
missioner Пост: 761993 От 05.Jan.2022 (21:38)
А куда вольта то высокие подключать в твоей схеме? И без конденсатора никакого накопления высоковольтной энергий же не будет которую надо импульсом на транс направлять... Т.е. ты уже делал не по генеральному плану партий.... Да и правый транс у тебя не при делах вообще остаётся.Через него никакого тока не будет.

Почему через правый тока не будет? Левый Тр на 100в, а правый на 200в и обмотки включены последовательно. Получается КК с двумя индуктивностями и одним конденсатором. Когда на левом Тр, происходит пробой разрядника, индуктивность контура резко уменьшается и разрядник сразу гаснет.



missioner | Post:761995 - Date: 05.01.22(22:38)
Vladimir37 Пост: 761994 От 05.Jan.2022 (22:15)
missioner Пост: 761993 От 05.Jan.2022 (21:38)
А куда вольта то высокие подключать в твоей схеме? И без конденсатора никакого накопления высоковольтной энергий же не будет которую надо импульсом на транс направлять... Т.е. ты уже делал не по генеральному плану партий.... Да и правый транс у тебя не при делах вообще остаётся.Через него никакого тока не будет.

Почему через правый тока не будет? Левый Тр на 100в, а правый на 200в и обмотки включены последовательно. Получается КК с двумя индуктивностями и одним конденсатором. Когда на левом Тр, происходит пробой разрядника, индуктивность контура резко уменьшается и разрядник сразу гаснет.
Так я же писал что на первичке трансформатора без нагрузки на вторичке резонансного тока не получишь,разве что если в феррорезонанс после насыщения загонишь. Поэтому у тебя правый,закрашеный в зелёный цвет трансформатор вообще не работал, ток проходил ТОЛЬКО по цепи окрашенной красным. И вообще не по Валериной схеме же ты всё делал. А потом спрашиваем почему не получается.


Размер: 55.14 KB

_________________
Здесь хранится СЕ суперавтотрансгенератор https://www.skif.biz/index.php?name=Forums&file=viewtopic&p=875842#875842 https://disk.yandex.ru/d/T_H9tIHpXVb8dw Дополненная версия с видео: https://disk.yandex.ru/d/RUQMOtXIHzRo7Q



Vladimir37 | Post:761997 - Date: 06.01.22(00:00)
missioner Пост: 761995 От 05.Jan.2022 (22:38)
Так я же писал что на первичке трансформатора без нагрузки на вторичке резонансного тока не получишь,разве что если в феррорезонанс после насыщения загонишь. Поэтому у тебя правый,закрашеный в зелёный цвет трансформатор вообще не работал, ток проходил ТОЛЬКО по цепи окрашенной красным. И вообще не по Валериной схеме же ты всё делал. А потом спрашиваем почему не получается.

Чуть не так было, не досмотрел.
Если кратковременно сеть подать, разве не будет резонанс?


Размер: 37.82 KB


missioner | Post:761998 - Date: 06.01.22(00:04)
В таком варианте уже может быть. Но всё равно же не по схеме Валеры.

Кстати,если я правильно всё считаю то 0.1 мкф это ёмкость самодельного конденсатора из пластин площадью 30 квадратных сантиметров со стеклянной изоляцией между ними толщиной в 2 мм,считая что диэлектрическая проницемость стекла равна 6. Надеюсь что двухмиллиметровое стекло выдержит тысяч 20 вольт без пробоя....
P.S. Проверил по справочникам,вполне выдержит, мм стекла держит от 20000 до 35000 вольт без пробоя.Это намного дешевле чем покупать на Али пачку конденсаторов за 6-8 тысяч,причём и ёмкость можно регулировать.... Лишь бы не коснуться случайно😏😎 😳

_________________
Здесь хранится СЕ суперавтотрансгенератор https://www.skif.biz/index.php?name=Forums&file=viewtopic&p=875842#875842 https://disk.yandex.ru/d/T_H9tIHpXVb8dw Дополненная версия с видео: https://disk.yandex.ru/d/RUQMOtXIHzRo7Q



missioner | Post:762045 - Date: 06.01.22(13:23)
Пока просто попробовал намотать биф на сухой деревянной палке и поискрить как показывал Валера в первых постах. Руки видимо не из того места растут, никакого усиления искры не увидел, но только при искренний с бифом на ТДКС появляется искра в неположенном месте, между восьмой, массовой и седьмой ножкой.Посмотрел эффект когда нож между электродами при приближений к одному электроду гасит искру, точнее- уменьшает частоту искр как бы прибавляя ёмкость биффиляра а приближение к другому роли не играет, почувствовал ионный ветер.

Биф
Размер: 1.01 MB

_________________
Здесь хранится СЕ суперавтотрансгенератор https://www.skif.biz/index.php?name=Forums&file=viewtopic&p=875842#875842 https://disk.yandex.ru/d/T_H9tIHpXVb8dw Дополненная версия с видео: https://disk.yandex.ru/d/RUQMOtXIHzRo7Q



missioner | Post:762047 - Date: 06.01.22(14:30)
privett Пост: 762046 От 06.Jan.2022 (13:30)
Наверно немного, многих огорчу, дело в том что, что бы повторить то, что на видео демонстрирует Валера. Необходимо подобрать ТДКС, не всякий ТДКС подойдёт, их сотни ...
Я бы на этом месте остановился и прежде чем писать дальше выложил видео проведённого опыта...

Или вот это:
... и это я ещё не настраивал их в резонанс на заданную частоту...
говорит о том что тоже так и не повторил? Как понимаю,ТДКС вместе с коденсатором после него нужен только для того чтобы питать бифилляр высоким пилообразным напряжением с нужной частотой а все чудеса потом выдаёт биффиляр...

P.S.
Должен выдавать... я ещё правда зазор в ТДКС не увеличивал...

_________________
Здесь хранится СЕ суперавтотрансгенератор https://www.skif.biz/index.php?name=Forums&file=viewtopic&p=875842#875842 https://disk.yandex.ru/d/T_H9tIHpXVb8dw Дополненная версия с видео: https://disk.yandex.ru/d/RUQMOtXIHzRo7Q



Cosmogor | Post:762065 - Date: 06.01.22(18:05)
Кто согласен со мной эксить?
Начнём сначала, делаем генератор с ТДКС и зажигаем от него лампочку на 70ватт.
Видео выкладываем сюда, с током потребления, вольтажом и горящей лампочкой. можно и фото но чтоб всё было видно на одном фото.
Делаем генератор любой из доступных вам.
После всех проделанных настроек идём дальше.
Если ни кто не хочет, я пойду один, но тихо , скромно, и незаметно.

😎

_________________
Всё, что не делается, всё к лучшему. Раньше или позже это понимаешь



Antek | Post:762068 - Date: 06.01.22(18:33)
Cosmogor Пост: 762065 От 06.Jan.2022 (18:05)
Кто согласен со мной эксить?
Начнём сначала, делаем генератор с ТДКС и зажигаем от него лампочку на 70ватт.
Видео выкладываем сюда, с током потребления, вольтажом и горящей лампочкой. можно и фото но чтоб всё было видно на одном фото.
Делаем генератор любой из доступных вам.
После всех проделанных настроек идём дальше.
Если ни кто не хочет, я пойду один, но тихо , скромно, и незаметно.

😎

Видео выкладывать не имею возможности,но я как раз этим и занимался и занимаюсь.Молодец,что собрался с мыслями.Пуш-пул не годится и доска Валеры лучшее тому подтверждение.

_________________
А вы друзья как не садитесь-все в музыканты не годитесь.



Cosmogor | Post:762069 - Date: 06.01.22(18:38)
Antek , с тебя достаточно письменных показаний, я тебе доверяю, если согласен конечно 😎
Схема мультивибратора значит отпадает 😕

_________________
Всё, что не делается, всё к лучшему. Раньше или позже это понимаешь



Antek | Post:762073 - Date: 06.01.22(19:06)
Cosmogor Пост: 762069 От 06.Jan.2022 (18:38)
Antek , с тебя достаточно письменных показаний, я тебе доверяю, если согласен конечно 😎
Схема мультивибратора значит отпадает 😕

Да.Не возможно регулировать частоту и скважность.Когда выйдем на приличный уровень создадим группу из способных и желающих например в скайпе.В принципе она уже давно создана,но с могущими и желающими проблемма.

_________________
А вы друзья как не садитесь-все в музыканты не годитесь.



Cosmogor | Post:762074 - Date: 06.01.22(19:15)
Antek Пост: 762073 От 06.Jan.2022 (19:06)
Cosmogor Пост: 762069 От 06.Jan.2022 (18:38)
Antek , с тебя достаточно письменных показаний, я тебе доверяю, если согласен конечно 😎
Схема мультивибратора значит отпадает 😕

Да.Не возможно регулировать частоту и скважность.Когда выйдем на приличный уровень создадим группу из способных и желающих например в скайпе.В принципе она уже давно создана,но с могущими и желающими проблемма.


Золотые слова, тоже подтвердил для себя из собственных опытов.
Значит остаётся из обще доступных ne555 и tl494.
555 при регулировании скважности плывёт частота, проверил, плохо регулируется, значит остаётся один шим, дешёвый, надёжный и гибок в регулировке

_________________
Всё, что не делается, всё к лучшему. Раньше или позже это понимаешь



Antek | Post:762075 - Date: 06.01.22(19:21)
https://www.skif.biz/index.php?name=Forums&file=viewtopic&p=761853#761853

Как наиболее подходящий вариант,правда фиксировать параметры точно не получится.

_________________
А вы друзья как не садитесь-все в музыканты не годитесь.



Cosmogor | Post:762076 - Date: 06.01.22(19:27)
Antek Пост: 762075 От 06.Jan.2022 (19:21)
[ссылка]

Как наиболее подходящий вариант,правда фиксировать параметры точно не получится.


Там нет лавинного режима , наверно тоже важно.
Замутить лавинный режим и вывести на управление полевыми транзисторами,
так более оптимально получится, ну а чего до 10нсек точно можно выйти

_________________
Всё, что не делается, всё к лучшему. Раньше или позже это понимаешь



Antek | Post:762077 - Date: 06.01.22(19:43)
Cosmogor Пост: 762076 От 06.Jan.2022 (19:27)
Antek Пост: 762075 От 06.Jan.2022 (19:21)
[ссылка]

Как наиболее подходящий вариант,правда фиксировать параметры точно не получится.


Там нет лавинного режима , наверно тоже важно.
Замутить лавинный режим и вывести на управление полевыми транзисторами,
так более оптимально получится, ну а чего до 10нсек точно можно выйти

Да не нужен лавинный режим.Не нужны наноимпульсы.Только объяснял-нужна регулировка частоты и скважности напряжения импульса и крутизна его переднего фронта.Крутизна достигается соответствующими драйверами в цепи затвора и выбором ключей.Также нужен хотя бы примитивный частотомер(до 15 мгц в нете есть дешёвые собранные платы)для точной фиксации частоты самодельного генератора на ТЛке.Но она тянет только до 1МГц и то не все экземпляры и это ограничивает возможности генератора.

_________________
А вы друзья как не садитесь-все в музыканты не годитесь.



Cosmogor | Post:762079 - Date: 06.01.22(19:47)
Antek Пост: 762077 От 06.Jan.2022 (19:43)
Cosmogor Пост: 762076 От 06.Jan.2022 (19:27)
Antek Пост: 762075 От 06.Jan.2022 (19:21)
[ссылка]

Как наиболее подходящий вариант,правда фиксировать параметры точно не получится.


Там нет лавинного режима , наверно тоже важно.
Замутить лавинный режим и вывести на управление полевыми транзисторами,
так более оптимально получится, ну а чего до 10нсек точно можно выйти

Да не нужен лавинный режим.Не нужны наноимпульсы.



а что тогда?
Кажется я догадываюсь, что нужно, но это слишком просто получается 😎
кажется с этого момента надо в подполье уходить 😕

_________________
Всё, что не делается, всё к лучшему. Раньше или позже это понимаешь



Antek | Post:762080 - Date: 06.01.22(19:52)
Cosmogor Пост: 762079 От 06.Jan.2022 (19:47)
Antek Пост:
а что тогда?
Кажется я догадываюсь, что нужно, но это слишком просто получается 😎
кажется с этого момента надо в подполье уходить 😕

В природе всё подробно.Представь колокол(бифиляр).Что нужно,чтобы он звенел от удара (импульса) максимально громко и долго,непрерыввно?
И получишь ты в итоге рыбки звуковые.

_________________
А вы друзья как не садитесь-все в музыканты не годитесь.



Cosmogor | Post:762081 - Date: 06.01.22(19:57)
Antek, хорош, я понял уже, тут не стоит дальше говорить

_________________
Всё, что не делается, всё к лучшему. Раньше или позже это понимаешь



Antek | Post:762082 - Date: 06.01.22(20:00)
Cosmogor Пост: 762081 От 06.Jan.2022 (19:57)
Antek, хорош, я понял уже, тут не стоит дальше говорить

Так это просто суть и нужно её понять и применить.
Например шарахни по колоколу наноимпульсом механическим и чтобы услышать ответ придётся к нему ухо прикладывать.Но колокола бывают разных размеров и бифы соответственно и под каждый нужна своя схема и своя настройка.А ты хотел пуш-пулом что то получить.А теперь прикинь как долбит импульсами провода в схеме(катушки или бифа там нет)простейшая схема из видео Техника.Но для многих-это обыкновенные искры,а что индуктор теслы вставить можно в цепь разряда конденсатора и разогнать её до пробоя между проводами обмоток-высшая тайна.

_________________
А вы друзья как не садитесь-все в музыканты не годитесь.



Cosmogor | Post:762083 - Date: 06.01.22(20:15)
Я тут схемку от руки накидал с учётом сказанного и своих мыслей, получилось нечто.
Многие варианты проверял, но такое пока нигде не применял и не тестил.
Что то интересное намечается, кажется ко мне пришло вдохновение 😎

Даю подсказку-это плотно связано с термодинамикой и радиоэлектроникой, может кто и догадается.
Тут уже и графики ослика себе нафантазировал, хотя им ни разу и не пользовался.
В моих придуманных графиках получаются очень острые импульсы тока.
пойду в инет подтверждать свои фантазии 😎

_________________
Всё, что не делается, всё к лучшему. Раньше или позже это понимаешь



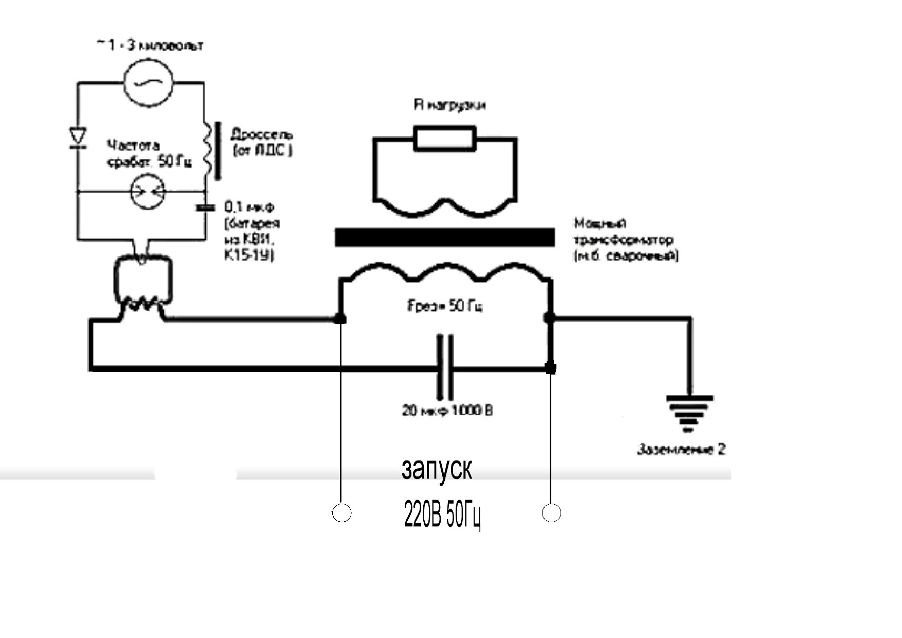
missioner | Post:762086 - Date: 06.01.22(21:29)
Ну чё, я проверил бифиляр на предмет включения лампы,по схеме
image
пробовал вначале вместо бифа конденсатор на 470 пф, горение есть но не такое сильное как на видео и от искрения между ножками нельзя избавиться.
Потом пробовал включать лампу перед биффиляром,результат так же как с конденсатором, и в первом и втором варианте место включения разрядника роли почти не играет.
Далее сделал по схеме. Свечение стало чуть получше. Так же проверил роль места размещения разрядника в схеме, между землёй и лампой или между плюсом и лампой, она существенная,разница очень заметна,если делать между лампой и плюсом то от искрения между ножек хрен избавишься. Частоту разрядника как видите регулировал изменением расстояния между контактами разрядника,есть частота с наилучшим свечением... После добавил перед бифом между плюсом и землёй 470пф, горение стало ещё лучше и пошире диапазон частот при которых нет искрения между ножками,этот вариант и снял на видео.Добавление ещё одного конденсатора всё гасит.
YouTube: Смотреть видео



Что то видео с ютуба перестали здесь показываться,надо в режиме цитирования копировать ссылку и смотреть на ютубе.

_________________
Здесь хранится СЕ суперавтотрансгенератор https://www.skif.biz/index.php?name=Forums&file=viewtopic&p=875842#875842 https://disk.yandex.ru/d/T_H9tIHpXVb8dw Дополненная версия с видео: https://disk.yandex.ru/d/RUQMOtXIHzRo7Q



<] [ 1 | ... 151 | 152 | 153 | 154 | 155 | 156 | 157 | 158 | 159 | 160 | 161 | 162 | 163 | 164 | 165 | 166 | 167 | 168 | 169 | 170 | 171 | ... | 462 ] [>
У Вас нет прав отвечать в этой теме.
Форум - Электростатические генераторы - Электростатика - Бифилярная катушка Никола Тесла (valeralap) - Стр 161
🏠 Главная | 📚 Содержание | 💬 Форум | 📁 Файлы | 📩 Контакт