[ВХОД]
18.05.26(16:59)

www.skif.biz

Альтернативная энергия. Оставь надежду, всяк сюда входящий...

🏠 Главная | 📚 Содержание | 💬 Форум | 📁 Файлы | 📩 Контакт
 
Резонансные генераторы
Магнитные генераторы
Механические центробежные (вихревые) генераторы
Электростатические генераторы
Водородные генераторы
Ветро- и гидро- и солнечные генераторы
Прочие идеи (разные)
О форуме
Транспорт
Оружие
Научные идеи, теории, предположения...
Экономия топлива
Коммерческие вопросы
Струйные технологии
Торсионные генераторы
Новые технологии
Барахолка
Патентный отдел
Конструкторское бюро
Нейтронная физика
Торнадо и смерчи
Гравитация и антигравитация
Сделай сам. Советы.
Медицина и здравоохранение

📱 | 🖨️

Форум - Прочие идеи (разные) - новые идеи (прочие) - Вопросы чайников и ответы ГУРУ ОБО ВСЁМ - Стр:65
<] [ 1 | ... 55 | 56 | 57 | 58 | 59 | 60 | 61 | 62 | 63 | 64 | 65 | 66 | 67 | 68 | 69 | 70 | 71 | 72 | 73 | 74 | 75 | ... | 181 ] [>
Модератор: NATAN
Первый пост темы: NATAN Post: #707733 От:09.01.2021 (15:16)
Народ, кто "рубит" в электромагнитных волнах, расскажите, а реально погасить электромагнитную волну встречной волной так же как со звуком поступают?
sbal | Post:745752 - Date: 16.09.21(22:06)
Ноу коммент 😈

_________________
в пути...


sbal | Post:745753 - Date: 16.09.21(22:12)
Ладно, так и быть: U1=3, U2=2.5
😊

_________________
в пути...


mebius | Post:745757 - Date: 16.09.21(23:09)
rezoner Пост: 745635 От 15.Sep.2021 (23:13)
Практический вопрос.
На картинке два аккумулятора.
Накачиваем дроссель L током 10А (схема накачки не показана) и мгновенно подключаем к точкам "а" и "б" схемы.

Вопрос: Как перераспределится накопленная энергия дросселя между аккумуляторами.

Падение напряжения на диоде и сопротивление провода дросселя не учитываем.

image

Энергия поля пойдет на заряд большого аккума как вольтодобавка к малому аккумулятору. Большой аккум получит такой же заряд, который будет отнят от малого. Т.е. энергия МП распределится поровну: 6В*+5А на заряд большого и 6В*-5А на разряд малого. 5А потому что ток будет спадать линейно.

_________________
Всегда нужно быть готовым к тому, что убеждения, которых придерживался в течении долгого времени, могут оказаться ошибочными\\\". П.А.М. Дирак


rezoner | Post:745801 - Date: 17.09.21(09:59)
mebius Пост: 745757
Энергия поля пойдет на заряд большого аккума как вольтодобавка к малому аккумулятору. Большой аккум получит такой же заряд, который будет отнят от малого. Т.е. энергия МП распределится поровну: 6В*+5А на заряд большого и 6В*-5А на разряд малого. 5А потому что ток будет спадать линейно.

Во первых, в твоих расчетах пропала энергия дросселя. Куда заныкал? 😬
Во вторых, энергия конденсатора равняется
Ec=q*U/2, т.е. заряд добавляет в конденсатор энергию пропорционально напряжению Uc. С аккумом то же самое.
И третье, по мелочи: Е=6В*5А*∆Т.

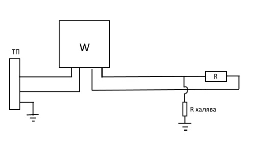
Алексей0878 | Post:745805 - Date: 17.09.21(10:27)
сменю вектор...
накидал схемку..., скажите практически такой вариант дачной халявы работать будет?


Размер: 13.41 KB

sbal | Post:745810 - Date: 17.09.21(11:05)
Каков счетчик стоит?

_________________
в пути...


Fil | Post:745813 - Date: 17.09.21(11:34)
Алексей0878 Пост: 745805 От 17.Sep.2021 (10:27)
сменю вектор...
накидал схемку..., скажите практически такой вариант дачной халявы работать будет?

Пробовали, считает.

Алексей0878 | Post:745816 - Date: 17.09.21(11:39)
про счетчик не помню, не себе, так теория просто...
Пробовали, считает.

это однозначно, просто должен меньше, и поймать неначем....

sbal | Post:745817 - Date: 17.09.21(11:44)
Таки поймають 😊

_________________
в пути...


missioner | Post:745818 - Date: 17.09.21(12:01)
Fil Пост: 745813 От 17.Sep.2021 (11:34)
Алексей0878 Пост: 745805 От 17.Sep.2021 (10:27)
сменю вектор...
накидал схемку..., скажите практически такой вариант дачной халявы работать будет?

Пробовали, считает.
Надо на входе счётчика провода местами поменять, чтобы токовая обмотка оказалась на нулевом проводе.Это если счётчик дисковый

_________________
Здесь хранится СЕ суперавтотрансгенератор https://www.skif.biz/index.php?name=Forums&file=viewtopic&p=875842#875842 https://disk.yandex.ru/d/T_H9tIHpXVb8dw Дополненная версия с видео: https://disk.yandex.ru/d/RUQMOtXIHzRo7Q


magneat | Post:745819 - Date: 17.09.21(12:12)
https://booksee.org/book/623248

[ссылка]

rezoner | Post:745821 - Date: 17.09.21(12:19)
Земляные токи надо ловить. Это даже полезно и для сетей.

missioner | Post:745823 - Date: 17.09.21(12:29)
rezoner Пост: 745801 От 17.Sep.2021 (09:59) ... заряд добавляет в конденсатор энергию пропорционально напряжению Uc. С аккумом то же самое.
Относительно конденсаторов не совсем просто.Мои опыты показали что если через дроссель переливаю из маленькой ёмкости в большую то при этом исчезает до 70 процентов энергий (использовались двадцати и стомикрофарадные конденсаторы) а если переливаю из большой ёмкости в малую то исчезало только процентов восемь. В теме про перелив из конденсатора в другой подробности моих опытов остались. Поэтому в вопросе с аккумами по-моему тоже не всё так просто.

_________________
Здесь хранится СЕ суперавтотрансгенератор https://www.skif.biz/index.php?name=Forums&file=viewtopic&p=875842#875842 https://disk.yandex.ru/d/T_H9tIHpXVb8dw Дополненная версия с видео: https://disk.yandex.ru/d/RUQMOtXIHzRo7Q


rezoner | Post:745825 - Date: 17.09.21(12:34)
missioner Пост: 745823 От 17.Sep.2021 (12:29)
rezoner Пост: 745801 От 17.Sep.2021 (09:59) ... заряд добавляет в конденсатор энергию пропорционально напряжению Uc. С аккумом то же самое.
Относительно конденсаторов не совсем просто.Мои опыты показали что если через дроссель переливаю из маленькой ёмкости в большую то при этом исчезает до 70 процентов энергий (использовались двадцати и стомикрофарадные конденсаторы) а если переливаю из большой ёмкости в малую то исчезало только процентов восемь. В теме про перелив из конденсатора в другой подробности моих опытов остались. Поэтому в вопросе с аккумами по-моему тоже не всё так просто.
я не следил за твоими эксами. Кинь ссылку, посмотрю. Чудес не бывает. Куда-то энергия должна упасть.

БЮВ | Post:745830 - Date: 17.09.21(13:23)
Алексей0878 Пост: 745805 От 17.Sep.2021 (10:27)
сменю вектор...
накидал схемку..., скажите практически такой вариант дачной халявы работать будет?
нужно последовательно с катушкой напряжения поставить резистор, который будет уменьшать скорость вращения диска вплоть до нуля. Ну и другие прибамбасы. На электронных счетчиках возможно и не получится, надо схему смотреть.
Это раньше можно было, так как у государства воровал, а сейчас соседи за тебя платить будут, ежели в многоквартирном доме живешь. Поэтому стал честным и даже за осаго плачУ, хотя и плАчу.

_________________
Дайте мне точку опоры...


missioner | Post:745859 - Date: 17.09.21(17:49)
rezoner Пост: 745825 От 17.Sep.2021 (12:34)
missioner Пост: 745823 От 17.Sep.2021 (12:29)
rezoner Пост: 745801 От 17.Sep.2021 (09:59) ... заряд добавляет в конденсатор энергию пропорционально напряжению Uc. С аккумом то же самое.
Относительно конденсаторов не совсем просто.Мои опыты показали что если через дроссель переливаю из маленькой ёмкости в большую то при этом исчезает до 70 процентов энергий (использовались двадцати и стомикрофарадные конденсаторы) а если переливаю из большой ёмкости в малую то исчезало только процентов восемь. В теме про перелив из конденсатора в другой подробности моих опытов остались. Поэтому в вопросе с аккумами по-моему тоже не всё так просто.
я не следил за твоими эксами. Кинь ссылку, посмотрю. Чудес не бывает. Куда-то энергия должна упасть.
[ссылка] Смотри начиная отсюда: [ссылка] а то до этого была ошибка в измерениях

_________________
Здесь хранится СЕ суперавтотрансгенератор https://www.skif.biz/index.php?name=Forums&file=viewtopic&p=875842#875842 https://disk.yandex.ru/d/T_H9tIHpXVb8dw Дополненная версия с видео: https://disk.yandex.ru/d/RUQMOtXIHzRo7Q


missioner | Post:745884 - Date: 17.09.21(20:01)
Вот ещё: [ссылка] и ещё: [ссылка]

_________________
Здесь хранится СЕ суперавтотрансгенератор https://www.skif.biz/index.php?name=Forums&file=viewtopic&p=875842#875842 https://disk.yandex.ru/d/T_H9tIHpXVb8dw Дополненная версия с видео: https://disk.yandex.ru/d/RUQMOtXIHzRo7Q


mebius | Post:745898 - Date: 17.09.21(21:04)
rezoner Пост: 745801 От 17.Sep.2021 (09:59)
Во первых, в твоих расчетах пропала энергия дросселя. Куда заныкал? 😬
Во вторых, энергия конденсатора равняется
Ec=q*U/2, т.е. заряд добавляет в конденсатор энергию пропорционально напряжению Uc. С аккумом то же самое.
И третье, по мелочи: Е=6В*5А*∆Т.
Согласен, немного не прав я, однако.
Напряжение на аккумуляторах = константа.
Напряжение на дросселе тоже постоянное 6В.
Поскольку напряжения константы, время на долю энергии не влияет - можно опустить.
Вопрос поставлен не про энергию дросселя, а о ее долях в аккумуляторах.Поэтому величина ее не считалась.
Дроссель израсходовал ~U*Iсредн*t = 6*5*t до нуля.
Малый аккумулятор разрядился ~U*Iсредн*t.
Большой аккумулятор получил энергию дросселя U*Iсредн*t и энергию малого аккума, т.е ~2*6*5*t.

_________________
Всегда нужно быть готовым к тому, что убеждения, которых придерживался в течении долгого времени, могут оказаться ошибочными\\\". П.А.М. Дирак


rezoner | Post:745907 - Date: 17.09.21(22:25)
mebius Пост: 745898 От 17.Sep.2021 (21:04)
rezoner Пост: 745801 От 17.Sep.2021 (09:59)
Во первых, в твоих расчетах пропала энергия дросселя. Куда заныкал? 😬
Во вторых, энергия конденсатора равняется
Ec=q*U/2, т.е. заряд добавляет в конденсатор энергию пропорционально напряжению Uc. С аккумом то же самое.
И третье, по мелочи: Е=6В*5А*∆Т.
Согласен, немного не прав я, однако.
Напряжение на аккумуляторах = константа.
Напряжение на дросселе тоже постоянное 6В.
Поскольку напряжения константы, время на долю энергии не влияет - можно опустить.
Вопрос поставлен не про энергию дросселя, а о ее долях в аккумуляторах.Поэтому величина ее не считалась.
Дроссель израсходовал ~U*Iсредн*t = 6*5*t до нуля.
Малый аккумулятор разрядился ~U*Iсредн*t.
Большой аккумулятор получил энергию дросселя U*Iсредн*t и энергию малого аккума, т.е ~2*6*5*t.

Все верно! Итак имеем на большом аккуме 100 Дж, на малом - минус 50 Дж.

NATAN | Post:747281 - Date: 30.09.21(18:48)
Вечняк не выходит, тогда вот хоть урвать кредитку у Сбера на очень выгодных условиях обслуживания. Правда есть одно условие, у желающего урвать карту не должно быть карт от Сбера. Забирайте пока дают. И не забудьте сбербанк-онлайн установить на мобилу. http://s.sberbank.ru/v/5Mg7BX7mbC9KP
РS Это не спам. Сбер предложил мне, а я вам.

Greyver | Post:747468 - Date: 01.10.21(18:30)
NATAN Пост: 747281 От 30.Sep.2021 (18:48)
Вечняк не выходит, тогда вот хоть урвать кредитку у Сбера на очень выгодных условиях обслуживания.
В мышеловке сыр тоже на очень выгодных условиях.

_________________
Человек отличается от обезьяны умением не замечать очевидных вещей.


magneat | Post:747931 - Date: 04.10.21(11:52)
не нашёл подходящей темы, тему "сделай сам" прикрыли.
может кому пригодится, скоро менять резину 😎
внезапно температура упала ниже 0, на дорогах гололёд.
летняя резина стёрлась практически в 0, на шиномонтажках очереди, да до неё ещё и доехать по гололёду проблематично.
короче, переобул сам все 4 колеса примерно за 1 час.
бескамерка вручную сложно монтируется/размонтируется, но можно.
а т.к. резина летняя всё равно на выброс, быстро её срезал болгаркой.
зимняя резина после смазки мыльным раствором зашла как по маслу, но на место не села. без мощного компрессора посадить её не реально. берём что-то типа такого:

image


выкручиваем нипель, и делаем пару "пшиков" внутрь покрышки.
делаем небольшой факел из бумаги (ТБ самое главное), подносим к вентилю, хлопок, и покрышка сидит на месте.

раньше делал с бензином (на ютубе есть), не понравилось.
да и остатки бензина, имхо, не полезны для резины.


sairus | Post:748009 - Date: 04.10.21(20:49)
А эта штука разве для резины не вредна?

_________________
Каждый тезис, должен быть достаточно обоснован.


олег-джан | Post:748010 - Date: 04.10.21(20:50)
Там смесь жидких газов...
Бздык...и нету...

_________________
Обьективная реальность-бред,вызванный недостатком алкоголя в крови...


sairus | Post:748012 - Date: 04.10.21(20:54)
Ав двигатель её куда впрыскивать? В воздухан?

_________________
Каждый тезис, должен быть достаточно обоснован.


<] [ 1 | ... 55 | 56 | 57 | 58 | 59 | 60 | 61 | 62 | 63 | 64 | 65 | 66 | 67 | 68 | 69 | 70 | 71 | 72 | 73 | 74 | 75 | ... | 181 ] [>
🔒 Тема закрыта. Добавление новых сообщений невозможно.
Форум - Прочие идеи (разные) - новые идеи (прочие) - Вопросы чайников и ответы ГУРУ ОБО ВСЁМ - Стр 65
🏠 Главная | 📚 Содержание | 💬 Форум | 📁 Файлы | 📩 Контакт