[ВХОД]
14.04.26(10:34)

www.skif.biz

Альтернативная энергия. Оставь надежду, всяк сюда входящий...

🏠 Главная | 📚 Содержание | 💬 Форум | 📁 Файлы | 📩 Контакт
 
Резонансные генераторы
Магнитные генераторы
Механические центробежные (вихревые) генераторы
Электростатические генераторы
Водородные генераторы
Ветро- и гидро- и солнечные генераторы
Прочие идеи (разные)
О форуме
Транспорт
Оружие
Научные идеи, теории, предположения...
Экономия топлива
Коммерческие вопросы
Струйные технологии
Торсионные генераторы
Новые технологии
Барахолка
Патентный отдел
Конструкторское бюро
Нейтронная физика
Торнадо и смерчи
Гравитация и антигравитация
Сделай сам. Советы.
Медицина и здравоохранение

📱 | 🖨️

Форум - Электростатические генераторы - Электростатика - Бифилярная катушка Никола Тесла (valeralap) - Стр:143
<] [ 1 | ... 133 | 134 | 135 | 136 | 137 | 138 | 139 | 140 | 141 | 142 | 143 | 144 | 145 | 146 | 147 | 148 | 149 | 150 | 151 | 152 | 153 | ... | 482 ] [>
Модератор: valeralap
Первый пост темы: valeralap Post: #626158 От:08.06.2019 (08:37)
Различного рода абстрактные не связанные с темой выступления, будут удалятся. Все конструктивное будет приветствоваться. Можно оказывать помощь в виде оформления или правки, если сочтете за необходимость. Если активность будет низкая, то-от этого будет зависеть скорость вашего продвижения.
valeralap | Post:735332 - Date: 21.07.21(16:38)
Cosmogor Пост: 735278 От 21.Jul.2021 (08:48)
Нашёл, подтверждения резонанса и плавного включение нагрузки в установке у Валеры.



Да, это полный механический аналог, показывающий принцип затягивания в синхронизацию.

_________________
Чтобы слушать Иисуса Христа, нужно быть, хотя бы его апостолом!


zimnyaya | Post:735339 - Date: 21.07.21(17:21)
valeralap Пост: 735331 От 21.Jul.2021 (16:33)
zimnyaya | Post: 735322 - Date: Wed, 21 Jul 2021 (11:36) А что, "катушка без индуктора накачки" - это какое то самостоятельное устройство?
Цель какая в ее изготовлении?
Показать, как оно искрит на лампочку что ли?
Я предполагаю, что это модернизации одного и того же устройства для улучшения его характеристик, возможно это и не так, поправьте.


Катушка без индуктора накачки, цель другая... Работает она строго на резонансной частоте, ток тащит из земли это и была моя цель. Так как есть модуляция 50гц, после преобразования раскачиваю параллельный колебательный контур, что мне дает, по сути, стандартную сеть 50гц.
Бифилярная катушка последовательно она увеличивает выходное напряжение, как удастся настроить, потом на импульсный трансформатор тока. Так как после импульсного трансформатора преобразовать на то время не мог, считал, что для нагрева тенов, можно и такую конструкцию применять.

Вот как, а целиком схему включения этой катушки можно нарисовать?
Хотя бы в виде квадратиков, для понятности?
Еще хотелось бы узнать величину тока, который там течет, вы меряли его?
Так же интересно, чем вас не устроило решение с обычной вторичкой от ТТ?


_________________
Желудь-теоретик знает, как вырасти в дуб (c) Кнышев


valeralap | Post:735348 - Date: 21.07.21(17:56)
zimnyaya Пост: 735339 От 21.Jul.2021 (17:21)
valeralap Пост: 735331 От 21.Jul.2021 (16:33)
zimnyaya | Post: 735322 - Date: Wed, 21 Jul 2021 (11:36) А что, "катушка без индуктора накачки" - это какое то самостоятельное устройство?
Цель какая в ее изготовлении?
Показать, как оно искрит на лампочку что ли?
Я предполагаю, что это модернизации одного и того же устройства для улучшения его характеристик, возможно это и не так, поправьте.

Видео для того и выкладывалось там все предельно ясно. Насчет измерения, а зачем мне было его мерить? Мне не удавалось увидеть движение тока в разомкнутой цепи! (Не знаю интересна тебе такая мысль.) Мощность, напряжение, токи, нужно мерить, когда установка работает, нечего не потребляет от внешнего источника, и тащит какие-то нагрузки.
Катушка без индуктора накачки, цель другая... Работает она строго на резонансной частоте, ток тащит из земли это и была моя цель. Так как есть модуляция 50гц, после преобразования раскачиваю параллельный колебательный контур, что мне дает, по сути, стандартную сеть 50гц.
Бифилярная катушка последовательно она увеличивает выходное напряжение, как удастся настроить, потом на импульсный трансформатор тока. Так как после импульсного трансформатора преобразовать на то время не мог, считал, что для нагрева тенов, можно и такую конструкцию применять.

Вот как, а целиком схему включения этой катушки можно нарисовать?
Хотя бы в виде квадратиков, для понятности?
Еще хотелось бы узнать величину тока, который там течет, вы меряли его?
Так же интересно, чем вас не устроило решение с обычной вторичкой от ТТ? П



Видео для того и выкладывалось там все предельно ясно. Насчет измерения, а зачем мне было его мерить? Мне не удавалось увидеть движение тока в разомкнутой цепи! (Не знаю интересна тебе такая мысль.) Мощность, напряжение, токи, нужно мерить, когда установка работает, нечего не потребляет от внешнего источника, и тащит какие-то нагрузки.

_________________
Чтобы слушать Иисуса Христа, нужно быть, хотя бы его апостолом!


Cosmogor | Post:735356 - Date: 21.07.21(18:05)
Вообщем неудачные опыты пока, радиант не обнаружил.
Видео не стал загружать, т.к там ни чего интересного, загрузил только одно фото.
Сверху вниз:
-Сплав какой то, сделан из какого то сварочного электрода, не магнитится, напильником не берётся,но и дуга так себе, часто глохнет, и не работает.
-Алюминий, боле мене дуга,
-Медь, неплохая дуга. лучшая из всех.
-Железо, FE, магнитится, ведёт себя также как из сварочного электрода.
-Какой то предохранительный разрядник, ради интереса попробовал.
-Ну и решил зажечь лампочку на 3.5В, катушка на стеклянной трубке,
не загорелась лампочка, дуга легко прожигает эту трубку, не думал что стекло так ведет себя.

Можно и не смотреть, вообще ни чего интересного.

Там Лисп говорил в соседней ветке, что радиант зависит от применяемого металла в разряднике, не верьте ему, от металла не зависит, показал на опыте.
Этот радиант нужно ещё суметь получить, и от свойств металла не зависит, от другого он получается.
Всё равно как ни крути , найду его, этот радиант, раз про него говорят, значит он есть!

Пробовал мотать катушку на герконе, не получилось, контакты геркона сварились между собой 😕


Размер: 354.76 KB

_________________
Всё, что не делается, всё к лучшему. Раньше или позже это понимаешь


valeralap | Post:735358 - Date: 21.07.21(18:06)
Antek Пост: 735296 От 21.Jul.2021 (10:32)
Cosmogor Пост: 735281 От 21.Jul.2021 (08:55)
Поспешил с резонансом , а вот плавность включения нагрузки это да.
видео с опытами получения радианта сюда скинуть или в соседнюю ветку Antek-a ?

Тут больше людей увидит.Валера,я понял,почему параметры бифиляра не важны и почему он "гудит" на основной частоте. То-есть я мотаю биф,какой получится подстраиваем другое.


Некогда не подстраиваю бифилярную катушку, в этом нет смысла. Что подстраиваем? Источник!...

_________________
Чтобы слушать Иисуса Христа, нужно быть, хотя бы его апостолом!


zimnyaya | Post:735362 - Date: 21.07.21(18:21)
valeralap Пост: 735348 От 21.Jul.2021 (17:56)

Видео для того и выкладывалось там все предельно ясно. Насчет измерения, а зачем мне было его мерить? Мне не удавалось увидеть движение тока в разомкнутой цепи! (Не знаю интересна тебе такая мысль.) Мощность, напряжение, токи, нужно мерить, когда установка работает, нечего не потребляет от внешнего источника, и тащит какие-то нагрузки.

Понятно.
Для меня ток в разомкнутой цепи давно не загадка, просто я думала, что эта катушка - будущая запчасть некой установки.
А у установки есть эффективность, которую можно косвенно понять как раз по величине этого тока.

_________________
Желудь-теоретик знает, как вырасти в дуб (c) Кнышев


Antgrl | Post:735397 - Date: 21.07.21(21:13)
valeralap Пост: 735179 От 20.Jul.2021 (18:20)
Vladimir37 Пост: 735168 От 20.Jul.2021 (17:41)
valeralap Пост: 735166 От 20.Jul.2021 (17:02)
...Так и получилось, катушка такой конструкции работает только на одной частоте, суммирую добротность послойной намотки…

Каждый слой катушки нужно настраивать на резонансную частоту. Каждый слой как контур и эти контура (слои) включены последовательно?


Катушка и ее резонанс для меня небыли главными, я ее делал произвольно, у меня получился резонанс без дополнительных емкостей около 300кгц. Дело в том, что генератор сам возбуждается в зависимости от параметров моей бифилярной катушки именно на частоте ее резонанса. Какой смысл ее настраивать? Это упрощает как задачу, так и ее решение.


Расскажите пожалуйста, как делаете обратную связь и как и где вы делаете модуляцию и демодуляцию. Какие входные и выходные напряжения хоть на словах.

valeralap | Post:735447 - Date: 22.07.21(06:05)
Antgrl Пост: 735397 От 21.Jul.2021 (21:13)
valeralap Пост: 735179 От 20.Jul.2021 (18:20)
Vladimir37 Пост: 735168 От 20.Jul.2021 (17:41)
valeralap Пост: 735166 От 20.Jul.2021 (17:02)
...Так и получилось, катушка такой конструкции работает только на одной частоте, суммирую добротность послойной намотки…

Каждый слой катушки нужно настраивать на резонансную частоту. Каждый слой как контур и эти контура (слои) включены последовательно?


Катушка и ее резонанс для меня небыли главными, я ее делал произвольно, у меня получился резонанс без дополнительных емкостей около 300кгц. Дело в том, что генератор сам возбуждается в зависимости от параметров моей бифилярной катушки именно на частоте ее резонанса. Какой смысл ее настраивать? Это упрощает как задачу, так и ее решение.


Расскажите пожалуйста, как делаете обратную связь и как и где вы делаете модуляцию и демодуляцию. Какие входные и выходные напряжения хоть на словах.


По суть задан очень объемный вопрос, тянет на многочасовую лекцию. Обратная связь имеет место присутствовать в любой радиотехнической так и электрических цепях силовых установок. Как не странно, но исторически с обратной связью столкнулись именно в развитие силовых цепей железных дорог. Изучая этот вопрос, обратили внимание, что любая силовая цепь имеющая превышение входа над выходом на 40db склонна к самовозбуждению. Позднее это все перекочевало в радио литературу и благополучно прижилось Децибел — не физическая величина, а математическое понятие. В этом отношении у децибел есть некоторое сходство с процентами. Как и проценты, децибелы безразмерны и служат для сравнения двух одноименных величин, в принципе самых различных, независимо от их природы. Следует отметить, что термин «децибел» всегда связывают только с энергетическими величинами, чаще всего с мощностью и, с некоторыми оговорками, с напряжением и током. Из этого можно сделать вывод, что обратная связь возникает через все элементы, которые есть в радиотехнических и силовых цепях, то есть через индукцию, так как есть катушки провода. Так же обратная связь возникает через емкость монтажную или неправильное расположение элементов схемы. Можно обратную связь получить резистивную так делается в работе операционного усилителя, коэффициент усиления определяется расчетом резистора обратной связи. Любое самовозбуждающееся устройство имеет в основании обратную связь, превышающую коэффициент усиления 40db Для примера всеми излюбленный качер Бровина . Или блокинг – генератор.

Модуляцию делаю через источник питания, ухудшая фильтрацию сетевого напряжения убираю электролитические конденсаторы и подбираю небольшие по емкости полипропиленовые. Делаю это для того, что бы между (рыбками) не было промежутков, иначе нельзя демодулировать сигнал, потеряв фазовый переход ВЧ составляющей. Сам принцип демодуляции очень простой, в фазовом сложении ВЧ составляющей.

Напряжение у меня 8кв.

_________________
Чтобы слушать Иисуса Христа, нужно быть, хотя бы его апостолом!


BAP | Post:735519 - Date: 22.07.21(12:32)
Небольшое изменение в схеме Валерия Йосифовича в корне меняет поведение бифилярки.


Размер: 72.01 KB

valeralap | Post:735521 - Date: 22.07.21(12:59)
BAP Пост: 735519 От 22.Jul.2021 (12:32)
Небольшое изменение в схеме Валерия Йосифовича в корне меняет поведение бифилярки.


Очень интересная добавочка получается, думаю, что происходит растяжка импульса тока. В некоторых решениях весьма выгодная вещь.

_________________
Чтобы слушать Иисуса Христа, нужно быть, хотя бы его апостолом!


Vladimir37 | Post:735530 - Date: 22.07.21(13:53)
valeralap Пост: 735521 От 22.Jul.2021 (12:59)
BAP Пост: 735519 От 22.Jul.2021 (12:32)
Небольшое изменение в схеме Валерия Йосифовича в корне меняет поведение бифилярки.


Очень интересная добавочка получается, думаю, что происходит растяжка импульса тока. В некоторых решениях весьма выгодная вещь.
Что то подобное, с растяжкой тока, происходит и в обычной полумостовой сварке. За счет длинных проводов к электроду или Др, благодаря выпрямительному диоду на минус, ток на электроде затягивается.
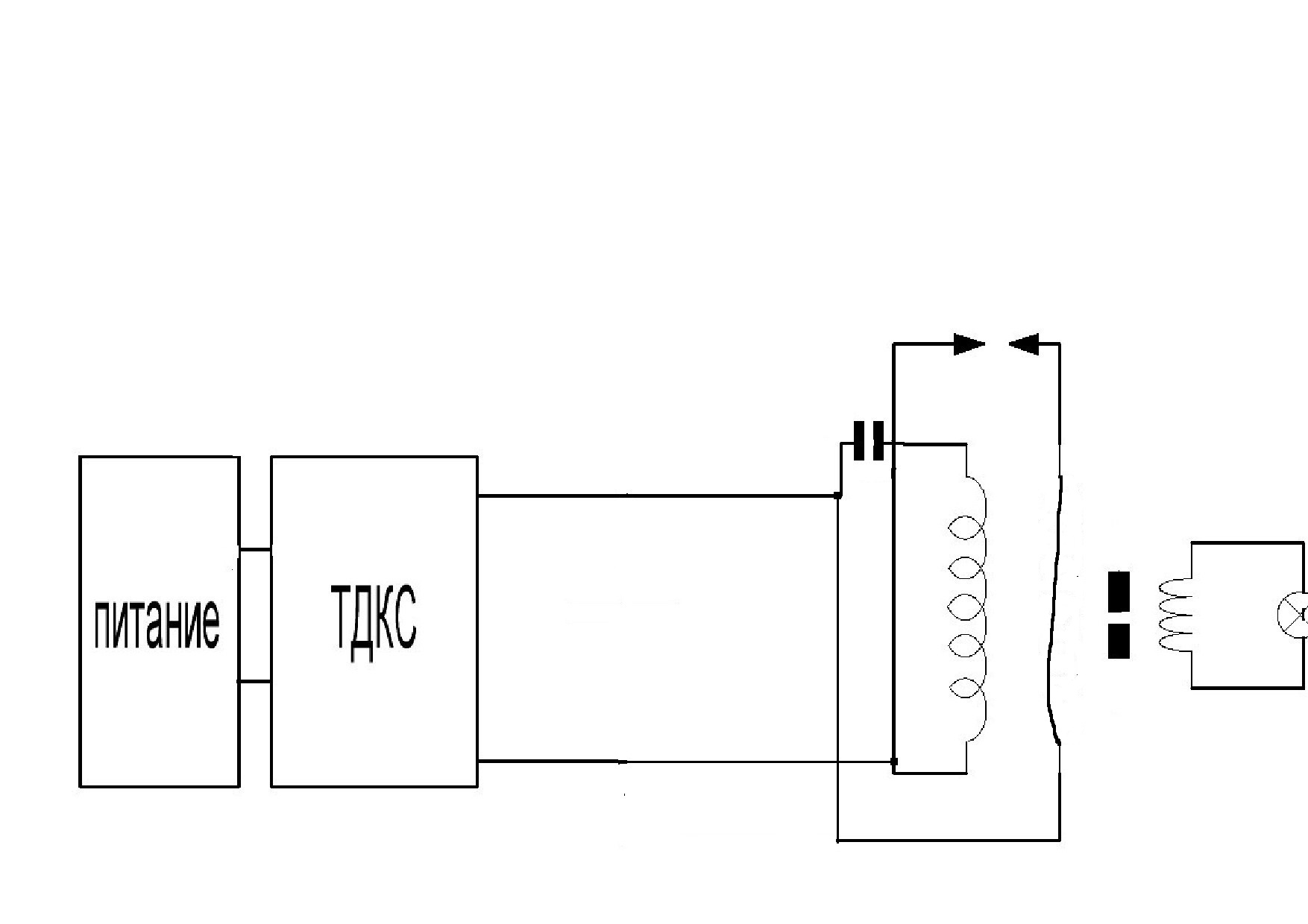
а как добавить к схеме модуляцию по питанию? Запитать ТДКС пульсирующей постоянкой? Я так понимаю ТДКС имеет схему преобразователя и эту схему нужно запитать однополярными импульсами с частотой сети?
Модуляцию делаю через источник питания, ухудшая фильтрацию сетевого напряжения убираю электролитические конденсаторы и подбираю небольшие по емкости полипропиленовые.


valeralap | Post:735533 - Date: 22.07.21(14:05)
Vladimir37 Пост: 735530 От 22.Jul.2021 (13:53)
valeralap Пост: 735521 От 22.Jul.2021 (12:59)
BAP Пост: 735519 От 22.Jul.2021 (12:32)
Небольшое изменение в схеме Валерия Йосифовича в корне меняет поведение бифилярки.


Очень интересная добавочка получается, думаю, что происходит растяжка импульса тока. В некоторых решениях весьма выгодная вещь.

а как добавить к схеме модуляцию по питанию? Запитать ТДКС пульсирующей постоянкой? Я так понимаю ТДКС имеет схему преобразователя и эту схему нужно запитать однополярными импульсами с частотой сети?
Модуляцию делаю через источник питания, ухудшая фильтрацию сетевого напряжения убираю электролитические конденсаторы и подбираю небольшие по емкости полипропиленовые.


Именно,- запитать ТДКС пульсирующей постоянкой.

_________________
Чтобы слушать Иисуса Христа, нужно быть, хотя бы его апостолом!


Vladimir37 | Post:735536 - Date: 22.07.21(14:14)
valeralap Пост: 735533 От 22.Jul.2021 (14:05)


Именно,- запитать ТДКС пульсирующей постоянкой.

Спасибо. Скоро уже схема полностью вырисуется, интересно получится ли повторить желающим? Мне уже лень повторять, а посмотреть хочется. Дорисовал, так?
А конденсатор . где знак вопроса, это емкость обмоток или и сам конденсатор нужен?


Размер: 96.55 KB

zimnyaya | Post:735570 - Date: 22.07.21(16:43)
BAP Пост: 735519 От 22.Jul.2021 (12:32)
Небольшое изменение в схеме Валерия Йосифовича в корне меняет поведение бифилярки.

А подробности будут? Интересно же.
С этим блокировочным конденсатором катушка превращается в индуктивную с явно выраженным НЧ резонансом

_________________
Желудь-теоретик знает, как вырасти в дуб (c) Кнышев


zimnyaya | Post:735571 - Date: 22.07.21(16:46)
Vladimir37 Пост: 735536 От 22.Jul.2021 (14:14)
valeralap Пост: 735533 От 22.Jul.2021 (14:05)


Именно,- запитать ТДКС пульсирующей постоянкой.

Спасибо. Скоро уже схема полностью вырисуется, интересно получится ли повторить желающим? Мне уже лень повторять, а посмотреть хочется. Дорисовал, так?
А конденсатор . где знак вопроса, это емкость обмоток или и сам конденсатор нужен?

Лучше про узел подключения ферритового горшка к трансформатору спросите, там явно требуется какой то синхронный коммутатор

_________________
Желудь-теоретик знает, как вырасти в дуб (c) Кнышев


vity66 | Post:735581 - Date: 22.07.21(17:21)
valeralap Пост: 735533 От 22.Jul.2021 (14:05)
Vladimir37 Пост: 735530 От 22.Jul.2021 (13:53)
valeralap Пост: 735521 От 22.Jul.2021 (12:59)
BAP Пост: 735519 От 22.Jul.2021 (12:32)
Небольшое изменение в схеме Валерия Йосифовича в корне меняет поведение бифилярки.


Очень интересная добавочка получается, думаю, что происходит растяжка импульса тока. В некоторых решениях весьма выгодная вещь.

а как добавить к схеме модуляцию по питанию? Запитать ТДКС пульсирующей постоянкой? Я так понимаю ТДКС имеет схему преобразователя и эту схему нужно запитать однополярными импульсами с частотой сети?
Модуляцию делаю через источник питания, ухудшая фильтрацию сетевого напряжения убираю электролитические конденсаторы и подбираю небольшие по емкости полипропиленовые.


Именно,- запитать ТДКС пульсирующей постоянкой.
Пульсирующая постоянка это 100Гц

Vladimir37 | Post:735591 - Date: 22.07.21(17:51)
zimnyaya Пост: 735571 От 22.Jul.2021 (16:46)

Лучше про узел подключения ферритового горшка к трансформатору спросите, там явно требуется какой то синхронный коммутатор

Проверял как дорисовано, но был обычный ТР, а не ,,горшок,,
Деваться некуда, спрашиваю.
valeralap, должен быть синхронный коммутатор какой то? Так как дорисовано ниже, наверно не правильно?


Размер: 120.65 KB

BAP | Post:735593 - Date: 22.07.21(18:03)
zimnyaya Пост: 735570 От 22.Jul.2021 (16:43)
BAP Пост: 735519 От 22.Jul.2021 (12:32)
Небольшое изменение в схеме Валерия Йосифовича в корне меняет поведение бифилярки.

А подробности будут? Интересно же.
С этим блокировочным конденсатором катушка превращается в индуктивную с явно выраженным НЧ резонансом
Подробностей наверно не будет. Схема есть - простор для творчества... Я бы это скорее назвал вольтодобавкой , а не резонансом. Вольтодобавкой через диоды ТДКСа. Можно увеличить эту вольтодобавку меняя конструкцию бифилярки. Синхронизация, конечно должна быть, с питающими импульсами. Но это моё мнение.

BAP | Post:735601 - Date: 22.07.21(19:16)
Vladimir37 Пост: 735591 От 22.Jul.2021 (17:51)
zimnyaya Пост: 735571 От 22.Jul.2021 (16:46)

Лучше про узел подключения ферритового горшка к трансформатору спросите, там явно требуется какой то синхронный коммутатор

Проверял как дорисовано, но был обычный ТР, а не ,,горшок,,
Деваться некуда, спрашиваю.
valeralap, должен быть синхронный коммутатор какой то? Так как дорисовано ниже, наверно не правильно?
Ты же питаешь транс от ТДКСа. Емкость зарядиться и всё.... Сделай хотя бы вот так:


Размер: 95.78 KB

Antgrl | Post:735637 - Date: 22.07.21(21:10)
valeralap Пост: 735447 От 22.Jul.2021 (06:05)
Antgrl Пост: 735397 От 21.Jul.2021 (21:13)
valeralap Пост: 735179 От 20.Jul.2021 (18:20)
Vladimir37 Пост: 735168 От 20.Jul.2021 (17:41)
valeralap Пост: 735166 От 20.Jul.2021 (17:02)
...Так и получилось, катушка такой конструкции работает только на одной частоте, суммирую добротность послойной намотки…

Каждый слой катушки нужно настраивать на резонансную частоту. Каждый слой как контур и эти контура (слои) включены последовательно?


Катушка и ее резонанс для меня небыли главными, я ее делал произвольно, у меня получился резонанс без дополнительных емкостей около 300кгц. Дело в том, что генератор сам возбуждается в зависимости от параметров моей бифилярной катушки именно на частоте ее резонанса. Какой смысл ее настраивать? Это упрощает как задачу, так и ее решение.


Расскажите пожалуйста, как делаете обратную связь и как и где вы делаете модуляцию и демодуляцию. Какие входные и выходные напряжения хоть на словах.


По суть задан очень объемный вопрос, тянет на многочасовую лекцию. Обратная связь имеет место присутствовать в любой радиотехнической так и электрических цепях силовых установок. Как не странно, но исторически с обратной связью столкнулись именно в развитие силовых цепей железных дорог. Изучая этот вопрос, обратили внимание, что любая силовая цепь имеющая превышение входа над выходом на 40db склонна к самовозбуждению. Позднее это все перекочевало в радио литературу и благополучно прижилось Децибел — не физическая величина, а математическое понятие. В этом отношении у децибел есть некоторое сходство с процентами. Как и проценты, децибелы безразмерны и служат для сравнения двух одноименных величин, в принципе самых различных, независимо от их природы. Следует отметить, что термин «децибел» всегда связывают только с энергетическими величинами, чаще всего с мощностью и, с некоторыми оговорками, с напряжением и током. Из этого можно сделать вывод, что обратная связь возникает через все элементы, которые есть в радиотехнических и силовых цепях, то есть через индукцию, так как есть катушки провода. Так же обратная связь возникает через емкость монтажную или неправильное расположение элементов схемы. Можно обратную связь получить резистивную так делается в работе операционного усилителя, коэффициент усиления определяется расчетом резистора обратной связи. Любое самовозбуждающееся устройство имеет в основании обратную связь, превышающую коэффициент усиления 40db Для примера всеми излюбленный качер Бровина . Или блокинг – генератор.

Модуляцию делаю через источник питания, ухудшая фильтрацию сетевого напряжения убираю электролитические конденсаторы и подбираю небольшие по емкости полипропиленовые. Делаю это для того, что бы между (рыбками) не было промежутков, иначе нельзя демодулировать сигнал, потеряв фазовый переход ВЧ составляющей. Сам принцип демодуляции очень простой, в фазовом сложении ВЧ составляющей.

Напряжение у меня 8кв.


Спасибо. Я не понимаю, как получается квадратурная модуляция, потому что для этого требуются два несущих сигнала с разницей между ними в 90 градусов. Демодуляция требует, чтобы копия несущей была повернута на 180 градусов, т.д. . Как это сделать? Демодуляция, вероятно, выполняется на низкочастотном резонансном трансформаторе, который действует как фильтр. Это, наверное, не так просто сделать, так как на выходе - 8кв. Прокомментируйте, пожалуйста.

valeralap | Post:735639 - Date: 22.07.21(21:11)
У меня создается впечатление, что аудитория, позиционирующая себя гуру липовая.
Один пример из одного итальянского мафиозного фильма. Какой-то (член) клана дал промашку. Но как водится в Италии, был довольно близким родственником. Мафиози решил его проучить, но сохранить ему жизнь. Он вызвал подчиненного, глядя ему прямо в глаза, произнес фразу: ”У меня сорока летний уголовный опыт, но с подобным бесстыдством, я не сталкивался!” Подчиненный понимал весь расклад, пот валил, видимо на съемках его поливали обильно из пожарного рукава. Хотя он был выше на целую голову, он моментально стал метр с шапкой.
Этот фильм я видел в 90г. Это лирика, но она точно описывает вашу компетентность, и меня это искренне удивляет! Амплитудную и частотную модуляцию, уже знал до восьмого класса, так как ходил в радиокружок с четвертого. В двадцать лет я знал все стандарты радиопередачи, на то время, полностью изучив в се режимы модуляций и демодуляций сигналов. Первый ламповый осциллограф на двенадцати лампах, собрал перед армией. Благодаря- ему, успел сделать телевизор для сверхдальнего приема, автор Сотников.
Это естественно лирика. Но пусть она малость вас научит за многолетнее хамское не уважение ко мне. Теперь за дело, сейчас информации полно. Вы в основном позиционирующие себя как гуру сопите по- тихому в тряпочку. В те времена 70г достать литературу было очень не просто…
Я постоянно толкался в магазинах технической книги каждый выходной ездил в магазин технической книги Академгородока.
Записался ГПНТБ СО РАН
в читальный зал, познакомившись с молоденькими библиотекаршами, просидел в подвале почти три года. Так как я понял, вы актеры профурсетки, общаться буду, но только если буду видеть, что вы прикладываете усилие в изучении возникших вопросов. И не как, по- другому… Общем так,- пишите, мной полностью изучен материал по модуляции и демодуляции, но мне неясен один момент, приводите, что вам не ясно и я вам его разъясняю. Как- правило, и мне точно известно, хорошо изученный материал, вопросов не возникает. В таком режиме, хоть время свое не будите проводить даром, да и мое, может,- оцените.

_________________
Чтобы слушать Иисуса Христа, нужно быть, хотя бы его апостолом!


valeralap | Post:735646 - Date: 22.07.21(21:25)
Antgrl Пост: 735637 От 22.Jul.2021 (21:10)
valeralap Пост: 735447 От 22.Jul.2021 (06:05)
Antgrl Пост: 735397 От 21.Jul.2021 (21:13)
valeralap Пост: 735179 От 20.Jul.2021 (18:20)
Vladimir37 Пост: 735168 От 20.Jul.2021 (17:41)
valeralap Пост: 735166 От 20.Jul.2021 (17:02)
...Так и получилось, катушка такой конструкции работает только на одной частоте, суммирую добротность послойной намотки…

Каждый слой катушки нужно настраивать на резонансную частоту. Каждый слой как контур и эти контура (слои) включены последовательно?


Катушка и ее резонанс для меня небыли главными, я ее делал произвольно, у меня получился резонанс без дополнительных емкостей около 300кгц. Дело в том, что генератор сам возбуждается в зависимости от параметров моей бифилярной катушки именно на частоте ее резонанса. Какой смысл ее настраивать? Это упрощает как задачу, так и ее решение.


Расскажите пожалуйста, как делаете обратную связь и как и где вы делаете модуляцию и демодуляцию. Какие входные и выходные напряжения хоть на словах.


По суть задан очень объемный вопрос, тянет на многочасовую лекцию. Обратная связь имеет место присутствовать в любой радиотехнической так и электрических цепях силовых установок. Как не странно, но исторически с обратной связью столкнулись именно в развитие силовых цепей железных дорог. Изучая этот вопрос, обратили внимание, что любая силовая цепь имеющая превышение входа над выходом на 40db склонна к самовозбуждению. Позднее это все перекочевало в радио литературу и благополучно прижилось Децибел — не физическая величина, а математическое понятие. В этом отношении у децибел есть некоторое сходство с процентами. Как и проценты, децибелы безразмерны и служат для сравнения двух одноименных величин, в принципе самых различных, независимо от их природы. Следует отметить, что термин «децибел» всегда связывают только с энергетическими величинами, чаще всего с мощностью и, с некоторыми оговорками, с напряжением и током. Из этого можно сделать вывод, что обратная связь возникает через все элементы, которые есть в радиотехнических и силовых цепях, то есть через индукцию, так как есть катушки провода. Так же обратная связь возникает через емкость монтажную или неправильное расположение элементов схемы. Можно обратную связь получить резистивную так делается в работе операционного усилителя, коэффициент усиления определяется расчетом резистора обратной связи. Любое самовозбуждающееся устройство имеет в основании обратную связь, превышающую коэффициент усиления 40db Для примера всеми излюбленный качер Бровина . Или блокинг – генератор.

Модуляцию делаю через источник питания, ухудшая фильтрацию сетевого напряжения убираю электролитические конденсаторы и подбираю небольшие по емкости полипропиленовые. Делаю это для того, что бы между (рыбками) не было промежутков, иначе нельзя демодулировать сигнал, потеряв фазовый переход ВЧ составляющей. Сам принцип демодуляции очень простой, в фазовом сложении ВЧ составляющей.

Напряжение у меня 8кв.


Спасибо. Я не понимаю, как получается квадратурная модуляция, потому что для этого требуются два несущих сигнала с разницей между ними в 90 градусов. Демодуляция требует, чтобы копия несущей была повернута на 180 градусов, т.д. . Как это сделать? Демодуляция, вероятно, выполняется на низкочастотном резонансном трансформаторе, который действует как фильтр. Это, наверное, не так просто сделать, так как на выходе - 8кв. Прокомментируйте, пожалуйста.
Путаница происходит, так как в начале, я назвал псевдо квадратурная модуляция. У меня всего одна несущая, но фаза ВЧ составляющей меняется с частотой сети, от положительного периода, к отрицательному. Почему я и акцентировал внимание, что между рыбками нельзя допускать пробелы. Что касаемо восстановления освежи память из соответствующих источников.

_________________
Чтобы слушать Иисуса Христа, нужно быть, хотя бы его апостолом!


valeralap | Post:735649 - Date: 22.07.21(21:27)
valeralap Пост: 735646 От 22.Jul.2021 (21:25)
Antgrl Пост: 735637 От 22.Jul.2021 (21:10)
valeralap Пост: 735447 От 22.Jul.2021 (06:05)
Antgrl Пост: 735397 От 21.Jul.2021 (21:13)
valeralap Пост: 735179 От 20.Jul.2021 (18:20)
Vladimir37 Пост: 735168 От 20.Jul.2021 (17:41)
valeralap Пост: 735166 От 20.Jul.2021 (17:02)
...Так и получилось, катушка такой конструкции работает только на одной частоте, суммирую добротность послойной намотки…

Каждый слой катушки нужно настраивать на резонансную частоту. Каждый слой как контур и эти контура (слои) включены последовательно?


Катушка и ее резонанс для меня небыли главными, я ее делал произвольно, у меня получился резонанс без дополнительных емкостей около 300кгц. Дело в том, что генератор сам возбуждается в зависимости от параметров моей бифилярной катушки именно на частоте ее резонанса. Какой смысл ее настраивать? Это упрощает как задачу, так и ее решение.


Расскажите пожалуйста, как делаете обратную связь и как и где вы делаете модуляцию и демодуляцию. Какие входные и выходные напряжения хоть на словах.


По суть задан очень объемный вопрос, тянет на многочасовую лекцию. Обратная связь имеет место присутствовать в любой радиотехнической так и электрических цепях силовых установок. Как не странно, но исторически с обратной связью столкнулись именно в развитие силовых цепей железных дорог. Изучая этот вопрос, обратили внимание, что любая силовая цепь имеющая превышение входа над выходом на 40db склонна к самовозбуждению. Позднее это все перекочевало в радио литературу и благополучно прижилось Децибел — не физическая величина, а математическое понятие. В этом отношении у децибел есть некоторое сходство с процентами. Как и проценты, децибелы безразмерны и служат для сравнения двух одноименных величин, в принципе самых различных, независимо от их природы. Следует отметить, что термин «децибел» всегда связывают только с энергетическими величинами, чаще всего с мощностью и, с некоторыми оговорками, с напряжением и током. Из этого можно сделать вывод, что обратная связь возникает через все элементы, которые есть в радиотехнических и силовых цепях, то есть через индукцию, так как есть катушки провода. Так же обратная связь возникает через емкость монтажную или неправильное расположение элементов схемы. Можно обратную связь получить резистивную так делается в работе операционного усилителя, коэффициент усиления определяется расчетом резистора обратной связи. Любое самовозбуждающееся устройство имеет в основании обратную связь, превышающую коэффициент усиления 40db Для примера всеми излюбленный качер Бровина . Или блокинг – генератор.

Модуляцию делаю через источник питания, ухудшая фильтрацию сетевого напряжения убираю электролитические конденсаторы и подбираю небольшие по емкости полипропиленовые. Делаю это для того, что бы между (рыбками) не было промежутков, иначе нельзя демодулировать сигнал, потеряв фазовый переход ВЧ составляющей. Сам принцип демодуляции очень простой, в фазовом сложении ВЧ составляющей.

Напряжение у меня 8кв.


Спасибо. Я не понимаю, как получается квадратурная модуляция, потому что для этого требуются два несущих сигнала с разницей между ними в 90 градусов. Демодуляция требует, чтобы копия несущей была повернута на 180 градусов, т.д. . Как это сделать? Демодуляция, вероятно, выполняется на низкочастотном резонансном трансформаторе, который действует как фильтр. Это, наверное, не так просто сделать, так как на выходе - 8кв. Прокомментируйте, пожалуйста.
Путаница происходит, так как в начале, я назвал псевдо квадратурная модуляция. У меня всего одна несущая, но фаза ВЧ составляющей меняется с частотой сети, от положительного периода, к отрицательному. Почему я и акцентировал внимание, что между рыбками нельзя допускать пробелы. Что касаемо восстановления освежи память из соответствующих источников.


Путаница происходит, так как в начале, я назвал псевдо квадратурная модуляция. У меня всего одна несущая, но фаза ВЧ составляющей меняется с частотой сети, от положительного периода, к отрицательному. Почему я и акцентировал внимание, что между рыбками нельзя допускать пробелы. Что касаемо восстановления, освежи память из соответствующих источников.

_________________
Чтобы слушать Иисуса Христа, нужно быть, хотя бы его апостолом!


Vladimir37 | Post:735664 - Date: 22.07.21(22:11)
BAP Пост: 735601 От 22.Jul.2021 (19:16)
Ты же питаешь транс от ТДКСа. Емкость зарядиться и всё.... Сделай хотя бы вот так:

Та нее. Должно быть как то похитрей. Я думаю что если есть два слоя намотки, они должны включаться как катушка Купера. Модулироваться эта катушка может пачками импульсов с высокой частотой и одновременно запитываться или модулироваться ещё и по фазе с частотой сети.
Нужно конечно рисовать, но может и так будет понятно.

BAP | Post:735752 - Date: 23.07.21(13:24)
Vladimir37 Пост: 735664 От 22.Jul.2021 (22:11)
BAP Пост: 735601 От 22.Jul.2021 (19:16)
Ты же питаешь транс от ТДКСа. Емкость зарядиться и всё.... Сделай хотя бы вот так:

Та нее. Должно быть как то похитрей. Я думаю что если есть два слоя намотки, они должны включаться как катушка Купера. Модулироваться эта катушка может пачками импульсов с высокой частотой и одновременно запитываться или модулироваться ещё и по фазе с частотой сети.
Нужно конечно рисовать, но может и так будет понятно.
Ты случайно схемы не перепутал? Вот посмотри это видео и комментарии под ним.
YouTube: Смотреть видео
И вот посмотри ответ Валеры по поводу этих двух схем. [ссылка]

<] [ 1 | ... 133 | 134 | 135 | 136 | 137 | 138 | 139 | 140 | 141 | 142 | 143 | 144 | 145 | 146 | 147 | 148 | 149 | 150 | 151 | 152 | 153 | ... | 482 ] [>
У Вас нет прав отвечать в этой теме.
Форум - Электростатические генераторы - Электростатика - Бифилярная катушка Никола Тесла (valeralap) - Стр 143
🏠 Главная | 📚 Содержание | 💬 Форум | 📁 Файлы | 📩 Контакт