[ВХОД]

🏠 Главная | 📚 Содержание | 💬 Форум | 📁 Файлы | 📩 Контакт

📱 | 🖨️

Форум - Резонансные генераторы - Прочие резонансные генераторы - Резонансный контур - Стр:45
<] [ 1 | ... 35 | 36 | 37 | 38 | 39 | 40 | 41 | 42 | 43 | 44 | 45 | 46 | 47 | 48 | 49 | 50 | 51 | 52 | 53 | 54 | 55 | ... | 64 ] [>
Модератор: dedivan
Первый пост темы: dedivan Post: #701324 От:30.11.2020 (14:36)
Что нужно знать о резонансном контуре.
sbal | Post: #708912 - Date: 17.01.21(16:56)
Maximusua Пост: 708873 От 17.Jan.2021 (11:38)
Если сопротивление резистора постоянному току я еще как то
могу представить, то волновое - никак ... А ведь у разных линий
кроме волнового сопр. должны быть еще какие то характеристики...
Катушка из витой пары и из широких полосок как небо и земля .
Может они важнее?
😊


Размер: 65.99 KB


Размер: 43.25 KB

_________________
в пути...



Maximusua | Post: #708914 - Date: 17.01.21(17:28)
sbal Пост: 708912 От 17.Jan.2021 (16:56)
Спасибо Сбал !


6464 | Post: #708959 - Date: 18.01.21(14:58)
козлайский Пост: 708843 От 16.Jan.2021 (22:15)
Это вам на flyback.org. Там хлопцы совмещают как то. Иначе как объяснить стриммеры
по два метра ?
p.s. Но LC резонанс катастрофически зависит от тела находящегося поблизости.
Движенье рук,и так далее.По этому не вижу ничего другого,как помещать всю конструкцию в экран.
Еще з.ы. Между прочим,там где катушки пускают двухметровые стриммеры,никаких тушек по близости не видно.Оно и понятно. страшно. Может в этом причина ?


Стриммер два метра- это хорошо или плохо? Если хорошо- значит правильно совмещают. Если плохо- значит неправильно совмещают и стриммеры это потеря энергии красивая, но бестолковая.
Неправильно совместить легко, даже у меня получается. Только улетает вся энергия, мне ничего не остается. А сделать контур с малыми потерями не получается.

_________________
Сложно сделать- задачка простая. Просто сделать- задачка сложная.



vasik | Post: #708988 - Date: 18.01.21(20:17)

Только улетает вся энергия, мне ничего не остается. А сделать контур с малыми потерями не получается.


Даже из встречной бифилярки улетает ?



6464 | Post: #709032 - Date: 19.01.21(10:34)
Не знаю, как правильно должно быть. Задачка очень многофакторная. Что то одно не так, и результат околонулевой. Как у меня.

Это как сжать надутый воздушный шарик. С одной стороны давишь, с другой лезет пузырь. И чем сильнее давишь, тем в более мелкие щели лезет.

_________________
Сложно сделать- задачка простая. Просто сделать- задачка сложная.



6464 | Post: #709035 - Date: 19.01.21(10:39)
Мне без помощи dedivan не сделать.

_________________
Сложно сделать- задачка простая. Просто сделать- задачка сложная.



олег-джан | Post: #709036 - Date: 19.01.21(10:50)
А он сам из скоча и не мотал....

_________________
Обьективная реальность-бред,вызванный недостатком алкоголя в крови...



sbal | Post: #709051 - Date: 19.01.21(13:30)
А зачем? Берёшь кондёр и - отматываешь. Делов.

_________________
в пути...



Maximusua | Post: #709106 - Date: 19.01.21(19:12)
Есть генератор , самопальный , 0 - 100 кГц.
Минимальная длительность импульса 1.5 мкс.
10 лет устраивал и вот понадобились импульсы покороче
от 10 - 15 нс. Ну в крайнем случае от 30 нс.
Погуглил... не приглянулось ничего...
Может кто уже ходил этой дорогой , откликнитесь.


sbal | Post: #709111 - Date: 19.01.21(19:29)
Идея здесь, самая дешёвая 😊

_________________
в пути...



vasik | Post: #709113 - Date: 19.01.21(19:34)
Maximusua Пост: 709106 От 19.Jan.2021 (19:12)
Есть генератор , самопальный , 0 - 100 кГц.
Минимальная длительность импульса 1.5 мкс.
10 лет устраивал и вот понадобились импульсы покороче
от 10 - 15 нс. Ну в крайнем случае от 30 нс.
Погуглил... не приглянулось ничего...
Может кто уже ходил этой дорогой , откликнитесь.


А просто на логике собрать неохота ?



Размер: 33.98 KB


dedivan | Post: #709116 - Date: 19.01.21(19:35)
sbal Пост: 709111 От 19.Jan.2021 (19:29)
Идея


Теоретически правильно. А практически после цепочки нужно формирователь поставить типа логической 74 серии 2 инвертора последовательно.

_________________
я плохого не посоветую



Maximusua | Post: #709118 - Date: 19.01.21(19:39)
sbal Пост: 709111 От 19.Jan.2021 (19:29)
Идея здесь, самая дешёвая 😊

Спасибо ! Буду пробовать . Боюсь фронт хреновый получится...


sbal | Post: #709119 - Date: 19.01.21(19:40)
dedivan Пост: 709116 От 19.Jan.2021 (19:35)
А практически после цепочки нужно формирователь поставить типа логической 74 серии 2 инвертора последовательно.
Так и делал в поделушках на 133-й серии, в прошлой жизни.

_________________
в пути...



Maximusua | Post: #709120 - Date: 19.01.21(19:42)
vasik Пост: 709113 От 19.Jan.2021 (19:34)
А просто на логике собрать неохота ?

Ленивый стал 😎 . Хотелось к имеющемуся прицепить
маковое зернышко и все в порядке ! 😎


Maximusua | Post: #709121 - Date: 19.01.21(19:44)
dedivan Пост: 709116 От 19.Jan.2021 (19:35)

Теоретически правильно. А практически после цепочки нужно формирователь поставить типа логической 74 серии 2 инвертора последовательно.

Во ! И никаких проблем !!!😎


sbal | Post: #709122 - Date: 19.01.21(19:44)
Maximusua Пост: 709118 От 19.Jan.2021 (19:39)
Боюсь
это не больно 😊 а главное - дёшево, опять же опыт, а интересно то как! 😬

_________________
в пути...



dedivan | Post: #709123 - Date: 19.01.21(19:47)
Maximusua Пост: 709118 От 19.Jan.2021 (19:39)
Боюсь фронт хреновый получится...


Через логику нормальные фронты будут. Только оставшиеся в корпусе инверторы запаралель к выходному.

_________________
я плохого не посоветую



sbal | Post: #709125 - Date: 19.01.21(19:52)
Да и частоту исходную можно х2. Потом ещё х2.

_________________
в пути...



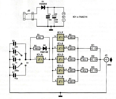
Toros | Post: #709128 - Date: 19.01.21(19:58)
Вообще у быстрых диодов время закрывания в районе 35 наносек. Если диод включить наоборот то как раз получишь импульс равный времени закрывания.
Ещё схемка есть, вполне возможно на ней можно добиться таких коротких импульсов



Размер: 4.76 KB


dedivan | Post: #709140 - Date: 19.01.21(20:30)
sbal Пост: 709125 От 19.Jan.2021 (19:52)
Да и частоту исходную можно х2. Потом ещё х2.

Это как раз не нужно- импульсы должны быть реденькие, чтобы всю волну увидеть до конца ее затухания.

_________________
я плохого не посоветую



Maximusua | Post: #709144 - Date: 19.01.21(20:44)
dedivan Пост: 709123 От 19.Jan.2021 (19:47)
Через логику нормальные фронты будут. Только оставшиеся в корпусе инверторы запаралель к выходному.

Запаралелю !!!😎


Maximusua | Post: #709145 - Date: 19.01.21(20:45)
Toros Пост: 709128 От 19.Jan.2021 (19:58)
Вообще у быстрых диодов время закрывания в районе 35 наносек. Если диод включить наоборот то как раз получишь импульс равный времени закрывания.
Ещё схемка есть, вполне возможно на ней можно добиться таких коротких импульсов

Спасибо Торос !


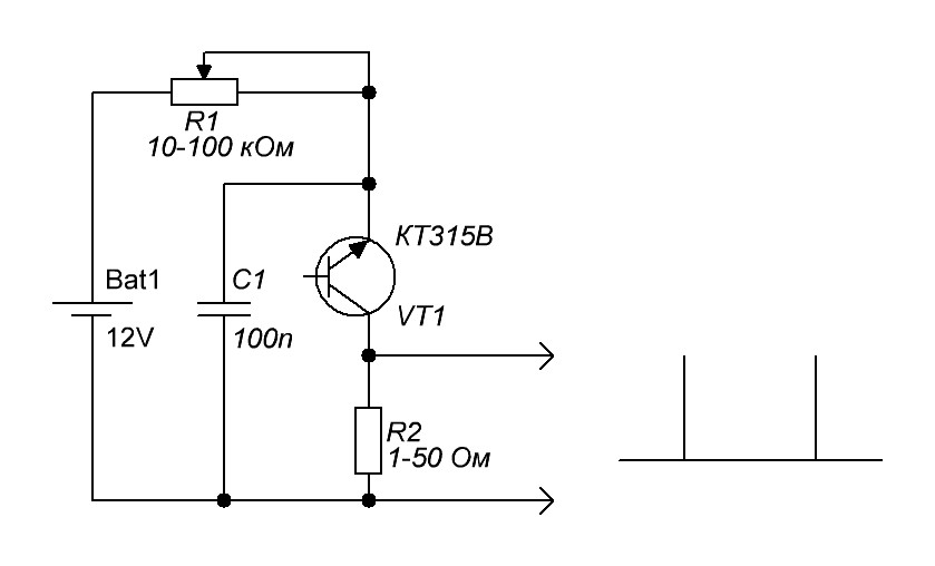
Виталя | Post: #709148 - Date: 19.01.21(20:54)
Михалыч, попробуй такую схему, на лавиннике. Там как раз то шо тебе нужно. И затрат никаких. Частота следования регулируется переменным резистором и номиналом ёмкости. Если в качестве ёмкости использовать кусочек коаксиала 100 мм длиной, получишь прямоугольный импульс в 1 наносекунду.


Размер: 29.61 KB

_________________
С ув. Виталий.



sbal | Post: #709149 - Date: 19.01.21(20:55)
dedivan Пост: 709140 От 19.Jan.2021 (20:30)
sbal Пост: 709125 От 19.Jan.2021 (19:52)
Да и частоту исходную можно х2. Потом ещё х2.

Это как раз не нужно- импульсы должны быть реденькие, чтобы всю волну увидеть до конца ее затухания.
То помянул разширения функциональности для, вдруг линия короткая случится и тактовых 100кило маловато будеть. https://im0-tub-ua.yandex.net/i?id=1091388d2eedee0d62e2a8047872fe26&n=13

_________________
в пути...



<] [ 1 | ... 35 | 36 | 37 | 38 | 39 | 40 | 41 | 42 | 43 | 44 | 45 | 46 | 47 | 48 | 49 | 50 | 51 | 52 | 53 | 54 | 55 | ... | 64 ] [>
У Вас нет прав отвечать в этой теме.
Форум - Резонансные генераторы - Прочие резонансные генераторы - Резонансный контур - Стр 45

🏠 Главная | 📚 Содержание | 💬 Форум | 📁 Файлы | 📩 Контакт