Antek Пост:
698797 От 15.Nov.2020 (23:29)
Интересный док получения продольной волны от сложения двух поперечных,но на более продвинутом принципе
Выложил второй раз,потому,что никто не прочитал.В ЕН антенах из двух рамок одна над другой излучается как продольная волна,так и поперечная.Продольная отрицается дифференциальными уравнениями Максвела. Также описан способ получения продольной волны при компенсации-сложении волны,проходящих через отрезки кабеля разной длины.Прикольно и просто-и ёмкость есть и индуктивность в кабеле,как в схеме приёмника данной темы.Там тоже в противофазе складываются,потому,что катушки соединены навстречу и происходит компенсация магнитных полей.Чисто вопрос как Вы понимаете процесс.Почему происходит преобразование двух поперечных волн,сдвинутых для сложения с компенсацией в ОДНУ ПРОДОЛЬНУЮ?
_________________
А вы друзья как не садитесь-все в музыканты не годитесь.
- Правка 20.11.20(02:50) -
Antek
Well Пост:
699392 От 19.Nov.2020 (18:27)
Well Пост:
699355 От 19.Nov.2020 (15:43)
ВЫВОД: Таким образом, при настройке входного контура на частоту поперечных электромагнитных колебаний из диапазона от 2 до 10 МГц принимаем информацию, которой
промодулированы продольные электромагнитные колебания с частотой из диапазона Шумана 7,2 - 8,6 Герца.
Я нигде не говорил, что КВ поперечное радиоизлучение частотой 3...10 МГц, на которую настраивается входной контур, промодулировано частотой 7,2 - 8,6 Гц продольного радиоизлучения Шумана!
А вы всё время тычете мне в лицо своими "селёдками".
"Селедки" не мои а ваши. Полюбуйтесь.
Вы ни на один заданный вопрос так и не ответили.
Антеннам все равно какая там волна, продольная или поперечная, эдс все равно наводится.
Входной контур ни на какую частоту не настраивается, добротность меньше 1.
Соберите уже схему и попробуйте. Или хотя бы в симуляторе посмотрите есть ли там вообще резонансы и возможно ли удержать рабочую точку схемы, способна ли она усиливать сигнал. Хватит уже пустой болтовни.
- Правка 20.11.20(02:29) -
Sergej_
Sergej_ Пост:
699433 От 20.Nov.2020 (02:13)
3. А они спросили у "братьев по разуму" хотят ли они вообще общаться с нами?
ну и почему бы не пообщаться на уровне точка-тире, ежели это безопасно? Ты бы пообщался с обезьяной на другой планете спаявшей приемо-передатчик для общения с тобой? Вон микробов на Марсе ищем, а тут с разумной жизнью пообщаться, даже ежели ништяков не будет, просто любопытство и познание
_________________
Дайте мне точку опоры...
- Правка 20.11.20(02:38) -
БЮВ
БЮВ Пост:
699437 От 20.Nov.2020 (02:32)
ну и почему бы не пообщаться на уровне точка-тире, ежели это безопасно?
А с тобой разве кто то разумный желает общаться? Ты с Логосом Земли не способен общаться, а он ведь рядом. Ты с Солнцем неспособен общаться, с этой неимоверной концентрацией энергии и разумных сил. Это фактический Бог который управляет всем в нашей солнечной системе. Можешь ты с ним общаться? Нет. Если бы Бог-Солнце сосредоточил на тебе свое внимание, ты бы просто сгорел от его могучей энергии.
Все что тебе доступно, это общаться с астральными праздношатающимися духами, они любят людям мозги засирать. Т.е. это и есть то что ты предлагаешь, т.е. общаться с обезьянами и прочими "братьями по разуму". Если даже ментальный уровень жизни и общения не освоен, что уж говорить об уровнях надчеловеческих.
Цивилизаций равных нам по развитию вряд ли удастся найти, природа очень хорошо и надежно изолирует развивающиеся цивилизации.
- Правка 20.11.20(02:49) -
Sergej_
Понял тебя Величайший и Мудрейший, склоняю голову перед твоими Знаниями и Видением, твоей созерцательной и сакральной сущностью, не буду больше пытаться вступить в порочную связь на парсековом растоянии с Высшими и Всевышними. Вразумил, каюсь, преклоняюсь. Да вырастут цветы в твоих следах на асфальте.
_________________
Дайте мне точку опоры...
Sergej_ Пост:
699436 От 20.Nov.2020 (02:28)
Входной контур ни на какую частоту не настраивается, добротность меньше 1.
Соберите уже схему и попробуйте.
О мудрейший из тупейших радистов на этом скромном форуме!
Позволь рассказать тебе одно из правил радиотехники.
У колебательного контура есть две точки для подключения- по напряжению и по току.
Для подключения к точке напряжения нужен усилитель с большим входным
сопротивлением, чтобы он имел сопротивление много больше эквивалентного сопротивления контура и не шунтировал контур.
И есть точка подключения по току- здесь наоборот- чем ниже входное
сопротивление усилителя,тем меньшие потери вносятся в контур.
Ткни своим указующим перстом- по какой схеме подключился к контуру
неразумный автор.
И куда нам подключиться, чтобы попробовать?
_________________
я плохого не посоветую
- Правка 20.11.20(06:02) -
dedivan
Дедушкаваня, Rвх схемы, что мы рассматриваем порядка 100 Ом, так что добротность контуров меньше 1, поэтому никаких резонансных свойств в них не наблюдается. Слезь с печи, нарисуй эквивалентную схему и посчитай добротность входных контуров на резонансной частоте.
- Правка 20.11.20(09:10) -
Well
Well Пост:
699460 От 20.Nov.2020 (09:09)
Rвх схемы, что мы рассматриваем порядка 100 Ом, так что добротность контуров меньше 1,
Эт схрена ли? Эквивалентное Сопротивление контура порядка 10 ком. Так что добротность получается около сотни.
_________________
я плохого не посоветую
Ну что замолчал? Формулу ищешь?
На тебе формулу- проверь.
_________________
я плохого не посоветую
Индуктивность катушки 200 мкгн кондер 100 пф.
Давай считай.
Эт тебе не лампочки в соседнем подъезде выкручивать.
_________________
я плохого не посоветую
Дедушкаваня, на унизительно-оскорбительный тон переходить не обязательно, тем более если вы, хотя само собой напрашивается ты, в преклонном возрасте, который обычно подразумевает мудрость.
Добротность я уже считал для частоты 1 МГц здесь:
[ссылка]
Q=0,062 на 1 МГц, на частотах выше она будет ещё меньше. Если я где то в расчётах ошибся, то укажите.
Well Пост:
698565 От 14.Nov.2020 (22:57)
Посчитаем добротность любого из контуров схемы по формуле:
У тебя голова то на плечах для чего? Жрешь что ли в нее?
Смотри на твою формулу- чем больше сопротивление потерь - тем больше добротность?
Так может быть?
Вон я тебе выше формулу дал-посчитай по ней.
_________________
я плохого не посоветую
- Правка 20.11.20(11:10) -
dedivan
Не понял, до сих считает?
_________________
в пути...
- Правка 20.11.20(12:38) -
sbal
Antek Пост:
699339 От 19.Nov.2020 (13:28)
..Чтобы заставить контура резонировать на своих частотах всё давно уже придумано-короткий импульс с крутыми фронтами.РАДИАНТ...
Ударное возбуждение КК не имеет никакого отношения к радианту.
LC контур короткими импульсами можно синусоидально возбудить и на основной частоте, и на гармониках. А что толку? В итоге работа всё с тем-же ЭМИ.
Но можно при желании с точностью до наоборот, используя чистую синусоиду и LC контур получить радиант

(см. лучи Тесла).
[ссылка]
К недостаткам (или достоинствам) такой системы следует отнести работу узконаправленным лучом, С>Ccв., невозможность забития красухами и т.д..
- Правка 20.11.20(13:22) -
inventives
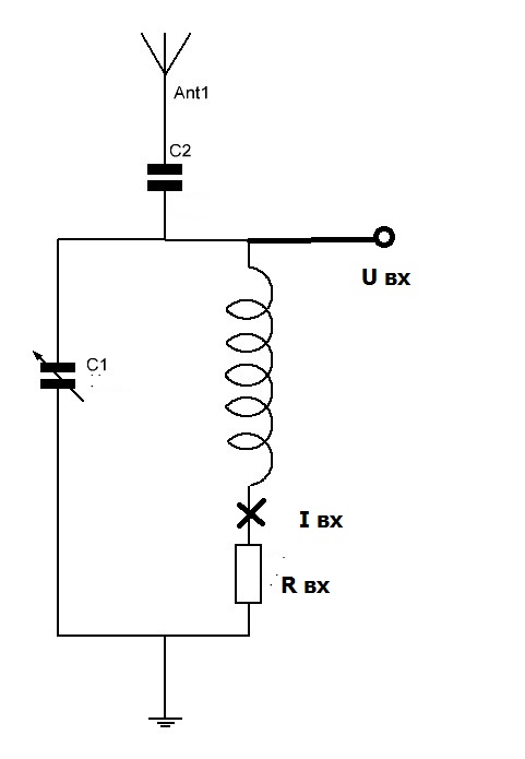
Я понял, где я напутал, я взял формулу расчёта для параллельного колебательного контура, где L,C, R включены параллельно!
Здес картина другая:
По входу схемы контур является последовательным, где L=200 мкГн, С=100 пФ, Rвх=100 Ом.
Посчитаем добротность: Q=(1/R)*Корень квадратный(L/C)
Q=(1/100 Ом)*Корень квадратный(0,0002 Гн / 0,0000000001 Ф) = 14,4
Признаю свою ошибку в расчётах, допущенную ранее, но Q = 14,4 маловато будет!
Вот он, случай этой схемы:
Но если зайти с антенного входа, то контур является параллельным с потерями на Rвх = 100 Ом.
- Правка 20.11.20(13:26) -
Well
У Вас нет прав отвечать в этой теме.