[ВХОД]
26.04.26(15:07)

www.skif.biz

Альтернативная энергия. Оставь надежду, всяк сюда входящий...

🏠 Главная | 📚 Содержание | 💬 Форум | 📁 Файлы | 📩 Контакт
 
Резонансные генераторы
Магнитные генераторы
Механические центробежные (вихревые) генераторы
Электростатические генераторы
Водородные генераторы
Ветро- и гидро- и солнечные генераторы
Прочие идеи (разные)
О форуме
Транспорт
Оружие
Научные идеи, теории, предположения...
Экономия топлива
Коммерческие вопросы
Струйные технологии
Торсионные генераторы
Новые технологии
Барахолка
Патентный отдел
Конструкторское бюро
Нейтронная физика
Торнадо и смерчи
Гравитация и антигравитация
Сделай сам. Советы.
Медицина и здравоохранение

📱 | 🖨️

Форум - Прочие идеи (разные) - Схемотехника - Про детальки - Стр:2
<] [ 1 | 2 | 3 | 4 | 5 | 6 | 7 | 8 | 9 | 10 | 11 | 12 | ... | 66 ] [>
Модератор: dedivan
Первый пост темы: dedivan Post: #682422 От:08.07.2020 (22:26)
Тему нужно бы назвать почему у МСН ничего не получается, но мы и еще чего нибудь тут про детальки расскажем.
dedivan | Post:682549 - Date: 09.07.20(19:32)
Мясокомбинат...
ликероводочны....
заявок нет.

_________________
я плохого не посоветую


олег-джан | Post:682550 - Date: 09.07.20(19:35)
Ну, и?
Или мы, как джентьльмены, будем ждать леди?
В обратноходе-пох связь между обмотками...там работает только потоковая связь и отсутствует электромагнитная...

_________________
Обьективная реальность-бред,вызванный недостатком алкоголя в крови...


dedivan | Post:682556 - Date: 09.07.20(21:36)
А вдруг она какое новое открытие сделала. и просветит темных джельменов.

_________________
я плохого не посоветую


олег-джан | Post:682558 - Date: 09.07.20(21:53)
Да?
А если она обиделься и всех нас вертела на ....векторе магнитной индукции, и вообще не обьявится?

_________________
Обьективная реальность-бред,вызванный недостатком алкоголя в крови...


dedivan | Post:682597 - Date: 10.07.20(14:53)
Ну тут у нас еще одна обидчивая дама есть-
MSN Пост: 682595 От 10.Jul.2020 (14:35)

А начался сыр бор с фразы, что производство 5мА - дороже чем 50мА.

Поэтому тему эту жевать дальше желания не имею, так как это разговор ни о чем, и лишняя потеря времени.

Физику за пятый класс забыла это дама, про напряженность поля .
Чем меньше шарик, тем больше напряженность поля на его поверхности при одном и том же заряде.
А диодики на 5 ма меньше по диаметру перехода чем на 50 ма, и их уже нельзя соединять легкими металлами, они уже отдают электрончики в этом поле, поэтому их приходится паять золотом. А это много дороже.
Кому то просто физика, а у кого то сразу отговорка- мол голова болит.

_________________
я плохого не посоветую


олег-джан | Post:682600 - Date: 10.07.20(15:37)
Вот я и пытался спросить, от чего ток в кристалле зависит, он так и не ответил...
А ты самое главное опять не написал, что дешевые 5мА это не кондиция кристаллов на 50 и выше мА, где в техпроцессе произошел какой-то косяк.
Сделали выборочную отбракову с партии и запустили на рынок под другой маркировкой...
Хоть за копейки, но не в мусорку...
П.с. кстати, найти цену на диоды класса милитари и все сразу будет наглядно.

_________________
Обьективная реальность-бред,вызванный недостатком алкоголя в крови...


dedivan | Post:682602 - Date: 10.07.20(16:26)
олег-джан Пост: 682600 От 10.Jul.2020 (15:37)
дешевые 5мА это не кондиция кристаллов на 50 и выше мА, где в техпроцессе произошел какой-то косяк.


Да, бывает, п-н переход по площади большой, а диффузию примесей провели не до конца. и падение напряжения большое получается. Ну вот чтобы не выбрасывать занижают ток. Для высоковольтных выпрямителей лишние несколько вольт роли не играют.

_________________
я плохого не посоветую


олег-джан | Post:682604 - Date: 10.07.20(16:34)
Да, там после диффузии примесей еще идет обязательный отжиг, чтобы
Молекулы встроились, куда надо...тоже тонкое место-косяки бывают...

_________________
Обьективная реальность-бред,вызванный недостатком алкоголя в крови...


dedivan | Post:682609 - Date: 10.07.20(18:41)
Так ему же говорят- почитай технологию ....

Но механик только трясся
И чинарики стрелял.
Он то плакал, то смеялся,
То щетинился как ёж —
Он над нами издевался…
Ну сумасшедший — что возьмёшь! (цы)

_________________
я плохого не посоветую


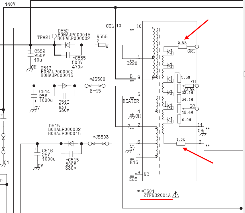
олег-джан | Post:682766 - Date: 12.07.20(13:30)
Схема тдкс

С
Размер: 79.43 KB

_________________
Обьективная реальность-бред,вызванный недостатком алкоголя в крови...


dedivan | Post:682768 - Date: 12.07.20(13:39)
Я и говорю- масонский тдкс.
Вон схемы- из сотни только один с резистором.
[ссылка]

_________________
я плохого не посоветую


олег-джан | Post:682771 - Date: 12.07.20(14:01)
Пидизреваю, что не один-два...просто в остальных не рисуют, они же не обязаны для всех рукожопов тонкости расписывать, которые не ремонтопригодны тем паче...
Я бы, будь конструктором, втыкал ограничитель во все обязательно...
Кстати, как тогда еще обьяснить живучесть тдкс при всевозможных издевательствах?
Они же ведь не отправляются в мир иной пии при многократных кз....
И одним сопротивлением обмотки тут врятли обойдешься...

_________________
Обьективная реальность-бред,вызванный недостатком алкоголя в крови...


sbal | Post:682778 - Date: 12.07.20(14:08)
Из принципа 3П (пол-палец-потолок) мне не видать возможности выжить 5мА-ным диодикам.

_________________
в пути...


dedivan | Post:682779 - Date: 12.07.20(14:08)
олег-джан Пост: 682771 От 12.Jul.2020 (14:01)
просто в остальных не рисуют,

Так это просто проверяется- на вторичку подаем напряжение вольт 100 и смотрим ток.
Как только диоды откроются- ток будет прибавлятся вместе с напряжением. Дельта У на дельта И поделить вот и сопротивление выходное будет.

_________________
я плохого не посоветую


олег-джан | Post:682781 - Date: 12.07.20(14:11)
Ага, и еще из шляпы вытащить сопротивление вторички...которое даже не известно каким проводом...

_________________
Обьективная реальность-бред,вызванный недостатком алкоголя в крови...


dedivan | Post:682783 - Date: 12.07.20(14:11)
sbal Пост: 682778 От 12.Jul.2020 (14:08)
не видать возможности выжить 5мА-ным диодикам.

Так там и в работчем режиме токи текут порядка 50 ма.
Там же импульсы с большой скважностью.
так что если ток лучей 2 ма- то импульсы через выпрямитель вокурат по 50 ма.

_________________
я плохого не посоветую


sbal | Post:682788 - Date: 12.07.20(14:32)
А как всё безобидно начиналось, с цены 😊

_________________
в пути...


dedivan | Post:682826 - Date: 12.07.20(22:41)
Да.
Но что то мадам у нас молчит про связь обмоток во флае.
А мне нужно бы для продолжения разговора показать ее, и не только ее, заблуждение.
Там непростой момент.

_________________
я плохого не посоветую


AlexSoroka | Post:682854 - Date: 13.07.20(13:17)
dedivan Пост: 682543 От 09.Jul.2020 (18:47)
А давай посмотрим -а нужна ли связь между обмотками в обратноходе?
И как ее выразить? Ведь обмотки работают в разные периоды времени.
В каждый момент времени работает только одна из них.
Как думаешь- нужна хорошая связь между обмотками или что то другое нужно?

Я применяю обратноходы более 10 лет в своих ЗУ. Серийно применяю.
Там "индуктивность рассеяния" есть, мешает изрядно...
и в сердечниках трансов пропилы надо делать (увеличенный зазор в магнитопроводе).

Вообще в журналах Радиолоцман была целая серия про обратноходы и прямоходы от Александра Русу.
Рекомендую:
https://www.rlocman.ru/review/article.html?di=585747

https://www.rlocman.ru/review/article.html?di=473673

Список источников

Русу А.П. Зачем нужен трансформатор в импульсном преобразователе электрической энергии? // Радиолоцман – 2018. – №9. – С.24 – 28 (Часть 1). – №10. – С.26 – 29 (Часть 2).
Русу А.П. «Откуда появились базовые схемы преобразователей».
Русу А.П. «Почему импульсные преобразователи "не любят" "легкую" нагрузку».
Русу А.П. «Почему обмотки дросселя обратноходового преобразователя могут иметь разное число витков».
Русу А.П. «Может ли ток в обмотке дросселя измениться мгновенно?»
Русу А.П. «В каком режиме должен работать магнитопровод дросселя импульсного преобразователя?»
Русу А.П. «Как определить размеры магнитопровода дросселя импульсного преобразователя».
Русу А.П. «Импульсное преобразование переменного тока».

Sergej_ | Post:682859 - Date: 13.07.20(15:20)
dedivan Пост: 682783 От 12.Jul.2020 (14:11)
sbal Пост: 682778 От 12.Jul.2020 (14:08)
не видать возможности выжить 5мА-ным диодикам.

Так там и в работчем режиме токи текут порядка 50 ма.
Там же импульсы с большой скважностью.
так что если ток лучей 2 ма- то импульсы через выпрямитель вокурат по 50 ма.
Это ты с какого потолка такой ток увидел? Заряд выходой емкости при включении дает токи через диод несколько ампер. Если закон Ома не забыл, сам можешь посчитать. К тому же номинал тока для диода указывается средний ток, а у тебя опять все как у шулера - сначала говоришь про 50 мА средний ток с запасом по номиналу, а потом вдруг он импульсным становится.

dedivan | Post:682865 - Date: 13.07.20(17:40)
AlexSoroka Пост: 682854 От 13.Jul.2020 (13:17)
целая серия про обратноходы и прямоходы от Александра Русу.
Рекомендую:

Давай посмотрим где он прав про обратноходы, и об этом же я говорил уже.


«базовой» схемой для «дроссельных» преобразователей является обратноходовая. Но в ней через магнитопровод дросселя передается вся мощность нагрузки, а это означает, что в устройстве все равно остается дроссель, габариты которого будут как минимум в 8 раз больше трансформатора.

дроссель должен работать в конкретном режиме, анализ и описание которого выходят за рамки данной статьи.

Вот и весь разговор, то есть не сказал практически ничего.




_________________
я плохого не посоветую


dedivan | Post:682866 - Date: 13.07.20(17:47)
Sergej_ Пост: 682859 От 13.Jul.2020 (15:20)
Если закон Ома не забыл, сам можешь посчитать.

Не буду считать, потому как к диодам закон Ома не прилагается, этому еще в первом классе учат.
Но можно посчитать по закону Джоуля- тепловое выделение на диодах.

Считаем - на одном диоде падает 0,7 вольта при 50 ма получается 35 мвт. На сборке в 30-50 диодов выделится и потеряется всего от1 до 1,5 вт. Это ни о чем для киловаттного блока.


_________________
я плохого не посоветую


dedivan | Post:682869 - Date: 13.07.20(18:36)
AlexSoroka Пост: 682854 От 13.Jul.2020 (13:17)

Там "индуктивность рассеяния" есть, мешает изрядно...


А у меня почему то нет. Я высоковольтный трансик делаю вообще с разнесенными обмотками. На центральном керне высокая вторичка , а первичка на боковых кернах.
Как думаешь- почему?



Размер: 557.73 KB

_________________
я плохого не посоветую


sbal | Post:682872 - Date: 13.07.20(19:08)
Кстати на юбтрубке полно роликов с подобной т.с. конфигурацией со всяческими эффектами, засмотреться можно.

_________________
в пути...


street | Post:682881 - Date: 13.07.20(21:35)
dedivan Пост: 682869 От 13.Jul.2020 (18:36)
Как думаешь- почему?

Опилок меньше....

_________________
Главное в мелочах


<] [ 1 | 2 | 3 | 4 | 5 | 6 | 7 | 8 | 9 | 10 | 11 | 12 | ... | 66 ] [>
У Вас нет прав отвечать в этой теме.
Форум - Прочие идеи (разные) - Схемотехника - Про детальки - Стр 2
🏠 Главная | 📚 Содержание | 💬 Форум | 📁 Файлы | 📩 Контакт