[ВХОД]

22.03.26(22:44)

www.skif.biz

Альтернативная энергия. Оставь надежду, всяк сюда входящий...

🏠 Главная | 📚 Содержание | 💬 Форум | 📁 Файлы | 📩 Контакт

📱 | 🖨️

Форум - Прочие идеи (разные) - Схемотехника - Источник высокого напряжения - Стр:8
<] [ 1 | 2 | 3 | 4 | 5 | 6 | 7 | 8 | 9 | 10 | 11 | 12 | 13 | 14 | 15 | 16 | 17 | 18 | ... | 47 ] [>
Модератор: MSN
Первый пост темы: MSN Post: #677942 От:09.06.2020 (10:25)
Накопилось немало идей в том числе по тесластроению и другим интересным искрениям и для воплощения их в жизнь, стало ясно, в хозяйстве просто необходим источник высокого напряжения. Универсального и готового, по вменяемым ценам я не нашел, поэтому решил создавать самому. Чтобы в процессе создания такого источника не пропадали ценные идеи, мысли и схемотехнические решения написанные во флудилке, решил завести такую, вне всякого сомнения полезную многим тему. Тем более поиск на просторах интернета, дал не очень-то большой выбор воплощенных конструкций, а готовые изделия стоили бессовестно дорого. Ну оно и понятно, такие источники - не ширпотреб и делаются как правило на заказ, штучно, поэтому и стоят дорого.
Создания источника нужно начинать с написания ТЗ. Мысль такая: каждый решивший изготовить такой источник ВН, для себя ТЗ будет задавать самостоятельно, сообразно своим требованиям и бюджету и сможет использовать идеи и готовые части схем публикующихся схем.

Итак, мои основные требования таковы(еще будут шлифоваться в процессе):
1. Источник ВВ должен быть напряжением (25-50)кВ;
2. Ток отдаваемый источником (10-50)мА;
3. Источник должен иметь регулировку напряжения и ограничение по току.
4. Измерительные приборы на борту (киловольтметр и миллиамперметр);

Статья которая подвигла меня на изготовление такого лабораторного источника находится здесь.

Куча ссылок, которые я накопал в интернете интересуясь темой, возможно кому-то они пригодятся и устройства подойдут без переделки:

Самый простой высоковольтный генератор на базе старого телевизора
Простое устройство получения высокого напряжения
Генератор высокого напряжения из строчника на транзисторе
Стабильный источник высокого напряжения для питания ФЭУ
Схема высоковольтного преобразователя (вход 12В, вых - 700В)
Высоковольтный блок питания
Блок питания для люстры "Чижевского"
Варианты блока питания “Люстры Чижевского”
Мощные высоковольтные ИП статья в 4-х частях; Ланцов_Владимиров
Высоковольтные генераторы напряжения с емкостными накопителями энергии
Высоковольтный ИП микрофокусной Рентгеновской установки

Было бы хорошо, "накрутить" Скиф так, чтобы первая тема оставалась модерируемой постоянно. Очень удобно добавлять полезные ссылки именно в первую тему.
Forex | Post:678719 - Date: 15.06.20(14:15)
Что-то сомневаюсь, но у нас есть совсем старые щупы - они залиты. Там маленький пузырёк видно как медленно болтается.

Да и не понятно на хрена такая дурь с газом, да ещё трахаться подзаправлять как зажигалку? Залил и на всегда забыл...


Издалека | Post:678720 - Date: 15.06.20(14:23)
Forex Пост: 678719 От 15.Jun.2020 (14:15)
Что-то сомневаюсь, но у нас есть совсем старые щупы - они залиты. Там маленький пузырёк видно как медленно болтается.

Первые были 6015 - с газом, а потом 6015А - это залитые
Там был какой-то фтор-углерод -
image



Forex | Post:678721 - Date: 15.06.20(14:24)
Это до моего рождения что-ли? 🤢


Издалека | Post:678722 - Date: 15.06.20(14:27)
я мои, с газом, получил в 1998


dedivan | Post:678727 - Date: 15.06.20(14:49)
Forex Пост: 678721 От 15.Jun.2020 (14:24)
Это до моего рождения что-ли? 🤢

Да он как всегда вниз головой и все напутал.
Газ там в балончике только для заправки, чтобы вытеснял жидкость в щуп.


_________________
я плохого не посоветую



ФЕМЕ | Post:678728 - Date: 15.06.20(14:52)
Это да, даже кабели связи под избыточным давлением осушенного воздухе находятся. Хотя в идеале сухой азот должен быть.

_________________
«Сколь горестно не знать свой ум!»



sbal | Post:678729 - Date: 15.06.20(14:59)
Да чё вы пристали то, не царское сие дело в эээ щупе ковыряться.

_________________
в пути...



олег-джан | Post:678734 - Date: 15.06.20(15:19)
Пузырьки из земли?
Ну ты и связист, глять...
Место повреждения локатором(рефлектометром) всегда отбивают...
А избыточное давление-оно для того и избыточное...

_________________
Обьективная реальность-бред,вызванный недостатком алкоголя в крови...



dedivan | Post:678736 - Date: 15.06.20(15:42)
Бомбар Пост: 678733 От 15.Jun.2020 (15:15)
накачивают для того, что бы определять повреждения оных.

Не определять, а контролировать, как газопровод, если давление упало- значит кто то врезался и ворует.
Это зашита связи ну и кабеля заодно.

_________________
я плохого не посоветую



ФЕМЕ | Post:678739 - Date: 15.06.20(16:04)
Бомбар Пост: 678733 От 15.Jun.2020 (15:15)
Кабели связи накачивают для того, что бы определять повреждения оных. Ибо бумажные они (были) и сосали влагу на ура.

Вот любишь ты фантазировать. Специальные пневмостанции стоят на узлах связи после кросса для создания в магистральных кабелях избыточного давления. Даже если колодец зальет водой, вода в них не попадёт. Но и понятно что и воздух влажный тоже.

_________________
«Сколь горестно не знать свой ум!»



Издалека | Post:678740 - Date: 15.06.20(16:04)
dedivan Пост: 678727 От 15.Jun.2020 (14:49)
Forex Пост: 678721 От 15.Jun.2020 (14:24)
Это до моего рождения что-ли? 🤢

Да он как всегда вниз головой и все напутал.
Газ там в балончике только для заправки, чтобы вытеснял жидкость в щуп.
Ну вот - слез с дивана . . .
Там Тетрафторид углерода (R14) - на балоне написано.
Его потом запретили - озоновый слой рушит сильно.
А заправлять надо было, когда весь выходил и в щупе жидкой фракции не оставалось.


dedivan | Post:678756 - Date: 15.06.20(18:55)
ФЕМЕ Пост: 678739 От 15.Jun.2020 (16:04)
Но и понятно что и воздух влажный тоже.

На кремлевской вертушке насрать на кабель- новый протянут, а вот чье то подключение к ней- это не просто авария, это чп.

_________________
я плохого не посоветую



олег-джан | Post:678757 - Date: 15.06.20(19:07)
Деда, подалючиться можно так, что никакой манометр не успеет ни чего заметить...херня это...
И ссылка Бомбара-тоже херня...там можно определить только участок с утечкой, длиной десятки километров...это скорее для предупреждения крупной аварии, чтобы вовремя заняться устранением...но связь при этом потеряна не будет...
А вот в отсутствии избыточного давления в кабеле и его, допустим замокании из-за этого...
Это уже пиндец, возможно с посадками...так как простой междугородки, а это именно эти кабели, стоит много-много лямчиков...это я не говорю даже про военку...
Методики поика утечек и прочих неисправностей довольно проста...дистанционно заворачивают сигнал на себя между НУП-ами, определяя таким образом конкретный участок, а далее выездная бригада летит туда с локатором и лопатами...
Сейчас, понятно дело, с оптикой все несколько иначе...но не сильно...

_________________
Обьективная реальность-бред,вызванный недостатком алкоголя в крови...



Forex | Post:678781 - Date: 15.06.20(22:48)
Какие ещё надувательства линий? Ща связь сплошная опта. Ей пох на влажность.
И вообще. Какая связь между линиями связи и высоковольтным питаловом? 😭


МSN | Post:678790 - Date: 16.06.20(01:18)
Да!!! 🤢🤢🤢

_________________
Говорите говорите, я всегда зеваю когда мне интересно. 99,9% всех СЕ устройств, - от неправильных измерений



Forex | Post:678792 - Date: 16.06.20(02:14)
Чё да-то? Не понял... 😭


МSN | Post:678833 - Date: 16.06.20(14:19)
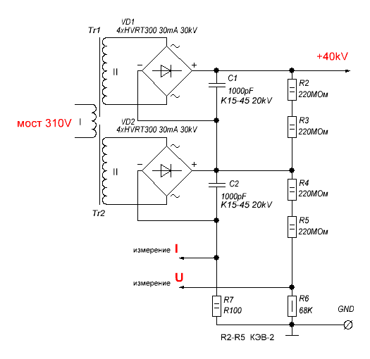
Исходя из собственных потребностей, доступных элементов и вышесказанного, нарисовалась схема высоковольтной части. Источник планирует быть с выходным напряжением до 40кВ и до 30мА, таким образом источник должен выдавать до 1200Вт;
Никаких умножителей, только повышающий транс с коэффициентом отношения количества витков вторички к количеству витов первички К~65. На выходе обычный выпрямительный мост из высоковольтных диодов HVRT300 (30кВ,30мА). Такой один блок должен выдавать постоянного около 20кВ, блоков как видно из схемы два, соединены последовательно. Мотать предполагается на П-феррите от старых строчников. Возможно придется сложить в стопку несколько, будет зависеть от добытого феррита. Имеются токоизмерительный шунт и высоковольтный делитель для измерения тока и напряжения. Оба сердечника трансформаторов охватывает общая первичная обмотка (I)
Запитывается первичка от источника 310В, включена в мост из MOSRET или IGBT соответствующего типа. Об управлении потом.



Прошу конструктивной критики старших товарищей.
Схема "высокой" части ВВ источника
Схема "высокой" части ВВ источника
Размер: 10.06 KB

_________________
Говорите говорите, я всегда зеваю когда мне интересно. 99,9% всех СЕ устройств, - от неправильных измерений



Forex | Post:678834 - Date: 16.06.20(14:26)
включена в мост из MOSRET или IGBT соответствующего типа.


MOSFET или IGBT Это большая разница. Частота силно может отличаться.
И что такое соответствующего типа? По мощности что-ли?

И вообще. На 1,2 квт там нах не нужен мост. Полумоста выше крыши на самых дешёвыx. IRFP460.


МSN | Post:678836 - Date: 16.06.20(14:40)
1. да, имелось ввиду транзюки по мощности, току и частоте.

2. Согласен что по мощности для таких (1,2 квт) там вполне достаточно полумоста.
МОст там нужен чтобы соблюсти Ктр~65 (20000/310=65)в трансах.

Фишка в том, что если использовать полумост, то на первичку подается 0,5 U (310/2=155В) выпрямителя.

это повлечет за собой уменьшение количества витков первички ВДВОЕ.
А это автоматом потребует повышение частоты ключевания, Причем сейчас на этапе прикидок, я не знаю насколько потребуется повышать частоту и возможно там вылезут какие-то неприятные вещи, начиная от нагревания сердечника, заканчивая еще чем-то нехорошим...

тоесть я пока решил не меняя Ктр~65;
а идти путями решения проблемы:
либо повышай Ктр, что не есть очень гут, либо ставя после сети умножитель напряжения на 2 и повышая напряжение до 600В, а потом с "половинного" кондера уже направляй честные 300В. Но это огород...

Остается вариант - делать полный мост. Я последнее решение с учетом дешевизны каких нить
IRFP 350 или ITFP400, считаю более предпочтительным решением.

_________________
Говорите говорите, я всегда зеваю когда мне интересно. 99,9% всех СЕ устройств, - от неправильных измерений



Forex | Post:678837 - Date: 16.06.20(14:49)
Хочешь так. Хочешь- по другому... Всё равно сделаешь не правильно... 🤢

(так я не понял. Фотку-то видел? 🤢 )


МSN | Post:678838 - Date: 16.06.20(15:01)
Неа.
Я скачал её, натянул линзу на глаз, и так и эдак....но там хер поймешь, далеко и разрешение не позволяет толком рассмотреть.
Ну ты хоть в личку кинь, посмотреть чего ты там за ноу-хау применил 😀

_________________
Говорите говорите, я всегда зеваю когда мне интересно. 99,9% всех СЕ устройств, - от неправильных измерений



Forex | Post:678840 - Date: 16.06.20(15:14)
НОу-хау... Гы-ы-ы-... Да там битком набито новыми решениями 🤢
Без них так бы не заработало. Там же именно полумост. Хотя все говорили что нужен только мост. ТОки очень большие пполучаются. Именно поэтому, что бы с последствиями разобраться я принципиально взял полумосст. Разобрался во вссём!
Зато теперь могу мост, на трёх фазке под 100 кВат сделать без проблемм.
И больше - структуры в параллель. НЕ люблю в корзину работать. Если уж делать, и тратить время, так что бы был задел на дальнейшее..

натянул линзу на глаз,

Ты что, увеличение в фоторедакторе так и научился ставить? 🤢


zimnyaya | Post:678841 - Date: 16.06.20(15:17)
1.Если диоды в мосте на 30кВ, значит предельное напряжение моста будет 60кВ, не нужно там столько диодов
2.Лучше сделать удвоители во вторичной цепи вместо мостов
3.Из-за плохой связи между обмотками петля ОС будет работать с большими причудами

_________________
Желудь-теоретик знает, как вырасти в дуб (c) Кнышев



МSN | Post:678842 - Date: 16.06.20(15:20)
" Ты что, увеличение в фоторедакторе так и научился ставить? "
Конечно научился. Это фигура речи, показывающая возмущение от плохого разрешения🤢

_________________
Говорите говорите, я всегда зеваю когда мне интересно. 99,9% всех СЕ устройств, - от неправильных измерений



Forex | Post:678843 - Date: 16.06.20(15:39)
показывающая возмущение от плохого разрешения

Так это же фотка для истории и для хайпа.. А не для показа деталировки.. 🤢 🤢

Хотя там можно кой-чаго разглядеть. Я даже сначала сомневался. Выкладывать, не выкладывать. Потом подумал - а -всё равно ничего не поймут... 😀 Мутно слишком..


<] [ 1 | 2 | 3 | 4 | 5 | 6 | 7 | 8 | 9 | 10 | 11 | 12 | 13 | 14 | 15 | 16 | 17 | 18 | ... | 47 ] [>
У Вас нет прав отвечать в этой теме.
Форум - Прочие идеи (разные) - Схемотехника - Источник высокого напряжения - Стр 8
🏠 Главная | 📚 Содержание | 💬 Форум | 📁 Файлы | 📩 Контакт