[ВХОД]
13.04.26(19:16)

www.skif.biz

Альтернативная энергия. Оставь надежду, всяк сюда входящий...

🏠 Главная | 📚 Содержание | 💬 Форум | 📁 Файлы | 📩 Контакт
 
Резонансные генераторы
Магнитные генераторы
Механические центробежные (вихревые) генераторы
Электростатические генераторы
Водородные генераторы
Ветро- и гидро- и солнечные генераторы
Прочие идеи (разные)
О форуме
Транспорт
Оружие
Научные идеи, теории, предположения...
Экономия топлива
Коммерческие вопросы
Струйные технологии
Торсионные генераторы
Новые технологии
Барахолка
Патентный отдел
Конструкторское бюро
Нейтронная физика
Торнадо и смерчи
Гравитация и антигравитация
Сделай сам. Советы.
Медицина и здравоохранение

📱 | 🖨️

Форум - Резонансные генераторы - Резонансный трансформатор Теслы - Попытка мыслить категориями Тесла - Стр:262
<] [ 1 | ... 252 | 253 | 254 | 255 | 256 | 257 | 258 | 259 | 260 | 261 | 262 | 263 | 264 | 265 | 266 | 267 | 268 | 269 | 270 | 271 | 272 | ... | 287 ] [>
Модератор: idmail
Первый пост темы: idmail Post: #79869 От:13.09.2007 (07:20)
Valerlap "...самое главное открытие Никола Тесла, физика продольной волны.Что знал Никола Тесла, чего незнаем мы? Первые представления об ЭФИРЕ были полностью связаны с представлением свойств жидкости. Тесла имел именно такой устойчивый взгляд. Мысленной моделью для своих разработок Тесла использовал воду..."

Насколько поздние указанные представления Теслы об эфире? Вполне возможно что его взгяды на строение эфира изменились. Основанием может служить ссылка на его (Теслы) статью, где эфир оценивается как очень упругая (энероёмкая) среда с малой плотностью. Цитата из статьи(перевод) Теслы здесь. С уважением


Насколько я помню Тесла не согласился с представлением эфира как среды с малой плотностью, обоснование - продольная волна испытывает затруднения распространяясь в такой среде. Вот кургузенький перевод, почитайте. lazj
Antek | Post:647059 - Date: 26.10.19(22:05)
dedivan Пост: 647052 От 26.Oct.2019 (21:37)
Antek Пост: 647051 От 26.Oct.2019 (21:33)
Энергия запасается в виде магнитного поля вне сердечника.

Это твое и его заблуждение.
Вне сердечника энергия не запасается, а рассеивается.
Потому и называется - индуктивность рассеивания.

Назвать то-чего не понимаешь-можно по всякому.Я же писал-рядом с зазором отвёртка раскаляется.Далее-переходим увеличивая зазор на стержневой сердечник -энергия между краями в виде МП вокруг катушки запасается?.Назад возвращается в виде самоиндукции?Воздушный зазор-это тот же сердечник с проницаемостью=1.Какое нафиг рассеивание и в зазоре и вокруг катушки? А в внутри катушки без сердечника тоже рассеивание?

_________________
А вы друзья как не садитесь-все в музыканты не годитесь.


dedivan | Post:647066 - Date: 26.10.19(22:18)
Forex Пост: 647058 От 26.Oct.2019 (22:04)

Это эквивалентная индуктивность, которая в процессе не учавствует.

Всяко бывает...
У меня один приборчик был, так как раз ее и использовал.
Во время накачки замыкал-размыкал вторичку для получения второй полярности питания.

_________________
я плохого не посоветую


dedivan | Post:647069 - Date: 26.10.19(22:21)
Antek Пост: 647059 От 26.Oct.2019 (22:05)
Я же писал-рядом с зазором отвёртка раскаляется.

Представляешь, это и есть именно рассеяние, МП рассеивается в окружающее пространство и может поглощаться окружающими предметами, не входящими в контура обмоток.

_________________
я плохого не посоветую


Antek | Post:647072 - Date: 26.10.19(22:27)
dedivan Пост: 647069 От 26.Oct.2019 (22:21)
Antek Пост: 647059 От 26.Oct.2019 (22:05)
Я же писал-рядом с зазором отвёртка раскаляется.

Представляешь, это и есть именно рассеяние, МП рассеивается в окружающее пространство и может поглощаться окружающими предметами, не входящими в контура обмоток.

Именно-когда раскаляется-тогда в виде самоиндукции и не возвращается.Воздух-это тот же сердечник-ничего не рассеивается.Рассеивание-если энергия на что то ушла-иначе обратно происходит схлопывание МП и энергия в виде самоиндукции возвращается обратно в катушку.

_________________
А вы друзья как не садитесь-все в музыканты не годитесь.


turist1 | Post:647087 - Date: 26.10.19(23:04)
rsersh Пост: 646820 От 24.Oct.2019 (01:30)
cnhfybwf 428
Резонанс напряжений это не обязательно колебания. Это равенство реактивных сопротивлений C и L.
резонанс колебаний без самих колебаний(или я что-то не понял?)
страница 429
шарп, я бы тут плюс поставил но тут вроде негде, мне уже лень объяснять.
Математика засела вам в голову крепко....А подумать без математики слабо?
Если на катушку подать один импульс то у катушки будет индуктивное сопротивление этому импульсу? Конечно будет.. Сначала максимально, а по мере "разряда" катушки сопротивление уменьшается ...От чего будет зависеть? От индуктивности и длительности импульса будет зависеть? Будет..
А конденсатор имеет реактивное сопротивление одному импульсу? имеет -по мере заряда сопротивление будет нарастать.... От чего зависит? От ёмкости и длительности импульса зависит? конечно..
А если соединить последовательно конденсатор и катушку одинакового сопротивления для длинны подаваемого импульса и подать на цепочку один импульс? То что будет?
Какая тут математика?



dedivan | Post:647088 - Date: 26.10.19(23:08)
Antek Пост: 647072 От 26.Oct.2019 (22:27)

Рассеивание-если энергия на что то ушла-иначе обратно происходит схлопывание МП и энергия в виде самоиндукции возвращается обратно в катушку.

Не вся она схлопывается, не вся возвращается, часть улетает со скоростью света, часть поглощается в окружающих предметах и экранах.

_________________
я плохого не посоветую


Antek | Post:647094 - Date: 27.10.19(00:00)
dedivan Пост: 647088 От 26.Oct.2019 (23:08)
Antek Пост: 647072 От 26.Oct.2019 (22:27)

Рассеивание-если энергия на что то ушла-иначе обратно происходит схлопывание МП и энергия в виде самоиндукции возвращается обратно в катушку.

Не вся она схлопывается, не вся возвращается, часть улетает со скоростью света, часть поглощается в окружающих предметах и экранах.

То же можно сказать про самоиндукцию.Не вся она возвращается в провод.В чём тогда разница между самоиндукцией и "индукцией рассеивания".Ведь в катушке без сердечника между витками обыкновенные зазоры и "индукция рассеивания"тоже,раз может не вернуться или всё таки это индукция и ничего лишнего придумывать не нужно.Просто сердечник запасает энергию МП свою часть-а зазор свою,пусть и меньшую.Они могут вернуть энергию-а могут не вернуть -может вторичка транса энергию в виде МП забрать или отвёртка возле зазора.

_________________
А вы друзья как не садитесь-все в музыканты не годитесь.


Vladimir37 | Post:647097 - Date: 27.10.19(01:44)
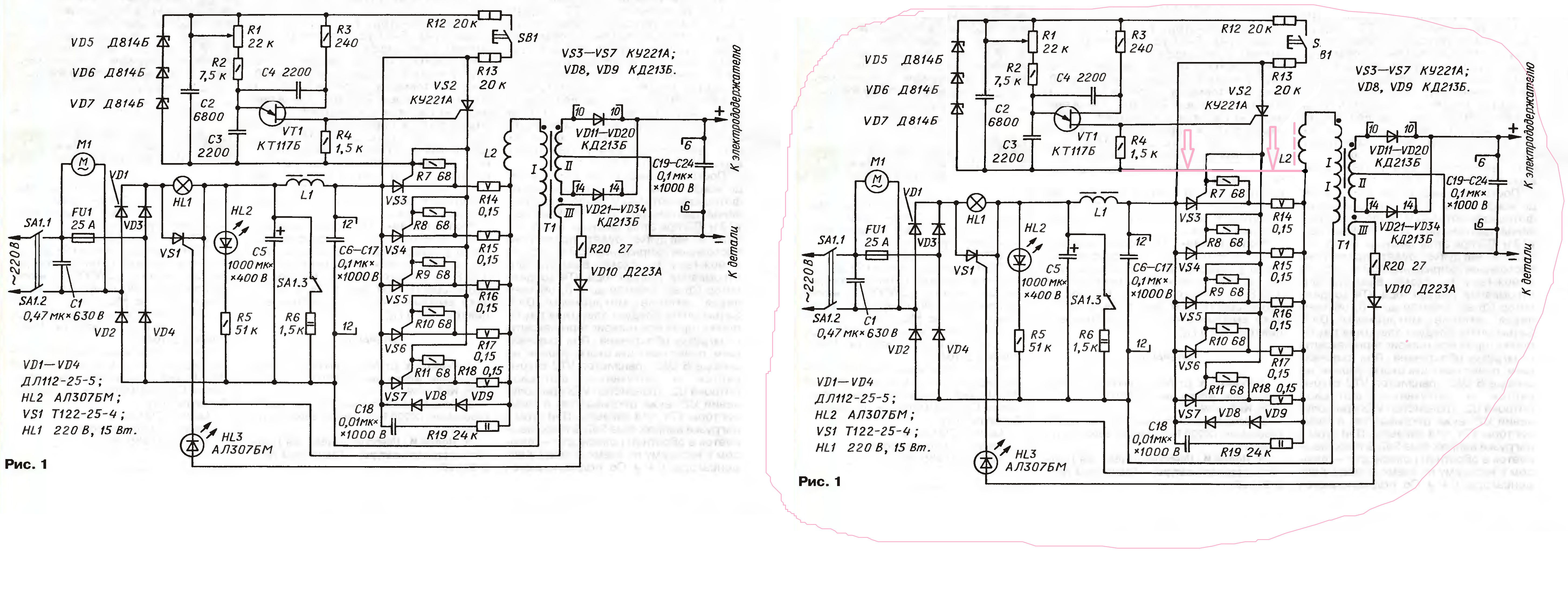
Если бы у кого то была собрана схема, как в журнале, на КУ221 и паралельном контуре, можно было бы провести эксперимент.
Дает эта схема, по журналу 130А с каким то потреблением от сети, например. Берем и последовательно с Др (L1) включаем резистор 10 Ом. По идее ток должен уменьшиться на выходе, но он в этой схеме увеличиться до 140А. Уже хоть что то.
На первой схеме, как опубликовано в журнале, на второй, немного по другому.


Размер: 1.63 MB

street | Post:647099 - Date: 27.10.19(04:10)
Antek Пост: 647094 От 27.Oct.2019 (00:00)

То же можно сказать про самоиндукцию.Не вся она возвращается в провод.В чём тогда разница между самоиндукцией и "индукцией рассеивания".

Самоиндукция - это явление природы, процесс.
Индуктивность рассеяния - это параметр, количественная оценка потерь в реактивке, которая по определению (в идеале) потерь не имеет.

_________________
Главное в мелочах


matros | Post:647101 - Date: 27.10.19(06:06)
Если у транса обмотки расположенны (первичка и вторичка) на одном участке магнитопровода то на максимальной нагрузке (кз вторички) в первичной обмотке ничего практически не запасается т.к. её индуктивность близка к нулю , и при разрядке конденсатора на первичку его энергия "вылетает в трубу" т.е её рекуперация не возможна, другой расклад получается когда обмотки физически расположенны каждая на своем участке магнитопровода , с одной стороны вреде это вредное явление (типа ток быстро не растет) но с другой стороны в таком трансе помимо трансформации с первички во вторичку происходит ОДНОВРЕМЕННОЕ накопление энергии в индуктивности т.е. 2 процессав идут параллельно за счет одного и того же тока через индуктивность первички.
Вот эту энергию уже можно возвратить в кондер но помимо того что она возвращается с первичной обмотки еще и на обратном ходе может навести эдс во вторую втиоричку и у нас получается сдвиг токов во вторичках 90 градусов т.е. если сварку делатиь на таком принципе можно по мимо минимального потребления еще в нагрузке получить практически идеальную постоянку без доп дросселей . Вот схема можно запускать в резонансе можно в пульсирующем режиме первичке с рекуперацией (косой мост)
главное физически обмотки расположить как на схеме и сердечник не замкнут между вторичками т.е. либо большой зазор либо стержень)


Размер: 9.31 KB

_________________
Бессмыслица — искать решение, если оно и так есть. Речь идёт о том, как поступить с задачей, которая решения не имеет.(АиБ)


dedivan | Post:647103 - Date: 27.10.19(08:34)
Antek Пост: 647094 От 27.Oct.2019 (00:00)
В чём тогда разница между самоиндукцией и "индукцией рассеивания".

matros Пост: 647101 От 27.Oct.2019 (06:06)
Если у транса обмотки расположенны (первичка и вторичка) на одном участке магнитопровода то на максимальной нагрузке (кз вторички) в первичной обмотке ничего практически не запасается

Вы бы оба взяли какой нибудь импульсный трансик, например от телевизора, аккуратно размотали его и ответили бы сами себе на вопрос-
почему там обмотки намотаны по хитрому- чередованием слоев первички и вторички.
Зачем это? С такими сложностями, каждый слой нужно изолировать от сетевого напряжения, да еще по буржуйским стандартам.

_________________
я плохого не посоветую


Antek | Post:647108 - Date: 27.10.19(09:28)
street Пост: 647099 От 27.Oct.2019 (04:10)
Antek Пост: 647094 От 27.Oct.2019 (00:00)

То же можно сказать про самоиндукцию.Не вся она возвращается в провод.В чём тогда разница между самоиндукцией и "индукцией рассеивания".

Самоиндукция - это явление природы, процесс.
Индуктивность рассеяния - это параметр, количественная оценка потерь в реактивке, которая по определению (в идеале) потерь не имеет.

Энергия никогда не исчезает.Потери на что?

_________________
А вы друзья как не садитесь-все в музыканты не годитесь.


dedivan | Post:647113 - Date: 27.10.19(11:24)
Antek Пост: 647108 От 27.Oct.2019 (09:28)


Энергия никогда не исчезает.Потери на что?

Так очень просто- кинь камушек в лужу- увидишь волну, вот на ее создание тратится энергия, а вернется ли она обратно от другого берега лужи?
В катушках то же самое.

_________________
я плохого не посоветую


Antek | Post:647114 - Date: 27.10.19(12:01)
dedivan Пост: 647113 От 27.Oct.2019 (11:24)
Antek Пост: 647108 От 27.Oct.2019 (09:28)


Энергия никогда не исчезает.Потери на что?

Так очень просто- кинь камушек в лужу- увидишь волну, вот на ее создание тратится энергия, а вернется ли она обратно от другого берега лужи?
В катушках то же самое.

Тогда общая индуктивность состоит из индуктивности и индуктивности рассеивания.Именно энергия индуктивности рассеивания при обратном процессе превосходящим прямой и есть БТГ. То-есть система должна быть не замкнутой и энергия отклика должна превышать энергию накачки ("рассеивания").Нужно максимально увеличить рассеивание.Вот именно для этого такие огромные напряжения и огромные токи в незамкнутых конструкциях с катушками без сердечника и магнитными стержневыми сердечниками.Да ещё и при том нужен одиночный короткий импульс.Железяки от радианта заряд получают именно за счёт ответки среды (эфира).Именно этот отклик и нужно увеличивать за счёт "правильного"воздействия на среду.Такая сущность процессов в любом БТГ.

_________________
А вы друзья как не садитесь-все в музыканты не годитесь.


street | Post:647117 - Date: 27.10.19(12:36)
Antek Пост

Такая сущность процессов в любом БТГ.

Такая сущность только в твоей голове.
А, как на самом деле?

_________________
Главное в мелочах


matros | Post:647121 - Date: 27.10.19(13:33)
Antek Пост: 647114 От 27.Oct.2019 (12:01)

Железяки от радианта заряд получают именно за счёт ответки среды (эфира).Именно этот отклик и нужно увеличивать за счёт "правильного"воздействия на среду.Такая сущность процессов в любом БТГ.


Антек для тебя анекдот 😬 [ссылка]

_________________
Бессмыслица — искать решение, если оно и так есть. Речь идёт о том, как поступить с задачей, которая решения не имеет.(АиБ)


Antek | Post:647125 - Date: 27.10.19(14:33)
Без магнита-каши не сваришь-это про радиант.Каков привет-таков-ответ-для индукции рассеивания.На самом деле-у многих серое вещество только анекдотами забито.

_________________
А вы друзья как не садитесь-все в музыканты не годитесь.


matros | Post:647133 - Date: 27.10.19(16:50)
Antek Пост: 647125 От 27.Oct.2019 (14:33)
Без магнита-каши не сваришь-это про радиант.Каков привет-таков-ответ-для индукции рассеивания.На самом деле-у многих серое вещество только анекдотами забито.


Антек то о чем я пишу всегда легко проверить, это из личных опытов, я ничего не пытаюсь куркулить другое дело что мало кто хочет повторить и проверить, ты же со своим радиантом носишься как с писаной торбой не какой конкретики только общие фразы это наводит на определенные мысли 😎

_________________
Бессмыслица — искать решение, если оно и так есть. Речь идёт о том, как поступить с задачей, которая решения не имеет.(АиБ)


Antek | Post:647146 - Date: 27.10.19(18:16)
matros Пост: 647133 От 27.Oct.2019 (16:50)
Antek Пост: 647125 От 27.Oct.2019 (14:33)
Без магнита-каши не сваришь-это про радиант.Каков привет-таков-ответ-для индукции рассеивания.На самом деле-у многих серое вещество только анекдотами забито.


Антек то о чем я пишу всегда легко проверить, это из личных опытов, я ничего не пытаюсь куркулить другое дело что мало кто хочет повторить и проверить, ты же со своим радиантом носишься как с писаной торбой не какой конкретики только общие фразы это наводит на определенные мысли 😎

Я тоже ничего не выдумываю.Убрал магнит с разрядника с магнитным гашением-и радиант сразу испарился-железки вокруг перестали искрить,хоть схема осталась та же и ВВ напряжение она производит такое же.Те же 60 кВ в почти резонансе.Катушка тесла без сердечника-и соответственно сплошная индукция "рассеивания".Но эффекты РЭ почти исчезли.Да те кондёрчики КВИ-3 на 4700 пФ не пошли-долго заряжаются и разряжаютсяа эквивалент на 10шт КВИ-3 по 1000пФ паралельно работают на ура и их ещё не достаточно.При 10 шт перехода через максимум нет-пока только разгон с уведичением эффектов.

_________________
А вы друзья как не садитесь-все в музыканты не годитесь.


Forex | Post:647236 - Date: 28.10.19(15:06)
взяли какой нибудь импульсный трансик, например от телевизора,... почему там обмотки намотаны по хитрому- чередованием слоев первички и вторички.

А в строчнике что, так и намотаны?
У-у.. Плагиаторы.!.. 🤢 🤢

ФЕМЕ | Post:647258 - Date: 28.10.19(18:03)
dedivan Пост: 647103 От 27.Oct.2019 (08:34)
почему там обмотки намотаны по хитрому- чередованием слоев первички и вторички.
Зачем это?

Я бы подумал, что это для разноса разностей высоковольтного потенциала, с целью уменьшения вероятности пробоя.

_________________
«Сколь горестно не знать свой ум!»


олег-джан | Post:647259 - Date: 28.10.19(18:16)
это для разноса разностей высоковольтного потенциала

😊
тебе быстрый интернет только вредит..

_________________
Обьективная реальность-бред,вызванный недостатком алкоголя в крови...


Forex | Post:647261 - Date: 28.10.19(18:18)
для разноса разностей высоковольтного потенциала, с целью уменьшения вероятности пробоя.

Ты перепил! Садись два! 😭

ФЕМЕ | Post:647264 - Date: 28.10.19(18:24)
И что, разве на пробой, что бы его уменьшить, такой способ намотки не влепляет? Если конкретно этот аспект рассматривать от такого способа намотки.

_________________
«Сколь горестно не знать свой ум!»


Forex | Post:647266 - Date: 28.10.19(18:30)
...разве на пробой, что бы его уменьшить, такой способ намотки...

С точностью до наоборот.
Садись! Кол! 😭

<] [ 1 | ... 252 | 253 | 254 | 255 | 256 | 257 | 258 | 259 | 260 | 261 | 262 | 263 | 264 | 265 | 266 | 267 | 268 | 269 | 270 | 271 | 272 | ... | 287 ] [>
У Вас нет прав отвечать в этой теме.
Форум - Резонансные генераторы - Резонансный трансформатор Теслы - Попытка мыслить категориями Тесла - Стр 262
🏠 Главная | 📚 Содержание | 💬 Форум | 📁 Файлы | 📩 Контакт