[ВХОД]

🏠 Главная | 📚 Содержание | 💬 Форум | 📁 Файлы | 📩 Контакт

📱 | 🖨️

Форум - Резонансные генераторы - Прочие резонансные генераторы - Он выволок на свет и приволок - Стр:1
Модератор: IB
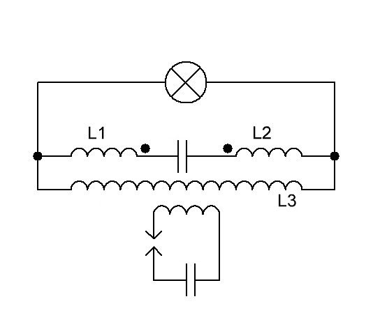
IB | Post: #539022 - Date: 26.04.17(23:45)
Схема генератора имени Капанадзе. Настоящая, как у самого.
Делайте и получайте киловатты. Нет ничего сложного, кроме понять как и почему работают эти четыре катушки и два конденсатора.
Ген идет в саморазгон если удачно щелкнуть тумблером. Потому Капа щелкал несколько раз. От выхода на орбиту спасает предохранительный разрядник (на схеме не показан), который у Тариеля прилеплен на конце "змеевика". Потому когда он однажды перестал работать, катушки задымили.
Удачной умственной работы, дорогие Россияне и не очень


Размер: 16.85 KB


IB | Post: #539027 - Date: 27.04.17(00:04)
Забыл. В стеклянной банке квадратный конденсатор, на нем разрядник. Конденсатор в металлическом корпусе, шваркает с вывода прямо на на оболочку.
Банка типа внешнего изолятора и заодно хорошо гасит звук разрядов.
Тумблер на два положения. 1 позиция заряд конденсатора от источника (трансформатор рядом), 2 позиция - переключение конденсатора на разрядник.
На втором полупериоде там уже прибавка.
Дарю. Но как работает не скажу. Хочу послушать.
На всякий случай сообщу, что проверено и выброшено. Ресурс только для демонстраций, в быту использовать сложно. Плюс помехи ужос.


gluk | Post: #539035 - Date: 27.04.17(02:43)
"...Схема генератора имени Капанадзе. Настоящая, как у самого, ...Ген идет в саморазгон если удачно щелкнуть тумблером..."

Товарищ! Где на схеме тумблер удачи?



IB | Post: #539061 - Date: 27.04.17(11:26)
Тумблер условно не показан. СЕ не в нем.
Первомай на носу. Межнародный праздник трудящихся IT-шников. Покруче первоапреля будет.
У нас юбилей: 10 лет со дня появления в сети первой темы по Капанадзе.
С тех пор многие убедились, что СЕ нет, но и многие убедились в обратном.


IB | Post: #539109 - Date: 27.04.17(21:42)
Дополню: во всех генераторах Капанадзе используются волны. Они вообще используются во всех СЕ устройствах, вплоть до ротовертов и больших сетевых трансформаторов, только создаются по разному. У Капанадзе разрядником.



joha | Post: #539111 - Date: 27.04.17(22:13)
IB Пост: 539027 От 27.Apr.2017 (00:04)
...заряд конденсатора от источника (трансформатор рядом)...

вот от него волны и идут в катухи


phoba | Post: #539169 - Date: 28.04.17(11:27)
IB Пост: 539082 От 27.Apr.2017 (15:46)
Да, измельчал народ. Вот раньше были умищи! По 1000 страниц постили. А теперь? Одни воспоминания. Тумблер им не такой...
Как Капа нарисовал, так я и перерисовал. И точка. Он может ничего и не понимает в рисовании, но у него СЕ есть, а у тех кто понимает нет 😀


у тебя есть се устройство ? 😕 а там есть секрет только один ?

_________________
Все новое - переосмысленное старое по новому, но не \\\"хорошо забытое старое\\\"...В. Стогов



IB | Post: #539348 - Date: 29.04.17(12:48)
У меня есть СЕ устройства, но продавать их как утюги себе дороже. Они пока не отличаются стабильностью и безопасностью. Выслушивать потом претензии от обывателей не хочется.
А соображающему человеку дешевле самому сделать.
Тут дофига таких было, кто попытался просто слепить схему и бросил, не получив ожидаемого. Этих я к соображающим не отношу, потому как нет у них желания понять суть, а хочется по короткому пути: просто слепить БТГ из чего попало, а еще лучше много БТГ и делать бизнес.
Другими словами, предлагаются удочки, а не рыба. Подопытных это бесит, но то их проблема.


IB | Post: #539428 - Date: 30.04.17(00:24)
Или пишем по генератору Капанадзе, или идем в баню.




коян | Post: #539430 - Date: 30.04.17(00:30)
Конденсатор между двумя катушками лишний.😊


БЮВ | Post: #539433 - Date: 30.04.17(01:10)
Там точки на катуках должны быть обозначающие начало обмоток и сердечник(и) регулирующий(е). Скорее всего диодная или триодная лампа не показана с нитью накала от хрен знает чего или от выхода. А в общем обычная развлекуха.

_________________
Дайте мне точку опоры...



street | Post: #539450 - Date: 30.04.17(07:08)
IB Пост: 539348 От 29.Apr.2017 (12:48)
У меня есть СЕ устройства, но продавать их как утюги себе дороже. Они пока не отличаются стабильностью и безопасностью. Выслушивать потом претензии от обывателей не хочется.
А соображающему человеку дешевле самому сделать.

Соображающему сразу понятно , что устройство , которое не отличаются стабильностью и безопасностью неактуально вообще.



_________________
Главное в мелочах



Pavel1 | Post: #539457 - Date: 30.04.17(08:41)
IB Пост: 539428 От 30.Apr.2017 (00:24)
Или пишем по генератору Капанадзе, или идем в баню.



Может быть стоит искать методы как обезопасить человека
и окружающую среду от вредного воздействия подобных генераторов?
Стоит ли открывать ящик пандоры не зная последствий?
К стати, при включении генератора, мой котик тут же убегает подальше,
животные чувствуют негатив. После 5-ти минут работы с генератором
начинает болеть голова, неприятный привкус электролита на языке.
Трясти Эфир не безопасно, вмешиваемся в естественный ход жизни
вселенной, эффект бабочки....
Необходимо договориться с природой, найти безопасные черты.

IB, будь добр, для нормальной беседы, обозначь катушки L1, L2, L3, L4,
начало намотки точкой(по общепринятому правилу буравчика),
емкости C1 и C2,
да бы не тыкать пальцем в небо.



Pavel1 | Post: #539460 - Date: 30.04.17(09:12)
коян Пост: 539430 От 30.Apr.2017 (00:30)
Конденсатор между двумя катушками лишний.😊


Как раз и нет, он накопительный между токовой и вольтажной катушками.




коян | Post: #539468 - Date: 30.04.17(11:31)
На первой схеме, которую IB стер, точки были обозначены. 😊


IB | Post: #539470 - Date: 30.04.17(12:12)
С точками.
Л1 и Л2 встречные, на краях Л3.
Конденсатором должен быть настроен резонанс с индуктором.


Размер: 18.30 KB


JnoVa | Post: #541392 - Date: 15.05.17(23:11)
Посмотрите на дату публикации - 2012 год.


Размер: 262.17 KB

_________________
В каждом из нас спит гений... и с каждым днём всё крепче.



rezoner | Post: #541426 - Date: 16.05.17(08:55)
IB Пост: 539470 От 30.Apr.2017 (12:12)
С точками.
Л1 и Л2 встречные, на краях Л3.
Конденсатором должен быть настроен резонанс с индуктором.

Последовательный резонанс L1-L2-C и волновой резонанс (1/2 волны) в длинной катушке. По концам пучность тока, в середине пучность напряжения.
Так?


berserkus | Post: #547873 - Date: 19.06.17(18:28)
JnoVa Пост: 541392 От 15.May.2017 (23:11)
Посмотрите на дату публикации - 2012 год.


в схеме Игоря, резонанс под вторичку подбирается емкость на индукторе и по идее емкость между бифом не нужна
а в этой схеме последовательный LC рассчитывается под ген, частоту можно сделать значительно ниже и без искры


Slafka | Post: #548434 - Date: 22.06.17(22:53)
Прикольная схема 😀
Казалось бы , простая , но в простоте кроется много процессов.
Про один тут наврятли кто то догадается.
И да, без конденсатора не будет работать, вообще.


berserkus | Post: #554192 - Date: 16.08.17(12:55)
Slafka Пост: 548434 От 22.Jun.2017 (22:53)
Прикольная схема 😀
Казалось бы , простая , но в простоте кроется много процессов.
Про один тут наврятли кто то догадается.
И да, без конденсатора не будет работать, вообще.


а SR доказал что будет работать без конденсатора между бифом
вот перерисуй, справа резонатор, слева биф
активное сопротивление источника стремится к нулю
до сих пор не могу догнать как модулируется частота (частота может быть любая, и Кулабухов это подтвердил, только не сказал как)?



Размер: 113.00 KB


У Вас нет прав отвечать в этой теме.
Форум - Резонансные генераторы - Прочие резонансные генераторы - Он выволок на свет и приволок - Стр 1

🏠 Главная | 📚 Содержание | 💬 Форум | 📁 Файлы | 📩 Контакт