[ВХОД]
15.04.26(16:55)

www.skif.biz

Альтернативная энергия. Оставь надежду, всяк сюда входящий...

🏠 Главная | 📚 Содержание | 💬 Форум | 📁 Файлы | 📩 Контакт
 
Резонансные генераторы
Магнитные генераторы
Механические центробежные (вихревые) генераторы
Электростатические генераторы
Водородные генераторы
Ветро- и гидро- и солнечные генераторы
Прочие идеи (разные)
О форуме
Транспорт
Оружие
Научные идеи, теории, предположения...
Экономия топлива
Коммерческие вопросы
Струйные технологии
Торсионные генераторы
Новые технологии
Барахолка
Патентный отдел
Конструкторское бюро
Нейтронная физика
Торнадо и смерчи
Гравитация и антигравитация
Сделай сам. Советы.
Медицина и здравоохранение

📱 | 🖨️

Форум - Прочие идеи (разные) - Схемотехника - сварочник очумелые ручки - Стр:1
[ 1 | 2 ] [>
Модератор: stasis2
stasis2 | Post:495334 - Date: 02.04.16(18:46)
Вот набросал схему прошу сильно не пинать опыта в силовухе нет акромя dc dc на 2 ква своей разработки ) и тот стоит без синуса пока ждёт , появилась у меня нужна в саке таком чтоб ничё не жрал и как то варил чисто прихватки например.
Интересно какое минимальное напряжение нужно чтобы удерживать дугу устойчиво , в бытовых и на 18 вольтах переменки всё прекрасно дует , только по отзывам знакомого таксиста не берёт УОНИ да и надух они мне не сдались - для бытовых нужд 3 ка за глаза и режим резки мне не нужен .
Заценяйте у кого есть сплан 7 , в жопег запихать немагу тк чёта немогу😬
стнандартные схемы типа полумоста валить сюда не надо тк деталей нет на них и греются они вроде страшно. Интересно всё что связано с квазирезонансом ибо просто и ключи в мягком режиме дуют , можно рассмотреть на тиристорах если у кого есть . Чем проще, дешевле и железо бетоннее схема тем ближе к зачёту )😭
b6e052.rar
Размер: 163.03 KB

loiki | Post:495346 - Date: 02.04.16(23:28)
Купил себе "Калибр микро СВИ 205" за 4 тысячи рублей и не парюсь.
Варит мягко, весит всего 3 кг. Размером влезает в обычную сумку для книг.
Единственное, что сделал сразу после покупки - разобрал и пробрызгал платы ЦАПОНлаком, чтобы не закоротило от сырости или от пыли.
И еще сеточку мелкую на вентилятор поставил.
Параметры и размеры - на картинках:


Размер: 180.16 KB


Размер: 133.40 KB

_________________
Шел Шива по шоссе - разрушая сущее. А навстречу Cаша шла - круглое сосущая.


stasis2 | Post:495352 - Date: 03.04.16(00:43)
хороший САК , только я постоянку не люблю - узко ложит шов и требует оч качественной сборки а в идеале и фаски на свариваемых деталях )
Переменка разбрызгивает металл и св ванна шире и не так чувствительна к зазору - можно заплавить что хочешь , кроме того а постоянке греется либо электрод либо деталь в зависимости от полярности . А на переменке всё греется равномерно.
Переменные инверторы у нас почему то дороже постоянки😬
Причём продавцы говорят намного 😀
Смотрел я тут какой то NEON так у него на выходе вроде переменка но 55 вольт каг бэ не устраивает на выходе по причине потребления (вырубит автомат) и вилки бытовые жрёт он на ура что косвенно говорит о нехилой потребе((
Сам он весит 7 кг а току отдаёт всего 160 , сборка наша - всё на клёпках😬
ПС сейчас пока сижу думаю тупо масштабировать схему тр-ра галогенок (ключи паралелить и добавить паралельную цепь управления - делов на копейку можно попробовать , делать придётся ручками тк нужен не только СА а ещё индукционное отопление нужно поднимать тк вроде экономичнее на 30 проц )
Так что тема живая вполне .

Виталя | Post:495368 - Date: 03.04.16(13:27)
Не. Рисуй нормальную схему. УДОБНО-ЧИТАЕМУЮ. Твоя пока с "душком". Сам как то озадачивался авто-генераторной. Подкупает простота. Но схема абсолютно "самостоятельна", хочет - работает, хочет - просто умерщвляет транзисторы. И ещё, без конденсаторов - никак. Слишком большими будут импульсные токи от сети. Длинные провода питания = огромное индуктивное сопротивление. Глянь на схемы индукционных плит.

_________________
С ув. Виталий.


Виталя | Post:495369 - Date: 03.04.16(13:28)
Тема, ЗАЧЁТНАЯ. Деда Ивана бы сюда.😊

_________________
С ув. Виталий.


Vladimir37 | Post:495370 - Date: 03.04.16(13:47)
По моему, нужно ещё понимать что с инвертора переменка выйдет высокочастотная, от 30-100кГц , примерно. Что бы варить нужно 50-100Гц, так что сложно так просто сделать инвертор на переменке.

Виталя | Post:495371 - Date: 03.04.16(14:07)
Vladimir37 Пост: 495370 От 03.Apr.2016 (14:47)
По моему, нужно ещё понимать что с инвертора переменка выйдет высокочастотная, от 30-100кГц , примерно. Что бы варить нужно 50-100Гц, так что сложно так просто сделать инвертор на переменке.

Ничего страшного не произойдёт. Переменка, она и есть ПЕРЕМЕНКА. Хоть 10 Гц, хоть 100 кГц. Правда провода от транса до держателя нужно будет ПОКОРОЧЕ делать. А то передатчик длинноволновый на 3 кВт получится.

_________________
С ув. Виталий.


loiki | Post:495373 - Date: 03.04.16(16:27)
stasis2
Переменные инверторы у нас почему то дороже постоянки😬
Причём продавцы говорят намного 😀

А зачем именно инвертор?
Вот это китайское чудо с плавной регулировкой до 160 ампер было приобретено с рук аж за полторы тысячи рублей.
Используется для черновых работ типа забор подварить, трубопровод для буржуйки сварганить и т.д.
Весит около 12-ти кг, а может и меньше, не помню уже. Легко перевозится на санках или на мопедном багажнике.
Единственный минус - перегревается после минут 40-ка безотрывной работы на полном токе.
Внутри ничего нет, кроме трансформатора с сердечником, из которого вытаскиваются пластины для регулировки тока.


Размер: 93.31 KB

параметры
Размер: 175.01 KB

начинка
Размер: 185.16 KB

_________________
Шел Шива по шоссе - разрушая сущее. А навстречу Cаша шла - круглое сосущая.


stasis2 | Post:495374 - Date: 03.04.16(16:48)
Рисуй нормальную схему. УДОБНО-ЧИТАЕМУЮ. Твоя пока с "душком".

Поясни , что не нравится конкретно ? сразу говорю др рисовать не буду в лом )
И так дураку ясно что транс галогенок плюс драйвер и феты на нём )
Импульсные токи от сети говоришь ? пока не вижу прямой связи тк во первых от них стоит термистор если не заметил во вторых откуда им вообще взяться когда оно стартует в момент замыкания внешней цепи ? ладно допустим взялись ( я могу тупо дроссель двойной на вход поставить типа фильтра и этим уже ограничить имп токи ..
Высокое инд сопротивление по сети не аткуально тк проводка лапшой = бифиляру так что моск не грей. Согласен что провода до точки сварки нужны короткие , а передатчик хоть как обеспечен тк излучает не провод а собственно дуга ) Схема обладает некоторой нестабильностью это я заметил но лишь только в том случае когда не оптимально соотношение индуктивности первички и ёмкости кондюков тк тестетил я трансы галогенок на 60 и 150 ватт на обрыв цепи нагрузки , - абсолютно стабильны! Так же работают на морозе до -15 (нагрузка двигатель 70 ватт от авто радиатора кулер - переделывал калорифер на 12 вольт мать иго так....) пашут квазики спокойно на выпрямитель идут диоды от комп бп и ёмкости любые берут при наличии небольшого дросселя по низам , так что в стоковых схемах опыт только положительный ) а вот с колхозом пока да беда ...
Собираю значит по стандартной схеме только ставлю транс от комп бп , элеткролиты от него же и посерёдке 0,05 мф в послед с трансом - итог старт без нагрузки! и когда как сцуко ) Гореть не горело ничего тк ограничил 500 галогенкой по верхам . транзисторы пользовал вообще кт846 + 838😬
тк второй 846 нае..нулся по причине козы по фольге((
В остальном всё в стандарте было - колечко родное , витки теже , цепь запуска родная ) только транс от компа и кондёр 0,05 , ставил и 0,5мф от размера конд.ка зависит сильно кпд ( при недогрузе жрёт как гружёный прилично , токи не мерял тк смысла нет если и так видно что работает не правильно.
Всё дело думаю в подборе параметров транса и кондюков.
С обратной связью по напряжению работает по стабильнее , но есть косяк - под большой нагрузкой напр обр связи просядает и надо делать токовую стабилизацию ОСИ в зависимости от нагрузки . Если установить встречные диоды в паралель ключам то греется меньше и работает стабильнее (сами диоды не греются вообще )
ПС придумал тут ещё как масштабировать схему транса галогенок без изменения приципиально для нагрузок более 2 ква , её щас отрисую )

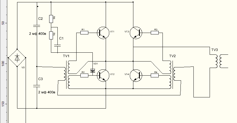
stasis2 | Post:495375 - Date: 03.04.16(17:17)
вот собственно как можно раздуть схему тр-ра галогенок , можно и не одну доп пару ключей так запрячь )


Размер: 18.50 KB

dedivan | Post:495377 - Date: 03.04.16(17:34)
Виталя Пост: 495369 От 03.Apr.2016 (14:28)
Тема, ЗАЧЁТНАЯ.

Так это давно уже все прожевали и выкакали.
И начинали не с того, что нашли завалявшиеся пару транзисторов и начали кумекать куда бы их приспособить.
начинается это с обычной ВАХ сварочной дуги.
Она вот такая- требует для начала зажигания более 70 вольт.
А только потом уже- 18-24 вольта при больших токах.
Если делать переменку- то на каждом полупериоде придется заново разжигать ее. Поэтому и трансы на переменку огромные и токи в сети огромные.
А на постоянке - елозят по графику на участке от 200 ампер до 5
и не гасят до конца. Тут и меньше потребление и меньше разбрызгивание и кипение ванны - лучше и крепче шов, хотя и тоньше.
однородный металл без газовых пузырьков просто крепче.
Если слышал такое название- Кэмпик - это как раз их патент.

Так что если бы у бабушки был был хрен... уже известно, что дедушкой она бы не стала.


Размер: 6.85 KB

_________________
я плохого не посоветую


СНК | Post:495378 - Date: 03.04.16(17:43)
Посоветуйте норм сварочник.. 😀

_________________
Автор благодарит алфавит за любезно предоставленные буквы.(с)


stasis2 | Post:495379 - Date: 03.04.16(18:59)
это полная херня насчёт 70 и выше для зажигания ) по книгам мож и верно , а по жизни транс не успевает менять коф тр-ции каждые 20 мсек😬
Самоиндукции в начале периода ещё нет , на выходе строго 24 в , откуда дуга ?😬

Svas | Post:495385 - Date: 03.04.16(21:48)
У меня насчет сварочника на переменке витает идея: Есть ящик (штук 50) балластных 40Вт-ных дросселей от старых ЛДС-светильников. Дак вот эти дросселя поставить по первичной обмотке сварочного транса с Uxx=70В на вторичке. Каждый дроссель стабилизирует ток примерно 0,5А по первичке. Количеством параллельно включенных дросселей по первичке можно регулировать выходной сварочный ток. Двоичным кодом😬
Пока "теория" проверена на зарядке свинцовых АКБ: Сетевой транс 220/20В, на выходе просто диодный мост. Ток заряда АКБ ограничивает ЛДС-дроссель в первичной обмотке транса, помноженный на коэффициент трансформации.

stasis2 | Post:495391 - Date: 04.04.16(00:15)
у тебя выходная напруга повысится , я раз зарядник подключил как ты хочешь через дроссель по верху - итог вылет диодов и фета на 70 вольт .. стояли от комп бп 30-40 вольт как мост зарядки , фет нарезал что то вроде диммера только по низам.
Короч тебе половину вторички сносить хоть как , а вообще идея норм )

Vladimir37 | Post:495424 - Date: 04.04.16(22:56)
Виталя Пост: 495371 От 03.Apr.2016 (15:07)
Vladimir37 Пост: 495370 От 03.Apr.2016 (14:47)
По моему, нужно ещё понимать что с инвертора переменка выйдет высокочастотная, от 30-100кГц , примерно. Что бы варить нужно 50-100Гц, так что сложно так просто сделать инвертор на переменке.

Ничего страшного не произойдёт. Переменка, она и есть ПЕРЕМЕНКА. Хоть 10 Гц, хоть 100 кГц. Правда провода от транса до держателя нужно будет ПОКОРОЧЕ делать. А то передатчик длинноволновый на 3 кВт получится.
Если быстро ответить, то не получается варить, даже если провода к электродам не больше метра сделать. Мощность не доходит и то что осталось не хочет глубоко проваривать.Сам электрод плавит быстро, а саму детал не проваривает. Думал я и так и эдак пока не остановился на модуляции тока обычного инвертора. С частой 20-100Гц просто включается и выключается микросхема сварочного аппарата и теже плюсы что и при переменке плюс можно включить и постоянку.

xx0 | Post:495427 - Date: 05.04.16(00:04)
На выходе с дросселя для розжига дуга не 70В будет, диоды на выходе ставят на 400В неспроста 🤢

_________________
http://xx0ru.livejournal.com/


stasis2 | Post:495440 - Date: 05.04.16(10:46)
Мощность не доходит и то что осталось не хочет глубоко проваривать.Сам электрод плавит быстро, а саму детал не проваривает. Думал я и так и эдак пока не остановился на модуляции тока обычного инвертора. С частой 20-100Гц просто включается и выключается микросхема сварочного аппарата и теже плюсы что и при переменке

Интересное кино , может кабля наборные по сечению взять типа 20 жил по 0.75 мм2

Vladimir37 | Post:495606 - Date: 07.04.16(17:16)
stasis2 там получается , что высокая частота не хочет в металл входить. Чуть метал с электрода на деталь наплавился и ванна подскочила вверх и с каждым наплавлением только выше поднимается. Проще что то типа плазмогенератора сделать.
Нужно пробовать, может вам и повезет, но это уже будет изобретение.
Стандартный способ, это прелбразовать( инвертор киловат на пять) с переменки 220в в постоянку . Потом постоянку преобразовать в переменку уже низкой частоты, типа бесперебойника от компа киловат на шесть. Осталось только продумать защиты от КЗ и перенапряжения и если повезет, тогда.........................Нагнал я страху?
Мне тоже нравится как варит стевой транс, переменка . Можно заплавить, наплавить под давлением. Казалось бы постоянкой можно подобрать полярность включения электродов и наплавить тоже можно но, что то не так. Говорят, магнитное дутьё мешает. Вот я залез в дебри когда то, чтбы сделать инвертор но по характеру сварки подходил к переменке 50Гц. Возможность такая есть, но по сложности изготовления, намного больше мудоханья, чем если просто сделать инвертор, как в магазине. Только на любителя, в смысле, вариант на электролитах сэкономить не проходит.
Что бы понять идею, можно подумать. Переменка, синус 50Гц, это то же самое, что и просто переключать полярность постоянного тока с частотой сети?(модифицированный синус) Варить будет одинаково?



stasis2 | Post:495610 - Date: 07.04.16(18:35)
нет варить будет хуовее тк для дуги важна непрерывность тока , поэтому и дрочсель этому грязному делу помогает )
По тексту ясно что виной сука скин эффект переходящий очевидно в расплав металла ((
Для лечения сего недоразумения вижу два способа 1 - твой (модуляция ) только ты не сказал какая - ам или чм , думаю ам тогда в моей схеме масштабированного тр-ра гал ламп уже есть паразитная модуляция тока дуги напряжением сети ( нет сглаживающих конденсаторов по высокой стороне = пульс 100 тка)
Собрать пока не могу масштабированную хрень не до того да и мотать пилять как то не срочно хоть интерес и есть.
Способ второй - одновременная работа двух преобразователей на вычитание частоты ( по вторичной цепи в последд ) через металл пройдёт тот ток которому легче точнее будет превалировать , остальные твои нв-ры на 6 ква по низам только сумасшедший строить будет на токи 200+ ..... цена вопроса 1 кг золота😊
Видимо такие конструкции производятся , поэтому мне продацы и озвучивали дикие цены на переменку😬
Так же было два подхода например к считыванию опт диска 1 скорость диска
2 ) расщепления луча на 6 шт (кенвуд кажется ) так вот технология распространения не получила!!!!😬

Vladimir37 | Post:495615 - Date: 07.04.16(19:37)
тк для дуги важна непрерывность тока ,

Модуляция по амплитуде. Импульсы есть но эти прерывания электродом с обмазкой раасчитанной на работу с переменкой, не чувствуются, в смысле не в том дело что полупериоды синуса ,,рваные,, Даже если сгладятся импульсы длиной, индуктивностью, проводов, при внешней форме синусоиды как и в сети, по осцилографу, варить будет всеравно не так как от сварочного Тр. Скажу сразу что и не в наклоне ВАХ дело.
Не хочется сразу тебя лишать возможности самому стать творщом новой идеи сваркостроения. Вот вспомни как при постоянке, куда ,,дутьё,, направлено? От минуса на плюс? А при переменке куда? если с этим разобраться, можно и аппарат нормальный соорудить.

stasis2 | Post:495625 - Date: 07.04.16(22:21)
Вот вспомни как при постоянке, куда ,,дутьё,, направлено? От минуса на плюс?
не дави на моск и так скоро лопнет , просвяти раз уже начал )
Если я начну перекидываться со своих текущих головняков на дутьё у меня точно башню снесёт так что вещай , как там оно чё , а как извоять там уже придумаем...
Модуляция по амплитуде. Импульсы есть но эти прерывания электродом с обмазкой раасчитанной на работу с переменкой, не чувствуются, в смысле не в том дело что полупериоды синуса ,,рваные,, Даже если сгладятся импульсы длиной, индуктивностью, проводов, при внешней форме синусоиды как и в сети, по осцилографу, варить будет всеравно не так как от сварочного Тр. Скажу сразу что и не в наклоне ВАХ дело.
ты не темни давай колись ) сначала ты сказал что если стробировать питалово микры по нч то варит норм , теперь блин всё равно мол не так как от индукционника железного ( а как ?
Инд проводов может и не сгладить , если бы сгладила какая бы нах разница ?
По ослу не видно разницы тоже не значит что её нет , может осёл так отрабатывает (( чтоб её точно не было надо какой то гипер фильтр кроссовер ставить😬 или тупо дроссель нормальный влепить , правда скажется на кос фи первички сразу же ,если его ставить инвертор по высокой стороне должен спокойно переносить реактивку в количестве 1-2 ква .... ооойййййй😘
Хотя индукционные котлы как то пашут же , вот тут и сгодится квазирез схема тк ей плавающий резонанс не проблема (та первая по которой я делать хотел ) простой транс типа ташибра дико боится индуктивности во вторичной цепи как и ёмкости в общем , думаю это связано с низкской скоростью зарывания ключей (греет реактивка)

Aspirant1 | Post:495648 - Date: 08.04.16(08:18)
СНК Пост: 495378 От 03.Apr.2016 (18:43)
Посоветуйте норм сварочник.. 😀

Для каких целей и бюджет какой?

СНК | Post:495652 - Date: 08.04.16(10:36)
Цель - применение в подсобном хозяйстве, например, гараж сварить.
Бюджет не прикидывал, вкратце - чтобы было не жалко потраченных денех.

_________________
Автор благодарит алфавит за любезно предоставленные буквы.(с)


loiki | Post:495657 - Date: 08.04.16(11:20)
Выкладывал аж цэлых двух моделей бюджетных сварочников на предидущей странице.
.лять, для кого?

_________________
Шел Шива по шоссе - разрушая сущее. А навстречу Cаша шла - круглое сосущая.


[ 1 | 2 ] [>
У Вас нет прав отвечать в этой теме.
Форум - Прочие идеи (разные) - Схемотехника - сварочник очумелые ручки - Стр 1
🏠 Главная | 📚 Содержание | 💬 Форум | 📁 Файлы | 📩 Контакт