[ВХОД]

26.03.26(23:00)

www.skif.biz

Альтернативная энергия. Оставь надежду, всяк сюда входящий...

🏠 Главная | 📚 Содержание | 💬 Форум | 📁 Файлы | 📩 Контакт

📱 | 🖨️

Форум - Резонансные генераторы - Прочие резонансные генераторы - Генератор скалярного магнитного поля. - Стр:2
<] [ 1 | 2 | 3 | 4 ] [>
Модератор: amischuk
Первый пост темы: amischuk Post: #478276 От:17.09.2015 (22:41)
Утверждение:

Ферритовое кольцо с двумя встречными катушками, каждая из которых расположена на своей стороне кольца на определённой частоте является генератором скалярного магнитного поля.

Ток течёт по одному проводу. Пара диодов, включенная встречно-параллельно горит при подключении к "земле", второй конец обмотки съёма никуда не подключен. Анод или катод диода можно взять в руку, свободным концом диода прикоснуться к одному из свободных выходов намотки съёма либо к одной из обкладок конденсатора, диоды будут гореть. При подключении нагрузки либо провода "земли" ток потребления резко падает. Отличительной особенностью данного тока является заряд электролитического конденсатора через пару диодов от одного провода.

Подробности на сайте: http://tesla.zabotavdome.ru/#120915


image

street | Post:481191 - Date: 30.10.15(10:55)
А можешь по простому объяснить, какой смысл

😬

Еслиб,... хотя бы каждый сотый, мог по простому объяснить смысл,.. не то , чтоб "скалярного" поля, но лишь только смысл самих слов, которыми он выражает свои мысли...

Мир был бы другим.😊

_________________
Главное в мелочах



AlexKP | Post:481247 - Date: 30.10.15(20:46)
Есть резкий фронт падения роста тока, за счёт встречных магнитных полей, который и заряжает конденсаторы. Транзистор закрывается в идеальных условиях - при нулевом токе.


- расскажи пжлст поподробнее - с ясными ( невыдуманными 🤢 ) причинноследственными связями - как "резкий фронт падения роста тока" заряжает конденсаторы в твоей конкретной схеме. Т.е. подробно распиши откуда берется и куда исчезает ток заряда этих самых конденсаторов. И да! что является причиной исчезновения тока ( реальной а не придуманной тобой) так , что "Транзистор закрывается в идеальных условиях - при нулевом токе" - разве открытый транзистор не является причиной тока в рассматриваемой цепи? Или у тебя в схеме есть еще один - замаскированный - ключ?


street | Post:481270 - Date: 30.10.15(23:59)
"Транзистор закрывается в идеальных условиях - при нулевом токе" - разве открытый транзистор не является причиной тока в рассматриваемой цепи?

Тот самый случай, когда индукция есть, а тока от питальника - нет.😶
У него же катушки по разные стороны кольца. Какую-то часть времени накачки, проницаемости сердечника хватает , чтоб вмещать все "силовые линии", хоть и встречные. Когда два магнита прилипают к одной железке одноимёнными полюсами... Если начать уменьшать толщину этой железки , то наступит момент, когда более слабый магнит отвалится. Из двух магнитов всегда один слабее другого.

_________________
Главное в мелочах



AlexKP | Post:481287 - Date: 31.10.15(12:48)
street Пост: 481270 От 30.Oct.2015 (23:59)
"Транзистор закрывается в идеальных условиях - при нулевом токе" - разве открытый транзистор не является причиной тока в рассматриваемой цепи?

Тот самый случай, когда индукция есть, а тока от питальника - нет.😶
У него же катушки по разные стороны кольца. Какую-то часть времени накачки, проницаемости сердечника хватает , чтоб вмещать все "силовые линии", хоть и встречные. Когда два магнита прилипают к одной железке одноимёнными полюсами... Если начать уменьшать толщину этой железки , то наступит момент, когда более слабый магнит отвалится. Из двух магнитов всегда один слабее другого.


- ты наверное не понял юмора 🤢 Я хотел сказать, что в рассматриваемой цепи в принципе не может быть ситуации, когда "Транзистор закрывается в идеальных условиях - при нулевом токе" - как чичас любят трындеть - от слова "совсем"🤢🤢
А ты об чем?


street | Post:481289 - Date: 31.10.15(13:17)
А ты об чем?

А я об том , что в принципе она может быть.
Смотри: на кольце полуобмотки по разные стороны, напряжение на обмотках от питальника слегка разнится из-за диода, из-за неидеальности самих обмоток, из-за плохой связи...
Начинаем подавать ток. Поначалу есть индуктивность, то что катухи встречные не имеет значения до тех пор , пока сердечник "вмещает" "силовые линии" от обоих полуобмоток. Для магнитного потока каждой из них есть место в сердечнике подобно тому , как два магнита притягиваются одинаковыми полюсами к железке, если она вмещает потоки обоих магнитов.

По мере роста тока от питальника одна из обмоток начнёт вытеснять поток более слабой (той , к которой меньше приложено напряжение) во вне, подобно тому, как еслиб уменьшать толщину железки, к которой прилипли одноимённые полюса магнитов(более сильный магнит заберёт железку себе). Это вызовет падение тока в ней из-за индукции(отвал более слабого магнита от железки). Ток от питальника остановится, останется только приложенное питальником напряжение. Идеальный момент для закрытия ключа.

_________________
Главное в мелочах



AlexKP | Post:481296 - Date: 31.10.15(17:20)
Смотри: на кольце полуобмотки по разные стороны, напряжение на обмотках от питальника слегка разнится из-за диода, из-за неидеальности самих обмоток, из-за плохой связи...


- в последовательной цепи падение на диоде просто вычитается из напряжения источника, т.е. не влияет на напряжения на полуобмотках."Плохая связь" одинаково влияет на обе обмотки по той же причине - последовательная цепь. Так что - мимо.

Начинаем подавать ток. Поначалу есть индуктивность, то что катухи встречные не имеет значения до тех пор , пока сердечник "вмещает" "силовые линии" от обоих полуобмоток. Для магнитного потока каждой из них есть место в сердечнике подобно тому , как два магнита притягиваются одинаковыми полюсами к железке, если она вмещает потоки обоих магнитов


- нет не так... поля от обмоток примерно равны и противоположны - а поэтому замыкаются по воздуху. Это достоверный экспериментальный факт. Можешь проверить на любом симуляторе МП. Ситуация полного "захвата" сердечника одной полуобмоткой - не возможна в принципе - при обсуждаемых начальных условиях.


street | Post:481307 - Date: 31.10.15(20:41)
нет не так... поля от обмоток примерно равны и противоположны - а поэтому замыкаются по воздуху.


Примерно равны относительно друг друга. Ключевое слово - примерно.
По воздуху оно, конечно так, вот только из-за примерно длины "силовых линий" через сердечник и по воздуху от каждой катушки будут разными.

Ситуация полного "захвата" сердечника одной полуобмоткой - не возможна в принципе - при обсуждаемых начальных условиях.

А она обязательно нужна , чтоб полного? Нам много не надо, половинку или всё😊. С магнитами оно есть? Почему не может быть с катушками?
Более того , вероятность с катушками больше, из-за отсутствия коэрцитивной силы у катушки и действия на неё индукции. Магнит отваливается , а в катушке ток остановится(читай - магнит отвалил). У магнита есть своя сила , поэтому он вынужден переместиться , а если другой будет очень сильный, то не переместится , а перемагнитится, если его придержать. Это факт.

В опытах по "Сверхединице за минуту" ток в обоих катушках стартовал в одном направлении, а потом во второй - разворачивался. Правда, подключение там было иное, но начало свидетельствовало о том , что пока есть "место" в сердечнике у каждого тока свое поле, собственное, и только потом - взаимодействие.

Так и тут, а то , что они последовательно , качественно на взаимодействие не влияет. Сначала ток будет нарастать, а потом в одной из катушек случится "опрокидывание" тока, но поскольку соединены последовательно , то общий ток встанет. После чего под действием приложенного напряжения питальника материал сердечника "устаканится" и силовые линии попрут таки наружу, массово и стройными рядами. Думаю так.

"Плохая связь" одинаково влияет на обе обмотки по той же причине - последовательная цепь.

Опять же,... там ить их две. Связь между обмотками(электрическая) и между обмотками и сердечником, а там может быть разная в прцентном отношении к массе сердечника. Т.е. не только у обмоток есть индуктивность , но она ещё и слегка разнится.

_________________
Главное в мелочах



AlexKP | Post:481311 - Date: 31.10.15(21:24)
Сначала ток будет нарастать, а потом в одной из катушек случится "опрокидывание" тока, но поскольку соединены последовательно , то общий ток встанет. После чего под действием приложенного напряжения питальника материал сердечника "устаканится" и силовые линии попрут таки наружу, массово и стройными рядами. Думаю так


- "думать" можно всякое... главное, чтобы думы соответсвовали реальности😬
А реальность такова, что в данной схеме как только в цепи появится минимальный ток, так и "силовые линии попрут таки наружу, массово и стройными рядами" - и это экспериментальный факт и никак иначе (т.е. по сердечнику навстречу друг дружке - они НЕ ПРУТ - изначально). А что это значит? А то, что аффтор темы нагло и откровенно врет о том, что ты так упорно защищаешь - а именно о том, что ток в обсуждаемой цепи неким чудесным образом исчезает до того, как выключен транзистор. Потому он (афффтор) и не выкладывает всех необходимых в данной ситуации осциллограмм.

Резюме: данная тема (как и предыдущая этого же аффтора) - ПРОВОКАЦИЯ.
Зачем - х.з.


street | Post:481315 - Date: 31.10.15(21:48)
(т.е. по сердечнику навстречу друг дружке - они НЕ ПРУТ - изначально). А что это значит?...

... о том, что ты так упорно защищаешь - а именно о том, что ток в обсуждаемой цепи неким чудесным образом исчезает до того, как выключен транзистор

Дык ить, необязательно им переть непременно навстречу друг дружке...

Уже только смещение первоначально образованных точек "выхода" линий в воздух даст индукцию на одну из полуобмоток. Для неё это будет изменением параметра(индуктивности). Как-то так.

_________________
Главное в мелочах



amischuk | Post:481326 - Date: 01.11.15(02:06)

Ниже приведена пара осциллограмм напряжений с витков вокруг ферритового кольца на разных частотах и напряжениях. И в первом и во втором случае конденсаторы заряжаются. Синий луч даёт представление о моментах включения и выключения транзистора.



image



image



RLC цепь начинает резонировать (появляются гармонические колебания)в момент закрытия транзистора, при резком прекращении тока. В схеме использованы диоды шоттки которые обладают высокой ёмкостью. По началу гармонических колебаний RLC контура на осциллограмме можно оценить момент резкого прекращения тока и возникновение энергии скалярного магнитного поля, которое обусловлено взаимной компенсаций магнитных потоков в сердечнике.



Дополнительные осциллограммы по ссылке:

[ссылка]

Видео демонстрирующее работу заряда конденсаторов до 700V

YouTube: Смотреть видео





MSN | Post:481328 - Date: 01.11.15(04:42)
Просили осциллограмму тока на шунте, а лучше на одном луче ток, на втором напряжение на обмотках, ну а получили осциллограммы напряжения.
Спасибо за понимание. Нет желания разобраться, совсем ?

_________________
Говорите говорите, я всегда зеваю когда мне интересно. 99,9% всех СЕ устройств, - от неправильных измерений



street | Post:481330 - Date: 01.11.15(09:25)
amischuk Пост: 481326 От 01.Nov.2015 (02:06)
Дополнительные осциллограммы по ссылке:

[ссылка]


Сходил, глянул...
Параллельно-последовательный резонанс.

06.08.2015

Файл LTspice res3f.asc

Cтоит обратить внимание на то, что колебания незатухающие - 80KV*150A. Приведена осциллограмма по росту тока и напряжения на конденсаторе С2.


amischuk, как ты думаешь, стоит ли обрашать внимание на то, что ток потребления от источника в точности повторяет оный на С2?
Насколько незатухающими являются такие колебания?😊

_________________
Главное в мелочах



AlexKP | Post:481331 - Date: 01.11.15(09:59)
MSN Пост: 481328 От 01.Nov.2015 (04:42)
Просили осциллограмму тока на шунте, а лучше на одном луче ток, на втором напряжение на обмотках, ну а получили осциллограммы напряжения.
Спасибо за понимание. Нет желания разобраться, совсем ?


- а оно ему надо? После общения с ним в его первой теме я так и не понял - он действительно д...б или прикидывается?
Вот и эти осциллограммы:
- аффтар! Почему у тебя на верхней и нижней желтый сигнал расположен по-разному относительно синего?
Уточни - по какому фронту синего выключается ключевой транзистор?


amischuk | Post:481344 - Date: 01.11.15(14:49)
AlexKP Пост: 481331 От 01.Nov.2015 (09:59)
MSN Пост: 481328 От 01.Nov.2015 (04:42)
- аффтар! Почему у тебя на верхней и нижней желтый сигнал расположен по-разному относительно синего?
Уточни - по какому фронту синего выключается ключевой транзистор?


Заряд конденсаторов осуществляется от 10кГц и выше. Указывал выше что привязки к моментам открытия и закрытия транзисторов нет. С этой целью подобрал две частоты, чтобы было видно - в одном случае транзистор открыт, в другом закрыт. И в том и другом случае конденсаторы заряжаются, резонансные гармонические колебания связанные с прекращением тока присутствуют.



amischuk | Post:481348 - Date: 01.11.15(14:57)
AlexKP Пост: 481331 От 01.Nov.2015 (09:59)
MSN Пост: 481328 От 01.Nov.2015 (04:42)
Просили осциллограмму тока на шунте, а лучше на одном луче ток, на втором напряжение на обмотках, ну а получили осциллограммы напряжения.
Спасибо за понимание. Нет желания разобраться, совсем ?



У меня нет гальванической развязки осциллографа и схемы питания. Поэтому снятие осциллограмм в любой точке схемы не возможно. Указал на сайте - заряд конденсаторов прекращается, щуп осциллографа нагревается, выходит из строя его делитель напряжения. Трансформатор тока - пожалуйста.



MSN | Post:481358 - Date: 01.11.15(17:48)
amischuk Пост: 481348 От 01.Nov.2015 (14:57)
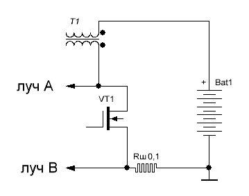
У меня нет гальванической развязки осциллографа и схемы питания. Поэтому снятие осциллограмм в любой точке схемы не возможно. Указал на сайте - заряд конденсаторов прекращается, щуп осциллографа нагревается, выходит из строя его делитель напряжения. Трансформатор тока - пожалуйста.


А не надо гальванической развязки. Вот схема измерений. Нужно снять осциллограммы тока и напряжения ВМЕСТЕ и выложить. Не забыть указать размерность на каждом луче и величину сопротивления шунта, провести осциллографом измерение RMS для луча В. Трансформатор тока может дать неверные показания на ВЧ. В данном случае нам важен ток с привязкой хоть к чему-то. Для полноты картины можно снять две осциллограммы: ток/напряжение на стоке VT1 и ток/управляющий импульс на затворе VT1. Уверен что сразу же будет внесена ясность с утверждением: "потребление = 0".



Размер: 2.26 KB

_________________
Говорите говорите, я всегда зеваю когда мне интересно. 99,9% всех СЕ устройств, - от неправильных измерений



street | Post:481415 - Date: 02.11.15(09:08)
AlexKP Пост: 481311 От 31.Oct.2015 (21:24)
- "думать" можно всякое... главное, чтобы думы соответсвовали реальности

Вот, подумал ещё раз...

в последовательной цепи падение на диоде просто вычитается из напряжения источника, т.е. не влияет на напряжения на полуобмотках.

на постоянном токе... Поэтому всё о чём ты говоришь , справедливо только для первого импульса. После него на ёмкости перехода диода, на кондёре и, соответственно, на одной из полуобмоток приложено напряжение , сильно отличающееся от такового на второй.


А реальность такова, что в данной схеме как только в цепи появится минимальный ток, так и "силовые линии попрут таки наружу, массово и стройными рядами" - и это экспериментальный факт

Факт в том , что уже на втором импульсе всё совсем не так.

и никак иначе (т.е. по сердечнику навстречу друг дружке - они НЕ ПРУТ - изначально). А что это значит?

А подумать?
На втором импульсе , к одной полуобмотке приложено напряжение в сотни вольт, для неё напр на другой ничтожен, можно сказать его нет.

А то, что аффтор темы нагло и откровенно врет о том, что ты так упорно защищаешь - а именно о том, что ток в обсуждаемой цепи неким чудесным образом исчезает до того, как выключен транзистор.

Исчо раз... Такая ситуёвина в принципе - возможна. Присутствует такая ситуёвина в девайсе автора или нет - мне неведомо. Спайс "глубоко" задумывается над вторым импульсом. Первый, считает за несколько сек.


_________________
Главное в мелочах



AlexKP | Post:481416 - Date: 02.11.15(10:40)
Исчо раз... Такая ситуёвина в принципе - возможна. Присутствует такая ситуёвина в девайсе автора или нет - мне неведомо. Спайс "глубоко" задумывается над вторым импульсом. Первый, считает за несколько сек.


- ну мы ведь про афторскую схему толкуем...
Ну и че спайс гутарит? Кидай сюда - будем посмотреть..


street | Post:481417 - Date: 02.11.15(10:58)
AlexKP Пост: 481416 От 02.Nov.2015 (10:40)

Ну и че спайс гутарит?

Собери схему автора в Спайс. Индуктивности несколько разнятся. Связь 0.7.
Первый импульс считает сразу. На втором "задумывается", вплоть до исчерпания места на харде под свой temp-файл.

_________________
Главное в мелочах



amischuk | Post:490995 - Date: 14.02.16(00:17)
Холодный ток: [ссылка]

Катушки, как и ранее, встречные по 20м. Признать ток потребления от источника питания нулевым - неверно, корректно считать его равным 100мА. Лампа 12V*10W горит в полный накал, сигнал тока показан на осциллографе. Напряжение равное нулю показано на вольтметре. После проверки на "язык" данные вольтметра сомнений не вызывают, напряжение объективно равно нулю, ток "холодный".




image




street | Post:491003 - Date: 14.02.16(08:53)
amischuk Пост: 490995 От 14.Feb.2016 (00:17)


Признать ток потребления от источника питания нулевым - неверно, корректно считать его равным 100мА.

При напре в 60вольт?

Лампа 12V*10W горит в полный накал,

Положи рядом такую же, запитанную от 12вольт.

сигнал тока показан на осциллографе.

Отмотай пару витков съёмника , чтоб можно подвигать контрольный колечко.

Напряжение равное нулю показано на вольтметре. После проверки на "язык" данные вольтметра сомнений не вызывают, напряжение объективно равно нулю, ток "холодный".

При проверке "на язык" качественно заземли свою тушку.😶
Температура тока подрастёт😎 .

_________________
Главное в мелочах



amischuk | Post:491018 - Date: 14.02.16(12:28)
Я не рассматриваю коэффициент > 1. Предлагаю считать его ниже. Интересно наличие тока и мощности, при отсутствии напряжения. При изменении частоты от 10кГц до 500кГц напряжение на вольтметре есть, но не превышало 200мА. При перемещениях жёлтого кольца съёма, меняется форма тока. Витки съёма желтая и синия - взаимодействуют через индуктивную связь. С землёй "взаимодействует" обмотка к которой подключена неоновая лампа. Два разных типа электричества.


AlexKP | Post:491083 - Date: 14.02.16(21:50)
сигнал тока показан на осциллографе.


- а как ты меряешь ток осциллографом?

При изменении частоты от 10кГц до 500кГц напряжение на вольтметре есть, но не превышало 200мА.


- с каких пор напряжение в мА-х измеряется?

А зачем ты напряжение вольтметром измеряешь и языком? Осциллограф влом подключить?
Так сложнее лапшу на уши вешать?
🤢


amischuk | Post:491089 - Date: 14.02.16(22:25)
AlexKP Пост: 491083 От 14.Feb.2016 (21:50)
сигнал тока показан на осциллографе.

- а как ты меряешь ток осциллографом?
При изменении частоты от 10кГц до 500кГц напряжение на вольтметре есть, но не превышало 200мА.

- с каких пор напряжение в мА-х измеряется?
А зачем ты напряжение вольтметром измеряешь и языком? Осциллограф влом подключить?
Так сложнее лапшу на уши вешать?
🤢


Ток оценивается через трансформатор тока, показан на фотографии, к нему подключены щупы осциллографа. В осциллографе сгорел делитель, Им не меряю ничего. Спасибо что обратили внимание. 200 милливольт конечно же. А какой мне смысл Вам вешать лапшу на уши? Вы и сами с этим прекрасно справляетесь.



street | Post:491107 - Date: 15.02.16(07:25)
amischuk Пост: 491018 От 14.Feb.2016 (12:28)
Интересно наличие тока и мощности, при отсутствии напряжения.

Есть такая штука - индукционная электроплита. Резво нагревает кастрюлю иль там сковороду...
Абсолютно все измерительные приборы меряют ток. Даже если шкала в вольтах. Они просто не умеют по другому.
Твой приборчег не кажет цифирь? Это не означает , что нет тока. Это означает , что он не подключен к цепи его протекания.

В твоём случае ещё имеет место быть косяк АЦП прибора. Так, чтаа... стрелочкой... и только ей.😊

_________________
Главное в мелочах



<] [ 1 | 2 | 3 | 4 ] [>
У Вас нет прав отвечать в этой теме.
Форум - Резонансные генераторы - Прочие резонансные генераторы - Генератор скалярного магнитного поля. - Стр 2
🏠 Главная | 📚 Содержание | 💬 Форум | 📁 Файлы | 📩 Контакт