[ВХОД]
26.04.26(02:18)

www.skif.biz

Альтернативная энергия. Оставь надежду, всяк сюда входящий...

🏠 Главная | 📚 Содержание | 💬 Форум | 📁 Файлы | 📩 Контакт
 
Резонансные генераторы
Магнитные генераторы
Механические центробежные (вихревые) генераторы
Электростатические генераторы
Водородные генераторы
Ветро- и гидро- и солнечные генераторы
Прочие идеи (разные)
О форуме
Транспорт
Оружие
Научные идеи, теории, предположения...
Экономия топлива
Коммерческие вопросы
Струйные технологии
Торсионные генераторы
Новые технологии
Барахолка
Патентный отдел
Конструкторское бюро
Нейтронная физика
Торнадо и смерчи
Гравитация и антигравитация
Сделай сам. Советы.
Медицина и здравоохранение

📱 | 🖨️

Форум - Водородные генераторы - Ячейка Мейера - Делаем Ячейку Мейера своими руками и подручными средствами - Стр:13
<] [ 1 | ... 3 | 4 | 5 | 6 | 7 | 8 | 9 | 10 | 11 | 12 | 13 | 14 ] [>
Модератор: chouck
Первый пост темы: chouck Post: #125194 От:01.08.2008 (23:58)
Прочитя достаточную часть веток по этой теме и понял что все только теоретически и умозрительно обсуждают как и будет работать или не будет. Но некто не расказывает на личном опыте что она у него заработала и как всётаки этого добиться. Между тем описаний ячейки в интернете очень много.
Будет замечательно если в этой тебе к-ть раскажет наконец и поможет всем желающим сделать эту ячейку не вдаваясь в теории почему и откуда.
Давайте здесь обсуждать только практические вопросы возникающие у вас при попытках создания ячейки. Например "попробовал такуюто частоту при такихто трубках зазорах и токах и получил столькото ..."
alexol | Post:404621 - Date: 17.12.12(17:57)
JohnZ Пост: 404611 От 17.Dec.2012 (17:18)
Алекс, выходной каскад чистА по-Мееру, т.е. диод, бифиляр и на ячейку. Искровик действительно ни при чём, фишка в дедовом трансике 😶
Удачи !

Примерно, так?


Размер: 15.86 KB

JohnZ | Post:404624 - Date: 17.12.12(18:07)
YESssssssssssss ! 😎
Но там вроде-бы нижний конец должен землиться.
У Меера есть и так и эдак. Эксперимент покажет.

Удачи !

Буратино | Post:404647 - Date: 17.12.12(19:59)
JohnZ Пост: 404504 От 16.Dec.2012 (21:35)
Вот нарыл в и-нете испытание генератора на сухую !



Малость напоминает ... дедову искру 😊
Все на ветку "Литр на 100" !!! 😬

А вот работа ячейки с этого генератора ...



Удачи !


Нет, Женя, второе видео из другой оперы. Это просто одинарная ячейка Мейера. Видимо кто-то показывает свои достижения в "резонансе".

Но гдето есть видео с Дудашевской свечей (с магнитом), что она в банке с водой и от нее бурно идет газ. Вот только водород или кислород....

elektron_blin | Post:404674 - Date: 18.12.12(00:46)
Буратино Пост: 404647 От 17.Dec.2012 (19:59)

Чистая кавитация по Юткину - паро-водородно-кислородная смесь.

Буратино | Post:404675 - Date: 18.12.12(01:47)
JohnZ Пост: 404624 От 17.Dec.2012 (18:07)
YESssssssssssss ! 😎
Но там вроде-бы нижний конец должен землиться.
У Меера есть и так и эдак. Эксперимент покажет.

Удачи !


Вот как тут😊


Размер: 254.70 KB

Буратино | Post:404711 - Date: 18.12.12(10:12)
Вот тут с переводом 😊
Если применять Дедову катушку, так на ней не поместятся, дросселя и измерительная катушка


Размер: 143.96 KB

Буратино | Post:404717 - Date: 18.12.12(11:10)
Дополнил справочную по обмоткам. Данные взял с американского форума по альтернативной энергетике.


Размер: 152.35 KB

Буратино | Post:404718 - Date: 18.12.12(11:15)
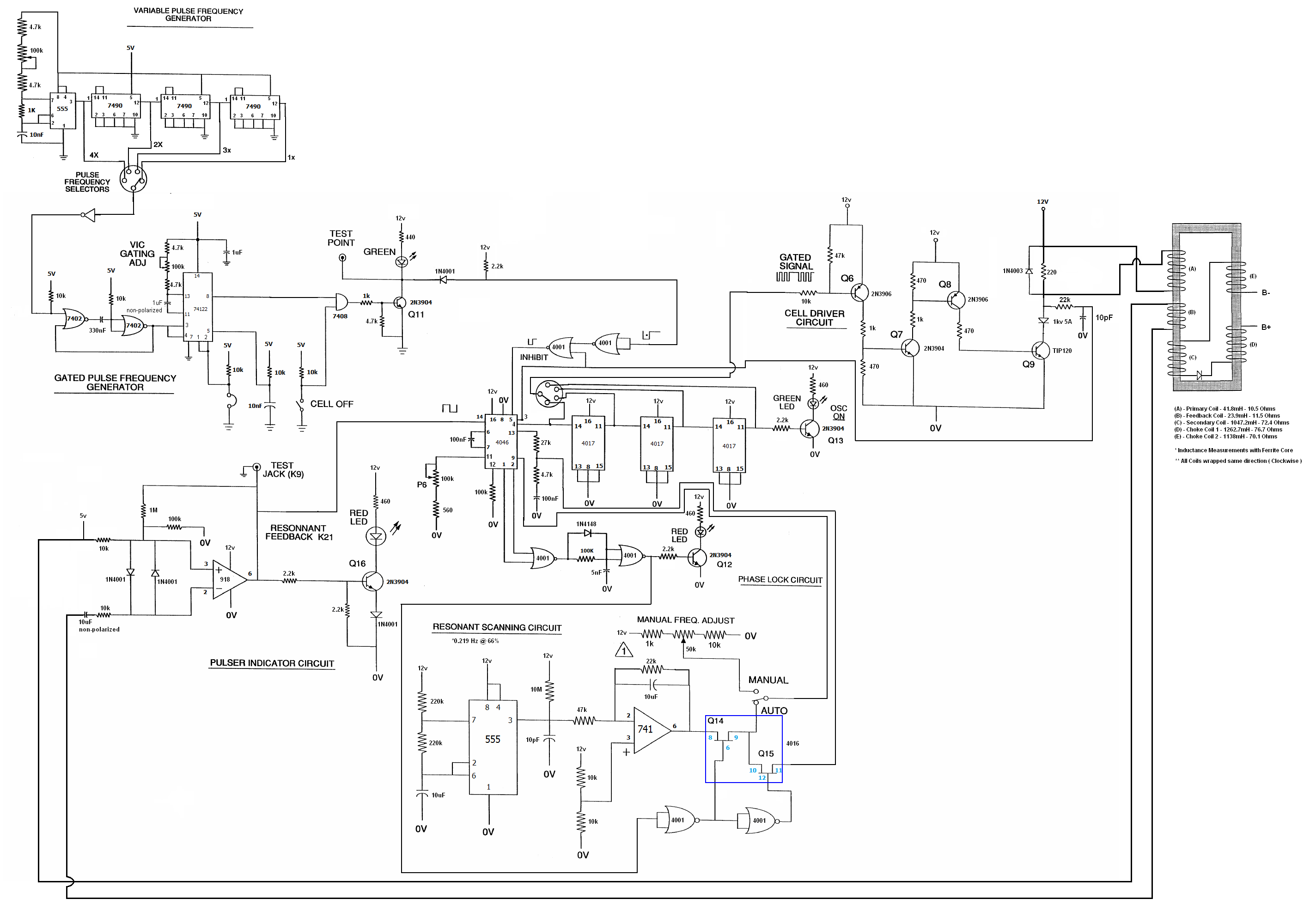
Электросхема генератора Мейера


Размер: 405.65 KB

Буратино | Post:404786 - Date: 18.12.12(22:57)
Я хотел бы что б Деда подтвердил или опроверг мое мнение, что его транс нельзя применить для ячейки Мейера. У Дедова транса специфическая задача, сделать черезвычайно мощную искру. Для этого все так устроено и частота, и длительность, без которых нужные параметры искры НЕ достижимы. А в устройстве Мейера, нужно подобрать частоту, что б она попала в резонанс с молекулой воды. Ну а подбор частоты для катушки с минимум витков может не дать нужного результата.

Хотя может быть я в чем-то и не прав

VVM | Post:413685 - Date: 21.03.13(19:45)
Тему не читал, может ничего нового,но попалась статья -"Тема: «альтернатива классического электролиза и ее практическая реализация»"
"...Проверка основной гипотезы исследования была осуществлена путём сравнения объёмов газа, полученных из электролизной газогенераторной ячейки методом классического Фарадеевского электролиза и методом, предложенным в данной работе, при одинаковом энергопотреблении (при измерениях учитывался импульсный характер нагрузки). При классическом электролизе полученный объём газа в 4,5 раза был меньше. Эти результаты были получены при следующем наборе параметров: ток потребления – 0,7А; частота импульсов в “пачке” – 45кГц; частота следования “пачек импульсов” 200Гц; скважность импульсов низкочастотного генератора 1,5."
[ссылка]

_________________
Владимир \"2 процента людей — думает, 3 процента — думает, что они думают, а 95 процентов людей лучше умрут, чем будут думать\"


Ветер | Post:413695 - Date: 21.03.13(21:50)
VVM я по ссылке захожу, мне предлагают скачать zip архив, но там я не могу ни чего открыть. Там какой то файл с расширением xml, и папки. Не могу понять как открыть его? Не подскажите как Вы открыли его. Спасибо!

KomX | Post:413718 - Date: 21.03.13(22:56)
файл в старом формате word
d7c416.doc
Размер: 128.50 KB

_________________
KomX - это комикс (история в картинках) или ком(приходить) икс(к неизвестному)... (Well)


Ветер | Post:413726 - Date: 21.03.13(23:25)
Ясно. Спасибо!

free_energy | Post:414805 - Date: 03.04.13(05:59)
Кто поможет ответить на вопрос, какая эквивалентная мощность была у ячейки Меера? Т.е какое количество эл.энергии необходимо было бы потратить, что бы получить выход газа как у Меера?

_________________
\\\"Есть только одно благо — знание, и есть только одно зло — невежество.\\\" Сократ


JohnZ | Post:414829 - Date: 03.04.13(11:24)
free_energy Пост: 414805 От 03.Apr.2013 (06:59)
Кто поможет ответить на вопрос, какая эквивалентная мощность была у ячейки Меера? Т.е какое количество эл.энергии необходимо было бы потратить, что бы получить выход газа как у Меера?

В принципе этим вопросом видимо особо никто и не заморачивался, т.к. полученный результат вполне удовлетворял потребности 😊 Если есть желание посчитать, то все данные доступны - движку от фольца (1.3 литра) хватало 12 В и 2.5 А. На демонстрации ячейки комиссии, Меер превзошёл Фарадея в 17 раз, т.е. 1700 % ! Это не КПД, а именно в сравнении с Фарадеем !!! При желании можно нарыть и другие данные, что-бы облегчить расчёты, но повторяю, - этим особо и не заморачиваются. Если нужно сравнить, то меряй выход по Фарадею на кВт, и тогда сравнивай полученный рез-т. Данные по Фарадею тоже в и-нете можно нарыть.
Эквивалентную мощность (по Фарадею) можно грубо считать 1 к 1, т.е. потратил 1 кВт на разложение, при сгорании гремучки получил почти тот-же 1 кВт. IMHO.

Удачи !

Буратино | Post:414876 - Date: 03.04.13(20:48)
JohnZ Пост: 414829 От 03.Apr.2013 (12:24)
Меер превзошёл Фарадея в 17 раз, т.е. 1700 % !

Все же надо добавить, что у Мейера тоже был обыкновенный электролиз но импульсный. Хоть Мейер и объяснял, что он применил особые импульсы но пока никто ничего не смог повторить его опыты.
Подумайте внимательно, в большинстве он применял большие трубы. Для чего? Большая площадь? Так и Фарадей об этом же упоминал. Я понимаю так, что если можна было бы разорвать молекулу воды электрополем, то это не зависит от площади электрода. Вот сколько умещается в кубическом сантиметре молекул воды? Вот мы сделали электроды величиной с квадратный сантиметр. И что, при этом не хватит силы электрополя разорвать малекулу воды? Поэтому у Мейера был обыкновенный импульсный электролиз. Нужна была большая площадь и большая сила тока. В импульсе он может достигать сотни ампер. Да, Джонс ты прав. Мейер превзошел Фарадея... Фарадей😕 как то не подумал о высоковольтном импульсе..

Sergh | Post:414895 - Date: 04.04.13(10:37)
одна проблем:
- чем круче импульсы, тем меньше газа

Буратино | Post:414897 - Date: 04.04.13(10:47)
Sergh Пост: 414895 От 04.Apr.2013 (11:37)
одна проблем:
- чем круче импульсы, тем меньше газа

Если можно подробней. Да, я писал слово "импульс", но он может быть разным - квадратным, пилообразным и как окозалось в последствии, что это не мало важно.
Господь знал, что найдутся придурки, которые захотят зажечь океан, поэтому все сделал, что бы мы не смогли этого сделать. Во всяком случае, простеньким способом.

Sergh | Post:414900 - Date: 04.04.13(11:04)
любым коротким импульсом - газа мало. Чем короче - тем меньше.
Чем ближе импульсное напряжение становится к постоянному току - выход газа увеличивается и приближается к выходу при постоянном токе.
Подробнее - было.
На ячейку с КОН подаю 1000 - 1500 вольт 400 ампер 5 мкс 40 Гц - толку никакого. В нагрев все. Ерунда.

Буратино | Post:414901 - Date: 04.04.13(11:08)
Sergh Пост: 414900 От 04.Apr.2013 (12:04)
В нагрев все. Ерунда.

Не ерунда! Нужен импульс (или импульсы)как у Мейера. С одиночным импульсом ничего не выйдет.

Sergh | Post:414907 - Date: 04.04.13(11:50)
он не одиночный. Повторяется с частотой 40 Гц. Да и больше делал.
Мейер вообще хитрый жук, диод поставил. Типа, импульсы-импульсы, а на самом деле постоянка.
Любую постоянку при желании можно назвать однополярными импульсами с нулевой паузой.

Короче, если есть надежда подать какие-то импульсы и вода сама разложится - то так не будет.
У Мейера на его багги, которая бы и с двигателем от газонокосилки поехала, штук 20 блочков стояло. Не очень хилое питание для электролизера...

Буратино | Post:414908 - Date: 04.04.13(11:51)
Sergh Пост: 414907 От 04.Apr.2013 (12:50)
Не очень хилое питание для электролизера...

Согласен!

alexol | Post:414915 - Date: 04.04.13(13:17)
Sergh Пост: 414907 От 04.Apr.2013 (12:50)
он не одиночный. Повторяется с частотой 40 Гц. Да и больше делал.
Мейер вообще хитрый жук, диод поставил. Типа, импульсы-импульсы, а на самом деле постоянка.
Любую постоянку при желании можно назвать однополярными импульсами с нулевой паузой.

Короче, если есть надежда подать какие-то импульсы и вода сама разложится - то так не будет.
У Мейера на его багги, которая бы и с двигателем от газонокосилки поехала, штук 20 блочков стояло. Не очень хилое питание для электролизера...

В общем, без катализатора о котором говорил неверг, никак? Но с ним, почему то, стремно. Хотя, если правда, реально.


Sergh | Post:414917 - Date: 04.04.13(15:13)
"катализатором" можно и топливо назвать.

alexol | Post:414931 - Date: 04.04.13(19:10)
Sergh Пост: 414917 От 04.Apr.2013 (16:13)
"катализатором" можно и топливо назвать.

Неверг говорит, что с элементом из датчика задымления, процесс запускается на малых токах. Но связываться с такими делами, как то не очень... Хотя прикупить про запас с десяток, м.б. и стоит. На всякий случай.
Я не знаю, как на територии бывшего Союза, но в других местах, люди усиленно ищут эти самые катализаторы не только среди лантаноидов и актиноидов.
[ссылка]
[ссылка]
[ссылка]
[ссылка]

<] [ 1 | ... 3 | 4 | 5 | 6 | 7 | 8 | 9 | 10 | 11 | 12 | 13 | 14 ] [>
У Вас нет прав отвечать в этой теме.
Форум - Водородные генераторы - Ячейка Мейера - Делаем Ячейку Мейера своими руками и подручными средствами - Стр 13
🏠 Главная | 📚 Содержание | 💬 Форум | 📁 Файлы | 📩 Контакт