Post:#413839 Date:23.03.2013 (14:46) ... Исследуя передачу энергии без проводов тр.Тесла,в лаболатории НИИ в 1998г.мы обнаружили КПД-135% Но эти токи в/ч вредные для здоровья,как и на АЭС,а поэтому в промышленности они не годились.Возникал вопрос,как это получить на низких частотах и на промышленных трансформаторах? Потребовалось десяток лет и немного денег - проблема решена! На приборном уровне было зарегестрировано ранее неизвестное свойства в трансформаторах.Точнее,обнаружен простой научный факт!Который и позволил извлекать энергию напряжения из микромира. В 2001г. на симпозиуме в Москве,я сделал сообщение,что электрон имеет сжатую энергию по напряжению,т.е. 1 милион вольт,что подтверждается формулами - энергию которого мы можем снимать!Также в работе на симпозиуме было сообщение,что передача энергии без проводов - уже не имеет смысла,мы можем в любой точке земли извлекать энергию по потребности!
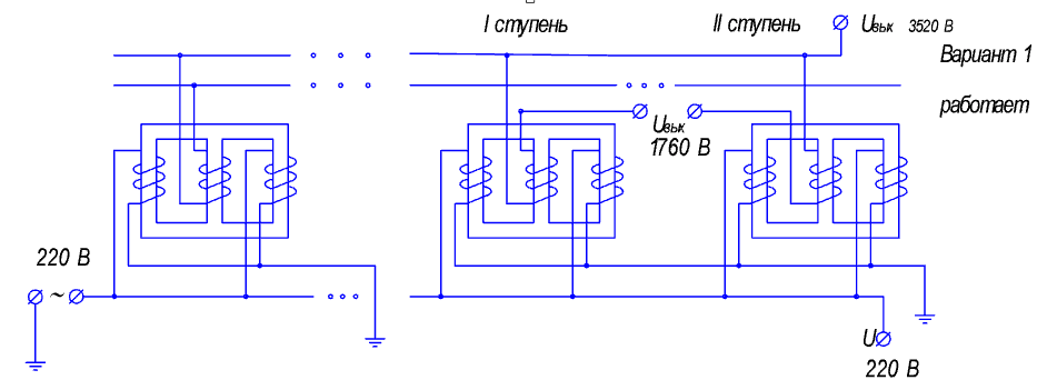
Для увеличения механической энергии необходимо создать пирамиду трансформаторов,где количество выходных обмоток будет не 2,а 4-8-16 и т.д.,где в каждой обмотке сила тока будет один ампер,что это эксперементально установленный факт!А потребляемая электрическая мощность,так и остается постоянной,где механическая мощность пирамиды возрастает во много раз!
Эх,что то мне подсказывает что мы так и не дождёмся публичной демонстраций устройства Анатолия. Не придёт к нему ни пресса ни телевидение а в каких-нибудь газетах только и успеем прочесть некролог какой же хороший человек был... Ну в "лучшем" случае приедет "Скорая" после которой мы уже до конца своих дней не услышим и не прочитаем нигде даже и фамилий то такой-Гапонов. Не забывай в какой жуткой рабовладельческой стране мы живём и как оперативно у нас могут работать особые службы если человек стал неугоден кому то обладающему высоким табуретом. Анатолий, тебе уже как я понял много лет. Толян,давай выкладывай что понапридумал по теме ветки, бери с меня пример. Со схемами подключений иначе твои слова звучат как английский язык.
P.S. Вырезал рисунок со схемами из твоей книги.
А так лучше видеть картинку и описание:
Это то самое?
На верхних рисунках уже есть СЕ?
Для чего заземление?
Не всё ясно со схемой подключений.
Количество витков?
Хотелось бы поподробнее комментариев от автора,чтобы самому не напрягать моск в сторону от своих идей
Вечером попробую составить изображение пирамиды Толяна как я её понял. Может кто успеет пораньше,карандаш тому в руку. Пока надо рыть траншеи,готовиться к войне с половодьем.
_________________ Здесь хранится СЕ суперавтотрансгенератор
https://www.skif.biz/index.php?name=Forums&file=viewtopic&p=875842#875842
https://disk.yandex.ru/d/T_H9tIHpXVb8dw
Дополненная версия с видео: https://disk.yandex.ru/d/RUQMOtXIHzRo7Q
missioner Пост: 414411 От 30.Mar.2013 (07:15)
Эх,что то мне подсказывает что мы так и не дождёмся публичной демонстраций устройства Анатолия. Не придёт к нему ни пресса ни телевидение а в каких-нибудь газетах только и успеем прочесть некролог какой же хороший человек был... Ну в "лучшем" случае приедет "Скорая" после которой мы уже до конца своих дней не услышим и не прочитаем нигде даже и фамилий то такой-Гапонов. Не забывай в какой жуткой рабовладельческой стране мы живём и как оперативно у нас могут работать особые службы если человек стал неугоден кому то обладающему высоким табуретом. Анатолий, тебе уже как я понял много лет. Толян,давай выкладывай что понапридумал по теме ветки, бери с меня пример. Со схемами подключений иначе твои слова звучат как английский язык.
Зарікалася свиня г..на не їсти...)))
Так и я зарекался в ветках не писать...
Но не удержался..
Пределов ограничения мышления устоявшимися догмами нет..
Толян такой же как и вы все..
Просто он нашел эффект.
А объяснить.его не может.
Потому как тоже мыслит полями ,передачей энергий и прочей хренью..
А если считать это реальностью то объяснить НЕВОЗМОЖНО
Приходится придумывать другую хрень-типа как ядерщики придумывают все новые частицы..
Вот толян и придумал сжатие энергии))))Механическую хрень..и еще какую то хрень)))Точно так же как когда то придумали хрень назывемую магнитным полем.
А там обыкновенная геометрия и законы индукции..Реальные..а не те которые с ,,магнитным полем"..
И еще надо понимание что такое индуктивность ,ток,заряд и пр.Этого не понимает никто..Кроме меня конечно))))А если кто и понял то пока молчит...
Надо понимать что катушка тоже емкость..а индуктивность это время разряда полученного от первоначального токового всплеска заряда -и нового перезаряда током источника этой емкости..
И тогда не надо придумывать новой хрени...Хрени типа отрицательной индуктивности типа какэу шкафа-дивана или сжатия энергий как у толяна)_
Теперь вернемся к тому какй эффект обнаружил толян.
А ни хрена он не нашел нового.
Уже давно все найдено.
Например Хаббардом.
У хаббарда один центральный керн в сердечнике трансформатора а по бокам много..Чем он отличается от обычного ш образного?Количеством кернов вокруг центрального..В обычном только два боковых. и один центральный)))Ш образный тоже будет давать прибавку..Но меньше)))
А теперь задача..
собственно две задачи..
первая:
Берем обычный Ш сердечник.
Мотаем на боковых по обмотке..
Включаем последовательно..(у толяна паралельно)
Естественно по индукции встречно относительно друг друга..
Во намотке это значит что намотка на боковых кернах намотана в одном направлении..
Это если смотреть на ш образный сердечник..
А если боковыые керны мысленно выпрямить в одну линию то намотка будет встречная..
Геометрия..и никаких чудес..
Если включим согласно эдс на центральном керне не будет..геометрия)))
К промеру мотаем на боковые по сто витков..включаем как уже писал последовательно..
подаем 10вольт.
Сила тока 1 ампер.
Какой ток и напряжение можем снять на центральной если на ней тоже сто витков?Какое будет индуктивное сопротивление первички состоящей из обмоток на боковых кернах?
Теперь следующая задача..
Трансформатор тот же количество витков на кернах то же.
Только подаем на центральную..Снимаем с боковых..Включение такое же..
Последовательно встречное..Источник тот же.. сила тока и напряжение те же..
Ну иэвопрос тот же..ток и напряжение на выходе..и индуктивность..
Да,кстати,мистер Турист, ты, как я понял, уже понял давно всё. Давай-ка нарисуй нам к вечеру пирамиду Гапонова. С намоточными данными. Тогда у меня,впрочем,я думаю и у многих из присутствующих, к тебе возродится прежнее уважение,от которого сейчас не осталось и остатка. Не нарисуешь--так и будешь местным пиз...болом до скончания Скифа.
_________________ Здесь хранится СЕ суперавтотрансгенератор
https://www.skif.biz/index.php?name=Forums&file=viewtopic&p=875842#875842
https://disk.yandex.ru/d/T_H9tIHpXVb8dw
Дополненная версия с видео: https://disk.yandex.ru/d/RUQMOtXIHzRo7Q
missioner Пост: 414418 От 30.Mar.2013 (10:35)
Да,кстати,мистер Турист, ты, как я понял, уже понял давно всё. Давай-ка нарисуй нам к вечеру пирамиду Гапонова. С намоточными данными. Тогда у меня,впрочем,я думаю, и у многих из присутствующих к тебе возродится прежнее уважение,от которого сейчас не осталось и остатка. Не нарисуешь--так и будешь местным пиз...болом до скончания Скифа.
Мне твое (и других таких же), уважение до задницы..Ты как был тупицей так и остался..И останешся..То что ты ничего не понял из того что.я написал только это подтверждает.))Крути свою гравицапу дальше)))))
Да просто Турист выпал из нашей реальности и забрел в другую реальность. И что-то там обнаружил. Вот только не ясно, можно ли, применяя законы той реальности, получить СЕ в этой реальности, т.е. сварганить БТГ для нашего шкурного применения.
Понятно, простой пи...дабол,значит. Который вроде и хочет добиться признания и уважения своих теорий а вроде и до задницы ему что никому они не нужны. А нахрена же суёт их тогда во все щели?
_________________ Здесь хранится СЕ суперавтотрансгенератор
https://www.skif.biz/index.php?name=Forums&file=viewtopic&p=875842#875842
https://disk.yandex.ru/d/T_H9tIHpXVb8dw
Дополненная версия с видео: https://disk.yandex.ru/d/RUQMOtXIHzRo7Q
rezoner Пост: 414420 От 30.Mar.2013 (10:42)
Да просто Турист выпал из нашей реальности и забрел в другую реальность. И что-то там обнаружил. Вот только не ясно, можно ли, применяя законы той реальности, получить СЕ в этой реальности, т.е. сварганить БТГ для нашего шкурного применения.
Резонер
..Вот смотри..Я задал два вопроса ..по выходному току и напряжению ...для последовательного.включения обмоток первички (вторички)на боковых кернах..
Давай с этим разберемся..
Что касается пирамиды Хеопса.....
Миссионер, мое скромное образование не позволяет увидеть за перестановкой кубиков с К<1 возможность получить общий К>1.
turist1 Пост: 414422 Резонер
..Вот смотри..Я задал два вопроса ..по выходному току и напряжению ...для последовательного.включения обмоток первички (вторички)на боковых кернах..
Давай с этим разберемся..
А причем тут индуктивное сопротивление? Оно должно быть >> Rнагр. Т.е. ток хх должен быть << тока нагрузки.
А в остальном - классические правила трансформации. Увы.
turist1 Пост: 414422 Резонер
..Вот смотри..Я задал два вопроса ..по выходному току и напряжению ...для последовательного.включения обмоток первички (вторички)на боковых кернах..
Давай с этим разберемся..
А причем тут индуктивное сопротивление? Оно должно быть >> Rнагр. Т.е. ток хх должен быть << тока нагрузки.
А в остальном - классические правила трансформации. Увы.
Хорошо..первый случай ..Обмотки на боковых кернах первичка..На центральной втричка..наэвсех кернах по.сто витков..ток первички 1 ампер..напряжение источника10 вольт..
По науке какой ток и напряжение на вторичке намотанной на центральном керне?
turist1 Пост: 414422 Резонер
..Вот смотри..Я задал два вопроса ..по выходному току и напряжению ...для последовательного.включения обмоток первички (вторички)на боковых кернах..
Давай с этим разберемся..
А причем тут индуктивное сопротивление? Оно должно быть >> Rнагр. Т.е. ток хх должен быть << тока нагрузки.
А в остальном - классические правила трансформации. Увы.
Турист не в состояний прочесть предыдущие страницы где Гапонов сам уже дал правильные ответы на подобные вопросы и к чему турист их вновь повторяет?. Но как зная правильные ответы Гапонов смог построить пирамиду с К>1? Жду ответы самого автора.
Там было паралельное включение..это ты читать не умеешь К тому же ответы не совсем верные..Ток во вторичке будет в два раза больше.
И ввобще ..ты чего.ко.мне прицепился?я.не.стобой разговариваю
1) Уважаемый long имеет шесть органов чувств. Кроме пяти известных: зрения, слуха, обоняния (чутье), осязания и вкуса, еще и утробное чутье!
2) Как я собираюсь использовать свой трехфазный трансформатор, данный мне в субъективных ощущениях его 15-ти килограммовой массы без какой либо переделки его объективных электро-технических характеристик:
2.1 для сварки небольших изделий переменное напряжение ~220 В буду подавать на обмотку центрального стержня, а вторичные соединю последовательно, чтобы получить ~40 В (10+20+10);
2.2 этот же режим включения даст мне дополнительно изолированные от промышленной сети источники переменного напряжения ~100, ~20, ~10 В, которые я могу использовать при проверке и ремонте различных радиолюбительских устройств;
2.3 включение переменного напряжения ~220 В на обмотку крайнего стержня даст мне также изолированные от промышленной сети источники переменного напряжения ~130, ~70 В, которые я могу без риска для своего здоровья использовать при проверке и ремонте ИИП (импульсных источников питания).
И еще на нескольких форумах встречал про это--FFFF
1) Уважаемый long имеет шесть органов чувств. Кроме пяти известных: зрения, слуха, обоняния (чутье), осязания и вкуса, еще и утробное чутье!
2) Как я собираюсь использовать свой трехфазный трансформатор, данный мне в субъективных ощущениях его 15-ти килограммовой массы без какой либо переделки его объективных электро-технических характеристик:
2.1 для сварки небольших изделий переменное напряжение ~220 В буду подавать на обмотку центрального стержня, а вторичные соединю последовательно, чтобы получить ~40 В (10+20+10);
2.2 этот же режим включения даст мне дополнительно изолированные от промышленной сети источники переменного напряжения ~100, ~20, ~10 В, которые я могу использовать при проверке и ремонте различных радиолюбительских устройств;
2.3 включение переменного напряжения ~220 В на обмотку крайнего стержня даст мне также изолированные от промышленной сети источники переменного напряжения ~130, ~70 В, которые я могу без риска для своего здоровья использовать при проверке и ремонте ИИП (импульсных источников питания).
И еще на нескольких форумах встречал про это--FFFF
Все просто.При такй геометрии суммируются заряды ( токи.).Напимер толиков вариант-две обмотки первички на боковых кернах паралельно с одинаковым количеством витков .Если напряжение источника 10 вольт ток источника 1 ампер ,то на втричке 20 вольт ток 1 ампер,а не 0,5 как утверждалось ранее.
Да ...можно получить еще обратноходовик..за счет компенсации идуктивностей обмоток первички на боковых кернах ток будет нарастать очень быстро при низким напряжении( первичный заряд катушкиэскомпенсирован значит нет потерь на инд. сопротивлении)..Снимаать.с центрального керна..
В итоге на так называемую накачку(получение мах тока (или заряда это одно и то же)источника в катушке ),и так называемое намагничивание центрального керна (заряда или изменения вещества магнитопровода)затраты мощности будут существенно меньше чем можно будет.снять..При условии конечно уменьшения соотвественно напряжения и доительности импульса накачки
То что напряжение на центральном будет 2U не вызыавет споров.А что будет с токами-ХЗ.Жаль что все свои тр-ры 3Ф пропил(переделал под сварочники).Остались только разобранные,перегоревшие.Но ради науки придется один восстановить...
PS Ходят слухи что Богатырь собрался к Березовскому...