[ВХОД]

31.03.26(18:41)

www.skif.biz

Альтернативная энергия. Оставь надежду, всяк сюда входящий...

🏠 Главная | 📚 Содержание | 💬 Форум | 📁 Файлы | 📩 Контакт

📱 | 🖨️

Форум - Резонансные генераторы - Прочие резонансные генераторы - Как намотать ХТ и БХТ - Стр:187
<] [ 1 | ... 177 | 178 | 179 | 180 | 181 | 182 | 183 | 184 | 185 | 186 | 187 | 188 | 189 | 190 | 191 | 192 | 193 ] [>
Модератор: dedivan
Первый пост темы: dedivan Post: #126798 От:11.08.2008 (17:59)

Давайте сначала начнем с того как не надо мотать.
Слово Валере Лапутько.
Он проверил- так не работает.
Виталя | Post:395837 - Date: 07.10.12(07:20)
bazarov Пост: 395827 От 07.Oct.2012 (03:19)
Можно узнать индуктивность катушки что была первой на видео со встречной намоткой?

Точно такая же, как и индуктивность отрезка провода длиной сантиметров 10.

_________________
С ув. Виталий.


bazarov | Post:395905 - Date: 07.10.12(22:35)
Спасибо.

_________________
Не хватит никакого здоровья, чтобы приспособиться к этому глубоко больному обществу(Кришна Мурти)/Горшки не Боги обжигают (многовековая классика)


shkaf | Post:395940 - Date: 08.10.12(09:21)
Индуктивность маленькая при длинном проводе это хорошо. Но частота200кгц очень маленькая.
Нужно поднять частоту хотя бы до 10 мгц при длине провода метров 20.
И перестраивая внешний конденсатор электрические колебания подогнать на длину волны провода.
Это удобней сделать Автогенератор, он автоматический возбудится на электрической резонансной частоте, эту частоту можно будет подстраивать меняя связь между катушками или меняя емкость внешнего конденсатора. В какой то момент теоретический должны совпасть частоты электрического и волнового резананса.
Но лично я пока этого эффекта не наблюдал, хотя электрический резонанс гарантировано перекрывал частоту волнового резонанса.

_________________
На Бога уповаем. http://www.skif.biz/files/e5a7f3.jpg


bazarov | Post:396083 - Date: 08.10.12(23:41)
Виталя, даю одну картинку которая обсуждалась тут ещё зимой. Навёрстывай 😏 .

Картинка
Картинка
Размер: 1.99 KB

_________________
Не хватит никакого здоровья, чтобы приспособиться к этому глубоко больному обществу(Кришна Мурти)/Горшки не Боги обжигают (многовековая классика)


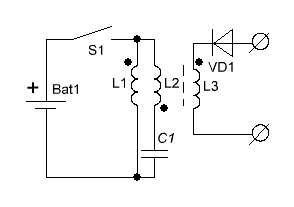
shkaf | Post:396094 - Date: 09.10.12(05:02)
Базаров, тоже хочу наверстать, а что тут необычного?? Ключь S1 хочешь убить??? Ты изобразил анти снаббер, с колебаниями после обратного хода наоборот борются а ты их усиливаешь.
Помехи плодишь и ухудшаешь условия работы ключа S1.
231
231
Размер: 4.02 KB

_________________
На Бога уповаем. http://www.skif.biz/files/e5a7f3.jpg


Виталя | Post:396314 - Date: 09.10.12(21:39)
"olegk": по банке [ссылка]
<21:33:16> "olegk": В том году в лондонском «Философском журнале» была напечатана статья физика Дж.Адденбрука «Изучение опытов Франклина с лейденской банкой», где автор пришел к удивительным результатам, расставившим все точки над i . Оказывается, стекло в обычных условиях всегда покрыто водяной пленкой, мы это наблюдаем по запотеванию окон. Кстати, эта пленка не всегда наблюдается визуально. Вот там то и остаются заряды на разбираемом конденсаторе и играют роль обкладок в стоящем отдельно стакане. При употреблении Адденбруком стакана не из стекла, а из парафина, на котор
<21:34:03> "olegk": на котором не образуется стеклянная пленка, получается результат противоположный франклиновскому. В сухой атмосфере «эффект Франклина» на разборной лейденской банке тоже не наблюдается.

_________________
С ув. Виталий.


Виталя | Post:396318 - Date: 09.10.12(22:02)
В том году в лондонском «Философском журнале» была напечатана статья физика Дж.Адденбрука «Изучение опытов Франклина с лейденской банкой», где автор пришел к удивительным результатам, расставившим все точки над i . Оказывается, стекло в обычных условиях всегда покрыто водяной пленкой, мы это наблюдаем по запотеванию окон. Кстати, эта пленка не всегда наблюдается визуально. Вот там то и остаются заряды на разбираемом конденсаторе и играют роль обкладок в стоящем отдельно стакане. При употреблении Адденбруком стакана не из стекла, а из парафина, на котором не образуется стеклянная пленка, получается результат противоположный франклиновскому. В сухой атмосфере «эффект Франклина» на разборной лейденской банке тоже не наблюдается.

Ларчик, оказывается, открывался просто. Но ключик к нему искали почти 175 лет.

_________________
С ув. Виталий.


bazarov | Post:396343 - Date: 09.10.12(23:47)
Ларчик, оказывается, открывался просто.

Угу.... Щас.... Смотрим на картинку. Слева опыт по выниманию внутреннего цилиндра а справа по передаче заряда с заряженого шара на съёмные сферы. Ничего не напоминает? При изъятии внутренней обкладки напряжение на обкладках становится очень большим. Но внутри цилиндров также есть заряд, точнее некая напряжённасть. В итоге на двух цилиндрах напряжение практически одинаковое потому как площадь этих цилиндров также почти одинаковое. Получается что поле в цилиндрах практически не тратится или типа того. И напряжение экспериментатора не бьёт потому как одинковое. Йоффе фтопку. Он не открыл ровным счётом ничего. А абсорбция диэлектриков ещё древним грекам за 2000 л.д.н.э. была известна по янтарю и прочих драгоценных камней.

Тут вопрос только один: почему сняв высокий электростатический заряд с поверхности он остаётся внутри? Пожет среда (вакуум) при разных напряжённостях электростатических полей имеет разные значения эпсилон? Другого объяснения нет, ибо поле внутри цилиндров есть, и оно в статике равномерно распределено. Опыт нужно сделать простой. Нужно найти полиэтиленовый пакет с одной из поверхностью в виде фольги. Затем всунуть пакет в пакет, зарядить, разобрать и заземлить пакеты. Затем вывернуть пакеты наизнанку и проверить на наличае заряда. Всё просто 😀.
Картинка.
Картинка.
Размер: 4.08 KB

_________________
Не хватит никакого здоровья, чтобы приспособиться к этому глубоко больному обществу(Кришна Мурти)/Горшки не Боги обжигают (многовековая классика)


Гудвин | Post:396345 - Date: 10.10.12(00:20)
Виталя Пост: 396318 От 09.Oct.2012 (23:02)
Ларчик, оказывается, открывался просто. Но ключик к нему искали почти 175 лет.


😎

Молодец!!!
Хорошая эта ветка. Хороший "замочек" дал Сергей Борисович 😎
Все мы читаем "инструкцию"(учебник физики), делаем "ключик" - бежим открывать этот замочек ...... и...... - БОЛТ - как ты говоришь 😎

Ну вот тогда ещё вопросик.
Вот конденсатор на рисунке. Все его размеры я трогать и менять не буду. Буду менять ТОЛЬКО материал его диэлектрика. При этом все размеры и пропорции остануться неизменными.
Так вот меняя только материал диэлектрика я могу увеличить ёмкость конденсатора в в десятки, сотни и даже тысячи раз!!!
Это зависит от диэлектрической проницаемости материала диэлектрика.
Можешь посмотреть любые справочники 😊
И это всё по учебнику физики кстати 😊

Так где ты говоришь, что кто то там может, всё просто на пальцах объяснить??? 😊


Размер: 26.54 KB

_________________
Всё нужное - просто. Всё сложное - не нужно.


bazarov | Post:396346 - Date: 10.10.12(00:36)
От блин 😕. Одни задачи и ни одного решения 😕. Совсем нехорошо 😕.

Гудвин, тогда для тебя задача. Зарядим твой конденсатор до определённого уровня напряжения и вытащим диэлектрик. Затем диэлектрик вставим в такой же конденсатор но не заряженый. Вопрос, будет ли на конденсаторе заряд?

Йоффе фтопку 😭.

_________________
Не хватит никакого здоровья, чтобы приспособиться к этому глубоко больному обществу(Кришна Мурти)/Горшки не Боги обжигают (многовековая классика)


bazarov | Post:396347 - Date: 10.10.12(00:51)
shkaf Пост: 396094 От 09.Oct.2012 (06:02)
Базаров, тоже хочу наверстать, а что тут необычного??

Прежде чем хотеть надо внимательно изучить схему. Ты нарисовал обычный колебательный контур. Не то. Думай. Хоть вспомни что на сей ветке обсуждается....

_________________
Не хватит никакого здоровья, чтобы приспособиться к этому глубоко больному обществу(Кришна Мурти)/Горшки не Боги обжигают (многовековая классика)


shkaf | Post:396361 - Date: 10.10.12(08:05)
bazarov Пост: 396347 От 10.Oct.2012 (01:51)
shkaf Пост: 396094 От 09.Oct.2012 (06:02)
Базаров, тоже хочу наверстать, а что тут необычного??

Прежде чем хотеть надо внимательно изучить схему. Ты нарисовал обычный колебательный контур. Не то. Думай. Хоть вспомни что на сей ветке обсуждается....

Я нарисовал точь вточь твой рисунок и ты уже перестал его узнавать.. склероз чоли?? Вот видишь мил человек до чего может довести игра твоего воспаленного воображения, а всего то катушечку наприсовал правильно так как она встанет практический и смысл уже совсем другой.
Ты что думаешь ты один такой гениальный ??.. нет!! Пока пялился в катушки про ключик и забыл ага?? не подумал коково ему будет переключать.
Твоя катринка полнейшая хрень от электро-франкенштейна, всёравно что шарик в кружке перекатывать, точнее это ты так нам ее представил, а на самом деле это еще хуже. Инженер-грешник в аду такое не сочинит.

Еесть же варианты флейбэков с двумя катушками, накачки и возвращающей в источник. Ты этого не знал видимо и начал изобретать то что ужа есть.

_________________
На Бога уповаем. http://www.skif.biz/files/e5a7f3.jpg


Гудвин | Post:396381 - Date: 10.10.12(10:54)
bazarov Пост: 396346 От 10.Oct.2012 (01:36)
От блин 😕. Одни задачи и ни одного решения 😕. Совсем нехорошо 😕.

Гудвин, тогда для тебя задача. Зарядим твой конденсатор до определённого уровня напряжения и вытащим диэлектрик. Затем диэлектрик вставим в такой же конденсатор но не заряженый. Вопрос, будет ли на конденсаторе заряд?

Йоффе фтопку 😭.


Вот же ответ на твой вопрос 😊 прямо один к одному.
Только здесь не ушами надо слушать, а глазами смотреть 😎
Ещё разок смотрим.... 😎 😎
YouTube: Смотреть видео

_________________
Всё нужное - просто. Всё сложное - не нужно.


bazarov | Post:396403 - Date: 10.10.12(18:10)
shkaf Пост: 396361 От 10.Oct.2012 (09:05)
Ты что думаешь ты один такой гениальный ??.. нет!! Пока пялился в катушки про ключик и забыл ага?? не подумал коково ему будет переключать.
Твоя катринка полнейшая хрень от электро-франкенштейна, всёравно что шарик в кружке перекатывать, точнее это ты так нам ее представил, а на самом деле это еще хуже. Инженер-грешник в аду такое не сочинит.

🙄🙄🙄🤢🙄🙄 Теперь понимаю Деда, ясно почему любит Шкафа поучать 🙄.... Шкап.... Я проверил эту схему год тому и тебе советую, горе ты чубатое 🙄... Нет там синуса, не-ту. 🙄

Гудвин | Post: 396381 - Date: 10.10.12
Вот же ответ на твой вопрос прямо один к одному.

Комментарии внизу видео дают однозначный ответ 🙄. Гудвин, не увёртывайся. Просто скажи что заряд будет на обоих конденсаторах и это будет правдоподобно 😏 .

_________________
Не хватит никакого здоровья, чтобы приспособиться к этому глубоко больному обществу(Кришна Мурти)/Горшки не Боги обжигают (многовековая классика)


bazarov | Post:396407 - Date: 10.10.12(18:36)
Предлагаю немного пофантазировать.... (Шкап, отключи свою воображалку 😭). Так вот. Идогда пластмассы при переходе из жидкой фазы в твёрдую (при пластификации) заряжают при помощи электростатического заряда в следствие чего материал имеет новые свойства. Это работы 50-х годов поэтому ссылку на труды дать не могу - не помню. Так вот.... А что если придумать акуммуляторы у которых будет меняться диэлектрик в твёрдой фазе а при разморозке (жидкая фаза) заряд будет переходить на пластины?

_________________
Не хватит никакого здоровья, чтобы приспособиться к этому глубоко больному обществу(Кришна Мурти)/Горшки не Боги обжигают (многовековая классика)


SergeyA | Post:403019 - Date: 04.12.12(07:31)
даавно я здесь не был... ничего не изменилось .. ищем мифический трансформатор, обладающий мифическими свойствами... кто-то криво намотал и считает это открытием. А что-то реально интересное в этой теме есть? Где автор-то? Уж должен был озолотиться...


Виталя | Post:403068 - Date: 04.12.12(14:58)
SergeyA Пост: 403019 От 04.Dec.2012 (07:31)
даавно я здесь не был... ничего не изменилось .. ищем мифический трансформатор, обладающий мифическими свойствами... кто-то криво намотал и считает это открытием. А что-то реально интересное в этой теме есть? Где автор-то? Уж должен был озолотиться...

АВТОР, понял что ДЕДА на "мякине" (коаксиальном трансформаторе), не проведёшь. И тихонько пошёл "бродить" по Сибири. 😊
Он сам об ЭТОМ сообщал.😊

_________________
С ув. Виталий.


shkaf | Post:407529 - Date: 14.01.13(15:25)
http://dl2kq.de/ant/3-38.htm
45
45
Размер: 14.67 KB

_________________
На Бога уповаем. http://www.skif.biz/files/e5a7f3.jpg


Sergej_ | Post:407559 - Date: 14.01.13(18:22)
Поскольку обмотки (т.е. антенна с кабелем) связаны только через магнитный поток, то на внешнюю сторону оплетки кабеля ВЧ-ток может затечь лишь через паразитную емкость между обмотками. А последняя мала. Поэтому конструкция заодно выполняет и роль симметрирующего трансформатора.

Чё то я не понял. Что может помешать току течь по внешней оплётке от места замыкания центральной жилы с оплёткой. Для тока есть выбор: с одной стороны - индуктивность (виток), с другой - никаких препятствий (внешняя поверхность кабеля). Ток потечёт туда, где сопротивление ниже, т.е. по внешней поверхности.
И где согласование с волновым сопротивлением кабеля?

matros | Post:410034 - Date: 11.02.13(18:34)
Виталя Пост: 395650 От 05.Oct.2012 (22:43)
SEVER Пост: 395586 От 05.Oct.2012 (16:25)
Уважаемые!
Так повторили оригинальную намотку автора или нет?


Нет у Автора, никакой ОРИГИНАЛЬНОЙ намотки. ЛЮБАЯ, БЕЗ ИНДУКТИВНАЯ катушка СОЛЕНОИДАЛЬНОГО ТИПА(с любым количеством "строго перпендикулярных витков (С)" + парочка ферритовых колечек (для частот порядка 20 - 200 кГц).


Не катит ,у автора ферритов нет,их роль и выполняет намотка ,и это не перевод меди ,кроме автора по крайней мере 2е на этой ветке дотумкали.
так что, нужна такая-же но с перламутровыми пуговицами,нет? будем искать.

_________________
Бессмыслица — искать решение, если оно и так есть. Речь идёт о том, как поступить с задачей, которая решения не имеет.(АиБ)


lait333 | Post:410242 - Date: 14.02.13(09:29)
По моим данным автор своял лабораторию, работает с катухами и не только собрал двигатель с магнитным ротором и хитрой обмоткой, да такой оборотистый что чуть богу душу не отдал. Так что человек посматривает на все это и трудиться на благо себя. Молодца Уважаю.

lait333 | Post:410243 - Date: 14.02.13(09:33)
Ответ на пост SergeyA | Post: 403019 - Date: 04.12 (15:24)

Виталя | Post:418481 - Date: 18.05.13(17:31)
Решил написать в моей ЛЮБИМОЙ теме😊. Дед Ваня, короче ХРЕНЬ ПОЛНАЯ с ентим графитом. Я не спорю о "кривизне" своих рук но🤬🤬🤬, "Ж". Понимаешь?, полная "Ж"😕. Проверил я сегодня "ГРАФИТОВУЮ" обмотку. Ты говорил что ток, протекая по графитовому проводнику, НЕ СОЗДАЁТ вокруг него магнитного поля, как в случае с обычным (допустим латунным) проводником. Ну мол, "прыгает" как камушек по воде. А значит, если применить в качестве первички трансформатора графитовый проводник ("не создающий" магнитного поля), то ТРАНСФОРМАЦИИ не БУДЕТ вообще. Зато, если ЭТОТ же проводник, применить в качестве вторички, то трансформация БУДЕТ и в не зависимости от количества ТАКИХ вторичек (ну и сответственно увеличения "НАГРУЗКИ"), потребляемая мощность из ПЕРВИЧНОЙ ЦЕПИ, останется на уровне потребления в режиме ХОЛОСТОГО ХОДА.
Так вот, провёл я сегодня "экскремент"😊. Источником сигнала являлся генератор "синуса" 200 кГц с возможностью регулировки амплитуды выходного сигнала от 0, до 3х В. В качестве предварительного усилителя - 13001, в качестве усилителя мощности - 13009. Сердечником транса, служила стопка ферритовых колец в количестве 5 штук, проницаемость М-2000. Первичка - латунная трубка, вторичка - графитовый стержень от карандаша - трансформация есть, при увеличении нагрузки, потребляемая мощность от ИП - увеличивается. Поменял местами первичку и вторичку - трансформация есть, при увеличении нагрузки потребляемая мощность - увеличивается 😘. Такие вот дела😕, панымаеш🤬🤬🤬.
Шкафоньер, оказался НЕ ПРАВ, по поводу того, что трансформация будет отсутствовать - НАПРОЧЬ. Единственное утешение😘.

_________________
С ув. Виталий.


dedivan | Post:418485 - Date: 18.05.13(17:58)
Твой друг болт обычно от кривых рук.
В данном случае все правильно.
Разговор шел о двумерной структуре под названием графен, который получают из графита.
У тебя обычный трехмерный графит.
Там есть участки где электрон летит блинчиком, но они маленькие и их много,
каждый раз электрон тормозит на границе а потом ускоряется.
А это инерция, индуктивность.
Где взять двумерный?
Возьми молекулу ДНК и растяни ее. Обычно она пару миллиметров имеет в длину.
Так вот у нее в основе ленточка из графена.
Один атом в толщину и 9 в ширину.
Вот из нее и делай вторичку для вечняка.
А разговор сам с чего начался? Провода для зажигания из угольной нитки.
Там почти близко к графену. на специальной нитке- тонкий слой графита.
У нее погонная индуктивность не ноль, но гораздо ниже металлической.


_________________
я плохого не посоветую


shkaf | Post:418487 - Date: 18.05.13(18:15)
Виталя Пост: 418481 От 18.May.2013 (18:31)
Шкафоньер, оказался НЕ ПРАВ, по поводу того, что трансформация будет отсутствовать - НАПРОЧЬ.

Виталя а ты уверен что у твоего графитового стержня индуктивность отсутствовала напрочь ???
Я например не уверен, если бы отсутствовала тогда и не влияла графитовая вторичка на первичку, а у тебя влияет.. и только потому что есть индуктивность.

_________________
На Бога уповаем. http://www.skif.biz/files/e5a7f3.jpg


<] [ 1 | ... 177 | 178 | 179 | 180 | 181 | 182 | 183 | 184 | 185 | 186 | 187 | 188 | 189 | 190 | 191 | 192 | 193 ] [>
У Вас нет прав отвечать в этой теме.
Форум - Резонансные генераторы - Прочие резонансные генераторы - Как намотать ХТ и БХТ - Стр 187
🏠 Главная | 📚 Содержание | 💬 Форум | 📁 Файлы | 📩 Контакт