[ВХОД]
11.04.26(22:30)

www.skif.biz

Альтернативная энергия. Оставь надежду, всяк сюда входящий...

🏠 Главная | 📚 Содержание | 💬 Форум | 📁 Файлы | 📩 Контакт
 
Резонансные генераторы
Магнитные генераторы
Механические центробежные (вихревые) генераторы
Электростатические генераторы
Водородные генераторы
Ветро- и гидро- и солнечные генераторы
Прочие идеи (разные)
О форуме
Транспорт
Оружие
Научные идеи, теории, предположения...
Экономия топлива
Коммерческие вопросы
Струйные технологии
Торсионные генераторы
Новые технологии
Барахолка
Патентный отдел
Конструкторское бюро
Нейтронная физика
Торнадо и смерчи
Гравитация и антигравитация
Сделай сам. Советы.
Медицина и здравоохранение

📱 | 🖨️

Форум - Резонансные генераторы - Прочие резонансные генераторы - Генератор Эдвина Грея - практическая реализация - Стр:80
<] [ 1 | ... 70 | 71 | 72 | 73 | 74 | 75 | 76 | 77 | 78 | 79 | 80 | 81 | 82 | 83 | 84 | 85 | 86 | 87 | 88 | 89 | 90 | ... | 118 ] [>
Модератор: GRiO
Первый пост темы: GRiO Post: #61419 От:13.03.2007 (00:45)
Остановил свой выбор на генераторе Эдвина Грея. Это один из наиболее полно описанных генераторов. Этап подготовки позади и сейчас осталась самая малость - заставить его работать, так как надо 😀

Схема собрана, устойчивая искра идет. Генерацию импульса сделал на вакуумном триоде. Импульсы шириной 20msec, частота импульсов 120Hz. Напряжение на разряднике ~2.5KV
Т.е. все условия для возникновения радиального электричество созданы.
Дело за малым, осталось снять его и преобразовать в обычное электричество.

Нормального описания выходного транса мне найти не удалось, поэтому делал руководствуясь фотографиями стендов г-на Грея и Гарри Магрэттена.
Диаметр трубы - 110мм, Первичная обмотка ~500 витков, медный провод 0.5, уложены друг к другу в один слой, вторичная (силовая) - 34 витка антенным проводом.

При работе на вторичной обмотке выходного транса - 3.2 вольта переменки. Скорее всего, просто наводки. Пытаюсь разобраться в чем причина. Что нужно исправить, что бы система заработала.

Сейчас играюсь с частотой импульсов, пока без интересных результатов.

Фотки и схему прилагаю.
shkaf | Post:368095 - Date: 29.04.12(19:35)
dedivan Пост: 368091 От 29.Apr.2012 (20:18)

современные ключики позволяют вернуть
в источник до 99,7% энергии запасенной в магнитном поле.
Так что если поймаешь хотя бы 1% продольки - это уже СЕ будет.

Элементарно..обратный ход пропустить через разрядник, анод разрядника подключить к источнику питания, это чтоб вернуть в источник ток дуговой части искры. плюс там же останется СЕ от лавины, при правильной конструкции анода. По любому 1 процент СЕ можно отжать.
454
454
Размер: 2.99 KB

_________________
На Бога уповаем. http://www.skif.biz/files/e5a7f3.jpg


Кубич | Post:368097 - Date: 29.04.12(20:09)
В этой схеме полевик умрёт в течении 5-10 нс. Хотя... А какое R перехода?

P.S. Умрёт и к бабке не ходи. В зазоре искровика R в любом случае больше. Кондюк разрядится по цепи полевика и амба.

_________________
Кнопка с крестиком в правом верхнем углу экрана - портал в реальный мир.


shkaf | Post:368099 - Date: 29.04.12(20:15)
С чё бы он за умирал то..??

_________________
На Бога уповаем. http://www.skif.biz/files/e5a7f3.jpg


Кубич | Post:368100 - Date: 29.04.12(20:18)
shkaf Пост: 368099 От 29.Apr.2012 (21:15)
С чё бы он за умирал то..??


А сколько KV на разрядник подаётся?

_________________
Кнопка с крестиком в правом верхнем углу экрана - портал в реальный мир.


Кубич | Post:368101 - Date: 29.04.12(20:19)
Ну если только я не в курсе и есть уже ключи на это напряжение...

_________________
Кнопка с крестиком в правом верхнем углу экрана - портал в реальный мир.


Кубич | Post:368102 - Date: 29.04.12(20:30)
shkaf Пост: 368095 От 29.Apr.2012 (20:35)
dedivan Пост: 368091 От 29.Apr.2012 (20:18)

современные ключики позволяют вернуть
в источник до 99,7% энергии запасенной в магнитном поле.
Так что если поймаешь хотя бы 1% продольки - это уже СЕ будет.

Элементарно..обратный ход пропустить через разрядник, анод разрядника подключить к источнику питания, это чтоб вернуть в источник ток дуговой части искры. плюс там же останется СЕ от лавины, при правильной конструкции анода. По любому 1 процент СЕ можно отжать.

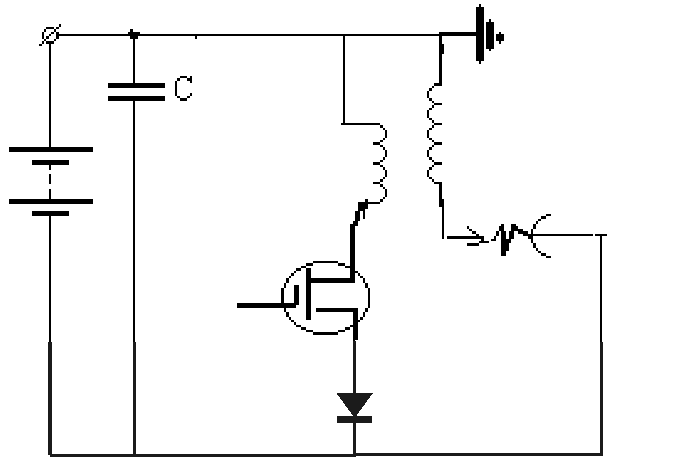
Через высоковольтный диод зацепи ключ. Тогда импульс с кандюка пойдёт в разрядник, а обратный ход пойдёт по цепи полевика в источник. Если не в разрядник снова. Но там порог зазором выставляется. У обратного хода энергии-то по любому меньше...


Размер: 5.55 KB

_________________
Кнопка с крестиком в правом верхнем углу экрана - портал в реальный мир.


Кубич | Post:368105 - Date: 29.04.12(20:40)
shkaf Пост: 368104 От 29.Apr.2012 (21:38)
Вообще то там должно наоборот.. с разрядника импульсы в конденсатор а никак не наоботор!!

О как... Наоборот лучше😎 Катушка полевика может иметь витков, к примеру, меньше. Тогда полевик сдюжит....
А в этом случае нахрен нам полевик?

_________________
Кнопка с крестиком в правом верхнем углу экрана - портал в реальный мир.


Кубич | Post:368106 - Date: 29.04.12(20:49)
shkaf Пост: 368104 От 29.Apr.2012 (21:38)
Вообще то там должно наоборот.. с разрядника импульсы в конденсатор а никак не наоботор!!

Мы кажется немного о разном говорим...

_________________
Кнопка с крестиком в правом верхнем углу экрана - портал в реальный мир.


Кубич | Post:368107 - Date: 29.04.12(20:56)
Понимаешь, такие ключи не успеют отключиться быстро. Только искра рвёт обратный ход. Поэтому туда через искру, а назад можно через диод, ну или через ключ. Тесла даже искру рвал магнитным полем или разряжал в трансформаторном масле, а то часть энергии уходила по ионизированному каналу назад. И какой полевик может так сработать?

_________________
Кнопка с крестиком в правом верхнем углу экрана - портал в реальный мир.


shkaf | Post:368110 - Date: 29.04.12(21:14)
Да полным полно хороших полевиков...давным давно уже кто хотел сделал и проверил.. пошарься тут на форуме .. можешь через поиск (шайтан драйвер) там вокурат про это.. а вообще то тебе надо сходить на ветку МЕРЯЕМ ИСКОРКИ. сЛЫХАЛ ПРО ТАКУЮ ??

_________________
На Бога уповаем. http://www.skif.biz/files/e5a7f3.jpg


shkaf | Post:368111 - Date: 29.04.12(21:22)
Кубич Пост: 368107 От 29.Apr.2012 (21:56)
а то часть энергии уходила по ионизированному каналу назад. И какой полевик может так сработать?

Да как же знегрия уйдет через ионизированый канал, если в катоде разрядника -10кв, а на аноде от кондера -20..40 вольть?????
При всем желании не уйдет, а наоборот прибавит.
Полевик запирается и в это время возникает обратный ход, магнитное поле возвражает накопленую энергию.. Длительность импульса обратного хода ограничена временем закрывания транзистора и емкостью вторички. Чем больше вкачаем на прямом ходу в магнитное поле, тем быстрее перезарядится емкость.
СЕ-от зарядов электронов искры!!!
7777
7777
Размер: 2.99 KB

_________________
На Бога уповаем. http://www.skif.biz/files/e5a7f3.jpg


Кубич | Post:368112 - Date: 29.04.12(21:28)
shkaf Пост: 368111 От 29.Apr.2012 (22:22)
Кубич Пост: 368107 От 29.Apr.2012 (21:56)
а то часть энергии уходила по ионизированному каналу назад. И какой полевик может так сработать?

Да как же знегрия уйдет через ионизированый канал, если в катоде разрядника -10кв, а на аноде от кондера -20..40 вольть?????
При всем желании не уйдет, а наоборот прибавит.
Полевик запирается и в это время возникает обратный ход, магнитное поле возвражает накопленую энергию.. Длительность импульса обратного хода ограничена временем закрывания транзистора и емкостью вторички. Чем больше вкачаем на прямого ходе в магнитное поле, тем быстрее перезарядится емкость.

Я немного о другом. Твоё надо обдумать.

_________________
Кнопка с крестиком в правом верхнем углу экрана - портал в реальный мир.


Armton | Post:368121 - Date: 29.04.12(22:25)
Ох и заводные вы 😊 Флейбек (да еще с искрой?), это второй акт марлезонского балета. А нужно сперва первый поставить, найти съем продольки, чтоб ее нагрузка не влияла на первички. Что же зря ДедИван говорит про ток в незамкнутой цепи?
dedivan Пост: 228389 От 01.Feb.2010 (09:48)
mikesh Пост: 228320 От 31.Jan.2010 (21:32)
а свойства латунных только в тему кз-витков.

Ой, а у деда и медные и латунные и трубки и шайбы
и ни разу ни кз.
Может что то в консерватории поправить?


Кубич | Post:368130 - Date: 29.04.12(23:10)
shkaf | Post: 368111 - Date: Mon Apr 30, 2012 12:11 am


В этой схеме да. Но откуда СЕ? Полю мы работать не даём и его энергию рекупирируем. Почему Тесла свою вторичную катушку разместил внутри первички? Энергия поля первички не может вернутся обратно к источнику и поле сжимается в центр к своей оси. При этом одуренно растёт напряжённость поля. Вопросы: 1. почему поле сжимается? 2. За счёт какой силы происходит прирост напряжённости поля? Ацюковский утверждает, что поле гравитирует под давлением среды. Тогда энергия поля прищается энергией этого давления. Очень хорошо. Наше поле по теории бублик, тороид. Т.е. выкручивается изнутри наружу. По итогам сжатия вся энергия поля окажется в центре. При этом будет иметь момент, и теперь похоже в виде прямой по направлению поля кручения в центре. Это продольная волна. Вся энергия поля поперечного преобразуется в продольное поле. У продольного поля также должен быть спин. И этот спин может совпасть с поперёк расположенной катушкой.
У обычной катушки надо сплюснуть с боков витки и уложить её вдоль той самой прямой. И энергия продольного поля у нас в катушке. Эту мысль проверить бы...

А у тебя речь идёт о схеме включения автомобильной катушки зажигания. Там тоже энергии не куда деваться, первичка же разомкнута, во вторичке растёт напряжение... Но причина этого роста другая, колебательный процесс в параллельном контуре КЗ. Напруга растёт до пробоя зазора свечи.

Поэтому я и не рассматриваю такую схему как перспективную в плане получения СЕ. Не будет там СЕ. Тут работают классические условия и не какой СЕ никто никогда не наблюдал. Это поле перепахано вдоль и поперёк.
Только в нестандартных решениях нужно искать. И теорию опорную свою надо создавать. Классика не подходит. Она не полная и наврана...

_________________
Кнопка с крестиком в правом верхнем углу экрана - портал в реальный мир.


shkaf | Post:368141 - Date: 30.04.12(03:33)
Armton Пост: 368121 От 29.Apr.2012 (23:25)
Ох и заводные вы 😊 Флейбек (да еще с искрой?), это второй акт марлезонского балета. А нужно сперва первый поставить, найти съем продольки, чтоб ее нагрузка не влияла на первички. Что же зря ДедИван говорит про ток в незамкнутой цепи?

Так искра это и есть сама что ни на есть продолька прямо вдоль от катода к аноду. И токи так же незамкнутые у правильной искры. Чистейшее се.

А ту продольку которая от двух встречных катушек ловить нужно чем угодно только не витками.. виткам нужно замкнутые магн поля, у продольки их нет. Продольку скорее всего ловить нужно чем то аналогично антен.

_________________
На Бога уповаем. http://www.skif.biz/files/e5a7f3.jpg


shkaf | Post:368142 - Date: 30.04.12(03:51)
Коль уж начали понимать что можно сделать сильные встречные магн поля, то уместен вопрос.
А можно ли сильными магнитными полями бифиляра в вести в насыщение сам эфир ?
Теоретически не запрещено. И как тут не вспомнить опыты Тэслы с тем что у него температура воздуха в комнатке повышалась где работали его хитрые разряднички и катушки. Причем нагрев произходил не сразу а через некоторое время.
Так же и охлажнение можно обяснить на примере отрицательной индуктивности у среды-эфира и среда охлаждается когда упорядочивается ее структура, аналогично доменам магнитопровода на отрезке отрицательной индуктивности(размагничивания).

Так и сказано было теслой: я представляю продольные волны как возмущения саммого эфира.

Но сами понимаите, чтобы в вести в насыщение или хотя бы просто приблизиться к этомй отметке нужны масштабы теслы!!


_________________
На Бога уповаем. http://www.skif.biz/files/e5a7f3.jpg


shkaf | Post:368143 - Date: 30.04.12(04:29)
Пока есть смысл ответить на вопросик:
Почему уменьшается индуктивность прямого проводника если сложить его пополам?
Мы знаем, что индуктивность проводника определяет пространство которое окружает сам проводник. Значит между электронами проводника и пространством существует связь и эта связь притормаживает электроны в прямом проводнике.
Но почему тогда перестает притормаживать в том же проводнике если его сложить пополам. Длина провода увеличилась а индуктивность не увеличилась.
Дело еще и в зарядах которые тянут электроны проводника.

У двух проводников плотненько рядом фронт зарядов одного проводника сразу же начинает образовывать ток в рядом паралельном проводнике т.е. электронам не надо ждать пока фронт зарядов пробежит по всей длинне проводника и добежит до электрончиков, и так по всей длине провода! У заряда же нет направления, есть только величина.

Это все к тому что ПРОДОЛЬНАЯ это все же ВОЛНА. и ловить ее надо как волну.
Можно ловить магнитную компоненту волны как ловит коротенькая магнитная-ферритовая антена. А можно и длинным проводником-диполем ОТКРЫТЫМ КОНДЕНСАТОРОМ ловить электрическое поле.
Ловить незамкнутые магн поля магнитной-ферритовой антеной не получится.
Остается только антена диполь-конденсатор.
У такой антены открытого кондера одну обкладку нужно подставить под направление максимального излучения продольки(между встречными витками,) а вторую обкладку в область наименьшего продольного излучения. Вот тогда две половинки антены-диполя зарядятся электрическим полем продольки, одна больше другая меньше. естественно заряд с этого кондера-антены есть смысл запустить в катушку чтоб был обычный электрический резонанс обычных колебаний.
Все.
Магнитная компонента продольки досвидания..Будет ли она влиять на стрелку компаса?? Наверно нет. Если нет то и катушками ее не забрать.

_________________
На Бога уповаем. http://www.skif.biz/files/e5a7f3.jpg


Кубич | Post:368163 - Date: 30.04.12(08:37)
shkaf | Post: 368143 - Date: Mon Apr 30, 2012 7:18 am

У меня сложилось устойчивое представление о том, что продольного поля без поперечного быть не может. Не отделимо! Но понимание присутствия продольного поля помогает осознавать полевые процессы.
Тесла в своё время высказывался, что своим устройством он создаёт условия при которых эл. ток из катушки идёт как вода из крана, под давлением. Вот эту его фразу я мог понять. Потом родилась теория фазового эфира. И всё в ней красиво, вот только малость натянуто... Или скорее не проверено опытами. А вот идея Бозе о наличии электронного конденсата и статьи Авраменко с его экспериментальными данными подталкивают к мысли о том, что энергию Тесла и остальные получали путём возбуждения этого ЭлектронБозе конденсата. Его еще Тёмной материей называют. Составляет свыше 90% от гравитирующей массы вселенной. Тут наука уже отметилась... А возбуждение это они достигаю разными способами. Тесла создаёт большую напряжённость поля, Хаббард накачивает энергию вихревым полем круговых катушек в сердечнике центральной катушки. И везде с момента возбуждения Бозе конденсата создаётся давление поля изнутри системе наружу, в катушку. Этот перепад, градиент и сбивает нас с толку. Мы всегда ищем источник энергии снаружи, на привычном месте и не обнаружив его начинаем городить огород плодя ошибки. А источник энергии, это покоящееся реликтовое электронное поле - электронный Бозе конденсат. Строительный материал вселенной. Но можно его себе представить ещё и как потенциальное поле. Но тут тоже надо понять, что такое холодные электроны. По крайне мере мне не ясно. Видимо на низком энергетическом уровне. И на уровень проявленной вселенной переходят квантовым скачком в условиях макроквантового резонанса.

_________________
Кнопка с крестиком в правом верхнем углу экрана - портал в реальный мир.


shkaf | Post:368164 - Date: 30.04.12(09:21)
Ну а что думаешь так просто по глупости до сих пор радиостанции пользуют обычные поперечные эл. магн волны. Нет конечно..и проще и заморочек меньше.
Так шта не факт еще что пойманой продольной волны будет больше чем затрачено на ее образование. У обратноходика ведь тоже нагрузка подключенная на обратном ходу не влияет на ток потребленный флейбеком от истояника питания.
Шкаф видит от встречного включения катушек пока только одну пользу
Это если нужно что то отталкивать электромагнитами и импульсные трансформаторы повыщеной можности. Но там свои проблемы, достаточно велики потери на рассеяние магн полей, ЗАМКНУТЫЕ МАГНИТОПРОВОДЫ не применишь.

_________________
На Бога уповаем. http://www.skif.biz/files/e5a7f3.jpg


shkaf | Post:368166 - Date: 30.04.12(09:36)
Вот оно все греевское барахло...все то о чем тут и говорили. Как видно из рисунка через катушки электромагнитов разряжаются заряженые конденсаторы..возникающие при этом автоколебания СПОСОБСТВУЮТ ПРОДОЛЖЕНИЯ ОТТАЛКИВАНИЯ КАТУШЕК ЭЛЕКТРОМАГНИТОВ. Благодаря этому удлиняется по времени тяга отталкивания между катушками !!!!

Назначение маленьких катушек 119 наверняка тоже понятно всем. Направление вращения вала надо же чем то задавать.
Как видно из схемке в ПДФ на 7 странице Fig-18 нет никаких цепей для возврата ЭДС из катушек обратно куда нить.
В ЭТОМ ПРОСТО НЕТ НЕОБХОДИМОСТИ вся обратная ЭДС в виде колебательного процеса катушки и разрядного кондера сама тянет.
По части мотора глобальных непоняток нет.
Хороший мотор, но видимо не лучше современных движков Которые к стати распологаются прямо в дисках колес авто. Нет необходимости в коробках передачь шестеренчатых приводов и т д.
Ставь пару таких колес и блок управления и поехала машинешка.
Наверняка учли что лучше толкать чем притягивать.
Всё.. в мульду Мотор Грея.. В 21 веке исполнение самого мотора грея уже не актуально.. но принцип отталкивания электромагнитов заслуживает чести и хвалы.
8fd206.pdf
Размер: 1.59 MB

_________________
На Бога уповаем. http://www.skif.biz/files/e5a7f3.jpg


dedivan | Post:368171 - Date: 30.04.12(11:39)
Ну надо не патенты читать а нормальные книжки.
МАГНИТНЫЕ ГЕНЕРАТОРЫ ИМПУЛЬСОВ [ссылка]

_________________
я плохого не посоветую


shkaf | Post:368172 - Date: 30.04.12(11:44)
Книга хорошая, спору нет.!

А ЧЕМ ПАТЕНТ ДВИГУНА ГРЕЯ, что в моей пдфке не нравится?. все думали да гадали где там холодное электричество прячется в моторе.. а там и нарисовано все было с картинками.
Не с проста его в самом конце нашей бурной дискусии выложил.
Еслиб сразу на превой странице темы, то и поговрить не об чем было про моторчик греевский.
Но выяснили мы конечно и без инструкций от Грея.

Ты вот что скажи, заработал у тебя генератор с отрицательной индуктивностью? Я так понимаю частота генерации получается достаточно высокой при небольших габаритах магнитопровода и уже возникшая генерация способствует удлинению времени участка отрицательной индуктивности.
Но в чем тогда разница, ведь можно запасти энергию в магнитопроводе обычным способом и потом запустить сброс(обратный ход) в колебательный процес, будут колебания до тех пор пока есть энергия в магнитопроводе.
Есть некоторые основания считать что во время отрицательной индуктивности магнитопровод теряет магнитное поле до того момента пока не начнет увеличивать ток.

Но если удалить магнитопровод из катушек то с пространством возле катушки все тоже самое получится, значит и пространство потеряет магн поле а попросту умеьшится ток.

Тогда и продольное (радиант) поле надо искать как раз после отключения одной из двух бифилярных катушек, ток после отключения одной катушки начнет уменьшаться НЕКОТОРОЕ ВРЕМЯ, значит магнитное поле куда то уносит энергию тока.
в продольное поле и уносит.

_________________
На Бога уповаем. http://www.skif.biz/files/e5a7f3.jpg


dedivan | Post:368185 - Date: 30.04.12(12:33)
shkaf Пост: 368172 От 30.Apr.2012 (12:44)
Тогда и продольное (радиант) поле надо искать как раз после отключения одной из двух бифилярных катушек,


Так а вроде сразу и сказал- что это как раз в тему отрицательной индуктивности.
Именно на бифилярке его и проше делать.

То есть не то что бы ловить продольку сачком, а просто заставлять ее
тут же работать.

_________________
я плохого не посоветую


shkaf | Post:368186 - Date: 30.04.12(12:34)
А если ток запустить сразу по двум бифилярным катушкам, ну будет ток, будет и магнитное поле которое всего лишь будет растягивать две катушки.
Никаких провалов тока тут пока не видно, и это явный признак что ничего энергия не утекает и не прибывает.
Если ток дать только в одну катушку ток начнет плавный рост, это может означать что энергия тока по проводнику преобразуется в энергию магнитного поля вокруг катушки из проводника раз ток все время увеличивается значит поле не уносит энергию а всего лишь копит ее.
И только при размыкании одного из двух бифилярных витков уменьшает ток
некоторое время

Это может означать что образовавшееся магнитное поле улетело и унесло с собой часть энергии. Вот улетело продольное. Улетело и не вернулось.
я конечно не настаиваю.. но это же обективно.

_________________
На Бога уповаем. http://www.skif.biz/files/e5a7f3.jpg


shkaf | Post:368189 - Date: 30.04.12(12:38)
dedivan Пост: 368185 От 30.Apr.2012 (13:33)
shkaf Пост: 368172 От 30.Apr.2012 (12:44)
Тогда и продольное (радиант) поле надо искать как раз после отключения одной из двух бифилярных катушек,


Так а вроде сразу и сказал- что это как раз в тему отрицательной индуктивности.
Именно на бифилярке его и проше делать.


Тогда извиняй.. я видимо запамятовал пока грея разбирали..
Но мы же пока не отключали одну из бифилярных катушек, а просто запускали ток сразу по двум катушкам.. тут нет провала тока и значит магн поле не покидает катушки

_________________
На Бога уповаем. http://www.skif.biz/files/e5a7f3.jpg


<] [ 1 | ... 70 | 71 | 72 | 73 | 74 | 75 | 76 | 77 | 78 | 79 | 80 | 81 | 82 | 83 | 84 | 85 | 86 | 87 | 88 | 89 | 90 | ... | 118 ] [>
У Вас нет прав отвечать в этой теме.
Форум - Резонансные генераторы - Прочие резонансные генераторы - Генератор Эдвина Грея - практическая реализация - Стр 80
🏠 Главная | 📚 Содержание | 💬 Форум | 📁 Файлы | 📩 Контакт