[ВХОД]
14.04.26(06:14)

www.skif.biz

Альтернативная энергия. Оставь надежду, всяк сюда входящий...

🏠 Главная | 📚 Содержание | 💬 Форум | 📁 Файлы | 📩 Контакт
 
Резонансные генераторы
Магнитные генераторы
Механические центробежные (вихревые) генераторы
Электростатические генераторы
Водородные генераторы
Ветро- и гидро- и солнечные генераторы
Прочие идеи (разные)
О форуме
Транспорт
Оружие
Научные идеи, теории, предположения...
Экономия топлива
Коммерческие вопросы
Струйные технологии
Торсионные генераторы
Новые технологии
Барахолка
Патентный отдел
Конструкторское бюро
Нейтронная физика
Торнадо и смерчи
Гравитация и антигравитация
Сделай сам. Советы.
Медицина и здравоохранение

📱 | 🖨️

Форум - Прочие идеи (разные) - Схемотехника - ❓Вопросы чайников и ответы ГУРУ - Стр:25
<] [ 1 | ... 15 | 16 | 17 | 18 | 19 | 20 | 21 | 22 | 23 | 24 | 25 | 26 | 27 | 28 | 29 | 30 | 31 | 32 | 33 | 34 | 35 | ... | 460 ] [>
Модератор: bolt
Первый пост темы: bolt Post: #51365 От:28.12.2006 (22:13)
Завтра уже еду детали покупать, так что чуть опоздали с темой.
Остальное после нового года
Всех с новым две тысячи седьмым годом 😬
missioner | Post:366351 - Date: 19.04.12(22:26)
Вот у меня вАпрос такой.Имеем транс,внутренняя обмотка питающая,зелёная. Над ней располагаем ещё две обмотки,красную и синюю. Красную,пусть она имеет минимальную омичность, замыкаем после подачи напруги. На концах синей что имеем? Есть ли там напруга. Если нет,то её не должно быть и на концах красной. И получается что там и тока не должно бы быть КЗ. А она есть. Знапчит и на концах синей должно быть напряжение.....но без тока. Ампер-витки, вольт-витки то никто не отменял


Размер: 6.01 KB

_________________
Здесь хранится СЕ суперавтотрансгенератор https://www.skif.biz/index.php?name=Forums&file=viewtopic&p=875842#875842 https://disk.yandex.ru/d/T_H9tIHpXVb8dw Дополненная версия с видео: https://disk.yandex.ru/d/RUQMOtXIHzRo7Q


Виталя | Post:366361 - Date: 20.04.12(00:42)
Мисси, я дичайшим образом извиняюсь, что - как бы влез "посреди" ТВОЕГО ВОПРОСА😈, ты уж прости "засранца"😊. Но, меня интерисует МОЙ ВОПРОС😊. И очень хотелось бы знать мнение, так сказать, "начальника транспортного цеха" (ИМЕНИННИКА).😎

_________________
С ув. Виталий.


poma | Post:366370 - Date: 20.04.12(01:59)
Читать ТОЭ! 5 лет наблюдаю этот бред, да почитайте в конце концов уже учебник (это же людской опыт за 50 лет)

poma | Post:366371 - Date: 20.04.12(01:59)
Читать ТОЭ! 5 лет наблюдаю этот бред, да почитайте в конце концов уже учебник (это же людской опыт за 50 лет)

bazarov | Post:366375 - Date: 20.04.12(02:07)
poma | Post: 366371 - Date: 19.04.12
Читать ТОЭ!

Не советуй русским всякие глупости 😭!!

У ТОЭ вроде как около 200 лет истории. Всё началось с того времени, когда кошка Гальвани приволокла в дом лягушку.....

_________________
Не хватит никакого здоровья, чтобы приспособиться к этому глубоко больному обществу(Кришна Мурти)/Горшки не Боги обжигают (многовековая классика)


poma | Post:366382 - Date: 20.04.12(02:49)
Я очень уважаю Берга (вообще удивительно, как Швед, в этой гребаной стране что то пытался двигать), как родоначальника Российской радиолокации. Но он был не Русский и в 37-ом его забрали, а в 41ом наш очередной царек (сталин) его освободил, ну блядская такая страна и ни фига не сделаешь,дошло до полного абсурда, закон выпустили по закупкам госмонополий (я в этой гребаной сисеме), а закупки.гов.ру (бля, точно его а Норвегиии надо было регистрировать) так и не работает и государство получается со своей стороны не обеспечивает возможность соблюдения закона (с ЭЦП то же самое, закон есть, а корневого центра сертификации так и нет)

missioner | Post:366398 - Date: 20.04.12(04:24)
poma,ты написал несколько постов и при этом с твоим высшим образовванием так и не смог ответить на мой вопрос. Ну и какова цена твоему МЭИ? Грош? Так же как и Базарову Кстати,это болезнь у образованных людей,учат и учат чему то а на обыкновенный вопрос ответить не в состояний

_________________
Здесь хранится СЕ суперавтотрансгенератор https://www.skif.biz/index.php?name=Forums&file=viewtopic&p=875842#875842 https://disk.yandex.ru/d/T_H9tIHpXVb8dw Дополненная версия с видео: https://disk.yandex.ru/d/RUQMOtXIHzRo7Q


poma | Post:366401 - Date: 20.04.12(04:47)
отвечу из уважения, просто у меня нет ответа, а ветку засрали, потому и написал

street | Post:366406 - Date: 20.04.12(06:55)
missioner Пост: 366351 От 19.Apr.2012 (23:26)
Вот у меня вАпрос такой.Имеем транс,внутренняя обмотка питающая,зелёная. Над ней располагаем ещё две обмотки,красную и синюю. Красную,пусть она имеет минимальную омичность, замыкаем после подачи напруги. На концах синей что имеем? Есть ли там напруга.

Напруга есть. А вот тока она даст мизер. Энергия попавшая в трансформатор разделится между вторичками транса пропорционально полному сопротивлению их цепей.
Знапчит и на концах синей должно быть напряжение.....но без тока. Ампер-витки, вольт-витки то никто не отменял


Виталя Пост: 366361 От 20.Apr.2012 (01:42)
Но, меня интерисует МОЙ ВОПРОС😊. И очень хотелось бы знать мнение, так сказать, "начальника транспортного цеха" (ИМЕНИННИКА).😎

Он счас , на радостях мебельные магнитики вертит... Не до реактивки в удлиннителе ему.😊
Придётся самим.
Вот ты мерил токи. Цепь вроде как последовательная , а токи на участках разные. Значит не последовательная.


Размер: 9.01 KB

_________________
Главное в мелочах


Виталя | Post:366428 - Date: 20.04.12(10:01)
street Пост: 366406 От 20.Apr.2012 (07:55)
Вот ты мерил токи. Цепь вроде как последовательная , а токи на участках разные. Значит не последовательная.


Согласен.

_________________
С ув. Виталий.


Виталя | Post:366432 - Date: 20.04.12(10:33)
poma Пост: 366401 От 20.Apr.2012 (05:47)
отвечу из уважения, просто у меня нет ответа, а ветку засрали, потому и написал


Как это понять??? Как это?, "засрали "ветку""??? Кто "засрал"??? Тема данной "ветки" какая???--------------Правильно: ВОПРОСЫ "ЧАЙНИКОВ", ОТВЕТЫ - "ГУРУ". 😀😀😀😨😨😨
Так кто же всё таки ентот негодник?😊 "ЗАСРАНЕЦ"???😬😬😬

_________________
С ув. Виталий.


street | Post:367176 - Date: 24.04.12(10:31)
Виталя Пост: 366428 От 20.Apr.2012 (11:01)
street Пост: 366406 От 20.Apr.2012 (07:55)
Вот ты мерил токи. Цепь вроде как последовательная , а токи на участках разные. Значит не последовательная.


Согласен.

Погоди... уже соглашаться то... Мож ещё не время...😊
Смотри, что получается. Неравенства токов не получаится😕
А магнитик вибрируват... Значит должно быть неравенство.😘

P.S. А ГУРЫ то, по кустам рассредоточились😊... НужнЫЙ момент выжидають.


Размер: 7.46 KB

_________________
Главное в мелочах


Виталя | Post:367347 - Date: 24.04.12(22:54)
street Пост: 367176 От 24.Apr.2012 (11:31)
Неравенства токов не получаится😕


Как это не получается? Амперметр перед катушкой показывает 8,8 А, после катушки (перед "утюгом") - 7,2 А. Итого - катушка "захомячила" 1,6 А.

_________________
С ув. Виталий.


Phazeus | Post:367358 - Date: 25.04.12(03:45)
А если поменять местами приборы?)))

_________________
Иные боятся убийц, кары неотвратимой, Кризисов и организованную преступность. А я нахожу на Свете самой невыносимой Обычную такую человеческую глупость...


street | Post:367362 - Date: 25.04.12(04:43)
Виталя Пост: 367347 От 24.Apr.2012 (23:54)
street Пост: 367176 От 24.Apr.2012 (11:31)
Неравенства токов не получаится😕


Как это не получается? Амперметр перед катушкой показывает 8,8 А, после катушки (перед "утюгом") - 7,2 А. Итого - катушка "захомячила" 1,6 А.

Не получалось по схеме нарисованной ранее. Катушка захомячила, а путь тока (хомяка), где? Ток ить он по проводочкам вроде как, течёт.

_________________
Главное в мелочах


Виталя | Post:367434 - Date: 25.04.12(17:17)
Phazeus Пост: 367358 От 25.Apr.2012 (04:45)
А если поменять местами приборы?)))


😨😨😨 Прибор один и тот же. Какими "местами" его менять???

_________________
С ув. Виталий.


Виталя | Post:367435 - Date: 25.04.12(17:21)
street Пост: 367362 От 25.Apr.2012 (05:43)
Катушка захомячила, а путь тока (хомяка), где? Ток ить он по проводочкам вроде как, течёт.

"Хомяк" "кушал" 😊, скорее всего через индуктивную и немножко ёмкостную "связь" между катушками. Вот и грелся. Ты же сам нарисовал ПУТЬ "токи" 😊 - через Rr.


_________________
С ув. Виталий.


street | Post:367593 - Date: 26.04.12(15:55)
Ты же сам нарисовал ПУТЬ "токи" - через Rr.

А, то!😊
Рисовать могу. Но ить в реальном девайсе... подрисованного резюка не наблюдается. По крайней мере оный невидим, не припаян... А ток по нему течёт.
Как?😀

_________________
Главное в мелочах


Виталя | Post:367632 - Date: 26.04.12(18:50)
street Пост: 367593 От 26.Apr.2012 (16:55)
Как?😀

МОЛЧА.😊😊😊

_________________
С ув. Виталий.


Pavel1 | Post:368309 - Date: 30.04.12(21:15)
Мудаки, читайте законы Киргофа..
Ток в любой точке соединения равен нулю!!!

Да это так.

Со мной уже кто-то спорил по поводу перезаряда конденсаторов " куда девается энергия при переливе энергии с паралельного в поседовательное соединение конденсаторов и кажется я поставил точку в этом вопросе."

И так, да будет вам известно, что есть закон Ома не только для цепей постоянного тока, но и для переменного, где вступают в силу законы синусов и косиуносов,
а такжже правило их сложения по теореме ПИФАГОРА, для тупорылых(КВАДРАТ ГИПОТЕНУЗЫ РАВЕН СУММЕ КВАДРАТОВ ЕГО КАТЕТОВ, только восьми-палатник Гравио будет это отрицать), а кто не знает что такое гипотенуза или катет, то не хуй обще это читать.



Pavel1 | Post:368312 - Date: 30.04.12(21:20)
Phazeus Пост: 367358 От 25.Apr.2012 (04:45)
А если поменять местами приборы?)))


А хуй с пиэдой не пробовал менять местами?
Как от этого быстрее кончишь???

Pavel1 | Post:368317 - Date: 30.04.12(21:37)
Ненавижу когда знают одну букву законов физики и выебаются на ввесь мир,
для этого мальчики я НЕ ВСЕ ЗНАЮ и НЕ БУДУ ЗНАТЬ, ибо этого не положено человеку, надо расти чтоб хоть частью овладеть знаниями. Для этого нужен жизненный опыт труда и ума а также наблюдения.


Виталя | Post:368320 - Date: 30.04.12(21:42)
Паш😊. У тебя сегодня ЧЕГО???😎 Очередной "приход"🤢??? В смысле - ОБОСТРЕНИЕ (весеннее🤢), иль "хапнул" о-Би-лядь😊 ЛИШКУ???🤢

_________________
С ув. Виталий.


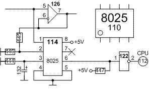
Pavel1 | Post:368596 - Date: 02.05.12(08:15)
Ладно, извиняюсь.
Мне самому нужна помощь.
Все алдаташиты перерыл, но так и не смог найти даташит на микросхему 8025
и 8030. Кружочек пуст, логотип не понятен, что дальше думать не знаю.
Привожу фрагмент схемы которую срисовал с печатки. Остальные микросхемы в основном
с первыми буквами HC, типа НС4052............
Заранее благодарю...
Производство платы блока управления - Япония.


Размер: 4.65 KB

Eduard | Post:368597 - Date: 02.05.12(08:37)
Предположительно, это 80-й год и 25-я неделя выпуска.
По смыслу может быть компаратор, операционник или одновибратор.
Еще надписи на микрухах есть? Числа 110, 114 написаны на корпусах или на плате?

_________________
И мню аз яко то имать быть, что сам себе всяк может учить.


<] [ 1 | ... 15 | 16 | 17 | 18 | 19 | 20 | 21 | 22 | 23 | 24 | 25 | 26 | 27 | 28 | 29 | 30 | 31 | 32 | 33 | 34 | 35 | ... | 460 ] [>
У Вас нет прав отвечать в этой теме.
Форум - Прочие идеи (разные) - Схемотехника - ❓Вопросы чайников и ответы ГУРУ - Стр 25
🏠 Главная | 📚 Содержание | 💬 Форум | 📁 Файлы | 📩 Контакт