[ВХОД]

06.04.26(05:19)

www.skif.biz

Альтернативная энергия. Оставь надежду, всяк сюда входящий...

🏠 Главная | 📚 Содержание | 💬 Форум | 📁 Файлы | 📩 Контакт
 
Резонансные генераторы
Магнитные генераторы
Механические центробежные (вихревые) генераторы
Электростатические генераторы
Водородные генераторы
Ветро- и гидро- и солнечные генераторы
Прочие идеи (разные)
О форуме
Транспорт
Оружие
Научные идеи, теории, предположения...
Экономия топлива
Коммерческие вопросы
Струйные технологии
Торсионные генераторы
Новые технологии
Барахолка
Патентный отдел
Конструкторское бюро
Нейтронная физика
Торнадо и смерчи
Гравитация и антигравитация
Сделай сам. Советы.
Медицина и здравоохранение

📱 | 🖨️

Форум - Барахолка - Предложение - РЗУ. Особенности практического применения. - Стр:17
<] [ 1 | ... 7 | 8 | 9 | 10 | 11 | 12 | 13 | 14 | 15 | 16 | 17 | 18 | 19 | 20 | 21 | 22 | 23 | 24 | 25 | 26 | 27 | ... | 47 ] [>
Модератор: alexkor345
Первый пост темы: alexkor345 Post: #284260 От:13.01.2011 (09:24)
Данная ветка предназначена для публикации и обсуждения практических аспектов эксплуатации РЗУ-радиантного зарядного устройства различных модификаций.

Для чего нужно РЗУ-кратко на сайте "www.radiant4you.net".
Виталя | Post:355092 - Date: 04.03.12(23:27)
alexkor Пост: 355089 От 04.Mar.2012 (23:19)
транзисторов на радиаторе около 60...


Си-коко, си-коко???

😳😳😳😊

Эт на одну "коллекторную"? что ли???

_________________
С ув. Виталий.


Kopoet | Post:355101 - Date: 05.03.12(00:37)
Температура, Виталя, температура. не количество в штуках.

street | Post:355140 - Date: 05.03.12(08:32)
alexkor Пост: 355089 От 04.Mar.2012 (23:19)
"Он сэкономил на задающем генераторе, и сердечнике,
его блокинг работает на ограничении тока большим сопротивлением обмотки.
Сколько там - 4 ома?"

Сопротивление одного метра - 0,08 Ом, 100 метров - 8 Ом. В катушке РЗУ серии УЛЬТРА около 7 метров...

Под нагрузкой температура катушки около 40 градусов, транзисторов на радиаторе около 60 градусов...


Однако , деда прав. Пусть не 4ома , но именно выбор сопротивления провода, плох. Дублирование транзюков - тож. Провод надо толще , транзюк один.
его блокинг работает на ограничении тока большим сопротивлением обмотки.

А вот тут деда ты не прав. Как выяснилось , блокинг работает на ограничении тока индуктивностью катухи. Аlexcor'а можно понять. Если торгуешь , надо позаботиться о некоторых гарантиях. Как всегда..., рента пихает палки в колёса прогрессу.
Транзюк закрывается , когда ток в катухе перестанет нарастать. Конечно , если ток ограничит омическим раньше , чем закончиться линейный участок нарастания в индуктивности , транзюк тоже закроется. Но на том омическом , которое есть в его блокинге, этого не происходит. Ток ограничивается в базовой цепи, там резюк. С этого момента подключается реактивное сопротивление , и ток коллектора начинает уменьшать скорость нарастания, следом индукция в базовой обмотке закрывает ключ.

_________________
Главное в мелочах


alexkor | Post:355655 - Date: 07.03.12(23:26)
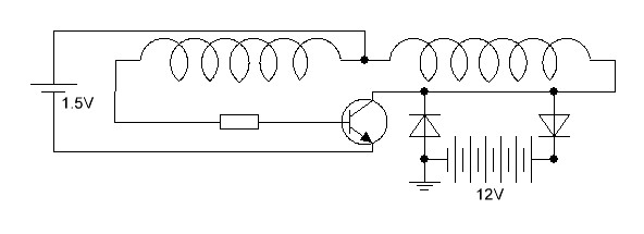
Разработана новая схема РЗУ для зарядки АКБ 12В от ИП 1.5В с потреблением 1-4 миллиампера.

Диоды-ультрафасты, транзюк-2N3904 или 2N2222, заземление можно брать из розетки или заменить на антенну-кусок провода.

Настройка ведётся по току от ИП с подключенным маленьким кондёром на выходе...

Практикам в копилку...


Размер: 42.65 KB

_________________
Радиантное зарядное устройство- "www.radiant4you.net" Низкоэнергетические ядерные реакции- "www.lenr4you.net"


xx0 | Post:355657 - Date: 07.03.12(23:53)
СХемка хорошая, но это все добрые модификации DC-DC. Да и кому нужно заряжать 12В Аккумулятор от батарейки? 🤢🤢🤢 Хороша была бы модификация DC-СЕ с полевичком!

_________________
http://xx0ru.livejournal.com/


alexkor | Post:355658 - Date: 07.03.12(23:58)
xx0 Пост: 355657 От 07.Mar.2012 (23:53)
СХемка хорошая, но это все добрые модификации DC-DC. Да и кому нужно заряжать 12В Аккумулятор от батарейки? 🤢🤢🤢 Хороша была бы модификация DC-СЕ с полевичком!


Изучай

"http://pesn.com/2011/05/27/9501835_Steven_E_Jones_demonstrates_overunity_circuit/".

_________________
Радиантное зарядное устройство- "www.radiant4you.net" Низкоэнергетические ядерные реакции- "www.lenr4you.net"


xx0 | Post:355661 - Date: 08.03.12(00:01)
А причем тут схема Steven_E_Jones к твоей? 🤢🤢🤢 изучал я ее раньше)

_________________
http://xx0ru.livejournal.com/


alexkor | Post:355688 - Date: 08.03.12(09:57)
xx0 Пост: 355661 От 08.Mar.2012 (00:01)
А причем тут схема Steven_E_Jones к твоей? 🤢🤢🤢 изучал я ее раньше)


Прародитель этих схем-ТТ.

Вот полупроводниковый вариант.


Размер: 3.42 KB

_________________
Радиантное зарядное устройство- "www.radiant4you.net" Низкоэнергетические ядерные реакции- "www.lenr4you.net"


street | Post:355758 - Date: 08.03.12(19:57)
alexkor Пост: 355688 От 08.Mar.2012 (09:57)
xx0 Пост: 355661 От 08.Mar.2012 (00:01)
А причем тут схема Steven_E_Jones к твоей? 🤢🤢🤢 изучал я ее раньше)


Прародитель этих схем-ТТ.


Скорее всего.... явление импеданса....

_________________
Главное в мелочах


alexkor | Post:355775 - Date: 08.03.12(23:46)
Картинка в помощь намотчикам катушек...


Размер: 18.47 KB

_________________
Радиантное зарядное устройство- "www.radiant4you.net" Низкоэнергетические ядерные реакции- "www.lenr4you.net"


Koly | Post:356174 - Date: 11.03.12(02:15)
dedivan Пост: 355059 От 04.Mar.2012 (19:41)
Сколько там - 4 ома? Вот на них и падает больше 50 процентов энергии.
Вся энергия, которая накапливается проходит сначала через это сопротивление и греет его, а потом накопленная еще раз через него же проходит и опять греет.

0,5 Ома и всё холодное

Koly | Post:356175 - Date: 11.03.12(02:36)
alexkor Пост: 355655 От 07.Mar.2012 (23:26)
Разработана новая схема РЗУ для зарядки АКБ 12В от ИП 1.5В с потреблением 1-4 миллиампера.

Диоды-ультрафасты, транзюк-2N3904 или 2N2222, заземление можно брать из розетки или заменить на антенну-кусок провода.

Настройка ведётся по току от ИП с подключенным маленьким кондёром на выходе...
Практикам в копилку...

Алексей, у меня с теорией проблемы, какую ёмкость аку им можно заряжать? где начало обмоток и какой провод, сколько а если без заземления? диоды UF 4007 пойдут? Спасибо.


МSN | Post:356177 - Date: 11.03.12(02:53)
Koly Пост: 356174 От 11.Mar.2012 (02:15)
dedivan Пост: 355059 От 04.Mar.2012 (19:41)
Сколько там - 4 ома? Вот на них и падает больше 50 процентов энергии.
Вся энергия, которая накапливается проходит сначала через это сопротивление и греет его, а потом накопленная еще раз через него же проходит и опять греет.

0,5 Ома и всё холодное

Добавь тока, и почувствуешь🤢

_________________
Говорите говорите, я всегда зеваю когда мне интересно. 99,9% всех СЕ устройств, - от неправильных измерений


Koly | Post:356178 - Date: 11.03.12(03:06)
МSN Пост: 356177 От 11.Mar.2012 (02:53)
Koly Пост: 356174 От 11.Mar.2012 (02:15)
dedivan Пост: 355059 От 04.Mar.2012 (19:41)
Сколько там - 4 ома? Вот на них и падает больше 50 процентов энергии.
Вся энергия, которая накапливается проходит сначала через это сопротивление и греет его, а потом накопленная еще раз через него же проходит и опять греет.

0,5 Ома и всё холодное

Добавь тока, и почувствуешь🤢

А у меня радиатор хороший 🤢 🤢 🤢

alexkor | Post:356197 - Date: 11.03.12(09:58)
Koly Пост: 356175 От 11.Mar.2012 (02:36)
alexkor Пост: 355655 От 07.Mar.2012 (23:26)
Разработана новая схема РЗУ для зарядки АКБ 12В от ИП 1.5В с потреблением 1-4 миллиампера.

Диоды-ультрафасты, транзюк-2N3904 или 2N2222, заземление можно брать из розетки или заменить на антенну-кусок провода.

Настройка ведётся по току от ИП с подключенным маленьким кондёром на выходе...
Практикам в копилку...

Алексей, у меня с теорией проблемы, какую ёмкость аку им можно заряжать? где начало обмоток и какой провод, сколько а если без заземления? диоды UF 4007 пойдут? Спасибо.


Ёмкость нужно подбирать. Время зарядки сокращается с ростом кол-ва транзисторов.

Конец первой соединяем с началом второй.

Заземление/антенна поднимают эффективность в разы.

Чем быстрее диод-тем лучше. Юзаю 5408...

_________________
Радиантное зарядное устройство- "www.radiant4you.net" Низкоэнергетические ядерные реакции- "www.lenr4you.net"


Koly | Post:356252 - Date: 11.03.12(14:35)
alexkor Пост: 356197 От 11.Mar.2012 (09:58)
Чем быстрее диод-тем лучше. Юзаю 5408...

Алексей, не нашол Reverse Recovery Time у 1N5408

Koly | Post:356274 - Date: 11.03.12(16:55)
Алексей, соединил как на этой схеме, не работает 😨


Размер: 33.08 KB

МSN | Post:356279 - Date: 11.03.12(17:21)
И не будет:
image

_________________
Говорите говорите, я всегда зеваю когда мне интересно. 99,9% всех СЕ устройств, - от неправильных измерений


dedivan | Post:356288 - Date: 11.03.12(18:09)
МSN Пост: 356279 От 11.Mar.2012 (17:21)
И не будет


Нарисуй полную схему, с паразитными емкостями от акка на землю,
и ВВ импульсы обратного хода.
Криво- но будет чего то течь.
Обычная пионЭрская схема полученная методом тыка.
То есть автор вообще не понимает ничего в электронике- просто тыкает- "А , тепленькая пошла.."

Обратил внимание, что заземление нужно для этой схемы?

_________________
я плохого не посоветую


alexkor | Post:356320 - Date: 11.03.12(20:41)
Koly Пост: 356252 От 11.Mar.2012 (14:35)
alexkor Пост: 356197 От 11.Mar.2012 (09:58)
Чем быстрее диод-тем лучше. Юзаю 5408...

Алексей, не нашол Reverse Recovery Time у 1N5408


[ссылка]

_________________
Радиантное зарядное устройство- "www.radiant4you.net" Низкоэнергетические ядерные реакции- "www.lenr4you.net"


alexkor | Post:356321 - Date: 11.03.12(20:43)
Koly Пост: 356274 От 11.Mar.2012 (16:55)
Алексей, соединил как на этой схеме, не работает 😨


-мотаем в два провода.
-содиняем конец первого с началом второго.

_________________
Радиантное зарядное устройство- "www.radiant4you.net" Низкоэнергетические ядерные реакции- "www.lenr4you.net"


alexkor | Post:356322 - Date: 11.03.12(20:46)
dedivan Пост: 356288 От 11.Mar.2012 (18:09)
МSN Пост: 356279 От 11.Mar.2012 (17:21)
И не будет


Нарисуй полную схему, с паразитными емкостями от акка на землю,
и ВВ импульсы обратного хода.
Криво- но будет чего то течь.
Обычная пионЭрская схема полученная методом тыка.
То есть автор вообще не понимает ничего в электронике- просто тыкает- "А , тепленькая пошла.."

Обратил внимание, что заземление нужно для этой схемы?


Работает и без заземления тоже.

Напруга ИП 1.1В, ток потребления 1-3мА, на выходе 20 вольт, с антенной/заземлением на выходе 40 вольт...

Фото/видео выложу позже...

_________________
Радиантное зарядное устройство- "www.radiant4you.net" Низкоэнергетические ядерные реакции- "www.lenr4you.net"


alexkor | Post:356342 - Date: 11.03.12(22:04)
Фото амплитуды на выходе в кондёре.

Пределы по току-20 мА, по амплитуде-200В, источник питания-минипальчик на 1.2В ёмкость 1100мАч.

При добавлении антенны/заземления амплитуда прыгает до 40-45В...


Размер: 424.69 KB

_________________
Радиантное зарядное устройство- "www.radiant4you.net" Низкоэнергетические ядерные реакции- "www.lenr4you.net"


street | Post:356385 - Date: 12.03.12(08:49)
alexkor Пост: 356342 От 11.Mar.2012 (22:04)

При добавлении антенны/заземления амплитуда прыгает до 40-45В...

Растёт спротивление цепи для тока обратного хода. Антенна\заземление суть есть последовательный контур. В целом затея понятна, использовать последовательный контур для увеличения напряжения питания индукивности при отсутствии должного напряжения в источнике. Реализация , имхо, ущербная.


Размер: 54.62 KB

_________________
Главное в мелочах


alexkor | Post:356392 - Date: 12.03.12(09:39)
street Пост: 356385 От 12.Mar.2012 (08:49)
alexkor Пост: 356342 От 11.Mar.2012 (22:04)

При добавлении антенны/заземления амплитуда прыгает до 40-45В...

Растёт спротивление цепи для тока обратного хода. Антенна\заземление суть есть последовательный контур. В целом затея понятна, использовать последовательный контур для увеличения напряжения питания индукивности при отсутствии должного напряжения в источнике. Реализация , имхо, ущербная.


Минус источника питания не связан с заземлением/антенной...


Размер: 19.35 KB

_________________
Радиантное зарядное устройство- "www.radiant4you.net" Низкоэнергетические ядерные реакции- "www.lenr4you.net"


<] [ 1 | ... 7 | 8 | 9 | 10 | 11 | 12 | 13 | 14 | 15 | 16 | 17 | 18 | 19 | 20 | 21 | 22 | 23 | 24 | 25 | 26 | 27 | ... | 47 ] [>
У Вас нет прав отвечать в этой теме.
Форум - Барахолка - Предложение - РЗУ. Особенности практического применения. - Стр 17
🏠 Главная | 📚 Содержание | 💬 Форум | 📁 Файлы | 📩 Контакт