[ВХОД]

27.03.26(21:37)

www.skif.biz

Альтернативная энергия. Оставь надежду, всяк сюда входящий...

🏠 Главная | 📚 Содержание | 💬 Форум | 📁 Файлы | 📩 Контакт

📱 | 🖨️

Форум - Магнитные генераторы - Генератор Хаббарда - Испытания генератора Хаббарда - Стр:148
<] [ 1 | ... 138 | 139 | 140 | 141 | 142 | 143 | 144 | 145 | 146 | 147 | 148 | 149 | 150 | 151 | 152 | 153 | 154 | 155 | 156 | 157 | 158 | ... | 201 ] [>
Модератор: Gecko
Первый пост темы: Gecko Post: #108 От:08.04.2004 (17:49)
Насчет отрицательных результатов - могу вас порадовать, я лично пробовал собрать генератор Хаббарда( Если кому-то интересно могу рассказать, что я брал, сколько витков мотал, в общем все числовые данные на эту тему. Для неверующих могу прислать фотку, он у меня еще где-то лежит smile ), так вот, он успешно не работает. Второй конденсатор для резонанса я не ставил, мне и так стало ясно, что не выйдет. Может, конечно, я что-то не так собрал, или материалы у меня не те были (сердечники, к примеру, надо какие-то особые или еще чего), не работает он у меня, и все тут !
Вам бы на форуме надо добавить раздел теоретических рассуждений,
для обсуждения общих принципов работы всех этих сверьединичных устройств, а так же принципов, из-за которых они не работают
sharp | Post:338247 - Date: 28.11.11(09:55)
Ваня, статейка интересная, как и все, что ты выкладываешь.
Она расширяет кругозор и становится понятно, что движение возможно везде, где есть градиент сил.
Есть несколько видов силового воздействия:
- механическое;
- за счет разности давлений;
- электрическое поле;
- магнитное поле;
- градиент температуры;
- гравитационные силы.
При этом, если происходит перемещение заряда (не важно какими силами, в т.ч. гравитационными) - получается электрический ток.

Но интересен и другой вариант, когда одни сили преодолеваются другими за счет одних лишь изменившихся условий.
Например, градиент гравитационных сил направлен вниз, а градиент электрического поля (130V/m, как указано в статье) - вверх.
Т.к. тело при обычных условиях электронейтрально, то градиент электрических сил взаимодействия на него не действует.
Изменение зарядовой составляющей тела может изменить обычный баланс сил.
Но как извернуться, чтобы не только не терять заряд, но и уменьшить действие его противоположной составляющей - нужно подумать.


Kunakh | Post:338266 - Date: 28.11.11(13:01)
sharp Пост: 338247 От 28.Nov.2011 (09:55)
При этом, если происходит перемещение заряда (не важно какими силами, в т.ч. гравитационными) - получается электрический ток.

Можно уточнить, перемещение заряда относительно чего?😨
Ведь можно взять проводник, жидкость и т.д. перемещать в пространстве и измерять разность потенциалов равную нулю.


sharp | Post:338289 - Date: 28.11.11(15:04)
Перемещение зарядов красочно описано в статье, что дал Иван: [ссылка]
Там даже несколько вариантов перемещений заряда.
Перемещение заряда имелось в виду относительно окружающего пространства, относительно наблюдателя, относительно неподвижной системы координат - любое перемещение заряда в пространстве является током.
Если не видим разность потенциалов, то это не значит, что тока нет.
Разность потенциалов - это условие для образования тока, но никак не индикатор присутствия тока.
Например, спускаешься с горы на велосипеде накатом с одной горки вниз, затем на вторую, опять вниз, затем на третью и опять вниз.
Велосипед движется - это ток.
Горка - это высокий потенциал, впадина - это низкий потенциал.
Вторая и третья горки одинаковой высоты - между ними разности потенциалов нет.
Но велосипед катится - ток есть.


Kunakh | Post:338317 - Date: 28.11.11(17:00)
Статью я смотрел уже два раза, люблю такие, где много с формулами и.. не о чем. Любая научная работа должна заканчиваться внедрением в производство, по карйней мере так за рубежом..
Опять спрошу:
- замкнули концы проводника измерителем, получили замкнутую цепь
- в проводнике есть заряды
- перемещаем проводник в пространстве
- все условия для протекания тока соблюдены

Вопрос: как нужно переместить в пространстве проводник относительно чего-либо (кроме магнитного и электрического поля) чтобы возник в нем электрический ток?


sharp | Post:338326 - Date: 28.11.11(17:24)
Любое перемещение заряда - это уже ток (в широком понимании этого процесса).
Ты же хочешь увидеть именно тот ток, который состоит из бегущих вдоль провода электронов... и только это, насколько я понимаю, называешь током.
Все остальное в расчет не берешь.
Ну, твое право.

Есть заряженный конденсатор, к которому подсоединяем провод.
Заряд побежал от одной пластины к другой.
Цепь незамкнута - между пластинами конденсатора диэлектрик.
Но ток идет, не так ли? И вопросов по этому поводу не возникает...

Вращаем массивный металлический диск.
Между осью и ободом есть ток.
Цепь замкнута через измеритель, происходит перемещение проводника в пространстве, но ток есть.
В этих случаях вопросов не возникает?

Эффект Холла - ток в боковом направлении, а не вдоль провода.
Не смущает?

Чем же тонущие в расплаве под действием гравитационного поля Земли заряженные частицы (с большей плотностью) хуже, чем электроны, которые сносит магнитным полем при эффекте Холла?


Kunakh | Post:338387 - Date: 28.11.11(22:18)
Вопрос был
как нужно переместить в пространстве проводник относительно чего-либо (кроме магнитного и электрического поля) чтобы возник в нем электрический ток?

Вернемся к Хаббарду.
Мне вот все сдается, что генератор Хаббарда имеет общий принцип с девайсом Coler Konverter. Говорят про эффект Barkhausena.
Возможно стержни в генераторе Хаббарда были не из обычной трансформаторной стали, а из AlNiCo ?


Ivan | Post:338442 - Date: 29.11.11(06:02)
sharp Пост: 338247 От 28.Nov.2011 (09:55)
Но как извернуться, чтобы не только не терять заряд, но и уменьшить действие его противоположной составляющей - нужно подумать.

На этот конкретный вопрос- конкретный ответ: к примеру- электростатическим наведением,которое работает против градиента давления или гравитации. Напомню ещё раз опыт Квинке, для примера. Более общий ответ: нужно «скрестить» 2-3 различных физических процесса- в один, причём один из этих процессов должен быть линейным, а другой- нелинейным. Третий процесс должен при этом получать энергию, ускоряя два инициирующих процесса, т.е.- сьём тоже должен быть по принципу резонанса...

_________________
Наука – это несомненное сумасшествие, занятое классификацией своих собственных галлюцинаций. Поэтому не удивительно, что люди науки отвергают исследования, которые считают чужими галлюцинациями. Амиель



shkaf | Post:338448 - Date: 29.11.11(07:44)
вот это хадард !!
YouTube: Смотреть видео

_________________
На Бога уповаем. http://www.skif.biz/files/e5a7f3.jpg



sharp | Post:338457 - Date: 29.11.11(09:28)
/!!!

p.s. Во, бля, а ведь у Гребня была платформа... и содрал он ее у жука...


artemiy-z | Post:338533 - Date: 30.11.11(09:53)
The Beta Voltaic Effect

Alfred M. HUBBARD Coil Generator

Можно ли заменить центральный слабо радиактивный стержень скажем антеной метров на 50 или 100.

Резонансное Ядерный реактор использует U-238. Не "свободной"энергии, поскольку она использует U-238 в качестве источника питания.

In this case (far from optimal), there is 12.5g of fuel present, and the output power is about 11.2 watts. The scondary circuit is somewhat mis-tuned to prevent a runaway reaction.

A phenomenon known as the "Beta Voltaic Effect" is used to directly convert radioactive decay energy into electricity without going through a thermal cycle. The great attraction of isotopic power supplies is that radioactive decay energy is several orders of magnitude greater than chemical energy.


Размер: 45.41 KB


Размер: 71.00 KB


Размер: 38.85 KB


Размер: 18.58 KB


Черепаха | Post:338738 - Date: 01.12.11(23:12)
может у Хаббарда использовалась в основе радиантная энергия,порожденные ею электроны уже через катушки на сток(заземление), или как у Грея на клему аккумулятора.Тогда распределитель зажигания с его искрами сюда укладывается каки одножильный толстый провод,причем заметте,катушки зажигания раньше небыли автотрансформаторами(1-ка и 2-ка отдельно)


mult | Post:338801 - Date: 02.12.11(10:55)
😨


Виталя | Post:338834 - Date: 02.12.11(13:20)
mult Пост: 338801 От 02.Dec.2011 (10:55)
😨
😊😊😊

_________________
С ув. Виталий.



shkaf | Post:338970 - Date: 03.12.11(09:48)
как только услышите слово радиант лучше сразу подальше держаться от всего что к этому слову будет прилогаться дальше...!!

_________________
На Бога уповаем. http://www.skif.biz/files/e5a7f3.jpg



s_chechel | Post:338971 - Date: 03.12.11(10:23)
shkaf Пост: 338970 От 03.Dec.2011 (09:48)
как только услышите слово радиант лучше сразу подальше держаться от всего что к этому слову будет прилогаться дальше...!!

Правильно. А в каждой катушке сидит по одному негру и все это раскачивают.


mult | Post:339124 - Date: 04.12.11(10:35)
Всем-здрасьте! Я уже давно читаю и перечитываю форумы, но пока результата в понимании принципа работы Хаббарда-нет!😕 Если у кого есть ответы на мои вопросы-пожалуйста просветите меня! Буду признателен!
1. Большой Хаббард,что стоял на лодке был с трамблёром, а маленький-первый-на фото с лампочкой, где Хаббард за него держится с чем?!
2.Центральная катушка (как говорил сам Хаббард!)-сколько обмоток 1,2,3?
3. В лодке,при демонстрации, АКБ был? или остался на берегу? 😨


s_chechel | Post:339125 - Date: 04.12.11(10:40)
mult Пост: 339124 От 04.Dec.2011 (10:35)
Всем-здрасьте! Я уже давно читаю и перечитываю форумы, но пока результата в понимании принципа работы Хаббарда-нет!😕 Если у кого есть ответы на мои вопросы-пожалуйста просветите меня! Буду признателен!
1. Большой Хаббард,что стоял на лодке был с трамблёром, а маленький-первый-на фото с лампочкой, где Хаббард за него держится с чем?!
2.Центральная катушка (как говорил сам Хаббард!)-сколько обмоток 1,2,3?
3. В лодке,при демонстрации, АКБ был? или остался на берегу? 😨

1. Трамблер, стрелка. На столе стоит только сам транс, а остального не видно.
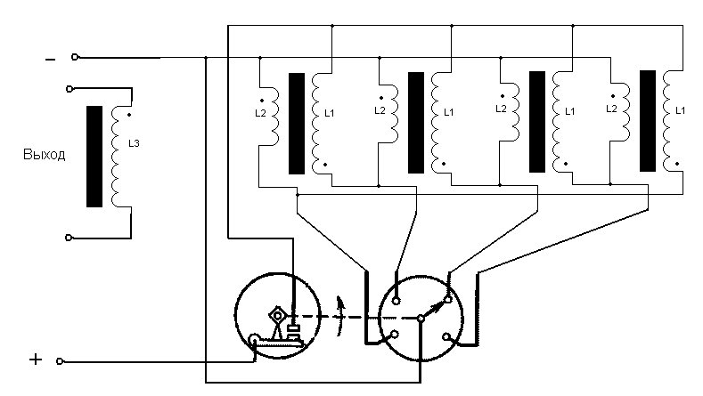
2. А это уже зависит от того, какой принцип работы придумаешь - 1 или 2. Если отталкиваться от структурной схемы Хаббарда, то на центральной 2 катушки.
3. Согласно описания АКБ остался на берегу. Служит только для запуска.


mult | Post:340327 - Date: 12.12.11(10:53)
Всем здрасьте! Кто-нибудь знает у Ильдуса на мех.варианте сколько контактов в трамблере,или он умолчал об этом? Он перестал консультировать? У меня(в теории) ну никак не получается всё организовать с одной парой контактов😀
У кого-нибудь,на сегодняшний день,есть хоть какие положительные результаты? Порадуйте Мультика!А то оптимизма маловато😕


s_chechel | Post:340329 - Date: 12.12.11(11:04)
mult Пост: 340327 От 12.Dec.2011 (10:53)
Всем здрасьте! Кто-нибудь знает у Ильдуса на мех.варианте сколько контактов в трамблере,или он умолчал об этом? Он перестал консультировать? У меня(в теории) ну никак не получается всё организовать с одной парой контактов😀

Схему он отдал, но вот о временных диаграммах умолчал. Но точно знаем что трамблер дорабатывался.
Я механическим не особо занимался. Но мостик замыкал обмотку, что бы удержать магнитный поток. Те зазора небыло. И возможно замыкал все катушки, кроме одной. Так покрайне мере магнитный поток не улизнет по пути наименьшего сопротивления. Да и сложно его настраивать. Со скурпулезной точностью прийдется подбирать индуктивность иначе не сможешь настроить катушки в резонанс.


mult | Post:340330 - Date: 12.12.11(11:11)
"Схему он отдал" ХДЕ???😳
Дайте хоть одним глазком!!!!


mult | Post:340334 - Date: 12.12.11(11:26)
Это точно его схема? Счас покумекаю-у меня немного похоже😨


Vexx | Post:340351 - Date: 12.12.11(17:19)
а в общий доступ будет? или только в личку? Хотелось бы взглянуть.

С уважением.


ПОЯRKOFF | Post:340354 - Date: 12.12.11(17:28)
дайтеж всем посмотреть....

_________________
****Если пред тобою великая цель, а возможности твои ограничены, — все равно действуй; ибо только через действие могут возрасти твои возможности.**** С Уважением Сергей



mult | Post:340378 - Date: 12.12.11(20:09)
Да ента схема уже была где-то здесь! Не будет она...😕


Размер: 8.87 KB


Ekaterina | Post:345395 - Date: 11.01.12(18:49)
ВСЕМ привет , ТАКОЙ ВОПРОС НА ФОТО С ЛОДКОЙ КАБЕЛИ ОТ ГЕНЕРАТОРА ИДУТ К НОСУ ЛОДКИ-ЧТО ТАМ ?????


<] [ 1 | ... 138 | 139 | 140 | 141 | 142 | 143 | 144 | 145 | 146 | 147 | 148 | 149 | 150 | 151 | 152 | 153 | 154 | 155 | 156 | 157 | 158 | ... | 201 ] [>
У Вас нет прав отвечать в этой теме.
Форум - Магнитные генераторы - Генератор Хаббарда - Испытания генератора Хаббарда - Стр 148
🏠 Главная | 📚 Содержание | 💬 Форум | 📁 Файлы | 📩 Контакт