[ВХОД]

ЛИЧНЫЕ СООБЩЕНИЯ 📝
МОЯ АНКЕТА 📋
ВЫЙТИ 🚪

🏠 Главная | 📚 Содержание | 💬 Форум | 📁 Файлы | 📩 Контакт

📱 | 🖨️

Форум - Магнитные генераторы - Магнитные генераторы - Генератор на отрицательной индуктивности - Стр:11
<] [ 1 | 2 | 3 | 4 | 5 | 6 | 7 | 8 | 9 | 10 | 11 | 12 | 13 | 14 | 15 | 16 | 17 | 18 | 19 | 20 | 21 | ... | 30 ] [>
Модератор: dedivan
Первый пост темы: dedivan Post: #329601 От:03.10.2011 (07:22)
Для начала договоримся что мы будем называть отрицательной индуктивностью.

Всем известно что при приложении постоянного напряжения к катушке индуктивности
через нее начинает НАРАСТАТЬ ток от нуля и со скоростью обратно пропорциональной
физической индуктивности этой катушки.
Это положительная индуктивность.
В отрицательной - наоборот- ток УБЫВАЕТ на протяжении какого то периода времени
при постоянном приложенном напряжении..
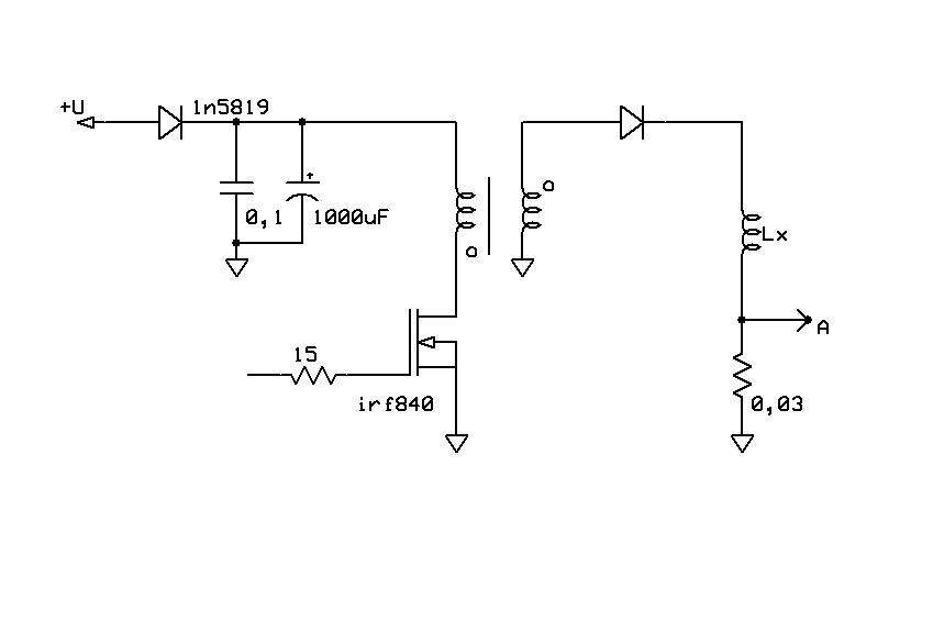
vasik | Post: #332929 - Date: 22.10.11(22:23)
сформировать короткий импульс довольно трудно
можно попробовать вот такую схему
здесь не так критичны параметры транзистора и управления но "узкое место" диод
легко получается импульс тока 100A длинной несколько десятков наносекунд
для экономии можно также сделать "рекуперацию" - нижний вывод катушки не заземлять а подключить к + питания



Размер: 24.60 KB

[ответить][с цитатой]
andy8mm | Post: #332934 - Date: 22.10.11(22:34)
Лтспайс кто пользует?
Выкладывайте файлики *.asc для изучения.

[ответить][с цитатой]
vasik | Post: #332948 - Date: 22.10.11(23:13)
andy8mm Пост: #332934 От 22.Oct.2011 (23:34)
Лтспайс кто пользует?
Выкладывайте файлики *.asc для изучения.


вот например моделька - генератор на нелинейной индуктивности
;-)


441a9d.rar
Размер: 735 Bytes


Размер: 288.33 KB

[ответить][с цитатой] - Правка 22.10.11(20:13) - vasik
Pavel1 | Post: #332959 - Date: 22.10.11(23:45)
Владимир_64 Пост: #329628 От 03.Oct.2011 (11:15)
dedivan Пост: #329625 От 03.Oct.2011 (11:09)
...Именно поэтому нам не подходит дешевое железо, там в основном все в тепло уходит,хотя вращается все медленнее , проще схемотехника.

Значит ли это, что на железе возможен обогреватель на неготушке?


Мозги погрей себе!!!На глупые вопросы ответов не даем!




[ответить][с цитатой] - Правка 23.10.11(06:36) - dedivan
6464 | Post: #332976 - Date: 23.10.11(01:39)
Какое место в ряду твердое- жидкость, жидкость-газ, газ-плазма фазовых переходов по "удельной энергоемкости" занимает спиновый фп?

_________________
Сложно сделать- задачка простая. Просто сделать- задачка сложная.


[ответить][с цитатой]
shkaf | Post: #332987 - Date: 23.10.11(09:02)
street Пост: #332887 От 22.Oct.2011 (18:44)
мы не про то что существует а про то без чего можно преспокойненько обойтись


А сказал я это к тому , что ЗНАК имеет значение.

да лаадно..нука приборчиком померей и найди ка разницу между источником -5 вольт и +5 вольт. И +5 вольт и +15 вольт ???
Ты нашел в радиолампе носители с другим знаком (-) а почему их матушка природа не приготовила для тебя ???
Тут надо на носитель зярядов смотреть иначе.. по простому, как на теплоноситель в теплотехнике.. либо теплоноситель есть, либо его нет.
Ведь сами заряды без внешнего переноса не поползут по нашей прихоти. Все остальное искуственые интерпритации.

_________________
На Бога уповаем. http://www.skif.biz/files/e5a7f3.jpg


[ответить][с цитатой]
dedivan | Post: #332990 - Date: 23.10.11(09:34)
6464 Пост: #332976 От 23.Oct.2011 (02:39)
Какое место занимает спиновый фп?

Погугли- никакого.
Но энергоемкость все равно есть.
[ссылка]

_________________
я плохого не посоветую


[ответить][с цитатой]
dedivan | Post: #332991 - Date: 23.10.11(09:49)
vasik Пост: #332929 От 22.Oct.2011 (23:23)
можно попробовать вот такую схему


Эту схему обязательно пробовать надо, для наглядности действия
индуктивности кусочка провода, о которой обычно даже и не думают.

_________________
я плохого не посоветую


[ответить][с цитатой]
vasik | Post: #332997 - Date: 23.10.11(11:20)
вот еще интересная модель - реальная катушка с гистерезисом и насыщением

коротеньнький импульс тока в начале действительно заряд емкости катушки
😕

bb9a9b.rar
Размер: 577 Bytes


Размер: 238.58 KB


Размер: 309.56 KB

[ответить][с цитатой] - Правка 23.10.11(08:21) - vasik
vasik | Post: #332998 - Date: 23.10.11(11:33)
может не в тему
но очень интересная модель - Flyback на реальном сердечнике
(без экспериментов можно узнать много интересного)

ce4030.rar
Размер: 1009 Bytes


Размер: 562.49 KB

[ответить][с цитатой] - Правка 23.10.11(08:33) - vasik
andy8mm | Post: #333000 - Date: 23.10.11(11:52)
vasik, давай пройдем по заданию дедушки?
К от 0,990 просмотрим вверх 0,991-0,992...
Потом вниз пройдемся.
У тебя что-то получается видать?
Можно живьем в тим-спике или скайпе поговорить.
Иначе закопаемся каждый в свое и не научимся,
а тут мастер-класс от самого ДедаВани!!!

Номерок поста красивый, чуток пропиарю дедову науку:
Букварик-3.
[ссылка]

[ответить][с цитатой] - Правка 23.10.11(09:38) - andy8mm
vasik | Post: #333001 - Date: 23.10.11(11:57)
andy8mm Пост: #333000 От 23.Oct.2011 (12:52)
vasik, давай пройдем по заданию дедушки?
К от 0,990 просмотрим вверх 0,991-0,992...
Потом вниз пройдемся.
У тебя что-то получается видать?
Можно живьем в тим-спике или скайпе поговорить.
Иначе закопаемся каждый в свое и не научимся,
а тут мастер-класс от самого ДедаВани!!!


что такое K ?
я не против сделать по шагам...но пока как то Деда со мной разговаривать не хочет, на вопросы прямо не отвечает.
Про шаги тоже не расказал,
ищите говорит, отсюда и до обеда 😀
может я конечно пропустил что то...



[ответить][с цитатой]
andy8mm | Post: #333002 - Date: 23.10.11(12:05)
Дед направление показывает, а жевать самим надо.
На картинке К(коэффициент связи между индуктивностями L1 и L2)
от 0,991 до 0,999.
На графике шаг 10нансек вся ось 100нан.
Ток от 1,5 до -1,5 Ампера шаг 300милиАмпер(mA).
Как совместить продольный и обычный резонансы в катушке.

К=0,991
Размер: 30.49 KB

К=0,992
Размер: 32.22 KB

К=0,993
Размер: 29.90 KB

К=0,994
Размер: 31.39 KB

К=0,995
Размер: 32.04 KB

К=0,996
Размер: 31.03 KB

К=0,997
Размер: 28.48 KB

К=0,998
Размер: 27.09 KB

К=0,999
Размер: 25.58 KB

К=0,990
Размер: 32.20 KB

[ответить][с цитатой] - Правка 23.10.11(12:17) - andy8mm
vasik | Post: #333003 - Date: 23.10.11(12:24)
andy8mm Пост: #333002 От 23.Oct.2011 (13:05)
Дед направление показывает, а жевать самим надо.
На картинке к=0,991 на графике шаг 10нансек вся ось 100нан.


ясно, K коэффициент связи
две встречно включенные катушки
ты хочешь модель проанализировать для K=0.990-0.999 или в реальности попробовать ?


[ответить][с цитатой]
dedivan | Post: #333004 - Date: 23.10.11(12:27)
vasik Пост: #333001 От 23.Oct.2011 (12:57)
может я конечно пропустил что то...


Скорее всего да.
Это не имеет прямого отношения к данной теме.
Это задачка про то как совместить продольный и обычный резонансы
в катушке.
Длина провода катушки постоянна - продольный резонанс тоже.
А вот обычный LC резонанс всегда ниже, как его поднять
наглядно видно из картинок Энди.

_________________
я плохого не посоветую


[ответить][с цитатой]
vasik | Post: #333008 - Date: 23.10.11(12:41)
dedivan Пост: #333004 От 23.Oct.2011 (13:27)
vasik Пост: #333001 От 23.Oct.2011 (12:57)
может я конечно пропустил что то...


Скорее всего да.
Это не имеет прямого отношения к данной теме.
Это задачка про то как совместить продольный и обычный резонансы
в катушке.
Длина провода катушки постоянна - продольный резонанс тоже.
А вот обычный LC резонанс всегда ниже, как его поднять
наглядно видно из картинок Энди.

согласен, идея классная



[ответить][с цитатой]
Achiever | Post: #333014 - Date: 23.10.11(13:21)
На бумаге все красиво,а что на практике? Нам нужно утилизировать энергию колебаний, но как это сделать без изменения в худшую сторону того,что у нас на бумаге7

[ответить][с цитатой]
toptamburg | Post: #333029 - Date: 23.10.11(16:00)
Занятно,такого ещё не встречал...
Но как реализовать практически при достаточно большой длине проводника?
Допустим,полоску фольги найду,но как сворачивать в трубочку?

_________________
"Монстры в технике - от скудности ума."


[ответить][с цитатой]
shkaf | Post: #333039 - Date: 23.10.11(17:44)
получается продолный резонанс КК это последовательный резонанс прямого проводника (последовательны кк) ? с чем его еще совмещать ??? тогда уж брать сразу четверть волновый отрезок провода 2.5 метра и заводит генератора на 30 мгц. и что там будет сверхинтересного ? все резонансы на одной частоте.

_________________
На Бога уповаем. http://www.skif.biz/files/e5a7f3.jpg


[ответить][с цитатой]
vs55 | Post: #333057 - Date: 23.10.11(20:16)
берём две трубы паралельных меж ними прутик и мотаем на одной виток на другой два восьмёркой потом на первую1, но на второй там где два их они через один в разном направлении провод наматываеться в итоге две катушки одним проводом одна безиндукционная. т.е. просто в ней сразу же компенисируеться мп.
получаеться равномерный по витковый процесс пробежали виток давлением подождали волнудогнала пробежали ещё виток. диаметр первой и второй регулирует некратность соотношения чакстот. если кратность надо 3 то равные. можно и упростоить плетение.
можно и в 6 раз больше провода сделать если прокатит такая схема.
1 рисунок схематично второй как вокруг прутика проводочек обвернуть. каждый виток разным цветом
дедиван вариант? а то больше года хотел показать спросить да чтото не случалось к теме вернуться этой.


Размер: 50.46 KB


Размер: 53.55 KB

[ответить][с цитатой] - Правка 23.10.11(19:28) - vs55
Буратино | Post: #333073 - Date: 23.10.11(21:31)
TOP :
Делаешь по одному витку и подключаешь их последовательно.😊
Смотри только, гравицаппу не сделай😀
image

И что в итоге?

[ответить][с цитатой]
Achiever | Post: #333087 - Date: 23.10.11(22:42)
TOP Пост: #333074 От 23.Oct.2011 (22:34)
В итоге как всегда только пустая высокотеоретическая болтовня и никаких пратических результатов.

Думаю, что угадал.
Дык это, господин хороший, а у вас-то не то же самое?:)

[ответить][с цитатой]
dedivan | Post: #333150 - Date: 24.10.11(10:24)
Надо чистить тут все.
Кто не спрятался- я не виноват.😕

_________________
я плохого не посоветую


[ответить][с цитатой]
dedivan | Post: #333165 - Date: 24.10.11(13:12)
vs55 Пост: #333057 От 23.Oct.2011 (21:16)
можно и в 6 раз больше провода сделать если прокатит такая схема.

И больше можно.
Корзинки видел как плетут?
Тоже типа безиндукционная намотка.
И у таиланских стражников посохи сплетены как корзинки.
Вищь сколько совпадений?

_________________
я плохого не посоветую


[ответить][с цитатой]
vs55 | Post: #333167 - Date: 24.10.11(13:19)
можно. просто так эксперементаторам ненавязчив предложил посмотреть что буит када две волны в один проход фронта давления уложаться. ну и прост технологичный относительно простой компактыный и прочный пытался предложить. ну а поля в той что слева сонаправить в таком варианте то же просто.
сомения вот в чём мы получаеться давление притормаживаеться. оно квантуеться как бы но равномерно по длине катушки. это самой затее не мешает?

[ответить][с цитатой] - Правка 24.10.11(11:10) - vs55
<] [ 1 | 2 | 3 | 4 | 5 | 6 | 7 | 8 | 9 | 10 | 11 | 12 | 13 | 14 | 15 | 16 | 17 | 18 | 19 | 20 | 21 | ... | 30 ] [>

Форма ответа

😊 😛 😕 😀 😬 😎 🤔 😘 😕 🥴 😏 😶 😡 🙄 😭 😈 🤢 🤮 😁 😨 🤬 😝
Добавить файл: ≤ 1.95 MB
Описание файла:
Можно загружать только - jpg, jpeg, png, gif, pdf, doc, docx, zip
Если картинка больше чем 600х600, то отобразится ссылкой.
Форум - Магнитные генераторы - Магнитные генераторы - Генератор на отрицательной индуктивности - Стр 11

🏠 Главная | 📚 Содержание | 💬 Форум | 📁 Файлы | 📩 Контакт