[ВХОД]

31.03.26(03:25)

www.skif.biz

Альтернативная энергия. Оставь надежду, всяк сюда входящий...

🏠 Главная | 📚 Содержание | 💬 Форум | 📁 Файлы | 📩 Контакт

📱 | 🖨️

Форум - Магнитные генераторы - Магнитные генераторы - Генератор на отрицательной индуктивности - Стр:10
<] [ 1 | 2 | 3 | 4 | 5 | 6 | 7 | 8 | 9 | 10 | 11 | 12 | 13 | 14 | 15 | 16 | 17 | 18 | 19 | 20 | ... | 30 ] [>
Модератор: dedivan
Первый пост темы: dedivan Post: #329601 От:03.10.2011 (07:22)
Для начала договоримся что мы будем называть отрицательной индуктивностью.

Всем известно что при приложении постоянного напряжения к катушке индуктивности
через нее начинает НАРАСТАТЬ ток от нуля и со скоростью обратно пропорциональной
физической индуктивности этой катушки.
Это положительная индуктивность.
В отрицательной - наоборот- ток УБЫВАЕТ на протяжении какого то периода времени
при постоянном приложенном напряжении..
Буратино | Post:332687 - Date: 21.10.11(13:00)
dedivan Пост: 332679 От 21.Oct.2011 (12:41)
Дед - человек. Просто больше знает.
И знает что в данном случае это тебе не поможет.

Не надо оправдываться! Жадина😎
Мне поможет тот совет что дал Человек, который знает меньше тебя😕
Мне ж точно не надо. у меня есть несколько магнитов. среди них есть не такой сильный, скажем с усилием в килограмм. Вот при помощи его и соерентируюсь. Тебе здоровья крепкого. Обиды на тебя не держу

medved | Post:332691 - Date: 21.10.11(13:26)
Eptv-332685, ай-ай-ай,
да есть на свете три пути Верь, Надейся и Люби,
Но есть ещё четвёртый Путь - хрен забей и всё забудь.

Вот ведь как в жизни не справедливо, устроено
Вроде бы многие рождаются и живут в одинаковых условиях,
Одни и те же учителя их учат и по одним и тем же учебникам.
А результаты ой какие разные получаются.
С чего бы это, кое-что и от самого наверное очень и очень зависит.

Дарение для всех одинаковое осуществляется,
а вот подарки каждый получает свои.
А если по-примитивному - неча на зеркало пенять, коли … крива

Все мы люди живые и хочется конечно быстрых результатов,
А поэтому легко находим псевдовиноватых.

И я бывает на дедушку серчаю, но зато не скучаю и грязью его не обливаю.
Право на малые ошибки или неточности простительные, я думаю все должны иметь, а муссирующих и раздувающих всё это абсолютно не красит и глаза им застит.

Нужно уметь отпускать ситуации, тогда мир сам разворачивается и предлагает хорошие варианты решений.

На истину в последней инстанции не претендую, а просто так ворчу я.


shkaf | Post:332716 - Date: 21.10.11(17:40)
генератор на отстаюшей-"отрицательной" индуктивности

vasik | Post: 332271 - Date: 19.10 (05:33)

так же оказалось что если изменить схему и соединять "кольца" паралельно то "выброс" увеличивается.
таким образом появляется реальная возможность значительно увеличить эффект
------------------------------------------------------------------

следовательно можно подпаралелить несколько магнитопроводоф(ферритовых колец) разного диаметра т е с разным времением запаздывания. ток по первичному проводнику намагничивания будет все вмемя уменьшаться пока не прореагируют все паралельные сердечники пусть их будет 10 штук. А снимать с каждого магнитопровода отдельной катушечкой через диодик на обшую нагрузку.. в итоге за один импульс получим пачку из 10 импульсов по количеству колец.

_________________
На Бога уповаем. http://www.skif.biz/files/e5a7f3.jpg


dedivan | Post:332719 - Date: 21.10.11(17:55)
Отсутствие отрицательной индуктивности- это отсутствие фазового перехода.
Ла, в самом фазовом перехооде излишков нет.
Как в водяном паре= сколько потратил на испарение- столько он и отдаст при конденсации.
Спрашивается- а зачем тогда паровозу нужен пар?
Может без него тоже можно?

_________________
я плохого не посоветую


shkaf | Post:332721 - Date: 21.10.11(17:57)
дедиван я не про излишки пока.. просто про режим генераци вообще, чтоб генерировать не одиночный импульс а как минимум несколько периодов.. дальше видно будет.
что тут можно наловить ??... в отрезок времени запаздывания реакции магнитопровода можно пользоваться током для любых нужд и процессов которые занимают меньше времени чем время существования отрицательной индуктивноти.. в итоге мы выполняем какую то полезную работу большим током скажем заряжаем большой конденсатор и плюс ко всему получаем к концу этого времени намагниченый магнитопровод! Вот он уже будет намагничен впринципе нахаляву, и заряженый конденсатор.
В итоге импульсом энергию перекачали без потерь(индуктивность голого провода никто не отменял) в конденсатор и плюс получили даром намагниченый магнитопровод, сложили вместе и получили чуток больше чем было.
У тебя иной взгляд на процес ??
===========================================================
dedivan
Спрашивается- а зачем тогда паровозу нужен пар?
Может без него тоже можно?
===========================================================
а зачем нам намагниченый магнитопровод ?? не портреты же с него писать! конечно будем ехать не нем, как пар толкает паровоз, да еще и руки можно погреть об котел.


пр
Размер: 3.38 KB

прр
Размер: 14.34 KB

_________________
На Бога уповаем. http://www.skif.biz/files/e5a7f3.jpg


Владимир_64 | Post:332724 - Date: 21.10.11(18:10)
dedivan Пост: 332719 От 21.Oct.2011 (18:55)
...Спрашивается- а зачем тогда паровозу нужен пар?

ИМХО все дело в способности расширяться, пар может расширяться по Бойлю-Мариотту, а вода нет.
А работа, что воды, что пара - это всегда изменение объема.

-om- | Post:332734 - Date: 21.10.11(19:12)
Я услышал слова ДедаИвана, но не понял смысла: что из этого можно "вытащить"? Не глубоко покапавшись в инете наткнулся на приложенный документ.
Цитата из документа:....при переходах второго рода должен наблюдаться скачок теплоемкости вещества, но не должно быть скрытой теплоты. Поскольку при Т < То фаза II абсолютно неустойчива относительно малых флуктуаций и то же относится к фазе I при Т > То, то при переходах второго рода не должны наблюдаться ни перегрев, ни переохлаждение, то есть отсутствует температурный гистерезис точки фазового перехода...
Этот же эффект упоминается и в других источниках.
62740a.pdf
Размер: 132.59 KB

bazarov | Post:332784 - Date: 22.10.11(03:05)
http://www.skif.biz/index.php?name=Forums&file=viewtopic&p=330566#330566

Загадка. Если в видео всё верно и фокусник за кадром не стоит, то как объяснить сдледующий опыт?
YouTube: Смотреть видео


Поясню. При заряде Лейденской банки принято считать что на обкладках конденсатора есть отрицательный и положительный заряд. Тогда при вытаскивании банки на наружной стороне заряд имеет одинаковый заряд что и видно на рисунке. Но с шарами глюк 😕 .

У кого есть умные мнения?

Всё сходится к тому что нет положительных и отрицательных зарядов, а есть разность некого колличества зарядов. А разница (разность потенциалов) в книгах обзывается напряжением. Может мы просто не поняли того что намеряли древние греки? Как подумаю что мы отстаём на пару тыщ лет .... ужос 😕 .
??
??
Размер: 3.99 KB

_________________
Не хватит никакого здоровья, чтобы приспособиться к этому глубоко больному обществу(Кришна Мурти)/Горшки не Боги обжигают (многовековая классика)


toptamburg | Post:332791 - Date: 22.10.11(06:46)
bazarov Пост: 332784 От 22.Oct.2011 (04:05)

...Но с шарами глюк.
Всё сходится к тому что нет положительных и отрицательных зарядов...


А их и нет.
На шарах.
На них одни "минусы", а "плюсы" остались на шерстяной тряпочке 😊

_________________
"Монстры в технике - от скудности ума."


shkaf | Post:332792 - Date: 22.10.11(06:49)
успокойся базарыч...не парься за греков.. вспомни постоянный магнит.. в нем есть южный и северный полюс синий и красный конец магнитного бруска. сколько бы ты не распиливал синею или красную часть постояного магнита на меньшие половинки с целью получить всего один полюс в итоге любая отрезаная половинка будет иметь два полюса и север и юг.
заряды можно перенести с одного на другое, заряд либо есть либо нет.. меньше фонового значит будет виртуальный минус... больше фонового значит плюс НО ПО ОТНОШЕНИЮ К МИНУСУ... выше уровня моря, ниже уровня моря и т д.
Вот вспомни радиолампу.. почему в ней пользуют отрицательные носители зарядов ?? и совсем забыли про положительные 😀 а был ли мальчик ??? Пойди поищи источник положительных зарядов да с такой же простотой как отрицательных !! А самое главное зачем оно вообще надо ??
вОТ в цифровой электронике есть "0" и "1" ЕДЕНИЧКА ЭТО +5 ВОЛЬТ а нолик просто НОЛЬ ВОЛЬТ. заметь не -5 вольт а просто 0. Т е важна только разность между уровнями, а не знаки.

_________________
На Бога уповаем. http://www.skif.biz/files/e5a7f3.jpg


street | Post:332796 - Date: 22.10.11(08:13)
Существуют и троичные системы и машины на них. Там знаки тож учавствуют.
А то , что оные не массовые... Так то уже вопросы бизнесу.
В своё время был разговор у крупных производителей видеомагнитофонов.
Какие лепить для массового рынка?...
Бетакам был лучше по качеству , а VHS - дешевле. А теперь так и вообще DVD.


_________________
Главное в мелочах


street | Post:332798 - Date: 22.10.11(08:22)


Всё сходится к тому что нет положительных и отрицательных зарядов, а есть разность некого колличества зарядов.

А если нет зарядов , то тогда не нужны и их носители... электроны , ионы и прочая..
И это количество необходимо исключительно для оценки силы, действующей в некоторой области объёма. Особенности мышления. Иначе будет частое попадание в ситуацию муха - стекло.

_________________
Главное в мелочах


tera | Post:332810 - Date: 22.10.11(11:27)
bazarov | Post: 332784 Во первых надо зарубить себе на носу. Что все явления в мире это граничный слой между средами. Будь то два атома или диэлектрик и металл.
Второе все это объяснимо с позиции вихрей. Возьми полоску и сверни ее. Поток бежит от точки в бесконечность это мужской аспект. От бесконечности к точке женский. В зависимости от направления вращение вихря относительно основной оси пространства и есть поляризация.
Все больше ничего.
Если взяли обычную катушку и говорим магнитное поле внутри катушки есть. А баба яга говорит что нет. Ибо внесли датчик измерения и поменяли структуру пространства. Тому опыт лейденской банки.



Размер: 18.91 KB

_________________
“Я есмь и путь, и истина, и жизнь. Никто не приходит к Отцу иначе, кроме как через Я”


dedivan | Post:332831 - Date: 22.10.11(12:31)
Владимир_64 Пост: 332724 От 21.Oct.2011 (19:10)
А работа, что воды, что пара - это всегда изменение объема.


Вот такой простой ответ показывает, что полезная работа лежит
совсем в другой стороне.
Не надо ее искать в теплоте испарения и конденсации.

То же самое и с намагничиванием- не надо искать под фонарем,
что потратили при намагничиваниее- то и вернется.

_________________
я плохого не посоветую


airman | Post:332838 - Date: 22.10.11(13:40)
Дед Иван выбора не оставил - только экспериментировать, и вот сегодня я наконец то доделал драйвер и "генерилку" импульсов для шайтан-разрядника. Трансформатор высоковольтный сделать мне пока слабо - там очень все скурпулёзно нужно выполнять и изолировать, а вот поискать материал "с большой отрицательной индуктивностью" 😀 думаю могу. Кроме драйвера есть осцил до 10МГц одноканальный (увижу ли что нужно...). Теперь у меня вопросы
- что меряем кроме ферритовых колец и кусков металлической трубы?
- должно ли это быть обязательно кольцо?
- виток делать обычный или бифилярный?

andy8mm | Post:332840 - Date: 22.10.11(13:46)
bazarov,
Всё сходится к тому что нет положительных и отрицательных зарядов
дед рассказал об опыте - повороте пластинок в магнитном поле от РАЗНЫХ зарядов. Назови как хочешь - мама и папа - главное их ПАРА(двое и оба разные). Ваня, чудишь? Бахатыря лучше тыркни...😬

andy8mm | Post:332841 - Date: 22.10.11(13:47)
dedivan ,
1. Почему электрон при изменении своего размера не меняет величину своего заряда?

street | Post:332852 - Date: 22.10.11(14:50)
Потому , что он при этом излучает. Меняется напряжённость.
Которую мы потом видим... буквально.
Имхо.

_________________
Главное в мелочах


bazarov | Post:332856 - Date: 22.10.11(14:56)
- главное их ПАРА

К сожалению элементарный анализ показывает что пар не может быть по определению. Тогда в одной точке скапливались бы минусы а в другой плюсы. Да и как ты себе представляешь чётную вселенную? И заряд не может быть в виде шариков. По классике заряд хорошо истекает из острия иглы а с шара плохо, а может заряд не истекает из иглы а втекает? Точнее втекает противоположеность заряду. Если есть разность потенциалов то и имеется напряжение, порождающее искры и падение мощности. С зарядом на острие иглы тоже самое. По условию что на иголке плюс то заряд должен на неё втекать а не истекать.

Может и вправду на Бохатыря поохотитца 😀?....

_________________
Не хватит никакого здоровья, чтобы приспособиться к этому глубоко больному обществу(Кришна Мурти)/Горшки не Боги обжигают (многовековая классика)


street | Post:332865 - Date: 22.10.11(15:38)
И заряд не может быть в виде шариков.

Базарыч , заряд - это просто количественная оценка.
Попростому - ценник.
Вот смотри:....

Летит муха в окно , а там стекло... Муха про стекло ни сном ни духом. Для неё это просто аномалия...
Дальше сам или разжевывать?

_________________
Главное в мелочах


eptv | Post:332867 - Date: 22.10.11(15:38)
>Сколько намагнитили столько и вернется.

Согласен. Что мы знаем о МП? Механические взаимодействия..
И как уйти от механики?

street | Post:332868 - Date: 22.10.11(15:44)
eptv Пост: 332867 От 22.Oct.2011 (16:38)
И как уйти от механики?

А вот этого делать не надо...

"Задача физики - объяснить все явления природы с точки зрения механики"
Генрих Герц.

"Материя - это то , что дано нам в ощущениях"
Ильич.
Увы , присутствуют объективные ограничения.

_________________
Главное в мелочах


shkaf | Post:332878 - Date: 22.10.11(17:05)
street | Post: 332796 - Date: 22.10 (16:00)
Существуют и троичные системы и машины на них.
==========================================================================
непонятно к чему ты это сказал... мы не про то что существует а про то без чего можно преспокойненько обойтись !!! разницу улавливаешь ??

_________________
На Бога уповаем. http://www.skif.biz/files/e5a7f3.jpg


street | Post:332887 - Date: 22.10.11(17:44)
мы не про то что существует а про то без чего можно преспокойненько обойтись

Каких-то тридцать лет назад , люди преспокойненько обходилдись , без интернета , например (массово). Без GPS , GPRS, ADSL, Win, Linux,.. и ещё много без чего спокойненько обходились.
А ещё сколько-то лет назад и без шкафа спокойненько обходились.
А сказал я это к тому , что ЗНАК имеет значение.

_________________
Главное в мелочах


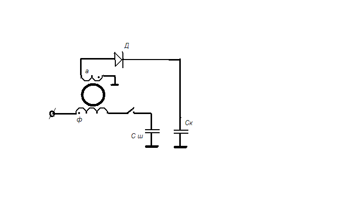
vasik | Post:332924 - Date: 22.10.11(22:10)
если кто то решит все таки попробовать что нибудь сделать...
предлагаю усовершенствованную схему эксперимента
не требуется два источника питания а ток затвора по прежнему отделен от тока стока транзистора.
если нет подходящего резистора для измерения тока... то его можно выкинуть и смотреть напряжение в точке A (правда это не очень удобно)





Размер: 22.91 KB

<] [ 1 | 2 | 3 | 4 | 5 | 6 | 7 | 8 | 9 | 10 | 11 | 12 | 13 | 14 | 15 | 16 | 17 | 18 | 19 | 20 | ... | 30 ] [>
У Вас нет прав отвечать в этой теме.
Форум - Магнитные генераторы - Магнитные генераторы - Генератор на отрицательной индуктивности - Стр 10
🏠 Главная | 📚 Содержание | 💬 Форум | 📁 Файлы | 📩 Контакт