[ВХОД]
13.05.26(17:59)

www.skif.biz

Альтернативная энергия. Оставь надежду, всяк сюда входящий...

🏠 Главная | 📚 Содержание | 💬 Форум | 📁 Файлы | 📩 Контакт
 
Резонансные генераторы
Магнитные генераторы
Механические центробежные (вихревые) генераторы
Электростатические генераторы
Водородные генераторы
Ветро- и гидро- и солнечные генераторы
Прочие идеи (разные)
О форуме
Транспорт
Оружие
Научные идеи, теории, предположения...
Экономия топлива
Коммерческие вопросы
Струйные технологии
Торсионные генераторы
Новые технологии
Барахолка
Патентный отдел
Конструкторское бюро
Нейтронная физика
Торнадо и смерчи
Гравитация и антигравитация
Сделай сам. Советы.
Медицина и здравоохранение

📱 | 🖨️

Форум - Электростатические генераторы - Электростатика - Генератор Уильяма Хайда - Стр:1
Модератор: Serkap
Serkap | Post:312752 - Date: 18.06.11(17:09)
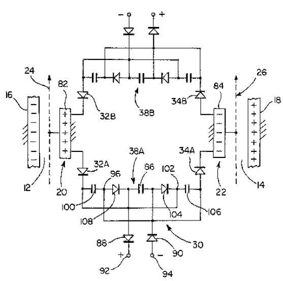
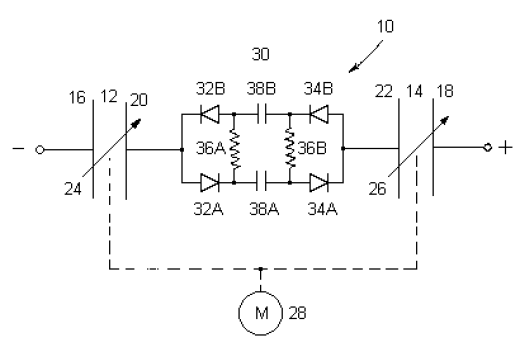
US 4.897.592 : Electrostatic energy field power generating system (генератор Вильяма Хайда)
Testatika and William Hyde Generator Correlation



Везде этот генератор называют одной из самых перспективных моделей.
В то же время эту модель почти никто не рассматривает.

Какие подвохи у этого генератора?

По-моему электростатичский альтернатор Хайда не имеет недостатков электро-магнитных альтернаторов.

Кто будет писать про противодействующие силы - будьте добры, максимально конкретизируйте свои доводы!
В частности, как увеличение нагрузки будет влиять на противодействующую силу...


Размер: 11.66 KB


Размер: 29.20 KB


Размер: 12.20 KB

Ivani | Post:312785 - Date: 18.06.11(20:39)
Разница силы разводящей пластины(прикладываемой) и силы сводящей пластины(сила Кулона) прямо пропорционально выходному напряжению, школьный учебник физики + мозг.

_________________
[url=http://ivan-work.ucoz.ru/index/na_obmen_ili_prodam/0-4]Продам, обменяю[/url], [url=http://ivan-work.ucoz.ru/index/khochu/0-16]ищу[/url]


Serkap | Post:312862 - Date: 19.06.11(15:48)
Ivani, будем считать, что ты ответил на автомате и не анализировал схему.

Ivani | Post:312930 - Date: 20.06.11(07:03)
Прочитай учебник и ответь по теме не на автомате, я читал его лет 25 назад и досих пор помню, дам подсказку - проще всего считать будет через емкость не в даваясь в подробности формы поля, у меня на вывод закономерностей ушло 5 минут.

_________________
[url=http://ivan-work.ucoz.ru/index/na_obmen_ili_prodam/0-4]Продам, обменяю[/url], [url=http://ivan-work.ucoz.ru/index/khochu/0-16]ищу[/url]


Serkap | Post:313254 - Date: 21.06.11(21:22)
та хтож спорит. Просто то, шо ты говоришь - это не предмет обсуждения. Это подразумевается.

А вот как будет изменяться противодействующая сила с увеличением тока нагрузки - вот это вопрос.
Насколько я понимаю, здесь зависимость совершенно другая, чем в магнитных альтернаторах. Мягко говоря.

Ivani | Post:313263 - Date: 21.06.11(21:54)
как будет изменяться противодействующая сила с увеличением тока нагрузки

Теже школьные учебники помогут посчитать, навскидку скажу что силы магнитных(токовых) взаимодействий будут в 1000 - 1000000 раз слабее электростатических(между зарядами).

_________________
[url=http://ivan-work.ucoz.ru/index/na_obmen_ili_prodam/0-4]Продам, обменяю[/url], [url=http://ivan-work.ucoz.ru/index/khochu/0-16]ищу[/url]


У Вас нет прав отвечать в этой теме.
Форум - Электростатические генераторы - Электростатика - Генератор Уильяма Хайда - Стр 1
🏠 Главная | 📚 Содержание | 💬 Форум | 📁 Файлы | 📩 Контакт