[ВХОД]
14.04.26(06:32)

www.skif.biz

Альтернативная энергия. Оставь надежду, всяк сюда входящий...

🏠 Главная | 📚 Содержание | 💬 Форум | 📁 Файлы | 📩 Контакт
 
Резонансные генераторы
Магнитные генераторы
Механические центробежные (вихревые) генераторы
Электростатические генераторы
Водородные генераторы
Ветро- и гидро- и солнечные генераторы
Прочие идеи (разные)
О форуме
Транспорт
Оружие
Научные идеи, теории, предположения...
Экономия топлива
Коммерческие вопросы
Струйные технологии
Торсионные генераторы
Новые технологии
Барахолка
Патентный отдел
Конструкторское бюро
Нейтронная физика
Торнадо и смерчи
Гравитация и антигравитация
Сделай сам. Советы.
Медицина и здравоохранение

📱 | 🖨️

Форум - Электростатические генераторы - Электростатика - Скалярные волны Тесла. - Стр:1
[ 1 | 2 | 3 | 4 | 5 | 6 | 7 | 8 ] [>
Модератор: alexkor
alexkor | Post:303971 - Date: 23.04.11(21:06)
Собираем инфу о скалярных волнах Николы Тесла...

_________________
Радиантное зарядное устройство- "www.radiant4you.net" Низкоэнергетические ядерные реакции- "www.lenr4you.net"


shkaf | Post:303977 - Date: 23.04.11(21:42)
щас тут тебе такого натащат.. не разгрести до 2 го пришествия.

_________________
На Бога уповаем. http://www.skif.biz/files/e5a7f3.jpg


Виталя | Post:303981 - Date: 23.04.11(21:59)
Подойдёт? Нет - "выбросиш".


Размер: 131.28 KB

_________________
С ув. Виталий.


Ivan | Post:304008 - Date: 23.04.11(23:47)
Виталя
Это не про радиант, это про создание определённых условий, при которых он может быть получен. А может и нет...

_________________
Наука – это несомненное сумасшествие, занятое классификацией своих собственных галлюцинаций. Поэтому не удивительно, что люди науки отвергают исследования, которые считают чужими галлюцинациями. Амиель


Gobsek | Post:304009 - Date: 23.04.11(23:55)
Виталя Пост: 303981 От 23.Apr.2011 (22:59)
Подойдёт? Нет - "выбросиш".


Наверняка перевод - "кривой" или вообще отсебятина. Оригинал теста надо давать.

vodoprovodchik | Post:304011 - Date: 24.04.11(00:08)
Ну, пошло Г по трубаммм

[ссылка]

[ссылка]

;-)

Ivan | Post:304013 - Date: 24.04.11(00:10)
Это не перевод кривой, это читатель-дэбил.
Хотца в оригинале? Пажжалста! Тужся!🤢
[ссылка]

_________________
Наука – это несомненное сумасшествие, занятое классификацией своих собственных галлюцинаций. Поэтому не удивительно, что люди науки отвергают исследования, которые считают чужими галлюцинациями. Амиель


alexkor | Post:304043 - Date: 24.04.11(09:20)
Картинка


Размер: 27.49 KB

_________________
Радиантное зарядное устройство- "www.radiant4you.net" Низкоэнергетические ядерные реакции- "www.lenr4you.net"


alexkor | Post:304044 - Date: 24.04.11(09:20)
"Диаграмма выше, иллюстрирует различие между магнитным полем, сгенерированным вокруг проводника, подачей на него импульса постоянного тока и волнами радиантной энергии, созданными этим же импульсом. Если резкий импульс тока подать вдоль по вертикальному проводнику, то это вызывает два разных вида поля. Первое поле
является магнитным, где линии магнитных сил вращаются вокруг проводника. Эти линии горизонтальны, и вращаются по часовой стрелке, когда рассматриваются сверху. Магнитное поле остаётся пока вдоль проводника
течёт ток.
Второе поле - волна радиантной энергии. Эта волна возникнет исключительно тогда, когда появится импульс тока идущий в одном направлении, то есть этого не произойдёт, если на проводник будет подан переменный ток. Волна
расходится горизонтально из центра наружу от вертикального проводника во всех направлениях в виде ударнойволны. Это - одноразовое событие и оно не повторяется, если в проводнике течёт электрический ток. Радиантная
энергия кратко выводит поле энергии нулевых колебаний из равновесия, и поскольку поле возвращается снова в равновесие, оно вызывает поток энергии. Крошечная фракция этого краткого, плотного потока энергии может быть
собрана, и эта собранная энергия более чем в 100 раз большая, чем нужно энергии, чтобы бы сгенерировать искру,которая первоначально запускает этот поток энергии. Это - энергия, которую была предназначена собрать трубка.
Следовательно, трубки питаемые последовательностью высокоинтенсивных, кратковременных импульсов постоянного тока, генерируют повторяющиеся волны радиантной энергии. Это - захват получающейся избыточной
энергии, которая позволяет работать двигателям, без необходимости зарядки батарей любым традиционным источником электрического тока.
Волна радиантной энергии не ограничена единственной плоскостью как показано в диаграмме выше,предназначенной для того чтобы показать различие между электромагнитным полем, циркулирующим вокруг проводника, и полем радиантной энергии, которое расходится далеко от проводника. "

_________________
Радиантное зарядное устройство- "www.radiant4you.net" Низкоэнергетические ядерные реакции- "www.lenr4you.net"


Dolina | Post:304158 - Date: 24.04.11(17:33)
Для осознания - возврат к первоисточникам.
cfb59b.doc
Размер: 165.50 KB

_________________
Кто борется - может проиграть, кто не борется - уже проиграл


Dolina | Post:304160 - Date: 24.04.11(17:34)
И ещё одно интересное мнение.
0cf9ad.doc
Размер: 186.50 KB

_________________
Кто борется - может проиграть, кто не борется - уже проиграл


lazj | Post:304162 - Date: 24.04.11(17:36)
Володь, импульсная технология это лишь способ .... мммм... проявить эту энергию...
На самом деле все процессы вне нас и внутри нас подключены именно к этому источнику...

_________________
"Наука - это то, чего быть не может. То что может быть - это уже технический прогресс" (П.Л. Капица) "Делай, что должно и будь, что будет.."


Dolina | Post:304166 - Date: 24.04.11(17:42)
Правильно, но я это напомнил, чтобы не отходили от ГЛАВНОГО.

_________________
Кто борется - может проиграть, кто не борется - уже проиграл


bazarov | Post:304169 - Date: 24.04.11(17:46)
Скажите пожалуйста, что собой на практике представляет скаляр, а что вектор? Если можно в примерах 😀

_________________
Не хватит никакого здоровья, чтобы приспособиться к этому глубоко больному обществу(Кришна Мурти)/Горшки не Боги обжигают (многовековая классика)


Dolina | Post:304175 - Date: 24.04.11(18:06)
Вектор - то, что имеет ярко выраженную направленность, которая может быть приборно зафиксирована - например, вектор магнитного поля - регистрируется компасом.
Скалярная величина тоже фиксируется приборно как факт наличия, ноу неё, в отличие от векторной величины, нет выраженной направленности - например, давление воздуха в пределах помещения.

_________________
Кто борется - может проиграть, кто не борется - уже проиграл


bazarov | Post:304178 - Date: 24.04.11(18:21)
Извиняйте, но я не понял... Чтобы измерить давление на манометрическую мембрану давит вектор, т.е. сила на площадь. Сила магнитного поля также есть векторная величина по определению, ибо её измеряют косвенным методом по сопротивлению данной силе. А вот скаляр при сложении, как я понимаю, даёт тот же вектор, но сила этого вектора увеличивается. К примеру есть два сопротивления включенх последовательно и параллельно. Тогда при последовательном их включении будут складваться вектора по напряжению, но по току вектора скалярны и имеют одну велечину. При параллельном вектора по напряжению скалярн, но по току идёт сложение векторов в узле соединения. В принципе это правила по закону Кигхгофа. Так в чём я ошибся? В воздушном шарике накаченом гелием есть и скаляр и вектор, причём их множество. Натяжение резины тогда можно принять как скаляр, а давление изнутри только как вектор, ибо проявляется сила на площадь. Поправьте пожалуйста. Интересен факт что в воздушном шарике скаляр и вектор перпендекулярны друг другу, а в резистивных цепочках они сонаправлен.

_________________
Не хватит никакого здоровья, чтобы приспособиться к этому глубоко больному обществу(Кришна Мурти)/Горшки не Боги обжигают (многовековая классика)


Gobsek | Post:304183 - Date: 24.04.11(18:34)
Ivan Пост: 304013 От 24.Apr.2011 (01:10)
Это не перевод кривой, это читатель-дэбил.
Хотца в оригинале? Пажжалста! Тужся!🤢
[ссылка]



о'кей Ванёк, вот эти слова:



Counsel

Speaking of your not having perfectly undamped waves at that time, you were referring to that character of circuit?

Tesla

Yes, but with another kind of circuit I could, of course. The advantage of this apparatus was the delivering of energy at short intervals whereby one could increase activity, and with this scheme I was able to perform all of those wonderful experiments which have been reprinted from time to time in the technical papers. I would take energy out of a circuit at rates of hundreds or thousands of horsepower. In Colorado, I reached 18 million horsepower activities, but that was always by this device: Energy stored in the condenser and discharged in an inconceivably small interval of time. You could not produce that activity with an undamped wave. The damped wave is of advantage because it gives you, with a generator of 1 kilowatt, an activity of 2,000, 3,000, 4,000, or 5,000 kilowatts; whereas, if you have a continuous or undamped wave, 1 kilowatt gives you only wave energy at the rate of 1 kilowatt and nothing more. That is the reason why the system with a quenched gap has become popular.

I have refined this so that I have been able to take energy out of engines by drawing on their momentum. For instance, if the engine is of 200 horsepower, I take the energy out for a minute interval of time, at a rate of 5,000 or 6,000 horsepower, then I store in a condenser and discharge the same at the rate of several millions of horsepower. That is how these wonderful effects are produced. The condenser is the most wonderful instrument, as I have stated in my writings, because it enables us to attain greater activities than are practical with explosives. There is no limit to the energy which you can develop with a condenser. There is a limit to the energy which you can develop with an explosive.

A common experiment, for instance, in my laboratory on Houston Street, was to pass through a coil energy at a rate of several thousand horsepower, put a piece of thick tinfoil on a stick, and approach it to that coil. The tinfoil would melt, and would not only melt, but while it was still in that form, it would be evaporated and the whole process took place in so small an interval of time that it was like a cannon shot. Instantly I put it there, there was an explosion. That was a striking experiment. It simply showed the power of the condenser, and at that time I was so reckless that in order to demonstrate to my visitors that my theories were correct, I would stick my head into that coil and I was not hurt; but, I would not do it now.




Честно говоря лично мне на#рать на все это словоблудие,
было важно заявление цифры. Догадайтесь какой.


В своем стермлении понять и постичь что такое "радиант и скаляр" вы напоминаете толпу евреев-ортодоксов, которые медитируя, до крови бьют лбами об пол, стремлясь понять замысел бога через блудливую рукопись от юровивого писаря, написанную много сотен лет назад, как всегда по-пьяни.

Берегите лоб и голову. Она не предназначена забивания гвоздей в бетонные плиты конечных истин. Пример выше. Дословное послание которого:

- Чуваки, храните энергию в конденсаторах. Это окуительнейшая штука!



Ivan | Post:304221 - Date: 24.04.11(20:36)
Gobsek
И это всё, что ты вынес из текста? 🤢Ну, шо тут скажешь?
Я довольно часто встречал ммм.. экземпляры, которые даже в детских сказках находили порнографию.
Поэтому и тебе совет: не береги свою голову- в таком виде она на фиг никому не нужна,даже как молоток...
Удачи...

_________________
Наука – это несомненное сумасшествие, занятое классификацией своих собственных галлюцинаций. Поэтому не удивительно, что люди науки отвергают исследования, которые считают чужими галлюцинациями. Амиель


alexkor | Post:304330 - Date: 25.04.11(12:11)
Читаем первоисточник.

Создаём область пространства с "непонятными" свойствами.

Картинка.


Размер: 29.35 KB

_________________
Радиантное зарядное устройство- "www.radiant4you.net" Низкоэнергетические ядерные реакции- "www.lenr4you.net"


alexkor | Post:304331 - Date: 25.04.11(12:12)
Вчитываемся в абзац.

"В таком электростатическом поле можно наблюдать интересные явления, особенно, если чередования поддерживаются низкими, а потенциалы — чрезвычайно высокими. Помимо упомянутых явлений свечения можно наблюдать, что любой изолированный проводник испускает искры, если поднести к нему руку или какой-либо предмет, причем искры часто могут быть мощными."

_________________
Радиантное зарядное устройство- "www.radiant4you.net" Низкоэнергетические ядерные реакции- "www.lenr4you.net"


alexkor | Post:304333 - Date: 25.04.11(12:21)
Адаптируем конструкцию к реальности.

Берём любой конструктив Tesla Coil на полупроводниках с накачкой ОДНОПОЛЯРНЫМИ импульсами.

Цепляем первичку, вторичку. Первичку лепим по центру вторички. На вторичку-пару пластин, как на рисунке. С резонансами не заморачиваемся.

Вносим в пр-во между пластинами кусочек плоской фольги с полумостовым выпрямителем и кондёром. Кондёр заряжается, потребление тока первичкой не фиксируется.

Зарядили кондёр до нужной величины и импульсом разрядили на нагрузку-полезная мощность.

Увеличиваем количество фольги, полученная мощность растёт, потребление тока первичкой не фиксируется.

_________________
Радиантное зарядное устройство- "www.radiant4you.net" Низкоэнергетические ядерные реакции- "www.lenr4you.net"


alexkor | Post:305147 - Date: 30.04.11(12:41)
Свежий документ для практиков "Tesla Coils for Dummies"...

[ссылка]

_________________
Радиантное зарядное устройство- "www.radiant4you.net" Низкоэнергетические ядерные реакции- "www.lenr4you.net"


alexkor | Post:305148 - Date: 30.04.11(12:43)
Похожая инфа в файлике...
ef3713.pdf
Размер: 1.86 MB

_________________
Радиантное зарядное устройство- "www.radiant4you.net" Низкоэнергетические ядерные реакции- "www.lenr4you.net"


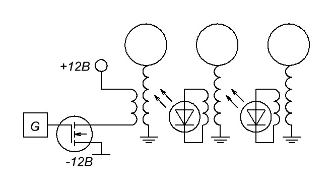
alexkor | Post:308599 - Date: 21.05.11(22:10)
Схемка с передатчиком(ками) и приемником(ками) по Николе Тесла на полевике...


Размер: 33.58 KB

_________________
Радиантное зарядное устройство- "www.radiant4you.net" Низкоэнергетические ядерные реакции- "www.lenr4you.net"


alexkor | Post:309619 - Date: 28.05.11(16:15)
На видео неонка без заземления демонстрирует линейную зависимость интенсивности поля вокруг РЗУ-SSTC от расстояния. ЭМП имеет обратноквадратичную зависимость...

В кадре присутствуют зелёный светодиод на катушке-датчик поля и три энергосберегайки без электроники...

Потребление РЗУ-SSTC 20В, 0.3А, частота 180-200 кГц.

YouTube: Смотреть видео

_________________
Радиантное зарядное устройство- "www.radiant4you.net" Низкоэнергетические ядерные реакции- "www.lenr4you.net"


[ 1 | 2 | 3 | 4 | 5 | 6 | 7 | 8 ] [>
У Вас нет прав отвечать в этой теме.
Форум - Электростатические генераторы - Электростатика - Скалярные волны Тесла. - Стр 1
🏠 Главная | 📚 Содержание | 💬 Форум | 📁 Файлы | 📩 Контакт