[ВХОД]

29.03.26(20:10)

www.skif.biz

Альтернативная энергия. Оставь надежду, всяк сюда входящий...

🏠 Главная | 📚 Содержание | 💬 Форум | 📁 Файлы | 📩 Контакт

📱 | 🖨️

Форум - Электростатические генераторы - Электростатика - Схемотехника ( Valeralap) - Стр:2
<] [ 1 | 2 | 3 | 4 | 5 | 6 | 7 | 8 | 9 | 10 | 11 | 12 | ... | 17 ] [>
Модератор: valeralap
Первый пост темы: valeralap Post: #296456 От:22.03.2011 (18:10)
В этой теме, выкладываются схемы и пояснительное описание к ним. Назначение, в связи с чем разрабатывалась, откуда взята и с какой целью. К некоторым схемам будут прилагаться фотографии опытов. Схемотехника будет разная и не привязанная к одной тематике. Выкладывать буду по мере собственного продвижения и наличия времени. На интересующие вопросы постараюсь отвечать. Если какая-то тема вызовет интерес в разработке схем, удачные свои схемы так- же можете выкладывать. Цель накопить базовую схемотехнику с доступом в одном месте. На сайте в различных ветках так же много приличных схем, если у кого-то есть свободное время, можете выбрать и разместить на данной ветке.
valeralap | Post:296851 - Date: 24.03.11(09:20)
trigan | Post: 296850 -Архивы с BMP - это очень неудобно и прошлый век. Нельзя ли сохранять картинки как PNG или GIF?

Пользуюсь простенькой программой для рисования, а она конвертирует только в BMP.
Если хотите помочь то перересуйте или переконвертируйте мои и пришлете в личку.
Заменю на ваш удобный формат... И буду вам благодарен...

_________________
Чтобы слушать Иисуса Христа, нужно быть, хотя бы его апостолом!


valeralap | Post:296867 - Date: 24.03.11(11:26)
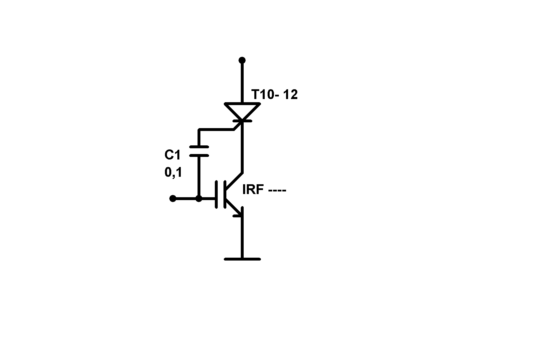
При коммутации больших токов и значительно высоких напряжений, возникает трудность с элементной базой. Мощные транзисторы есть, но они как правило неспособны работать на напряжениях в несколько киловольт, а про то- что они будут стоить, разговаривать не приходится. Учесть, что альтернативщиков финансирует государство... 😎 Столкнувшись с такой проблемой мы Сергей Беликов и я сделали составной запираемый тиристор. Прилагается схема и три осциллограммы. При необходимости увеличения пробивного напряжения можно попробовать увеличить число тиристоров в последовательном соединении.


Размер: 8.47 KB


Размер: 165.29 KB


Размер: 173.03 KB


Размер: 175.48 KB

_________________
Чтобы слушать Иисуса Христа, нужно быть, хотя бы его апостолом!


valeralap | Post:296871 - Date: 24.03.11(12:12)
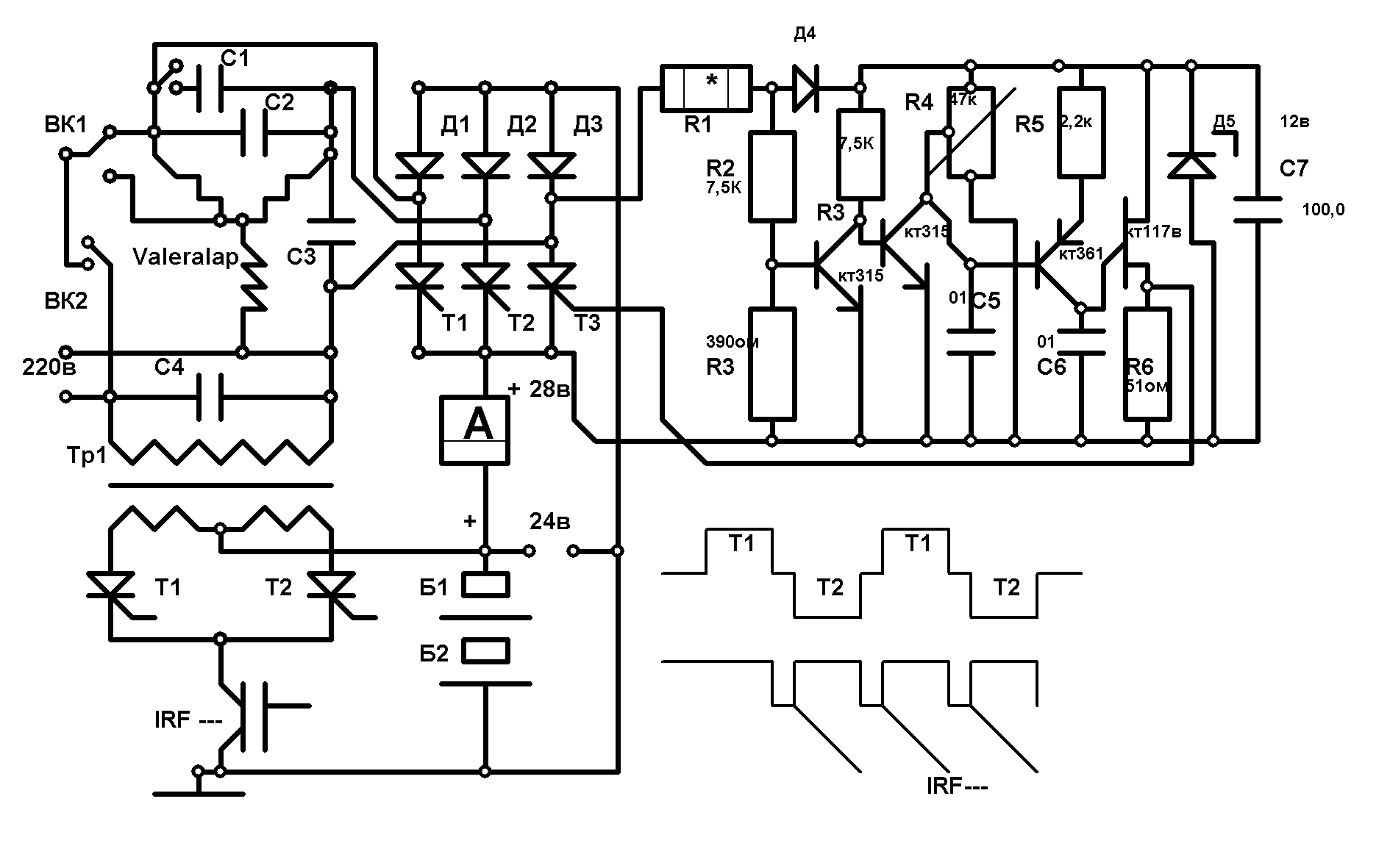
Занимаясь ротовертером для экспериментов собрал на тиристорах преобразователь из учебника электротехники. То есть эта схема классически признанная. Дерьмо конченое... Ее не то-что начинающий ее человек с профессиональным опытом замучится отлаживать. Результатом явилась эта схема моей авторской разработки. Простая как бубен у нанайца, надежная, гальваническая развязка через трансформатор. Коррекция синуса достигается подстройкой конденсатора на выходе 220в. Мощность зависит в основном от трансформатора. Драйвер управления общий и специальной доработки не требует.


Размер: 15.67 KB

_________________
Чтобы слушать Иисуса Христа, нужно быть, хотя бы его апостолом!


valeralap | Post:296895 - Date: 24.03.11(16:33)
У этой схемы есть очень интересное применение. Для людей творческих хорошая штука.


Размер: 97.37 KB

_________________
Чтобы слушать Иисуса Христа, нужно быть, хотя бы его апостолом!


valeralap | Post:296897 - Date: 24.03.11(16:52)
Схема ждущего мультивибратора...


Размер: 12.06 KB

_________________
Чтобы слушать Иисуса Христа, нужно быть, хотя бы его апостолом!


valeralap | Post:296915 - Date: 24.03.11(18:40)
Это схема ВЧ -НЧ преобразователя


Размер: 17.97 KB

_________________
Чтобы слушать Иисуса Христа, нужно быть, хотя бы его апостолом!


valeralap | Post:296930 - Date: 24.03.11(19:55)
Входной усилитель с разными резисторами в нагрузке транзисторов можно использовать как на НЧ так и в УКВ диапазоне. Для НЧ имеет низкое входное сопротивление не боится наводок может работать на кабель до 200м очень удобен для согласования удаленных датчиков или микрофона.


Размер: 21.99 KB

_________________
Чтобы слушать Иисуса Христа, нужно быть, хотя бы его апостолом!


valeralap | Post:297184 - Date: 25.03.11(16:55)
Эта схема взята из журнала радио добавил импульсный диод и получал очень короткие импульсы до 30кв. Схема раннее выкладывалась как (подсолнух)В данный момент такая схема стоит в качестве озонаторов воздуха на машине моей и у моих друзей. Ферритовое кольцо 20-24мм наружного диаметра L1 ПЭЛ 0,3 90витков L2 15 витков монтажным многожильным.


Размер: 22.70 KB

_________________
Чтобы слушать Иисуса Христа, нужно быть, хотя бы его апостолом!


valeralap | Post:297199 - Date: 25.03.11(17:25)
Эту схему, называю шуткой. Читал Эдвина Грея и обратил внимание, что в основе его устройства заложены два принципа и одно секретное им разработанное устройство.
Он писал, что долго наблюдал разряды молнии. Значит в установке есть разрядник, он там есть. Он служил на флоте и хорошо знал радиолокационные установки. В основе этого замысла излучить и принять собственный сигнал. В его устройстве это тоже выполнено. Аккумулятор питает высоковольтный источник через разрядник на конверсионную трубку с сеток энергия возвращается на заряд аккумулятора. Мне захотелось приметивно это проверить. Взял аккумулятор хорошо заряжен и проверил начальное напряжение подключил лампочку и засек с какой скоростью идет разряд. Потом Включил лампу через схему и подобрал частоту импульсов чтобы лампа ярко горела. Стал следить за скоростью разряда получилось у меня, разряд замедлился в 30 раз.


Размер: 29.44 KB

_________________
Чтобы слушать Иисуса Христа, нужно быть, хотя бы его апостолом!


adykiy | Post:297253 - Date: 25.03.11(20:41)
valeralap У этой схемы есть очень интересное применение. Для людей творческих хорошая штука.


А нельзя-ли использовать как задающий генератор частоты, с одной фазы на три?

Печкин | Post:297293 - Date: 25.03.11(22:33)
Описание, кому надо...


Размер: 143.30 KB

valeralap | Post:297327 - Date: 26.03.11(04:27)
Печкин | Post: 297286 дорогой, уважаемый гуру, кады схемы выкладывают, то не стесняются ссылок на первоисточник, и ОБЯЗАТЕЛЬНО пишут что это за схема и какие есть настраиваемые параметры. просто схем я сам могу тучу навалить. а вот надо-то "я взял свою схему № из поста № , движок таких-то параметров и поимел на нём столько-то плюса. Рекомендации для повторения такие: ... Настраивать надо так-то и так-то... ".

Ты зря так агрессивно себя ведешь... Для меня схема и есть опорный источник и если в ней обще не будет описания и указания элементов легко ее повторю перерасчетав элементы схемы. Теперь подумай. Я выложу любимую мной схему каскадный вход Бонч-Бруевича он ее разработал до революции и применил лампы которых сейчас в музее не найти. Так какие указывать мне лампы? Разница то какая если ты знаешь работу ламп. Если не знаешь! Зачем тебе схема???😎

Я все агрессивные ненужные посты буду удалять хотя придется сидеть в обезьяннике😎 но мне торопится некуда. На адекватные вопросы буду отвечать.

_________________
Чтобы слушать Иисуса Христа, нужно быть, хотя бы его апостолом!


valeralap | Post:297331 - Date: 26.03.11(05:04)
adykiy | Post: 297253 -А нельзя-ли использовать как задающий генератор частоты, с одной фазы на три?
Схема это решение какого-то ключевого момента. Это указывает, что схема привязана к техническому устройству. Мышление на этом зацикливается. Пример мне нужно сделать усилитель очень с малым дрейфом нуля. Если просто перерыть популярные источники для радиолюбительства, врядли нужное решение будет найдено. Проще поднять медицинскую аппаратуру и найти нужный усилитель. В новейшей медицинской аппаратуре применяются самые продвинутые решения схемотехники и правил монтажа и экранировки.
Ответ однозначный, схему надо сперва обдумывать, подходит ли она в твоем случае если да то неважно для чего она разрабатывалась, можешь ее делать для своих целей. Можно схемы гибридить из разных кусков пересчитывать, короче делать любую ее трансформацию это и есть творчество. Единственным ограничением на этом пути является плохое знание элементной бызы и ее применения. Но при постоянном заняти это все наживается. У схемы по которой задан вопрос, есть недостаток который надо учитывать под нагрузкой ток у нее падает. Применять ее можно как буфер или для постоянных нагрузок. Но есть и достоинства... 😎

_________________
Чтобы слушать Иисуса Христа, нужно быть, хотя бы его апостолом!


valeralap | Post:297332 - Date: 26.03.11(05:16)
МSN | Post: 297330 - Зря ты так реагируешь Валера. ВСе привильно он говорит. Если решил выкладывать, описывай схемы максимально подробно. Иначе этот коллаж оказывается нах никому не нужен.

От тебя не ожидал, зачем в схеме из трех элементов которые указаны на самой схеме еще и описание. Через день все тупые посты снесу. Тебе ясно написали если есть отдельно вопрос для тебя неясный, задай- отвечу. Может правда зря открыл данную тему? Проголосуйте недолго и закрыть, меньше проблем...

_________________
Чтобы слушать Иисуса Христа, нужно быть, хотя бы его апостолом!


valeralap | Post:297342 - Date: 26.03.11(07:23)
Давайте поступим так, я до осени уйду нечего не буду удалять. Вы будите иметь время высказаться, и не стесняйтесь!... Осенью проанализирую полезность мной открытой ветки. Если она ненужна то нечего не удаляя закрою ее. Если она в се же будет нужна, то продолжим. Это я к тому, что мнение форума нужно уважать!

_________________
Чтобы слушать Иисуса Христа, нужно быть, хотя бы его апостолом!


adykiy | Post:297353 - Date: 26.03.11(10:30)
valeralap Давайте поступим так, я до осени уйду нечего не буду удалять. Вы будите иметь время высказаться, и не стесняйтесь!... Осенью проанализирую полезность мной открытой ветки. Если она ненужна то нечего не удаляя закрою ее. Если она в се же будет нужна, то продолжим. Это я к тому, что мнение форума нужно уважать!


Куда уйду, чего закрывать и какое мнение форума ты собрался учитывать? Все снова утонет во флуде. На хер тебе грамотному самодостаточному мужику, мнение и обсуждение долбоебов которые и в руках ничего кроме стакана не держали. Ничего не закрывай, передумал выкладывать , просто модерируй.Ветка прикладная а значит нужная. Что толку с теоретических рассуждений.

valeralap | Post:297443 - Date: 26.03.11(17:37)
Пока вы раздумываете принимать или нет данную ветку.
Выкладываю полную версию схемы ротовертера которую через пару дней буду собирать для себя. Первое, эта схема проверена, только отдельными кусками и которые в от дельности отлично работают. НО В РЕЖИМЕ САМОЗАПИТКИ Я ЕЕ НЕ РАЗУ НЕ ПРОВЕРЯЛ.
Не кого не заставляю повторять и нечего не обещаю, это лучшее из перебранных мной и Сергеем вариантов. Максимальная простота исключен генератор. Детали не прихотливы и выбираются от мощности двигателя так- что доступны большему числу желающих повторить.

Описание схемы.
В основе устройства заложен режим резонанса в асинхронном двигателе. Это проверенный факт и первая схема с одним конденсатором классическая и некто не может отрицать, что она не рабочая! Довольно долгий мой поиск навел на мысль улучшить данный параметр и добавил второй конденсатор, схема в разы превосходит классический вариант! К тому-же после разгона переключаю напряжение в среднюю точку двигателя, это еще в разы улучшило общие параметры. Но раз схема разработанная мной отличается от классической только более лучшими параметрами, то почему это нельзя использовать? Пробовал ломом остановить работающий двигатель с двойным резонансом. Двигатель был на 7,5квт и не смог его остановить когда сделал замеры токов в фазах, то ток был в среднем 5,5 ампер. В пересчете на мощность 6,8квт. Какой недостаток выявил при загрузке двигателя, идет перекос тока в фазах в одной фазе ток начинает расти у другой он пропорционально убывает! Но и в этом случае я его не смог полностью опрокинуть на остановку. Но меня это обстоятельство огорчило и решил полностью отказаться от генератора исключив дисбаланс двигателя по нагрузке. Поэтому и стал искать другой способ съема реактивной мощности. Попытка поставить просто мост Ларионова и собирать энергию в конденсатор большой емкости удалась, но напряжение на конденсаторе доходило до 600в. Преобразовывать такое напряжение при значительных токах удорожает само устройство- трудное в отладке и мало надежно, плохо повторяемо для не специалиста в области электроники. Раннее выкладывал всякие схемы которые мы проверяли. В конце концов пришел к выводу, что можно мост Ларионова превратить в регулируемый выпрямитель и заряжать два аккумулятора.
Какова выгода такого принципа утилизации реактивной энергии? Двигатель равномерно вращается у него нет нагузки механической на вал! Это очень отличное обстоятельство имея массивный ротор он все динамические нагрузки проходит по инерции. Схема съема та-же классический мост Ларионова только управляем за счет нижнего плеча замененного тиристорами. Опять не чего нового, это принцип трехфазных выпрямителей применяемых в промышленности все это работает и проверено. Принцип управления классический это фаза импульсный блок так же проверенное устройство и имеет множество вариантов реализации. Но нужно описать сам цикл работы. Смотрим на осциллограмму которую раннее выкладывал, представте, что она снята c плеча одной фазы которая в нашем случае идет в резонансе. Так вот основной рабочий цикл тиристор закрыт и вся энергия в нашем случае она реактивная создающая магнитное поле вращения вся используется на вращение. Но в самый последний момент спада синусоидального напряжения на уровне 28в зарядного напряжения тиристор открывается. Происходит сброс активного тока и разумеется возникает торможение, но двигатель основное время тратил на разгон и этот участок импульса проскакивает за счет инерции!!! Следующая фаза сразу подхватывает и разгоняет исключая возникший тормозящий эффект. И так на каждой фазе основное время разгон, тормозящий импульс и следующая фаза. Известно, что тиристор будет открываться строго от выбранной точки управления фаза импульсным блоком. И в нашем случае 28в будет пока двигатель или механически не будет остановлен или загружен так- что сгорят обмотки. При любой электрической нагрузке напряжение открытия тиристоров будет на уровне выбранного 28в а ток заряда будет расти до приделов возможности обмоток двигателя. При резких перегрузках в первую очередь будет компенсировать аккумулятор, поэтому все процессы динамической нагрузки будут сглажены. Осталось 24в с аккумуляторов преобразовать в 220в тут очень большое поле деятельности. Требование только одно, он должен хорошо выдерживать пусковой ток двигателя при разгоне. А значит должен быть мощным. Я бы предпочел один, но на мощность взятого двигателя. Для чего делаю такой выбор? После разгона ненужно ставить дополнительные преобразователи с него же и снимать в полезную нагрузку. На этой схеме которую буду делать показана форма на преобразователе драйвера, но еще не решил на чем собрать специализированные драйверы, может остановлюсь на том-что есть в продаже, если нет, то соберу на К176. Можете анализировать и делать свои выводы. Мне уже анализировать нечего, буду собирать для полной проверки.


Размер: 41.63 KB

_________________
Чтобы слушать Иисуса Христа, нужно быть, хотя бы его апостолом!


adykiy | Post:297451 - Date: 26.03.11(18:05)
Валера, просьба выложить схему и результаты твоего ротовертера АД с генератором КАМАЗ.

missioner | Post:297462 - Date: 26.03.11(18:41)
Валера ,а не пробовал ту обмотку двигателя,на которую подаёшь питание тоже запитывать в режиме резонанса(последовательного)?

_________________
Здесь хранится СЕ суперавтотрансгенератор https://www.skif.biz/index.php?name=Forums&file=viewtopic&p=875842#875842 https://disk.yandex.ru/d/T_H9tIHpXVb8dw Дополненная версия с видео: https://disk.yandex.ru/d/RUQMOtXIHzRo7Q


andy8mm | Post:297466 - Date: 26.03.11(19:07)
valeralap Пост: 297443 От 26.Mar.2011 (17:37)
Выкладываю полную версию схемы ротовертера которую через пару дней буду собирать для себя.
Просьба с фотографиями рассказать потом о работе ротовертера.

valeralap | Post:297509 - Date: 26.03.11(21:04)
adykiy | Post: 297451 -Валера, просьба выложить схему и результаты твоего ротовертера АД с генератором КАМАЗ.

Та схема выкладывалась но на схеме я не показывал конденсатор второй по резонансу. Это у меня был большой секрет!Кое что не так было в преобразователе а в целом как первые схемы.
Вся энергия по перегрузки зависит от перекоса фаз и сразу растет потребление от аккумулятора, а компенсирует генератор за счет реле регулятора. Но как только потребление сравнивается с зарядкой, устройство проваливает обороты и останавливается. Относительно массы устройства и затрат на него узкий участок- позорная вещь. По этому и бросил. Но оно работало и может не хуже чем у Хектора. Де-то в ветке ротовертера писал сколько оно давало. Позже выложил схему с двойным резонансом но некто не обратил внимание и не провел параллель. Потом все подумали, что тема пустая и я все забросил, а мы больше двух лет испытывали кучу вариантов. Завтра выложу драйвер к схеме ротовертера и начну делать...

_________________
Чтобы слушать Иисуса Христа, нужно быть, хотя бы его апостолом!


valeralap | Post:297512 - Date: 26.03.11(21:13)
missioner | Post: 297462Валера ,а не пробовал ту обмотку двигателя,на которую подаёшь питание тоже запитывать в режиме резонанса(последовательного)?

Пробовал и третий конденсатор ставить для резонанса обмоток, как это делают для генераторного режима, оказалось, что исчезает режим двигателя, он сильно тормозится. По этому тройного резонанса у меня не получилось. Пробовал как ты предлагаешь, но на холостом двигатель нормальна работает, а при малейшей нагрузке резонанс срывается и двигатель останавливается.

_________________
Чтобы слушать Иисуса Христа, нужно быть, хотя бы его апостолом!


valeralap | Post:297516 - Date: 26.03.11(21:15)
andy8mm | Post: 297466 valeralap Пост: 297443 От 26.Mar.2011 (17:37)
Выкладываю полную версию схемы ротовертера которую через пару дней буду собирать для себя.
Просьба с фотографиями рассказать потом о работе ротовертера.

Да, как только все сделаю и буду испытывать, то все фото выложу...

_________________
Чтобы слушать Иисуса Христа, нужно быть, хотя бы его апостолом!


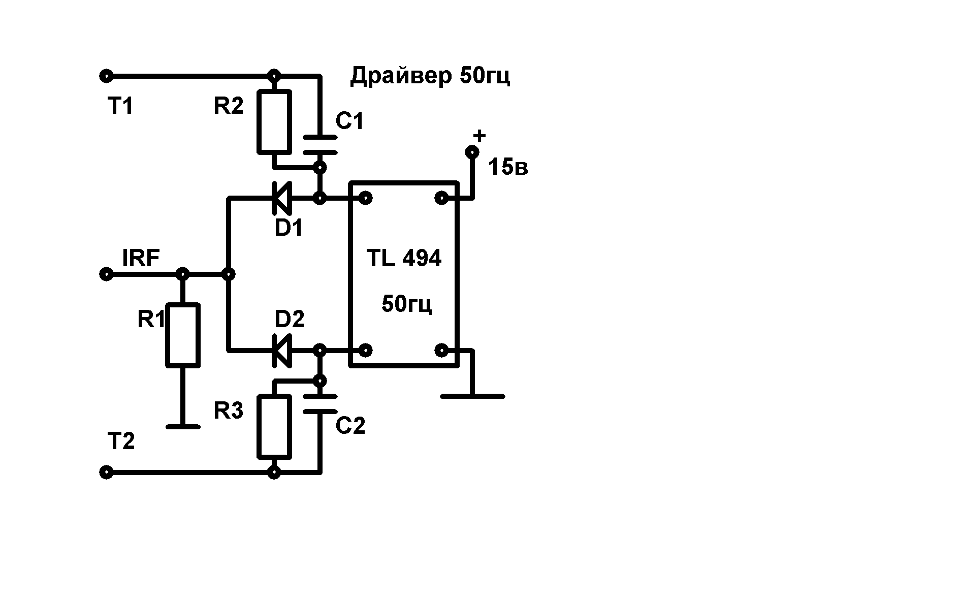
valeralap | Post:297531 - Date: 26.03.11(21:58)
Выкладываю схему простого драйвера на 50гц.


Размер: 16.30 KB

_________________
Чтобы слушать Иисуса Христа, нужно быть, хотя бы его апостолом!


missioner | Post:297593 - Date: 27.03.11(12:11)
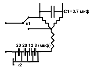
А я всё таки запустил твою схему питания с резонансом в схеме питания рабочей обмотки. Маленький моторчик. Данных на нём нет,но по снимку наверно определите сами,спецы как-никак. Запускал без всяких кнопочек, на скрутках,успевай провода отсоединять и подсоединять а то встаёт мотор. Вначале к2 замыкает две ёмкости по 20 мкф,. В таком режиме запускаю мотор и переключаю к1.При этом на конденсаторе 3.7 мкф около 40 вольт на других двух других парах обмоток 385 и 360 примерно вольт. Мотор гудит но вертится.

Затем "кнопкой" к2( разрывом скруток) подключаю в схему ёмкости по 20 вольт.

Гудение прекращается,можно сказать-бесшумное вращение, на ёмкости 3.7 мкф становится около 320-350 вольт(гуляет,сука),на двух других парах обмоток особо не меняется.

Т.к. на клещах у меня села крона то не могу определить токи на обмотках и потребляемый из сети, мультиметр занят определением напряжений. Но счётчик электричества моргает редко,раз в пять секунд,гораздо реже чем во всех других режимах без ёмкости в цепи питания(раз в три секунды).Вал только могу руками остановить.Мотор то сами видите какой махонький,до другого,киловатника, надо в сугробы лезть. И использовал пока все имеющиеся в наличий кондёры,правда все ёмкости у меня составные т.е. есть резерв.

Т.е. Валера,можно значит и тройной резонанс устроить. Применять мой способ,и после запуска прямо при работе в схему питания подключать кондёры. Я запитывал 220 вольт


Размер: 6.33 KB


Размер: 46.12 KB

_________________
Здесь хранится СЕ суперавтотрансгенератор https://www.skif.biz/index.php?name=Forums&file=viewtopic&p=875842#875842 https://disk.yandex.ru/d/T_H9tIHpXVb8dw Дополненная версия с видео: https://disk.yandex.ru/d/RUQMOtXIHzRo7Q


<] [ 1 | 2 | 3 | 4 | 5 | 6 | 7 | 8 | 9 | 10 | 11 | 12 | ... | 17 ] [>
У Вас нет прав отвечать в этой теме.
Форум - Электростатические генераторы - Электростатика - Схемотехника ( Valeralap) - Стр 2
🏠 Главная | 📚 Содержание | 💬 Форум | 📁 Файлы | 📩 Контакт