[ВХОД]
09.04.26(02:49)

www.skif.biz

Альтернативная энергия. Оставь надежду, всяк сюда входящий...

🏠 Главная | 📚 Содержание | 💬 Форум | 📁 Файлы | 📩 Контакт
 
Резонансные генераторы
Магнитные генераторы
Механические центробежные (вихревые) генераторы
Электростатические генераторы
Водородные генераторы
Ветро- и гидро- и солнечные генераторы
Прочие идеи (разные)
О форуме
Транспорт
Оружие
Научные идеи, теории, предположения...
Экономия топлива
Коммерческие вопросы
Струйные технологии
Торсионные генераторы
Новые технологии
Барахолка
Патентный отдел
Конструкторское бюро
Нейтронная физика
Торнадо и смерчи
Гравитация и антигравитация
Сделай сам. Советы.
Медицина и здравоохранение

📱 | 🖨️

Форум - Резонансные генераторы - Резонанс Мельниченко - Автогенерация электродвигателя "Дяди Васи" - Стр:130
<] [ 1 | ... 120 | 121 | 122 | 123 | 124 | 125 | 126 | 127 | 128 | 129 | 130 | 131 | 132 | 133 | 134 | 135 | 136 | 137 | 138 | 139 | 140 | ... | 144 ] [>
Модератор: host
Первый пост темы: host Post: #10146 От:03.10.2005 (07:48)
Случайно попал на этот форум, потому прошу прощения, если прерву ваш диалог. Буквально сегодня я своими глазами видел нечто...,ищу ответы, потому и решил обратится к завсегдатаям этого уголка сети.

Мне сегодня продемонстрировали 20 кВ электромотор, который работал сам по себе. Было все так: мастерская на глухой окраине города, на столе размером где-то 1м на 1м стоят большие конденсаторы, от них идут провода к двигателю и небольшой коробочке (где-то 15х30х20 см). К двигателю, через шкив подключен насос. Как мне потом сказали, чтобы получить требуемый эффект, двигатель надо запускать нагруженным, иначе потом его нельзя будет нагрузить. Изобретатель вставляет вилку в 220, двигатель запускается, посмотрев на тестер, двигатель отключает от сети... но он работает. Работает 10, 15, 30 минут. Я был там порядка двух часов, двигатель не подключенный к сети все это время закачивал воду. На вопросы, как и что ответов не получил. Узнал лишь то, что емкости играют большую роль и часть из них разряжается, а частья заряжается (идея напоминает идею Грея по возварту энергии). Более того, не на всех электромоторах этот эффект можно повторить. Лично мерял напряжение на работающем двигателе при подключении от сети, на входе было 220, на указанных изобретателем проводах (идущих к связке кондеров) выходило 340 вольт. Двигатель трехфазный, но из него выходило 6 проводов к этим конденсаторам. У этого человека в частном доме аналогичная электростанция(на одном валу два трехфазных движка, один в режиме генератора, другой самоподдерживаемый).От нее работают электропечь, телевизор, холодильник и свет.

Помогите разобраться, может кто ссылочку какую-то даст.
Это мужик из тех, кого называют электриками дядями Васями. Об интернете он только слышал, физически же он опасается встречаться с кем либо, т.к. имеет опыт всякого рода давлений со стороны спецорганов, за то что пытался это дело продвигать. Познакомился я с ним при личной встрече на одном из форумов по свободной энергии, он был единственным, кто обладал, с его слов, реально работающим девайсом. Мне пришлось долго с ним притираться, чтобы он поверил,что я ему не враг. Спустя почти три месяца он мне показал это. О том, чтобы к нему гостей возить и речи быть не может, этот человек реально опасается за свою безопасность, т.к. уже были сожженная мастерская, угрозы со стороны энергетиков и т.п.
civil | Post:292407 - Date: 06.03.11(07:49)
есть А4 30кВт 1000 об/мин

Taker | Post:292636 - Date: 07.03.11(00:57)
Torch Пост: 292207 От 05.Mar.2011 (06:37)
Почему на 5 кв-тных и ниже двиг. у д.Васи не получалось!

потому что слишком маленькое сопротивление в обмотке..,отсюда следует что сложно уловить момент переключения обмоток. т.е. чем меньше двиг, тем режче должна работать система переключения (более тонкая и кропотливая настройка).

_________________
Трансформатор без ротора - деньги на ветер.


MSN | Post:292646 - Date: 07.03.11(01:32)
Torch Пост: 292207 От 05.Mar.2011 (06:37)

И что меня больше всего беспокоит - зачем д.Вася наврал MSN-у, что ничего небыло??? Сказал бы что мол было , но никому не говори. Люди в "черном" на хвосту.
Мог сказать!!, что применение любых технологий, связаных с уменьшением потребления углеродных топлив , ведет к хаосу во всем мире! В этом ни одна страна не заинтересована! Вот и ничего не получается!
p.s. пипец мне


И сильно оно тебя беспокоит ?
Можешь спать спокойно, он мне не соврал.
А насчет "люди в черном", - ты эта... без фанатизма пожалуйста 🤢

_________________
Говорите говорите, я всегда зеваю когда мне интересно. 99,9% всех СЕ устройств, - от неправильных измерений


Torch | Post:292678 - Date: 07.03.11(09:49)
Taker - ""потому что слишком маленькое сопротивление в обмотке..""
на величину индуктивности смотри, потом смотри на частоту резонанса с этой индуктиностью, потом смотри на свой движок, что там на бирке написано - об/мин,
разбери и глянь на количество полюсов, потом глянь в справочник и увидешь сможет он работать в резонансе - САМОСТОЯТЕЛЬНО!
Как то так, я думаю.

Уважаемый MSN вам GRN перед смертью своей письмо не писал? и второе Видимо вы живете на Украине, а не в России ( это я о черном).

Taker | Post:292686 - Date: 07.03.11(10:37)
Torch Пост: 292678 От 07.Mar.2011 (09:49)
это я о черном

они повсюду

_________________
Трансформатор без ротора - деньги на ветер.


queet | Post:292696 - Date: 07.03.11(11:42)
Torch Пост: 292678 От 07.Mar.2011 (09:49)
...потом глянь в справочник и увидешь сможет он работать в резонансе - САМОСТОЯТЕЛЬНО!
А что, в справочнике это указано? 😎

sanvalerich | Post:293000 - Date: 08.03.11(14:54)
разбери и глянь на количество полюсов,

Как определить колличество полюсов? На что глядеть?


queet | Post:293034 - Date: 08.03.11(16:53)
Как определить колличество полюсов? На что глядеть?

На шильдик. Ежели там указано 3000 оборотов (или около того) знач одна пара полюсов. Ежели 1500 - знач две пары. и т.д...

sanvalerich | Post:293040 - Date: 08.03.11(17:06)
На шильдик. Ежели там указано 3000 оборотов (или около того) знач одна пара полюсов. Ежели 1500 - знач две пары. и т.д...

А что такое шильдик-то? Двиг для этого надо разбирать?

queet | Post:293044 - Date: 08.03.11(17:11)
Шильдик это табличка такая. К бочине движка приклепана. Там все и написано. И обороты, и мощность, и косинус...

sanvalerich | Post:293046 - Date: 08.03.11(17:16)
Спасибо, queet... 😀

matros | Post:293056 - Date: 08.03.11(17:51)
охренеть от мудрости пар полюсов а че ,есть такие хто не знает этой темы, тады ой
не. ну поправьте меня, Как можно искать пути неизведанные в искричестве если не известны пути известные маразм по моему - или как?

_________________
Бессмыслица — искать решение, если оно и так есть. Речь идёт о том, как поступить с задачей, которая решения не имеет.(АиБ)


sanvalerich | Post:293062 - Date: 08.03.11(18:04)
Матрос, у всех пути разные... 😀

matros | Post:293065 - Date: 08.03.11(18:13)
Да не про то я , к примеру взять 2 двигла 3000 один 3х другой 2х фазный ,так вот теоретически один (2х фазный можно в резонансе запустить) другой 3х фазный нихера, скажи почему? я кста могу обосновать все в классику укладывается ,так вот я призываю подумать прежде чем выдумывать .
с уважением matros.

_________________
Бессмыслица — искать решение, если оно и так есть. Речь идёт о том, как поступить с задачей, которая решения не имеет.(АиБ)


sanvalerich | Post:293073 - Date: 08.03.11(19:05)
я кста могу обосновать все в классику укладывается ,


Обоснуй, пожалуйста... 😀

queet | Post:293084 - Date: 08.03.11(19:53)
...все в классику укладывается...

Классика еще не есть истина. Увы...

matros | Post:293157 - Date: 09.03.11(03:05)


Обоснуй, пожалуйста... 😀



Да там все просто в 2х фазнике обмотки так расположены что эдс одной фазы (трансформаторная)практически полностью компенсируется на другой за счет геометрии. на одной половине обмотки в одну сторону на второй в другую в итоге ноль.а от стороннего источника все работать будет нормуль.
в 3х фазном геометрия другая и нет компенсации и как следствие влияние одной обмотки на другую,присутствует.

_________________
Бессмыслица — искать решение, если оно и так есть. Речь идёт о том, как поступить с задачей, которая решения не имеет.(АиБ)


PSRS900 | Post:293221 - Date: 09.03.11(13:13)
matros Пост: 293157 От 09.Mar.2011 (03:05)


Обоснуй, пожалуйста... 😀



Да там все просто в 2х фазнике обмотки так расположены что эдс одной фазы (трансформаторная)практически полностью компенсируется на другой за счет геометрии. на одной половине обмотки в одну сторону на второй в другую в итоге ноль.а от стороннего источника все работать будет нормуль.
в 3х фазном геометрия другая и нет компенсации и как следствие влияние одной обмотки на другую,присутствует.
Можно привести пример модели двухфазгого двигателя ??? или все однофазно конденсаторные считать таковыми.


matros | Post:293274 - Date: 09.03.11(16:57)
Я думаю что можно считать 2х фазными у которых обмотки геометрически сдвинуты на 90 град друг относительно друга (а в конденсаторных сдвиг фаз просто кондером делают)правда есть с разной индуктивностью обмотки ну и провод ,с ними сложнее.

_________________
Бессмыслица — искать решение, если оно и так есть. Речь идёт о том, как поступить с задачей, которая решения не имеет.(АиБ)


AlexSoroka | Post:293279 - Date: 09.03.11(17:25)
Ребята - может глупость скажу...

а почему никто не думал над темой бифилярных обмоток ?

если взять гипотезу(по ДедИвану) о том что бифилярка таки создает магнитное поле каждой из "слоев намоток" но противоположного знака-вектора, то значит можно создать мотор, в котором "перекосом" МП можно создавать крутящий момент...
и при этом управление им будет совсем другое - и полное перемагничивание полюсов нам не нужно - достаточно "биений" около некого постоянного значения.

matros | Post:296379 - Date: 22.03.11(14:07)
Всем привет.
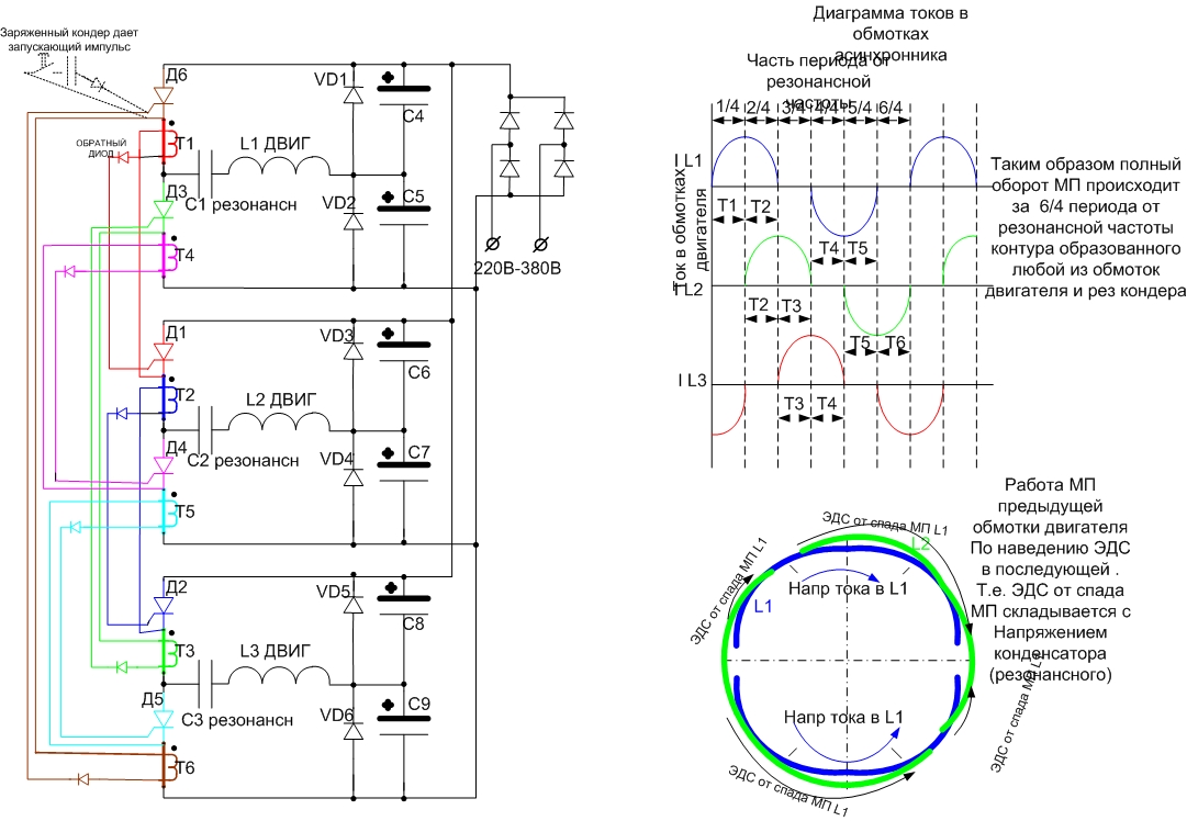
Вот выкладываю схему само вращения двигла. Основная идея, использовать сдвиг фаз в 90грд между обмотками (электрически)и за счет этого сдвига сложить энергию закаченную в обмотку с энергией резонансного кондера следующей обмотки,заряжая таким образом следующий кондер до еще больщего напряжения и так до насыщения стали. Т.е. использовать уменьшающееся МП работающей в данный момент обмотки для наведения (за счет трансформаторной связи между обмотками) в следующей обмотке напруги которая складываясь с напругой резонансного кондера увеличивает ток в обмотке и заряжает этот кондер уже до большего чем первоначальное напряжения.

логика работы схемы такая. все обмотки работают по очереди,по кругу ,каждая последующая включается когда ток в предыдущей начинает уменьшаться т.е. электрически сдвиг фаз между обмотками 90 грд.
допустим мы подали напругу на мост электролиты зарядились до половины сетевого напряжения .затем на любой из тиристоров подаем пусковой импульс допустим Д6 как на схеме.он открывается и через контур С1L1 начинает теч ток по синусу.также ток идет через первичную обмотку транса тока тока Т1,но во вторичке этого транса тока нет .там стоит обратный диод, когда же ток через транс тока начинает уменьшаться то во вторичке появляется напруга сдвинутая на 90 град к напруге первого контура C1L1 и эта напруга открывает тиристор Д2 и начинает теч ток через контур C2L2 а уменьшающийся ток первого контура наводит эдс во второй обмотке своим уменьшающимся МП .Таким образом напруги с электролита и наведенная складываются увеличивая ток через контур C2L2 заряжая кондер этого тока до немного большего напряжения и так все обмотки по кругу.После полной зарядки резонансных кондеров напругу сети можно отключать и уже будут работать резонансные кондеры.

Принцип критичен к конструкции двигателя необходимо чтобы обмотки распологались как в трех тысячнике , при таком расположении 2/3 работает в нужную сторону и 1 треть напротив ,таким образом 1/3 часть обмотки остается нескомпенсированной и наводит нужную нам эдс.


Размер: 319.51 KB

_________________
Бессмыслица — искать решение, если оно и так есть. Речь идёт о том, как поступить с задачей, которая решения не имеет.(АиБ)


МSN | Post:296380 - Date: 22.03.11(14:13)
на ХХ все прекрасно, под нагрузкой все плохо....

_________________
Говорите говорите, я всегда зеваю когда мне интересно. 99,9% всех СЕ устройств, - от неправильных измерений


matros | Post:296382 - Date: 22.03.11(14:14)
Может быть это измышлизмы пока,надо проверять.

_________________
Бессмыслица — искать решение, если оно и так есть. Речь идёт о том, как поступить с задачей, которая решения не имеет.(АиБ)


МSN | Post:296390 - Date: 22.03.11(14:22)
Я о том что под нагрузкой у АД как такового ЭДСа не будет.....

_________________
Говорите говорите, я всегда зеваю когда мне интересно. 99,9% всех СЕ устройств, - от неправильных измерений


sanvalerich | Post:296394 - Date: 22.03.11(14:27)
МSN

Я о том что под нагрузкой у АД как такового ЭДСа не будет.....


А у синхронного двигателя?

<] [ 1 | ... 120 | 121 | 122 | 123 | 124 | 125 | 126 | 127 | 128 | 129 | 130 | 131 | 132 | 133 | 134 | 135 | 136 | 137 | 138 | 139 | 140 | ... | 144 ] [>
У Вас нет прав отвечать в этой теме.
Форум - Резонансные генераторы - Резонанс Мельниченко - Автогенерация электродвигателя "Дяди Васи" - Стр 130
🏠 Главная | 📚 Содержание | 💬 Форум | 📁 Файлы | 📩 Контакт