[ВХОД]
10.04.26(17:50)

www.skif.biz

Альтернативная энергия. Оставь надежду, всяк сюда входящий...

🏠 Главная | 📚 Содержание | 💬 Форум | 📁 Файлы | 📩 Контакт
 
Резонансные генераторы
Магнитные генераторы
Механические центробежные (вихревые) генераторы
Электростатические генераторы
Водородные генераторы
Ветро- и гидро- и солнечные генераторы
Прочие идеи (разные)
О форуме
Транспорт
Оружие
Научные идеи, теории, предположения...
Экономия топлива
Коммерческие вопросы
Струйные технологии
Торсионные генераторы
Новые технологии
Барахолка
Патентный отдел
Конструкторское бюро
Нейтронная физика
Торнадо и смерчи
Гравитация и антигравитация
Сделай сам. Советы.
Медицина и здравоохранение

📱 | 🖨️

Форум - Прочие идеи (разные) - Схемотехника - Надо 3-х фазный генератор соорудить. - Стр:2
<] [ 1 | 2 ]
Модератор: Omega25
Первый пост темы: Omega25 Post: #81703 От:30.09.2007 (21:54)
Талгат Пост: 78364 От 26.Aug.2007 (14:49)
Надо 3-х фазный генератор соорудить 0.1 Гц - 10 МГц с перестраиваемой чатотй и скважностью импульсов.

Есть такая потребность, уже созрела и перезрела! Думаю, надо делать отдельным прибором, а то при экспериментах может комп. наводками выбить. Что если соединить последовательно три ждущих мультивибратора? Могу предложить принципиальную схему, только на дискретных элементах. Желательно бы собрать на доступных микросхемах с малыми токами потребления. Может у кого-то есть готовые схемные решения. Чем хороша идея со ждущими мультивибраторами – можно реализовать вариант 2-х фазный, 3-х фазный, 4-х фазный и т.д. и при этом регулировать длительность каждой фазы независимо от других.

На форум, у меня, получается заходить редко, быстро отвечать не смогу, но тема нужная и кажется не мне одному. Давайте решим эту задачу!?
jonifer | Post:277974 - Date: 02.12.10(13:02)
сейчас уже DSP 10$ стоит

JOKER | Post:277982 - Date: 02.12.10(14:00)
Конечно, прошить контроллер куда проще, чем спаять схемку на 1 транзисторе с RC фазовращателем

Конечно, а придумывать и паять схему компенсации ухода частоты от температуры еще проще чем на 5 проводах и 3 резюках прошить контроллер... 😀

Gobsek | Post:277985 - Date: 02.12.10(14:07)

JOKER | Post: 277982

человек ни того ни другого не делал.

Сейчас на одном ARM (от 40 рублей) можно получить почти чистный синус с ЦАПа для тех же 10 Мгц, либо хоть 7-и фазный ШИМ на те же 8-10 Мгц, и это все со спичечный коробок...

я б глянул на RC для 10 Мгц с "фазосдвигом" ))

Yarston | Post:278005 - Date: 02.12.10(16:50)
Да хоть 666 мгц 13 фаз - на RC - банально.

Gobsek | Post:278008 - Date: 02.12.10(17:35)
Yarston Пост: 278005 От 02.Dec.2010 (16:50)

.. 666 мгц 13 фаз - на RC - банально ..


.. на транзисторе, почему не ГГц ?
Школота люмпенствует, потерянное поколение.

Yarston | Post:278027 - Date: 02.12.10(19:43)
Мозгофф не хватает посчитать затухание сигнала в 1 rc цепочке, сдвигающей на 13/2pi (даже меньше, учитывая время дрейфа носителей)? Да хоть на лампах, хоть на ТД, были б руки из того места, а сделать можно🤢

Gobsek | Post:278488 - Date: 06.12.10(18:13)

Yarston Пост: 278027 От 02.Dec.2010 (19:43)
Мозгофф не хватает посчитать затухание сигнала в 1 rc цепочке, сдвигающей на 13/2pi (даже меньше, учитывая время дрейфа носителей)? Да хоть на лампах, хоть на ТД, были б руки из того места, а сделать можно🤢



Яйцон,



.. Вы стоите на самой низкой ступени развития. Вы ещё только формирующееся, слабое в умственном отношении существо. Все ваши поступки зверины! И вы, в присутствии двух людей с университетским образованием, позволяете себе давать советы космического масштаба и космической же глупости ...








Yarston | Post:278489 - Date: 06.12.10(18:26)
Gobsek | Post: 278488 - Date: Tue Dec 07, 2010 2:13 am



Yarston Пост: 278027 От 02.Dec.2010 (19:43)
Мозгофф не хватает посчитать затухание сигнала в 1 rc цепочке, сдвигающей на 13/2pi (даже меньше, учитывая время дрейфа носителей)? Да хоть на лампах, хоть на ТД, были б руки из того места, а сделать можно



Яйцон,

.. Вы стоите на самой низкой ступени развития. Вы ещё только формирующееся, слабое в умственном отношении существо. Все ваши поступки зверины! И вы, в присутствии двух людей с университетским образованием, позволяете себе давать советы космического масштаба и космической же глупости ...
Сасат, чмырёныш!
Таки ты не ответил - мозхи есть или нет? Судя по всему нет, и образование у тебя далеко не университетское🤢
А ведь схема-то элементарна, я и сам кое-какие приблуды с фазосдвигом на вч делал - дёшево и эффективно:)

kriotron | Post:278491 - Date: 06.12.10(18:35)
люди-человеки, а чего вам на сдвиговых регистрах-то не подходит? плавно работает, резисторами ступеньки можно прилично подобрать. 561ир2 не помню до скольки пашет...но до 2-3Мгц точно можно снять😊

_________________
Не бойся делать то, чего не знаешь. Ковчег построил любитель - профи создали Титаник.


Yarston | Post:278493 - Date: 06.12.10(18:42)
Да никому ничего не надо, вопрос был задан 3 года назад😬

Печкин | Post:385975 - Date: 15.08.12(16:36)
Налетай, подешевело DDS Signal Generator Module AD9850
Итого за 900 рублей 5 фаз + 5 инвесных. Ну и 5 цифровых + 5 инвесных, скважность можно рулить ЦАПом

Печкин | Post:385979 - Date: 15.08.12(16:48)
Плюс в подарок 5 светодиодов и 4 генератора на 125МГц.
Минус 6 8-битных регистров (5 данные, 1 строб записи) и дешифратор адреса, копейки.

P.S. это 5 каналов, могут быть независимыми, можно делать 4+1, 3+2, 3+1+1 и т.п.

P.P.S. сдвиг фаз для канала произвольный, частота произвольная

kriotron | Post:385985 - Date: 15.08.12(17:05)
ad9850 корявый синтезатор, глитчи вылазят...всплески в сигнале. SI-570 как синтезатор предпочтительней, но там одна линия, к сожалению

_________________
Не бойся делать то, чего не знаешь. Ковчег построил любитель - профи создали Титаник.


Печкин | Post:385990 - Date: 15.08.12(17:23)
на платке прямой фильтруется, религия не запрещает отфильтровать инверсный


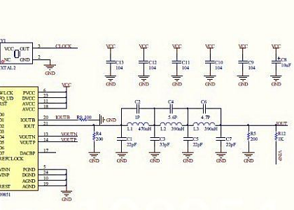
Размер: 122.84 KB

VASYA | Post:712756 - Date: 07.02.21(13:25)
http://www.mastervintik.ru/cifrovoj-generator-na-si5351/
такой хочу сделать но он имеет нижний порог частоты

<] [ 1 | 2 ]
У Вас нет прав отвечать в этой теме.
Форум - Прочие идеи (разные) - Схемотехника - Надо 3-х фазный генератор соорудить. - Стр 2
🏠 Главная | 📚 Содержание | 💬 Форум | 📁 Файлы | 📩 Контакт