[ВХОД]

24.03.26(09:11)

www.skif.biz

Альтернативная энергия. Оставь надежду, всяк сюда входящий...

🏠 Главная | 📚 Содержание | 💬 Форум | 📁 Файлы | 📩 Контакт

📱 | 🖨️

Форум - Резонансные генераторы - Резонанс Авраменко - Как работает вилка Авраменко? - Стр:1
[ 1 | 2 | 3 | 4 | 5 | 6 | 7 | 8 | 9 ] [>
Модератор: Begemotov
Begemotov | Post:259461 - Date: 02.08.10(11:07)
Предлагаю дать объяснение работе вилки Авраменко в однопроводных схемах.

Чтобы не растекаться по разным однопроводным схемам, вот описание эксперимента:

[ссылка]

Сразу замечу - это не схема Тесла, т.е. ни искровики, ни качеры там не задействованы, идёт синусоида звуковой частоты, и не самое большое напряжение.

Итак, главный вопрос:

Откуда в контуре нагрузки (между диодами вилки) берётся ЭДС, чтобы гонять ток, много больший, чем ёмкостный ток в однопроводной линии?

Минута пошла.


sw1972 | Post:259612 - Date: 02.08.10(20:59)
Пробовал. Вилка Авраменко работает.

Скорее всего, колебание заряда и колебание потенциала.
Очень желательно, чтобы был контакт точки соединения двух конденсаторов на массивный токопроводящий предмет, лучше на заземление.

_________________
Хорошее - враг лучшего



Zeus Bonhomous | Post:259691 - Date: 03.08.10(05:10)
Термо-электрический эффект.😀


bambyk | Post:259812 - Date: 03.08.10(18:59)
А откуда в колебательном контуре детекторного приемника наводится ЭДС? я вот думаю что с проводом вместо воздуха оно кашерней будет😎
просто связь с землей ёмкостная у вилки


Begemotov | Post:259853 - Date: 03.08.10(22:12)
http://pic.rapidshare.ru/1593691


Спасибо, совсем простая схемка! Надо повторить.


Begemotov | Post:259855 - Date: 03.08.10(22:15)
Надо как-то объяснить преобразование быстроменяющегося потенциала в ток. В случае понижающего трансформатора на приёмном конце это просто. А вот что происходит в диодах...

Ну, на крайняк придётся постулировать новое физическое явление, что тоже неплохо ).


turist1 | Post:259933 - Date: 04.08.10(13:38)
Странно...
Чем мое обьяснение не подходит:)
Вот в этой схеме например конденсатор заряжается при частоте 50 герц..и довольно быстро:)
Два бифилфра купера со встречной намоткой дают разницу потенциалов:))ну а цепь „тока” заряда замыкается через диоды и каждый из бифиляров не оказывая влияния на контур или первичку 😀 )


Размер: 125.73 KB


Размер: 125.73 KB


Begemotov | Post:259935 - Date: 04.08.10(13:48)
Bombar Пост: 259857 От 03.Aug.2010 (23:31)
Тема вилки Авраменко уже обсуждалась.
Вот отсюда [ссылка] и далее я делал попытки объяснить народу, как работает ВА.


Спасибо!

Подход Lazj мне нравится. Я тоже считаю, что диоды берут на себя роль генераторов ЭДС под воздействием быстроменяющегося потенциала. Понять бы ещё почему так происходит.


Azazello | Post:259937 - Date: 04.08.10(13:57)
Диод элемент нелинейный, вот и все объяснение. Очень наглядная аналогия, при небольшом наличии воображения - представьте себе два ниппеля, соединенных шлангом последовательно. Шланг можно соединить в кольцо. Промежду ниппелями сдавливаем ритмически шланг рукой - и "о, чудо" - воздух в шланге пришел в движение по кругу. 😀 )
Не, ну правда, пневматика и гидравлика помогают понять электродинамику!:)


Begemotov | Post:259938 - Date: 04.08.10(14:02)
Azazello Пост: 259937 От 04.Aug.2010 (14:57)
Диод элемент нелинейный, вот и все объяснение. Очень наглядная аналогия, при небольшом ниличии воображения - предствьте себе два ниппеля, соединенных шлангом последовательно. Шланг можно соединить в кольцо. Промежду ниппелями сдавливаем ритмически шланг рукой - и "о, чудо" - воздух в шланге пришел в движение по кругу. 😀 )
Не, ну правда, пневматика и гидравлика помогают понять электродинамику!:)


Это "сдавливание шланга" - ЭДС в цепи, правильно? Так вот вопрос остаётся тем же - откуда берётся ЭДС в этой цепи?


Azazello | Post:259939 - Date: 04.08.10(14:08)
ооооо..... генератор вырабатывет.



Begemotov | Post:259941 - Date: 04.08.10(14:11)
Если уж аналогию шланга использовать, то ток в подводящем (однопроводном) шланге и ток в колцевом должны быть одинаковы. А это не так.

Я, кстати, дополню лот.

Гипотеза, объясняющая работу ВА, должна объяснять, почему мощность в контуре нагрузки пропорциональна амплитуде напряжения, и частоте. Сиречь - первой производной от напряжения.


Zeus Bonhomous | Post:259944 - Date: 04.08.10(14:21)
В механических частях реле появляется ЭДС под воздействием резонанса стоячих волн, возникающего в вибрирующих пластинах-контактах при повышении частоты переключений. Подобная трясучка чуть пол цеха не развалила, пока на обед на 40 минут вышли.
Такой же эффект, при определённых частотах возможен в определённых диодах... 😀
Вот здесь у Теслы есть кое-что об этом:
ОТКРОВЕНИЯ Николы Теслы. *.DjVu формат. Для просмотра файл необходимо скачать. Начало статьи стр.68


turist1 | Post:259947 - Date: 04.08.10(14:45)
Азазелло Гидравлика или пневматика помогает понять процессы но это тупиковый путь..В проводниках вещество не движется.Может двигатся только фронт волны изменного состояния..



Azazello | Post:259948 - Date: 04.08.10(14:49)
turist1 Пост: 259947 От 04.Aug.2010 (15:45)
Азазелло Гидравлика или пневматика помогает понять процессы но это тупиковый путь..В проводниках вещество не движется.Может двигатся только фронт волны изменного состояния..
в проводниках нас интересуют прежде всего электроны.
вот они и движутся.
а как-то давно еще дед Иван на пальцах объяснял про ток переноса, ток смещения и т.д.
Так вот, в ВА ток смещения преобразуется в другой ток, обычный, от которого и питается нагрузка. Может я и ошибаюсь, конечно.
Если глянуть на схему детекторного прриемника - прямая аналогия!
а сейчас вот пришла мысля, что очень эта ВА напоминает... гидротаран!
В-общем, тема уже баян.



Begemotov | Post:259949 - Date: 04.08.10(14:51)

а сейчас вот пришла мысля, что очень эта ВА напоминает... гидротаран!


Да, действительно.


alexol | Post:259956 - Date: 04.08.10(15:24)
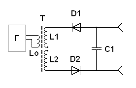
Вот здесь: [ссылка] есть схема, которая приведена ниже. Ну и еще абзац из этой статьи:
"...Механизм получения энергии в генераторе Авраменко очень напоминает тот, что имеет место в Тестатике. Особенно это сходство проявляется в модифицированном генераторе Авраменко (модификация моя) (рис.4)...
...В этой схеме уже имеются две одинаковые вторичные обмотки L1 и L2, у которых по одному концу оставлены свободными, а вторые концы соединены, соответственно, с диодами D1 и D2, с которых энергия в виде электрических зарядов накапливается на конденсаторе C1, с обкладок которого их можно направить в нагрузку в виде электрического тока. И как в классической схеме Авраменко выход максимальной мощности в нагрузку возможен при частоте генератора Г, равной частоте резонанса контура L1C1 или L2C1. Разомкнутость контура L1-D1-C1-D2-L2 обеспечивает режим сверхпроводимости."

Эту статью, когда то, готовил админ сайта next-energy.ru , многим здесь уже известный г-н Space Reason. В свое время ему был задан вопрос по поводу ее работоспособности и получен ответ, в том плане, что схема лично им проверена, работает и показала свою эффективность на частотах около 1 МГц. Правда, уточняющий вопрос о сердечнике и частоте в 1 МГц, был проигнорирован.
Вот исходя из того, что я здесь процитировал и понаписал, хотелось бы услышать ваше мнение в отношении работоспособности такого схемного решения по мотивам вилки Авраменко.


Размер: 2.27 KB


Zeus Bonhomous | Post:259964 - Date: 04.08.10(15:59)
"Таким образом, генератор в схеме Авраменко, задает ритм эфирным потокам, а колебательный контур из вторичной обмотки генератора и конденсатора в вилке Авраменко в соответствии с законами колебаний осуществляют отбор «энергии» из потоков эфира." [ссылка]

Всего лишь использование электромагнитных колебаний эфира, подстроившись под резонанс его собственных колебаний...
Но эфир неоднороден!
В следствии прохождения нашей Солнечной системой неоднородностей эфира требуется постоянная подстройка.




turist1 | Post:259965 - Date: 04.08.10(16:02)
Azazello Пост: 259948 От 04.Aug.2010 (15:49)
turist1 Пост: 259947 От 04.Aug.2010 (15:45)
Азазелло Гидравлика или пневматика помогает понять процессы но это тупиковый путь..В проводниках вещество не движется.Может двигатся только фронт волны изменного состояния..
в проводниках нас интересуют прежде всего электроны.
вот они и движутся.
а как-то давно еще дед Иван на пальцах объяснял про ток переноса, ток смещения и т.д.
Так вот, в ВА ток смещения преобразуется в другой ток, обычный, от которого и питается нагрузка. Может я и ошибаюсь, конечно.
Если глянуть на схему детекторного прриемника - прямая аналогия!
а сейчас вот пришла мысля, что очень эта ВА напоминает... гидротаран!
В-общем, тема уже баян.
никакие электроны там тоже не двигаются..Дед их не видел и ты не видел и никто не видел...Электроны это только теория.Ничуть не лучше других теорий..только что общепризнаная..И результаты опытов можно обьясгить как с движением электронов так и без электронов..
Даже работу транзисторов и электронно лучевых приборов можно обьяснить без движения электронов:)
Не надо зацикливатся.:)


Begemotov | Post:259966 - Date: 04.08.10(16:02)
FYI.

Те, кто разрабатывает и продаёт однопроводные технологии (НИИ Электрификации С.Х.), никогда не упоминали сверхединичные эффекты. У них как в аптеке - что в генератор залили, то в нагрузке вылили. Ну за вычетом потерь в линии.


ert_zeb | Post:259968 - Date: 04.08.10(16:09)
Разомкнутость цепи в данном случае представляет собой соединение двух катушек L1, L2 исчезающе малой ёмкостью. Например простая штыревая антенна - это тоже колебательный контур с небольшой индуктивностью (т.к. провод прямой) и небольшой ёмкостью (т.к. площадь "пластин" и расстояние между ними велико). А стало быть низкой добротностью и высоким излучением.
С тем же успехом можно соединить ёмкостью катушки в схеме от туриста (для ясности).
Кстати, подключать диоды желательно с учётом максимума и минимума волн. А сам провод в точках минимума заземлять (но это по вкусу).


ert_zeb | Post:259969 - Date: 04.08.10(16:15)
Даже работу транзисторов и электронно лучевых приборов можно обьяснить без движения электронов


Можно. Но если взять лазер на свободных электронах, то получается, что излучение при торможении электронов появляется вроде как из ниоткуда.


turist1 | Post:259970 - Date: 04.08.10(16:16)
Генератор может быть только источником потенциалов. Энергия же конденсатора зависит от квадрата напряжения.:) мощностькоторую можно снять с конденсатор будет также зависеть от частоты .
Посмотрите внимательго еще раз га эту схему..
Конденсатор заряжается без влияния на первичку уже на 50 герцах.Увеличьте напряжение между бифилярами.увеличьте частоту. Намотайте такие бифиляры вместо вторички Тесла 😀
Или никому не надо???:):)



Размер: 125.73 KB


turist1 | Post:259973 - Date: 04.08.10(16:31)
ert_zeb Пост: 259969 От 04.Aug.2010 (17:15)
Даже работу транзисторов и электронно лучевых приборов можно обьяснить без движения электронов


Можно. Но если взять лазер на свободных электронах, то получается, что излучение при торможении электронов появляется вроде как из ниоткуда.

Сначала надо разобратся с самим торможением„электронов”может там какие то другие процессы?:)


Размер: 125.73 KB


ert_zeb | Post:259974 - Date: 04.08.10(16:35)
Смотрю и вижу колебательные контуры. Глюки на ночь глядя...


Размер: 74.48 KB


[ 1 | 2 | 3 | 4 | 5 | 6 | 7 | 8 | 9 ] [>
У Вас нет прав отвечать в этой теме.
Форум - Резонансные генераторы - Резонанс Авраменко - Как работает вилка Авраменко? - Стр 1
🏠 Главная | 📚 Содержание | 💬 Форум | 📁 Файлы | 📩 Контакт