[ВХОД]
30.05.26(21:12)

www.skif.biz

Альтернативная энергия. Оставь надежду, всяк сюда входящий...

🏠 Главная | 📚 Содержание | 💬 Форум | 📁 Файлы | 📩 Контакт
 
Резонансные генераторы
Магнитные генераторы
Механические центробежные (вихревые) генераторы
Электростатические генераторы
Водородные генераторы
Ветро- и гидро- и солнечные генераторы
Прочие идеи (разные)
О форуме
Транспорт
Оружие
Научные идеи, теории, предположения...
Экономия топлива
Коммерческие вопросы
Струйные технологии
Торсионные генераторы
Новые технологии
Барахолка
Патентный отдел
Конструкторское бюро
Нейтронная физика
Торнадо и смерчи
Гравитация и антигравитация
Сделай сам. Советы.
Медицина и здравоохранение

📱 | 🖨️

Форум - Резонансные генераторы - Электронные генераторы (схемотехника) - Вопрос по конденсаторам - Стр:1
Модератор: djm132
djm132 | Post:17353 - Date: 09.01.06(01:46)
Попался мне как-то некий веселый документик и так было все просто там написано, что заставило засесть в EWB 😀

Итак, имеем 2 конденсатора емкостью C=40000 мкФ, источник питания U=12В, резистор R=100 Ом (как нагрузка), схемка номер 1 в прилагаемом файле.

1) Заряжаем конденсатор C1 до 12В, заряд на нем Q=12*C1, отключаем от источника питания.
2) Разряжаем C1 через резистор (нагрузку) на незаряженный конденсатор C2. Получаем 2 заряженных C1 и C2 по 6В каждый, общий заряд Q=6*C1 + 6*C2 сохранен, но находится теперь в двух конденсаторах. Также через нагрузку Rпрошел ток, выполнилась работа (моторчик у меня крутился естественно).

Вопрос:
Каким способом можно "слить" 2 заряда из C1 и C2 в один конденсатор такой же емкости C, но естественно с напряжением опять 12В, т.е. обьеденить оба заряда в одном конденсаторе опять ?

Пробовал в ewb поставить бустер, но внятного результата не получил.
free_electricity_circuit_using_capacitors.pdf
Размер: 154.34 KB

FM | Post:17354 - Date: 09.01.06(03:19)

Вопрос:
Каким способом можно "слить" 2 заряда из C1 и C2 в один конденсатор такой же емкости C, но естественно с напряжением опять 12В, т.е. обьеденить оба заряда в одном конденсаторе опять ?


По схеме короткое по времени замыкание ключа перекинет заряд с левого конденсатора на правый, не зависимо от заряда на правом. (сердечник индуктивности должен быть незамкнутым!)


Размер: 2.22 KB

djonny | Post:17388 - Date: 09.01.06(16:55)
Энергия конденсатора: E=(C*U^2)/2 , поэтому после разряда первого кондера на второй, их общая энергия станет в 2 раза меньше, чем изначально была в первом.

FM | Post:17389 - Date: 09.01.06(17:02)
Так идея в том и заключается, что нужно сохраняя! заряд Q, перебросить его из одного конденсатора в другой - тогда и энергия повысится, а пока получается только сохранять энергию, но может что и придумаем...

djonny | Post:17392 - Date: 09.01.06(17:21)
FM, так нет, я писал о том, что по формуле энергия первого кондера в 2 раза больше энергии двух одинаково заряженных кондеров, но с напряжением в 2 раза меньшим. Т.е. энергия, оседающая на резисторе в процессе зарядки С2 и есть та "пропадающая" половина. По формуле все так, ведь конденсатор - нелинейный элемент (по напряжению).

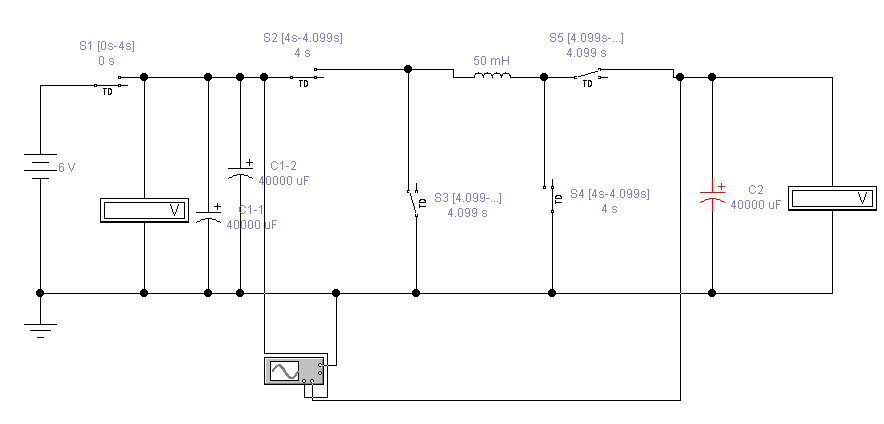
djm132 | Post:17403 - Date: 09.01.06(18:58)
FM, спасибо!

Набросал тут схемку.
Работать должна по идее так:
1) T=0...4s - зарядка первого конденсатора, S1-замкнут, S2-разомкнут
2) T=4...4.107s - разрядка конденстора на идуктивность,S1,S3,S5-разомкнут,S2,S4-замкнуты
3) T=4.107s-...s - индуктивность отдает запас во второй конденсатор S3,S5-замкнуты, S2,S4-разомкнуты.

На шаге 3 начинается колебательный процесс, но интерес представляет максимум на втором конденсаторе.

Почему он всего лишь 4.25В ???? Катушка же должна отдать весь свой заряд за четверть периода ??

В атаче скриншоты и сам ewb файл, если кто захочет поэкспериментировать со схемой.
tdcap.ewb
Размер: 16.46 KB


Размер: 14.06 KB


Размер: 7.48 KB

djonny | Post:17405 - Date: 09.01.06(19:23)
djm132, так зачем набрасывать схему, если по формуле здесь свободной энергии не предвидится, или у вас другая формула есть ?

djm132 | Post:17413 - Date: 09.01.06(20:38)
djm132, так зачем набрасывать схему, если по формуле здесь свободной энергии не предвидится, или у вас другая формула есть ?


Другой формулы нет, просто не выходит из головы первый опыт в файле (с моторчиком). Я его делал, правда мотор был от дисковода, а там какая-то схема судя по всему внутри, найду простейший от игрушки, попробую 😀

FM | Post:17414 - Date: 09.01.06(20:47)

Почему он всего лишь 4.25В ???? Катушка же должна отдать весь свой заряд за четверть периода ??


1 Может забыли учесть, что на 2х диодах падает около 2х вольт.

2 Не понятно зачем по вашей схеме S3 контакты, ведь индуктивность и так отдаст напряжение (она создает как бы инерцию движения зарядов) Кстати индуктивность с висящим одним концом эмулятор схемы обычно не умеет рассчитывать. Вместо S3, если очень хочется можно диод поставить минусом к верху.

3 В вашем алгоритме нет такта времени, когда S2 и S5 замкнуты одновременно, это позволит предварительно выровнять разницу зарядов между конденсаторами.

4 Очень советую проверять на больших напряжениях, что бы не учитывать мелкие потери на диодах. (50-100 вольт)

FM | Post:17415 - Date: 09.01.06(20:56)

я писал о том, что по формуле энергия первого кондера в 2 раза больше энергии двух одинаково заряженных кондеров, но с напряжением в 2 раза меньшим.


Все верно, но:
Я пытался сказать, что на двух конденсаторах заряд остался прежним (при уменьшении энергии) - цепь перераспределения зарядов между конденсаторами расчитывается исходя из сохранения исходного заряда С*U.

Но ведь если зарядить конденсатор, то один и тот же заряд в конденсаторе, но с меньшей емкостью даст больше энергии. Следовательно ищется способ переброски заряда(не уменьшая его) от конденсатора большей емкости (2шт с половинным напряжением) на конденсатор меньшей емкости (1шт с полным напряжением)

djonny | Post:17416 - Date: 09.01.06(21:22)
Да, я запутался. По одной формуле энергия уменьшилась, а по другой заряд остался тем же :roll:

djm132 | Post:17420 - Date: 09.01.06(21:42)

Почему он всего лишь 4.25В ???? Катушка же должна отдать весь свой заряд за четверть периода ??


1 Может забыли учесть, что на 2х диодах падает около 2х вольт.



Да, убрал диоды - сейчас на втором кондере получает примерно 5.9В на пике.


2 не понятно зачем по вашей схеме S3 контакты, ведь индуктивность и так отдаст напряжение (она создает как бы инерцию движения зарядов) Кстати индуктивность с висящим одним концом эмулятор схемы обычно не умеет рассчитывать. Вместо S3, если очень хочется можно диод поставить минусом к верху.



Да, там возникали какие-то артефакты - т.е. реально цепь индуктивности должна быть замкнута, по крайней мере это справедливо для ewb. В противно случае эмулятор показывал 0 на втором конденсаторе.


3 Очень советую проверять на больших напряжениях, что бы не учитывать мелкие потери на диодах. (50-100 вольт)


Это пока первый шаг, сейчас буду пробовать сливать на уже наполовину заряженный конденсатор,что бы выйти на исходное начало цикла.

Кстати половина заряда уже совершила работу на R (при перезарядке, первый пост) и 50% уже отбили 😀

FM | Post:17422 - Date: 09.01.06(22:01)
djm132,

А следующим шагом можно заряд конденсатора подавать на один номинал индуктивности, а разряжать ее магнитное поле уже при пониженной индуктивности(с другой обмотки, но на том же сердечнике)...

Получим еще дополнительно параметрический усилитель однако!

djm132 | Post:17426 - Date: 09.01.06(23:23)
Таак... Из одного конденсатора в другой такой-же переливается практически полностью (5.91в из 6 начальных).

Теперь попытался приблизится к реальной задаче, сделал конденсатор C1 состоящим из двух одинаковых по 40000 мкФ, т.е. C1 теперь равен 80000 мкФ, исходное напряжение на нем 6В. Индуктивность уменьшена с 100 mH до 50 mH, время разрядки C1 на индуктивность 0.099 с, такими же заданы временные отсечки на S1-S5.

Однако не могу понять почему индуктивность не отдает весь заряд на C2 - напряжение на нем получется в пике 8.45В, а цель была получить 12В. Емкость C2=C1/2. При использовании "бустера" с 6 до 12 в, кстати тоже до 8-9 в заряжалось...

😕 :?:


Размер: 7.71 KB


Размер: 14.35 KB

djonny | Post:17427 - Date: 10.01.06(00:14)
Народ, вот зря вы так забыли про закон сохранения :? djm132, Если посчитать по формуле E=(C*U^2)/2, то и получается ровно 8.45 В.

FM | Post:17429 - Date: 10.01.06(00:25)
djm132,
В данном случае катушка переливает не заряд, а энергию (ведь катушка не изменяется по параметру в процессе). Примем, что емкости по величине 1ф и 2ф (что бы легче считать)

Энергия на входе (С*U^2)/2 = (2*6^2)/2=36 дж
Энергия на выходе (0.5C*U^2)/2 = (1*8.45^2)/2=35.7 дж

Так что в твоем случае все как и полагается, остается перекачивать энергию из одного кондера в другой и по ходу дела попытаться откачивать энергию из протекающего потока зарядов по проводам.

Напоминаю, что можно закачивать в большую индуктивность, а обратный всплеск получать на малой индуктивности.....
Если L примем равной 1гн, а уменьшать индуктивность коммутацией будем в 2 раза.
Ток начальный пусть будет 1амп
Тогда входная энергия (L*I^2)/2 = 0.5 дж
а выходная будет (0.5*L*(2I)^2)/2 = 1 дж

(ток удваивается, так как магнитный поток не должен успеть по определению изменится во время коммутации "заряженной" катушки - магнитный поток константа Ф=L*I)

djm132 | Post:17438 - Date: 10.01.06(01:56)
FM,djonny, спасибо.

Вылетело из головы, что энергия квадратично зависит от напряжения. Насчет катушек хорошая идея, надо будет попробовать. Хотя на трансформатор это похоже :wink:

djonny | Post:17441 - Date: 10.01.06(02:18)
djm132, у меня это тоже всегда вылетает 😀

Эл | Post:32664 - Date: 17.07.06(08:58)
Всем привет!
Поскольку не нашел болееподходящей темы на форуме, хочу задать один вопрос:
кто-нибудь изготавливал ионисторы, как его изготовить из доступных материалов, есть ли возможность применения такой технологии в изготовлении аккумуляторов большой емкости?

Да, получилось три вопроса!

cation | Post:32687 - Date: 17.07.06(14:49)
Эл, посмотри здесь
[ссылка]
как говориться " на Скифе все есть..."


Эл | Post:32692 - Date: 17.07.06(16:15)
CATION-у, мерси боку!
Нашел страничку, читаю! Спасибо, дружище огромное!
С уважением!😎

Valeri-Vas | Post:32725 - Date: 18.07.06(10:57)

Мне изготовили пять ионисторов на предприятии, выполнявшем заказы оборонки, ж.д., американцев (на автобусы). Недорогие. Использовался в технологии древесный уголь и щелочь.
Один импульсный, в целом, надежды оправдал. Четыре тяговых, запланированных для усттановки на электромобиль, (60Кдж, 140в, 30Кг каждый) не выдержали одно условие. Имели высокое внутреннее сопротивление, около 1 Ома. В 100 раз превысили требование. Были возвращены изготовителю. Вскоре проданы для иных целей.

У Вас нет прав отвечать в этой теме.
Форум - Резонансные генераторы - Электронные генераторы (схемотехника) - Вопрос по конденсаторам - Стр 1
🏠 Главная | 📚 Содержание | 💬 Форум | 📁 Файлы | 📩 Контакт