[ВХОД]
22.04.26(03:42)

www.skif.biz

Альтернативная энергия. Оставь надежду, всяк сюда входящий...

🏠 Главная | 📚 Содержание | 💬 Форум | 📁 Файлы | 📩 Контакт
 
Резонансные генераторы
Магнитные генераторы
Механические центробежные (вихревые) генераторы
Электростатические генераторы
Водородные генераторы
Ветро- и гидро- и солнечные генераторы
Прочие идеи (разные)
О форуме
Транспорт
Оружие
Научные идеи, теории, предположения...
Экономия топлива
Коммерческие вопросы
Струйные технологии
Торсионные генераторы
Новые технологии
Барахолка
Патентный отдел
Конструкторское бюро
Нейтронная физика
Торнадо и смерчи
Гравитация и антигравитация
Сделай сам. Советы.
Медицина и здравоохранение

📱 | 🖨️

Форум - Резонансные генераторы - Резонансный трансформатор Теслы - запись показательной демонстрации - Стр:27
<] [ 1 | ... 17 | 18 | 19 | 20 | 21 | 22 | 23 | 24 | 25 | 26 | 27 | 28 | 29 | 30 | 31 | 32 | 33 | 34 | 35 | 36 | 37 | ... | 58 ] [>
Модератор: niki
Первый пост темы: niki Post: #104458 От:08.03.2008 (16:48)

Вашему вниманию предлагается уникальная часовая запись показательной демонстрации РАБОТАЮЩЕЙ модели 5Кв-й установки на основе

тр. Тесла.
Просьба всем заинтересованным в кратчайшее время скачать и по возможности максимально распространить этот уникальный материал.

Кадры на самом деле уникальны, они сняты любительской камерой и никогда и нигде ранее не демонстрировались. Выкладываю этот

материал в надежде на то, что он поможет или натолкнет вас на идеи по скорейшему решению энеретических проблем людей и

поспособствует СВОБОДНОМУ распространению знаний. Кадры были отсняты в Грузии несколько лет тому назад, при демонстрации

присутствовали представители АН Грузии, и некоторые журналисты, в том числе зарубежные.
С уважением,
NIKI..
Also,в помощь деду Ване:) Ссылки на рапиде, см. ниже:

[ссылка]
[ссылка]
[ссылка]
[ссылка]
lazj | Post:166200 - Date: 10.03.09(23:01)
фото аналогичной лампы, мощность 1 хиловатт.


Размер: 96.25 KB

_________________
"Наука - это то, чего быть не может. То что может быть - это уже технический прогресс" (П.Л. Капица) "Делай, что должно и будь, что будет.."


AX | Post:166216 - Date: 10.03.09(23:54)
sai99 Пост: 166199 От 10.Mar.2009 (22:58)
To AX не парься , не существует в природе аккумуляторов способных дать такой ток на преобразовании , также заметь на разряднике дуга , а значит внутри кроме твоих аккумуляторов еще и высоковльтный преобразовательи конденсатор , не маловата ли коробочка ?
Тема аккума уже обсуждалась и все пришли к выводу что
ЭТО НЕ ВОЗМОЖНО!!!

я и не парюсь, мне нужна истина!
говорю, просто что:
а. не извесно какая в действительности там мощность (номинал ламп не разглядеть, напряжение карлсона 5-220 вольт, дуга не особо мощная)
б. МИННЫЕ БАТАРЕИ никто не вкурсе, разве? никакой аккум не сравнится (а по габаритам их туда две влезет как и импульсный преобразователь)
в. ЯВНЫЙ накал двух (! как в обычном преобразователе напряжения) мощных тразюков
г. ну не будет обычный пропеллер жрать какой попало ток (2Vexx а после старта он по любому должен дуть, иначе в нём смысла нет.... охлаждать стартёр прощще мокрой тряпкой ))) )

По-всем фактам, это может быть утка! и тупиковая ветвь!, а как хочется надеяться, да?

кстати, чем это шибануло усатого собрата (по нему видно, что коробочка не из лёгких) ?

скажу и против себя, для справедливости:
согласен ... лампы действительно похожи, но светят не ярко (для киловата).
белый короткий проводок идёт то ли в девайс, то ли из него
(у выхода вторички на лампы) -запросто может быть обратной связью или питать управляющую схему, включая карлсона
либо хитро ж.. умное переключение обмоток

_________________
играю в бисер


Vexx | Post:166267 - Date: 11.03.09(06:48)
sai99 Пост: 166190 От 10.Mar.2009 (22:23)
2Vexx ты появился наконец, как на счет фильма ???


Уехал в коммандировку на месяц теперь по приезду 😕

AX | Post:166316 - Date: 11.03.09(10:36)
Ну да и ладно )
у меня мыслишки уже есть, к традиционной физике отношения не имеют .. скорее так

нарисую выложу
(походу у него выпрямитель грееццо сильно, как и должно быть)

_________________
играю в бисер


Sergh | Post:166385 - Date: 11.03.09(15:22)
Исходя из патента Тесла на приемник радиантной энергии, из его статьи про космические лучи с упоминанием что весь эффект получается от ионизации воздуха, из аналогичного устройства Моррея и Perreault, где тоже были заземление и антенна-противовес, вырисовывается такой принцип:

Луч рентгена разряжает электроскоп.
- создается мощная короткая вспышка рентгеновских лучей. Они ионизируют воздух таким образом что воздух на короткое время становится проводником. Весь положительный заряд из воздуха, который образовался за счет космических лучей, быстро стекает на отрицательно заряженную Землю.
Рнт
Рнт
Размер: 10.33 KB

AX | Post:166404 - Date: 11.03.09(16:51)
Можете в меня стрелять, но, таки рентген тут нипричём
просто "эфирный вихрь" создаваемый генератором (башней) имеет форму перевёрнутого торнадо и положительные заряды стекают по нему из верхних слоёв атмосферы в отрицательную землю

_________________
играю в бисер


AX | Post:166410 - Date: 11.03.09(17:48)
Вот ... давайте и мы порисуем ))
подключение катушек самого удивило, но очень похоже, что у Капанадзе именно так

предупреждаю, теория странная, потом объясню


в кратце:
толкаем эфир короскими высоковольтными импульсами (к которым эфир чувствителен),
"эфирный ветер" индуцирует во вторичке и увлекает электроны из земли в нагрузку

_________________
играю в бисер


Sergh | Post:166411 - Date: 11.03.09(17:49)
Вот только "башня" всего 30 см длинной и на боку лежит.

AX | Post:166412 - Date: 11.03.09(17:52)
Sergh Пост: 166411 От 11.Mar.2009 (17:49)
Вот только "башня" всего 30 см длинной и на боку лежит.

мощность рентгена нужную сперва представте

_________________
играю в бисер


Sergh | Post:166413 - Date: 11.03.09(17:58)
Представляю, рентгеновская лампа с накалом в 5 киловатт, импульсным напряжением 250 киловольт(рекомендуется Perreault-ом).

Странно что мужик с клещами там напряжение меряет, на катушке прибор даже что-то вменяемое показывает, а вот на тех же проводах на лампах - виснет.

Или импульсы очень короткие, или изоляция подошвы ботинок хорошая. Или импульсы на время измерения отключали.

AX | Post:166450 - Date: 11.03.09(21:25)
Sergh Пост: 166413 От 11.Mar.2009 (17:58)

.... Или импульсы на время измерения отключали.

и к розетке подключали )))

_________________
играю в бисер


AX | Post:166688 - Date: 13.03.09(10:20)
Где троли то?
(остальные)

_________________
играю в бисер


niklz | Post:168584 - Date: 21.03.09(01:53)
Катушку снаружи можно снять и выкинуть в мусор-одна бутафория.Все внутри коробки!Конкретно трансформатор Анкевича (первоначально Тесла)с униполярным выходом в виде интересненького экрана между первичкой и вторичкой-- я так думаю.😎 С высокой частоты -получить 50 Гц как два пальца об асфальт.
И чего...в ладоши хлопать будем?Если да -то только настоящему автору-Николе Тесла!

lazj | Post:168586 - Date: 21.03.09(02:01)
niklz , можно поподробнее?

_________________
"Наука - это то, чего быть не может. То что может быть - это уже технический прогресс" (П.Л. Капица) "Делай, что должно и будь, что будет.."


dedivan | Post:168600 - Date: 21.03.09(09:14)
niklz Пост: 168584 От 21.Mar.2009 (01:53)
Катушку снаружи можно снять и выкинуть в мусор-одна бутафория.


Это значит не занимался катушками, не знаешь что такое импульсная раскачка контура.

А мне наоборот - катушка более всего интересна.
Если внимательно посмотреть- вторичка многослойная намотана чем то
вроде коаксиального кабеля.
Это один из моих семи опробованных вариантов подгонки продольного и
поперечного резонансов в контуре.
Но у меня тогда давно что то не получилось, невнимательно наверное
смотрел. Надо глянуть еще раз.
Продольная волна в проводнике имеет СЕ, но частота колебаний в три раза выше чем у контура. Многослойность позволяет запустить
эту продольную волну три раза вдоль катушки - туда обратно,
тут можно и попасть в фазу с колебаниями в контуре.
Тут как раз надо быть архитектором, порисовать эти волны,
найти количество первых, чтобы они нарисовали в итоге синусоиду
основных колебаний.

_________________
я плохого не посоветую


dedivan | Post:168611 - Date: 21.03.09(10:09)
Вот примерно так выглядит схема катухи Капанадзе.

Если есть какие замечания- давайте поправим.

От себя могу добавить- если вторичку мотать коаксиалом, то можно использовать
сначала оплетку- потом центральную жилу последовательно.
Получим бифиляр Теслы, только коаксиальный вариант.


Размер: 3.94 KB

_________________
я плохого не посоветую


ViSion | Post:168715 - Date: 21.03.09(15:17)
Дед , катуха ТВ кабеля так хорошо и правильно в бухте намотана всегда , просто жалко разматывать , но это как говорит В.Д. , лирика .А потери на внутренней жиле ? кажется немного неравновесная катуха получится , хотя на НЧ...может и прокатит.
И по подключению разной нагрузки при таком включении частотные ха. - ки контура не сильно изменятся ?

AlexZander | Post:168792 - Date: 21.03.09(20:56)

Если внимательно посмотреть- вторичка многослойная намотана чем то
вроде коаксиального кабеля.


Или любого другого экзотического высоковольтного...

Ну почему же, есть еще один вариант - есть "хитрый" автомобильный высоковольтный (свечной) провод - так вот там центральная жила в виде пружинки.

PS: дежа-вю...

PPS: хотя обмотку из трех катушек я уже тоже где-то видел... Нелинейная индуктмвность однако. Две встречно и еще одна...

dedivan | Post:168807 - Date: 21.03.09(21:40)
AlexZander Пост: 168792 От 21.Mar.2009 (20:56)
Ну почему же, есть еще один вариант - есть "хитрый" автомобильный высоковольтный (свечной) провод - так вот там центральная жила в виде пружинки.


И нихром к тому же. Не, этот вариант для контура не катит. Я уж
прикидывал. А если обычный высоковольтный- то коаксиал не хуже-
дешевле и доступнее только.

Считаем- 220 вольт на двух витках вся катуха витков 150 напряжение
не более 20кв.

Там не надо какие то супертехнологии искать- достаточно на радиаторы
транзисторов посмотреть. Да еще греются.
Значит и схемотехника на той же высоте.
От инвертора коробка потребляет вего 0,4 ампера- значит 100 ватт.
Это какой уровень- чтоб еще и транзисторы преобразователя грелись?

Я по этим радиаторам прикинул- 20 вт они спокойно без вентиля рассеивают.
Значит у него больше- ватт по 40. итого на искру остается 20 вт.
По искре похоже- не больше.



_________________
я плохого не посоветую


AX | Post:168823 - Date: 21.03.09(22:14)
Тесла мотал ВЧ вольфрамом, кстати, (для "свертекучего" тока и вакуум - проводник)
и работало же

А с коаксиалом, не так всё просто
индуктивности из него делают (коаксиальные резонаторы), и то, на побочном эффекте, Но не обычным способом, ибо не излучает он (жилой по крайней мере), в отличие от бифиляра
/разве, что: разделить во времени жилу и экран или закоротить их (что делает применение к. бессмысленным)

И если гн.Капанадзе ссылается на Теслу, то нет там коаксиала.
(но есть категории Теслы)
😊

_________________
играю в бисер


AX | Post:168825 - Date: 21.03.09(22:19)
Вообще нам нужен "контроллер", автоматически вводящий систему в резонанс, а там хоть из простого колебательного контура можно черпать СЕ
😊

_________________
играю в бисер


gluk | Post:168838 - Date: 21.03.09(22:57)
AX | Post: 168823 "...Тесла мотал ВЧ вольфрамом..."

Из какого это источника, если знаете?
Заранее благодарен.

AX | Post:168845 - Date: 21.03.09(23:29)
вообще, где-то на этом форуме было, в достоверности не уверен
но нихром (не вольфрам, но что нашёл для проверки - был запас для ремонта домашних плиток) работает во вторичке

хотите - проверяйте (частота от 1МГц)

_________________
играю в бисер


Sergh | Post:168848 - Date: 21.03.09(23:41)
.

Sergh | Post:168859 - Date: 22.03.09(00:17)
dedivan, как бы Вы подключили накал на горячей стороне катушки? Наверное так как это делается в выходном каскаде передатчика с заземленной сеткой и накачкой через катод. Т.е. в цепь накала включается 2 дросселя. Тут тоже можно намотать вторичку двумя проводами, через них первоначально подавать накальное напряжение 220 вольт, можно даже от розетки.

Причем эти провода вторички могут быть разной длинны, с разницей в 220 вольт ВВ вторички. Такой режим описывался на форуме в теме "сверхединичность - просто" и был повторен в том числе MSN.

Потом, при переходе из режима запуска в рабочий резонансный режим, отключаем холодную сторону вторички и закорачиваем ее провода. В резонансе при сравнительно малом токе во вторичке получаем большой ток на разности длинн проводов вторичек. Почему - знает MSN.

Инвертор такого размера как в фильме может и 5 киловатт дать. У меня на 400 ватт автомобильный инвертор размером с небольшую книгу.
Стартерный аккумулятор секунд 10 - 20 выдаст 400 ампер, это почти его паспортный режим. В начале фильма на столе лежат провода к аккумулятору - такие недолго вполне 400 ампер потянут.

Основной вопрос откуда возьмется "+"?
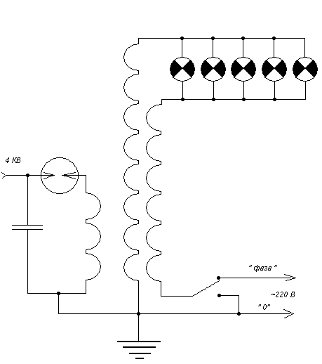
схема
схема
Размер: 4.63 KB

<] [ 1 | ... 17 | 18 | 19 | 20 | 21 | 22 | 23 | 24 | 25 | 26 | 27 | 28 | 29 | 30 | 31 | 32 | 33 | 34 | 35 | 36 | 37 | ... | 58 ] [>
У Вас нет прав отвечать в этой теме.
Форум - Резонансные генераторы - Резонансный трансформатор Теслы - запись показательной демонстрации - Стр 27
🏠 Главная | 📚 Содержание | 💬 Форум | 📁 Файлы | 📩 Контакт