[ВХОД]

07.04.26(03:16)

www.skif.biz

Альтернативная энергия. Оставь надежду, всяк сюда входящий...

🏠 Главная | 📚 Содержание | 💬 Форум | 📁 Файлы | 📩 Контакт
 
Резонансные генераторы
Магнитные генераторы
Механические центробежные (вихревые) генераторы
Электростатические генераторы
Водородные генераторы
Ветро- и гидро- и солнечные генераторы
Прочие идеи (разные)
О форуме
Транспорт
Оружие
Научные идеи, теории, предположения...
Экономия топлива
Коммерческие вопросы
Струйные технологии
Торсионные генераторы
Новые технологии
Барахолка
Патентный отдел
Конструкторское бюро
Нейтронная физика
Торнадо и смерчи
Гравитация и антигравитация
Сделай сам. Советы.
Медицина и здравоохранение

📱 | 🖨️

Форум - Резонансные генераторы - Резонанс Мельниченко - Провал эксперимента с двигателем Мельниченко. Косинус ФИ=0 - Стр:1
[ 1 | 2 ] [>
Модератор: kinoshnik2
kinoshnik2 | Post:165130 - Date: 07.03.09(12:18)
Вложив много времени и материальных средств в осуществление эксперимента с "электродвигателем Мельниченко" пришел к выводу, что данная шняга не работает по простой причине. Я собрал схему на 3х фазном двигателе, вводя в резонанс каждую фазу. Конденсатор разворачивает ток на 90 градусов и на двигателе косинус фи близок к нулю. Хотя резонансные ток и напряжение весьма большие, всё по формулам. Запускается двигатель от 60 вольт. А вот проклятый косинус всё портит. Тестировал схему в программе multisim - точно! Графики фаз тока и напряжения в резонансном контуре никак не хотели сближаться и всегда были друг от друга на расстоянии примерно 90 град.

ТАК ЧТО, ГОТОВ ПОДИСКУТИРОВАТЬ НА ТЕМУ КРАХА ЭКСПЕРИМЕНТА С ДВИГАТЕЛЕМ МЕЛЬНИЧЕНКО.

MSN | Post:165134 - Date: 07.03.09(12:41)
to kinoshnik2

Конденсатор разворачивает ток на 90 градусов и на двигателе косинус фи близок к нулю.

не к еденице, вы уверены?
вы бы схему вашего эксперимента выложили и описали что , где и как измеряли, возможно получилось-бы предметное обсуждение.

_________________
Говорите говорите, я всегда зеваю когда мне интересно. 99,9% всех СЕ устройств, - от неправильных измерений


kinoshnik2 | Post:165146 - Date: 07.03.09(13:12)
не к еденице, вы уверены?

Если бы к единице, я бы тут не писал, а давно уже катался бы на машине Теслы.

Программа MULTISIM: [ссылка]
Двигатель в схеме рекомендую заменить эквивалентной RL цепью, тогда в "Моделирование"->"Вид анализа"->"Режим АС" появится возможность строить графики тока на катушке l (эль).
f37a28.ms10
Размер: 57.90 KB

MSN | Post:165171 - Date: 07.03.09(14:38)
Мультисима у меня нет, Лучше выложить схему в графическом формате.
Так вы проводили эксперимент в реале, или моделировали ситуацию в программе?
И кстати добиться cof_f=1 не такая уж и большая проблема, но это не говорит ни о какой сверхеденичности, а только лишь об отсутствии перетекания реактивной энергии по цепи сеть-нагрузка-сеть.

_________________
Говорите говорите, я всегда зеваю когда мне интересно. 99,9% всех СЕ устройств, - от неправильных измерений


kinoshnik2 | Post:165342 - Date: 07.03.09(23:10)
Мультисим оч полезная прога.
А схема проста: 3х фазный источник, и 3 RLC контура под 120 град на рез.частоте.
Схема исследовалась и в реале и в программе.
Когда у нас от 60 вольт тронулся и закрутился движок, я было обрадовался, а потом оказалось, что его остановить можно рукой даже при 300 вольт (фазный номинал 220), и токе 1,5 А (номинал 1А).
Мультисим четко указывает, что косинус фи близок к 0, причем на любых частотах, независимо от резонансной. Фазные кривые напряжения и тока - всегда параллельны и отстают друг от друга на 90 град.

MSN | Post:165369 - Date: 08.03.09(00:10)
kinoshnik2 Пост: 165342 От 07.Mar.2009 (23:10)
Мультисим оч полезная прога.
Мультисим четко указывает, что косинус фи близок к 0, причем на любых частотах, независимо от резонансной. Фазные кривые напряжения и тока - всегда параллельны и отстают друг от друга на 90 град.


Кто бы спорил, дайте всеже схему в графическом формате и номиналы RLC

_________________
Говорите говорите, я всегда зеваю когда мне интересно. 99,9% всех СЕ устройств, - от неправильных измерений


kinoshnik2 | Post:165548 - Date: 08.03.09(11:52)
Кто бы спорил, дайте всеже схему в графическом формате и номиналы RLC


Вот схема

Схема с двигателем и ее эквивалентная замена
Размер: 196.88 KB

kinoshnik2 | Post:165550 - Date: 08.03.09(11:54)
Вот графики. Зеленый - напряжение. Синий - ток. Верхний график - амплитуды, нижний - фазы.


Размер: 184.03 KB

Troian | Post:165589 - Date: 08.03.09(14:49)
Мы тоже проводили такой эксперимент. Запускали через ЛАТР однофазный двигатель с последовательно подключенными кондерами. Выводили кондерами цепь в резонанс и тоже снижали напругу до 60В. Наблюдали возрастание полной мощности в цепи ЛАТРа по сравнению с мощностью на входе ЛАТРа в 2 раза. Косинус конечно сдвинулся. Надо было бы подключить на один вал с двигателем генератор, закольцевать схему и отключиться от розетки чтобы окончательно убедиться в работоспособности (или неработоспособности) идеи Мельниченко, но за два года как-то руки не дошли.

MSN | Post:165609 - Date: 08.03.09(15:48)
to kinoshnik2
во первых что я вижу на осциллограме?
Апериодический процесс, а это говорит о весьма малой добротности контура, 17 Ом сопротивление все-таки;
Во вторых, как вы определяли индуктивность обмоток двигателя? Наверное просто замерили ее прибором ? Такой метод в данном случае не годится, так как индуктивность обмоток двигателя зависит от проницаемости железа, а та в свою очередь есть функция тока протекающего через обмотку, расчет сложен, в рабочем режиме ее можно измерить косвенным методом, но толку вам от этого мало, поэтому проще в вашем случае подобрать емкость резонансного конденсатора ручками по мах напряжения на обмотках двигателя. У меня без проблем на ХХ резонировали асинхронныные движки с добротностью 2,5-4,3, правда в несколько иной схеме включения. При Cos_f~0,9-1, тоесть разница в фазе между током и напряжением сети была минимальна.
Что скажете ?

_________________
Говорите говорите, я всегда зеваю когда мне интересно. 99,9% всех СЕ устройств, - от неправильных измерений


Kopoet | Post:165656 - Date: 08.03.09(19:31)
Troian Пост: 165589 От 08.Mar.2009 (14:49)
Надо было бы подключить на один вал с двигателем генератор, закольцевать схему и отключиться от розетки чтобы окончательно убедиться в работоспособности (или неработоспособности) идеи Мельниченко, но за два года как-то руки не дошли.


А вот зря не дошли. У Валералап дошли, у него в подвале работала эта связка по его словам больше двух суток под нагрузкой.🙄

kinoshnik2 | Post:165745 - Date: 08.03.09(23:50)
MSN во первых что я вижу на осциллограме?
Апериодический процесс, а это говорит о весьма малой добротности контура, 17 Ом сопротивление все-таки;

Это на какой еще осцилограмме? Вы уверены, что правильно прочитали график?
Потом на 50Гц добротность 2,5-3,5 вполне приемлима для многих двигателей.

MSN Во вторых, как вы определяли индуктивность обмоток двигателя? Наверное просто замерили ее прибором

Конечно прибором, но когда вводили в резонанс контур, то меняя частоту источника питания, искали МАКСИМУМ по току - это как раз и есть резонанс.
Потом по формулам пересчитывали контур на 50 Гц.

MSN У меня без проблем на ХХ резонировали асинхронныные движки с добротностью 2,5-4,3, правда в несколько иной схеме включения. При Cos_f~0,9-1, тоесть разница в фазе между током и напряжением сети была минимальна. Что скажете ?

Как вы мерили косинус? Фазометром?
Мне не подгоните один приборчик? Я загорелся купить фазометр после неудачного опыта. 😎

MSN | Post:165777 - Date: 09.03.09(03:20)
Это на какой еще осцилограмме? Вы уверены, что правильно прочитали график?

беру свои слова обратно, АЧХ принял за амплитуду, очень похожа на апериодический процесс при малой добротности мог бы догадаться что генераторное напряжение синус и не дельта импульс.


Конечно прибором, но когда вводили в резонанс контур, то меняя частоту источника питания, искали МАКСИМУМ по току - это как раз и есть резонанс.
Потом по формулам пересчитывали контур на 50 Гц.


измерение прибором бесполезно, прибор измеряет индуктивность практически при нулевом токе, когда ток реален индуктивность много меньше. Вариантов два, или батарея конденсаторов и подбор методом научного тыка, или при рабочем напряжении измеряете ток и напряжение , вычисляете полное сопротивление Z=U/I, исходя из того что Z^2=X^2+R^2 вычисляете индуктивное сопротивление X, далее вычисляется индуктивность исходя из того что X=2п*f*L=314*L, это ускоряет подбор.


Как вы мерили косинус? Фазометром?
Мне не подгоните один приборчик? Я загорелся купить фазометр после неудачного опыта.


В те стародавние времена, до эпохи историчнского материализма я сводил косинус к 1 обычным двухлучевым осциллографом одновременно наблюдая сетевое напряжение и ток потребляемый двигателем, достаточно наглядно. Если жедаете узревать cos_f=1 чем-то другим, скажите какой бюджет вас устроит, вариантов не один, - подскажу.

_________________
Говорите говорите, я всегда зеваю когда мне интересно. 99,9% всех СЕ устройств, - от неправильных измерений


kinoshnik2 | Post:165847 - Date: 09.03.09(14:35)
Про осцилограф - это идея!
Подскажите парочку вариантов про измерение косинуса. Попроще и подороже.

измерение прибором бесполезно, прибор измеряет индуктивность практически при нулевом токе, когда ток реален индуктивность много меньше.


Свойства индуктивности

* Индуктивность всегда положительна;
* Индуктивность зависит только от геометрических свойств контура

[ссылка]

Полагаю, вы имели ввиду индуктивное сопротивление.


SergeyA | Post:165868 - Date: 09.03.09(17:01)
Я тут тоже немного померил..... в режиме последовательного резонанса ток и питающее напряжение синфазны. Нагрузка превращается полностью в активную. Отдача конечно хорошая, но потребляемая мощность при этом повышается, поскольку угол приближается к 0 быстрее чем падает потребляемый (реактивный) ток.
Взята обычная катушка, измерена индуктивность, взята емкость, посчитана частота. ПОследовательно включены сопротивление 1 Ом (на нем мерим ток), катушка, конденсатор.
Желтый напряжение, зеленый ток. На картинке 20 град, не совсем точная настройка в резонанс. Строим точнее получаем ноль.
Почти резонанс
Почти резонанс
Размер: 15.20 KB

jonifer | Post:165878 - Date: 09.03.09(17:37)
Про положительную индуктивность - это только кажется. Берём гиратор - там она и наоборот бывает.

MSN | Post:165905 - Date: 09.03.09(20:11)
войства индуктивности

* Индуктивность всегда положительна;


У пассивной - да, а имел ввиду я именно индуктивность. Если индуктивность с сердечником, то ее величина зависит от величины тока, тоесть L=f(I)
Меряется и считается именно так как я описал выше.
По поводу методов измерения их много есть, самый простой по осциллографу визуально, из недорогих приборчиков есть бытовые ваттметры, пригодные для синуса 50-60 гц, показывает полную, реактивную, активную мощность power faktor(cos_f), ток, напряжение и киловатт часы, всего то 20-30 баксов цена вопроса, есть не только на 115, но и на 220(европейский рынок). Из дорогих сслки не даю, смысла нет, это проф. приборы от 500-1000 долл и выше. Имея ваттметр также можно вычислять cos_f используя измеренные значения активной и реактивной мощности, ну фазометром - само собой.

_________________
Говорите говорите, я всегда зеваю когда мне интересно. 99,9% всех СЕ устройств, - от неправильных измерений


Вовочка | Post:165934 - Date: 09.03.09(22:18)
Для "SergeyA" и др. Вы всё очень прекрасно и правильно сделали. Результат замечательный. Вам осталось питать всю эту схему через ЕМКОСТНЫЙ делитель напряжения. У меня в схеме (последовательный резонанс) на эл. дв. было 340 Вольт (вместо 220В). Да, мощность на двигателе была 33 ВА (вместо положенных по паспорту 11-13ВА). От сети потреблялась мощность 22ВА (тоже довольно много). Был применён емкостный делитель с которого с нижнего конденсатора снималось 140 Вольт и на двигателе при этом стали положенные 220 Вольт и мощность 12ВА, но при этом от сети забиралась мощность около 4ВА. Выгода большая. Двигатель всё время был нагружен (это вентилятор с крыльчаткой). На последовательном резонансе 220Вольт от сети это очень много. От сети надо брать напряжение в ДОБРОТНОСТЬ раз меньше. В приведенной схеме с вентилятором вы легко увидите, что добротность двигателя немного не дотягивает до 2-х. Да, это "жидковато", но выигрыш по энергии в двигателе и от источника даже в этом случае очень заметен. Н.Тесла предупреждал, что для таких целей эл. дв. с КЗ ротором ("беличья клетка" самые ПОГАНЫЕ!!! И, тем не менее, даже на самом поганом есть серьёзный выигрыш энергии.


Размер: 51.61 KB

Yarston | Post:165980 - Date: 10.03.09(06:33)
Вовочка, как думаешь, можно ли эту схему на кулере сделать? Он наверно аналогом синхронного будет.

Fomin46 | Post:166012 - Date: 10.03.09(11:06)
Проводил аналогичный эксперимент с 3х фазным двигателем 100вт.При проведении эксперимента использовал специализированное лабораторное оборудование с измерение числа оборотов, напряжений и выходной мощности на валу.
Смог добиться улучшения рабочей характеристики только на 10%. Вызывал для демонстрации этого двигателя самого Мельниченко.
Работы в этом направлении прекратил, так как не смог увидеть практического использования.
Ни о какой сверхединичности не может быть и речи. Статья Дмитрука, если я не ошибся, самая настоящая лажа.

Fomin46 | Post:166013 - Date: 10.03.09(11:08)
Забыл добавить, что это происходило летом,в середине 2004 года

Sтаs | Post:166015 - Date: 10.03.09(11:29)
Вызывал для демонстрации этого двигателя самого Мельниченко.

вызвался?

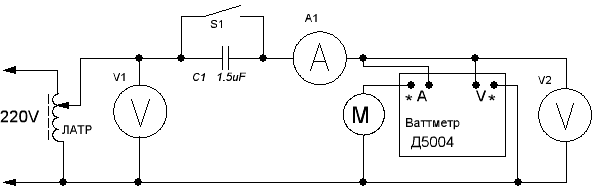
Вовочка | Post:166505 - Date: 12.03.09(03:30)
Что Вас так "колдобит" с резонансом. На мою схему с вентилятором Вы "х.." забили. В приложении та же самая схема от "MNS" Вот сопроводительный текст......
Уважаемый "MSN"! Вы самый компетентный из всех участников форума. Именно таких вопросов я и ждал. Вы их и задали. Делаем ТЕОР.АНАЛИЗ RLC электрической цепи. ВСЁ загнали в резонанс (Соs(фи)=1)!!! От ЛАТРа напряжение 162 Вольта (вместо 220В) и ток 0,0862А. Перемножаем 162В на 0,0862А, это то, что берём от источника (эл. сети)! Смотрим далее. На V2 (на двигателе) 225 Вольт. Перемножаем 225В на 0,0862А . ВНИМАНИЕ!!! Ток в последовательной цепи один и тот же!!! ЧТО БОЛЬШЕ??? 162В на 0,0862А или 225В на 0,0862А??? Первый сомножитель это от источника (от эл. сети), а второй сомножитель это то, что в нагрузке. ВЫ ВИДИТЕ РАЗНИЦУ ИЛИ, НЕТ??? Счётчик СОЭ-52 ВИДИТ и видит только то, что идет в схему, в нагрузку, а в схему идёт 162В на 0,0862А!!! Это значительно МЕНЬШЕ, чем 225В на 0,0862А в нагрузке. Самый современный и рекомендуемый счётчик СОЭ-52 фиксирует именно 162В на 0,0862А вместо 225В на 0,0862А. ОПЯТЬ РАЗНИЦУ НЕ ПОНИМАЕТЕ???



Размер: 4.20 KB

dedivan | Post:166507 - Date: 12.03.09(06:17)
Fomin46 Пост: 166012 От 10.Mar.2009 (11:06)

с измерением ...выходной мощности на валу


Вовочка такими глупостями не заморачивается. Если написано на вентиляторе 20 вт, значит
20вт на валу.
А то что дует он как и одноватный кулер от компа, это неважно.
В общем странно- и про косинус знает, и про марки счетчиков, и про асинхронный двигатель,
а про то что однофазные асинхронники делают с КЗ витком и кпд таких движков порядка 10 процентов
типа не знает.
Похоже он из тех физиков у которых стук распространяется быстрее чем звук.
Были у нас такие, в каждой группе по одному обязательно.
Какую ахинею не несли бы на экзамене- троечку им всегда ставили обязательно.

_________________
я плохого не посоветую


Hazarin | Post:166574 - Date: 12.03.09(15:42)
Вовочка Пост: 166505 От 12.Mar.2009 (03:30)
Делаем ТЕОР.АНАЛИЗ RLC электрической цепи. ВСЁ загнали в резонанс (Соs(фи)=1)!!! От ЛАТРа напряжение 162 Вольта (вместо 220В) и ток 0,0862А. Перемножаем 162В на 0,0862А, это то, что берём от источника (эл. сети)! Смотрим далее. На V2 (на двигателе) 225 Вольт. Перемножаем 225В на 0,0862А . ВНИМАНИЕ!!! Ток в последовательной цепи один и тот же!!! ЧТО БОЛЬШЕ??? 162В на 0,0862А или 225В на 0,0862А??? Первый сомножитель это от источника (от эл. сети), а второй сомножитель это то, что в нагрузке. ВЫ ВИДИТЕ РАЗНИЦУ ИЛИ, НЕТ??? Счётчик СОЭ-52 ВИДИТ и видит только то, что идет в схему, в нагрузку, а в схему идёт 162В на 0,0862А!!! Это значительно МЕНЬШЕ, чем 225В на 0,0862А в нагрузке. Самый современный и рекомендуемый счётчик СОЭ-52 фиксирует именно 162В на 0,0862А вместо 225В на 0,0862А. ОПЯТЬ РАЗНИЦУ НЕ ПОНИМАЕТЕ???

Вовочка, для разрешения сомнений, не могли бы Вы просто померить ваттметром в приведенной схеме мощность, потребляемую только мотором (без влияния конденсатора на ваттметр) – и посмотреть результаты, какие показания на моторе получатся у вольтметра V2, амперметра A1 и ваттметра при потребляемых от сети 0,0862А на 162В.


Размер: 4.25 KB

[ 1 | 2 ] [>
У Вас нет прав отвечать в этой теме.
Форум - Резонансные генераторы - Резонанс Мельниченко - Провал эксперимента с двигателем Мельниченко. Косинус ФИ=0 - Стр 1
🏠 Главная | 📚 Содержание | 💬 Форум | 📁 Файлы | 📩 Контакт